产品属性
| 品牌 | CJT/长江连接器 | 批号 | 22+23+ |
| 封装 | NA | 仓库 | 深圳 |
交易说明:
- CJT长江连接器一级代理商,原厂供货
产品详情
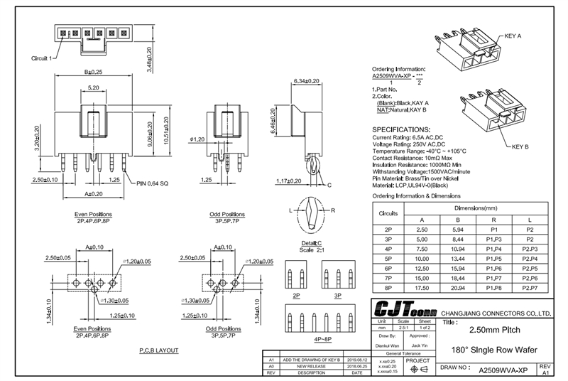
针座-2.50mm间距,180度,DIP针座
A2509WVA-XP
产品小类A2509系列
产品间距2.50mm
行数1
极数2P~8P
塑胶材质LCP,UL94V-0
塑胶颜色黑色,自然色
电流8A
电压250V
配合胶壳:
A2509HFA-XP 2.50mm间距,胶壳,
长江型号 A2547HN-2x11P A2547HB-12P A2005H-2x5P A2508WV-F-2x15P A2547HA-2x6P C4201WVD-2x1P A2008WV-S2-2x11P A2547HA-16P A2547WVA-4P-G A2008WV-S2-2x10P A2547HA-11P A1252WV-S-2P-G A2008WV-S2-2x12P A2547H-7P-3 A2006HD-2x5P A2008WV-S2-2x13P A2547H-2x9P A2005H-N-2X8P-B A2008WV-S2-2x7P A2512HB-6P A3965WR-2P-GWT A2008WV-S2-2x16P A2512HA-9P A2510HF-3P-P A2008WV-S2-2x15P A2512HA-7P A2508H-2P A2008WV-S2-2x2P A2512HA-6P D0801WR-S-10P-LCP-G A2008WV-S2-2x6P A2512HA-15P B2512H-2P A2008WV-S2-2x8P A2512HA-11P C4140HMA-2x2P-GWT A2008WV-S2-2x5P A2512H-16P C4201HFC-2x2P-V0 A2008WV-S2-2x9P A2512H-10P-GWT C3030HMC-2x4P A2008WVA-9P A2511WV-4P A0501H-51P-66 A3501WVE-F1-2x8P A2511WV-2P A0501B-GP A3501WVE-F1-2x2P A2511WR-2P-2 A0501A-GP A3501WVE-F1-2x5P A2511H-3P A2543H-10P A1257WR-S-6P A2509WVA-F-2x6P A2504H-11P A2541WV-13P-6T A2509WVA-F-2x4P-NAT A1276WV-N-2x10P-9T A2541HWR-2x9P-6T A2509WVA-F-2P-CRE A2012WVA-F-12P-H-46 A2008WV-S-2x6P-LCP A2008WR-S-11P-LCP C4201WVD-F-2x9P-C-V0 F1001WV-S-30P-TU A2008WR-S-10P-LCP A2011HA-2x10P F1001WV-S-28P-TU A2008WRE-S-2P C4201WVD-F-2x8P-C-V0 A3961H-4P-V0 A2008HM-12P C4201WVD-F-2x5P-C-V0 A1008-GP-A-G4 A2008HM-12P A1002WV-S-14P-LCP BYC6351HM3P-330-02 A2008HB-4P-BL A2011HA-2x17P C3030HF-6P A2008HB-15P A2541WV-3P-6T C4201HFB-2x8P-H A2008HA-8P-GWT A2005WV-S-5P-B C4201HFB-2x7P-H A2008HA-6P-GWT A2541WV-2x7P-6T A2005WV-2x8P-6T A2008H-2P-GWT A2541WV-6P-6T A2005WR-N-2x7P-6T A2007WV-8P C2504WR-2P A2541HWV-S-2P-A-U-H35-9T A2007WV-6P A2007WVD-8P A2541HWV-S-2P-A-U-H50-9T A2007WRD-3P-6T C4201M-TP-HH A2541HWV-6P-U-6T A2007WR-4P C3030HF-2x6P A2547H-16P-2 A2549WVI-2x3P-BK-G D1272H-12P C2363HM-4P A2549WVI-2x3P-BK-G A2508WVC-F-3P-A C2363HF-4P A2549WVI-2x20P-BK-G A1251WR-10P A2547WVF-22P A2549WVI-2x13P-BK-G C3030WVB-2x12P-9T A1257WR-S-2x10P-G A2549WVI-2x12P-BK-G A1275WV-12P-G C6351WV-3x2P-F-GWT A2549WVB-5P A2006WR-2x13P-IV A2010HA-8P A2549WVB-2x9P A2012WR-10P-LCP C4201HF-3P-A A2549WVB-2x8P-BK A1501HG-2x5P C4140WVD-3x3P A2549WVB-2x17P A2547FC-N-2x10P C4140WVD-3x4P A2549WVB-2x15P A2006WVD-F-2x10P C4140WVD-3x5P A2549WVB-2P C4201WV-2P-V0 A2501HB-4P A2549WV-3P A2008WV-2x13P-46-D300 C5081HF-4P A2549WV-2x7P A2008WV-2P C5081HM-3P A2549WV-2x5P A2008WR-12P C5081HM-2P A2549WV-2x4P A2008WV-10P A3502H-2P A2549WV-2x2P A2541WV-2x8P-H43-6T A2008WR-S2-2x3P A2549WV-2x18P A2541WV-2x10P-H43-6T A2008WR-S2-2x2P A2549WV-2x15P A2541WV-2x7P-H43-6T A2008WR-S2-2x16P A2547H-2x32P A2008WV-2x10P-46-D300 A2008WR-S2-2x11P A2547H-2x26P A1008-GP A2008WR-S2-2x9P A2547H-2x24P A2508WV-S-10P-F A2008WR-S2-2x15P A2547H-2x22P A2547WV-N-2x10P-LCP-CRE A2008WR-S2-2x13P A2547H-2x18P D1272WV-S-F-10P A2008WR-S2-2x7P A2547H-16P B2011H-12P A2008WR-S2-2x10P A2547H-13P-2 C4501S-3P A2008WV-S2-2x4P A2547FC-N-2x8P A1008-TP-A A2008WR-S2-2x14P A2547FCA-N-2x7P A1502-TP-A A2008WR-S2-2x6P A2547FCA-N-2x3P A1276FC-N-2x15P A2008WV-S2-2x14P A2547FCA-N-2x20P-Y A2012WR-5P-LCP A2008WR-S2-2x5P A2547FCA-N-2x10P A5081H-5P A2012WVK-10P A2544WVR-4P B2512H-2P A2012WVK-16P A2544WVR-2P B2011H-12P A2012WVK-14P A2544WV-7P C3030HM-2x1P-GWT A2012WVK-8P A2544WR-2P A2007WV-8P A2012WVK-4P A2544WR-12P C4201HM-2x6P A2012WVK-16P-Y A2509WVA-5P-NAT C4201HM-2x9P A2012WVK-12P-Y A2509WV-7P A2507H-2P A2012WVK-4P-Y A2509WV-3P-A A1251H-12P A2012WVK-14P-Y A2509WV-13P A1251H-9P A2012WVK-8P-Y A2509HMA-3P A2007H-4P C1801FA-TP A2509HM-7P C6351HF-3x3P-V0 A2512WV-2P-6T A2509HM-3P A1502WR-S-10P-LCP C4201HMA-2P-V0 A2509HM-12P A2007WV-14P A2550H-2x8P A2509HM-11P A3502WR-3P C4201WR-2x5P A2509HA-8P A2007WV-3P B0802HF-S-F-2x20P A2509HA-3P C3030WR-5P B0802HM-S-F-2x20P A2509HA-10P A2543WVC-4P A2501WV-S-16P A2508WV-F-15P-H A2006WV-2x5P-9T A2550M-GP-E A2508WV-F-14P-H A2008WV-S-2x7P A1257WV-S-3P-LCP A2508WV-F-13P-H A2007WV-11P A1257WV-S-4P-LCP A2007H-16P A2007WV-10P A1257WV-S-10P-LCP A2006WV-S-2x8P A1002WV-S-F-2x5P-G A1257WV-S-2P-LCP A2006WV-S-2x4P C4201HFB-2x2P A1257WV-S-8P-LCP A2006WV-S-2x15P A5081H-2P A1257WV-S-2P-LCP A2006WVD-F-2x19P A2547H-2P-3 A1257WV-S-3P-LCP A2006WV-2x11P-9T C3030F-TP-D-L A1257WR-S-10P-LCP A2006WR-2x4P-9T A2549WR-4P A1257WR-S-5P-LCP A2006-TP-U-L C4201F-TP A1257WR-S-5P-LCP A2006-TP-B A1201WRA-S-4P A1257WR-S-4P-LCP A2006-TP C6201WRB-F-2x4P A1253WV-15P A2006HD-2x18P A2547WR-11P C5081F-TB-48 A2006HB-2x24P C4201WR-F-2x2P-G15 C5081F-TB-H-48 A2006HB-2x13P A2006WVU-S-2x18P C4201WV-2x5P-V0-N2.4.7.9 A2550H-5P-M A2008HA-6P C4201WVA-F-2x7P-V0 A2550H-4P-M1 A1502H-14P A4001HG-4P-C1 A2550H-4P-G A1002A-TP A2550M-GP-E-GG15 A2550H-3P-M A2012WVB-S-F-5P C1801HF-3P A2550H-3P-G C6201HM-2x2P A2001WV-F-4P-H A2550H-36P A2004WR-8P C1801F-TP A2550H-2x4P-N A2012WV-S-5P C1801M-TP A2550H-2x4P C4201WVD-2x3P-V0 A2501WV-F-2P-H-RD A2550H-2x3P A1501WR-13P A2543WV-5P A2550H-2x2P C4201WR-F-2x3P B5081CW-5P A2550H-2x25P A2541HWV-16P-6T A2001WV-4P-LCP A2550H-2x22P B3952H-F-5P A2012WR-F-2x2P-PBT A2550H-2x21P A2547WV-8P-G15 A1276FC-N-2x8P A2550H-2x18P A2005HA-2x7P-66 C4201HM-2x3P-A A2550H-2x11P A2005HA-2x8P-66 A2541WV-4P-LK-9T-C450D250-CRE2 A2550H-2P-B A2005HA-2x5P-66 A2012M-TP A2550H-26P A2005HA-2x3P-66 A7921WRA-6P-30 A2550H-25P-CR A2005HA-2x15P-66 A1002-GP-N A2550H-25P-A A3963WVD-F-7P-H C4201F-TP-HH-48 A2544WR-10P A2547WR-S-F-24P-LCP A2541HWV-S-2x9P A2543WVA-6P-WH-G30 C6351HM-8P-V0 A2541HWV-S-2x6P A2543WVA-16P-WH A2501WVHM-2P A2005WV-N-S-2x10P-A-2 A2543WVA-11P-WH A2550-GP-J-TG5-2 A2005HWV-S-2P-B A2543WRD-15P A2505H-6P A3963WV-13P A2543WRA-6P-WH-2 A2547WR-S-F-12P-LCP A2008HA-8P A2543WRA-4P-WH-2 A3964-TB C4201F-TP-48 A2543WRA-3P-WH-2 A2547HJ-4P A1008WR-S-12P-LCP A2543WRA-2P-WH-2 A2543HB-6P-WH A7921HC-3P-0K A2543WRA-10P-WH-2 A2008WV-4P B2541CW-2P A2508WV-F-13P-GWT C4201WV-2x3P CDMSC6201HFB4PNK-360-01 A2508WVA-2x15P A2012WRA-F-9P CDMSC6201HFB2PNK02-380-01 A2508WV-5P-RD A2006H-2x7P C1581HMB-2x2P-CJT A2508WV-5P-BK C4201HMB-2x3P A1501WRD-S-15P-9T A2508WV-3P-RD A2508WVC-F-9P A2009HM-2x11P A2508WV-3P-BL A2543WR-10P A2543WRA-11P-WH-2 A2508WV-3P-BL C3030WR-2x2P-LCP A2541WVA-2x25P-6T-E850 A2508WV-3P-A A2010HD-13P A2005WR-N-2x5P-B A2508WV-2x9P-D30 USB-VUFC007 A2005HWRA-2x15P-6T A2508WV-2x8P-D30 C2504AH-4P-WH C5081HF-3P A2508WV-2x7P-D30 A1501H-6P-GWT C4201WR-2x3P A2508WV-2x6P-D30 A1501H-3P-GWT A2550HK-7P A2508WV-2x5P-D30 A2001H-8P-GWT A2010WRC-S-13P A2508WV-2x4P-D30 A2001H-6P-GWT A2010WRC-S-9P A2508WV-2x10P-D30 A1251H-5P-GWT A2010WVC-S-5P A2508WV-20P A1276HEA-2x25P A2010WVC-S-7P A2508WR-S-6P A2508WV-F-11P-GWT A2010WRC-S-10P A2006HA-2x5P A2011WRA-2x6P A2010WRC-S-12P A2006HA-2x11P C4140HF-2x12P A2010WRC-S-14P A2005WV-S-F-2x5P-H15-GWT A1251WV-3P-46 C4140WVD-2x2P A2005WV-S-F-2x4P-H15 A3963WR-10P A2010WVC-S-6P A2005WV-S-F-2x4P C4201WV-2x5P-46 A2010WRC-S-7P A2005WV-S-F-2x14P C3030WR-2x4P-LCP A2010WRC-S-3P A2005WV-S-2x7P A2005WV-N-2x8P-A A2010WRC-S-2P A2005WV-S-2x5P-D600 A1255WR-S-6P-LCP A2010WRC-S-11P A2005WV-S-2x3P A1255WR-S-2P-LCP A2010WRC-S-5P A2005WV-S-2x2P A3963WVD-3P A2010WRC-S-15P A2005WV-S-2x15P A1201-GP-A-G3 A2010WRC-S-8P A2005WV-S-2x12P C4140HF-2x4P A2010WRC-S-4P A2005WV-S-2x10P A2543HA-12P-WH A2010WVC-S-15P A2005WV-N-S-F-2x9P-A A2008H-8P-GWT A2541HWR-S-6P A2005WV-N-S-F-2x9P-A A3501WVE-F-4P A2541HWR-S-16P A2005WV-N-S-F-2x15P-B A2008H-2x6P-GWT A2006H-2x15P A2549WV-2x10P A2008H-2x2P-GWT C6201WRB-F-6P-D36 A2549WV-12P B3961AW-10P A3965H-6P A2549WRK-2x8P C4140HF-2x5P-GWT A2006H-2x5P A2549WRK-2x5P-BK-G C6351HF-8P-GWT D1275HWV-S-8P-6T A2549WRI-2x6P-BK-G C4140HF-2x4P-GWT C3963HF-2P A2549WRI-2x15P-BK-G C4140WV-3x5P-GWT A2008WVE-S-12P A2549WRI-2x13P-BK-G C4140WR-2x2P-GWT D3961L-4P A2549WRI-2x11P-BK-G A1252WV-S-F-10P-G A2501WV-F-5P-H A2549WRI-2x10P-BK-G C4140HM-3P-GWT A1002WRA-S-4P A2549WR-6P C4140HM-2P-GWT A2008-TP-H A2549WR-2x9P C4140WV-2x5P-GWT D3961H-4P-RD A2549WR-2x3P C4140WV-2x4P-GWT B3961BW-6P-V0 A2549WR-2x18P C4140WV-2x2P-GWT A2008WR-S2-2x4P A2549WR-2x15P C4140WV-2x8P-GWT C1801HF-2P A2549WR-2x13P C4140WV-2x3P-GWT A2012WVA-F-5P A2549WR-2x12P C4140WR-3P-GWT A2006WV-2x4P A2543WR-5P C4140WV-2P-GWT A2009WV-2x11P A2543WR-20P C4140WV-3P-GWT A2006-TP-U A2543WR-14P A7921HC-4P-0A A2508H-7P A2543HB-5P A2012WRE-S-10P A2006HU-2x20P A2543HB-4P-WH C4140WR-2x2P A2006HU-2x8P A2543HB-10P-WH A2008HM-8P A2008HE-12P A2543HA-7P A2509WV-12P A1501WVA-S-2x4P A2543HA-13P-WH A2509WV-10P A2008HA-2P A2543HA-10P C4201WVA-2x5P A2550-GP-J-GG15 A2543H-6P-GWT A1008H-6P D2541L-3P A2543H-4P-WH A2005HWV-2x6P-6T A1002WVP-S-7P A2543H-4P-GWT A2006HA-2x10P A2011HM-12P A2543H-3P-2-GWT C3030WR-7P A2508H-2x15P A2541WV-S-F-2x6P A7501WVA-5P A2005HB-N-2x13P-D A2541WV-S-F-2x5P A7501WVA-2P A2005HI-2x13P-G3 A2541WV-S-F-2x4P A2008WV-12P A5001WV-2P A2508WR-F-5P-6T A2008WR-5P A5001H-2P-WH A2508WR-F-2P-2 A2008WR-2x6P C2504WR-5P A2508WRA-2x11P A2008WR-8P C4201HF-2x11P-V0 A2508WR-11P A2008WV-2x20P-46-D300 A1201HB-2P A2508SB-6P B2512H-5P A1201H-7P A2508SB-12P A2501WV-12P A2549WRB-S-5P A2508SA-9P-GWT D3961H-6P-BK-18 A1008H-2x12P-HF-BK A2508SA-7P-GWT A2543-GB A1006H-2x20P-66 A2508SA-6P-GWT A2001HM-6P A1002HB-10P-66 A2508SA-5P-GWT C6201WVC-2x2P A2501WV-3P A2508SA-4P-GWT A1276HWV-S-F-2x12P A2512WV-5P-GWT A2508SA-3P-GWT C6201WVB-F-2x1P A2512WV-4P-GWT A2508SA-2P-GWT C6351WV-4P-M A2547HN-2x17P A2508SA-15P-GWT A2501WV-S-8P B3962HA-2x28P A2508SA-14P-GWT A1002WRP-S-5P A1002WVP-S-12P A2508SA-13P-GWT C4140HMA-3x3P A2011HA-2x20P A2508SA-11P-GWT A2508WV-9P A2006WV-S-F-2x6P-9T A2508SA-10P-GWT C2020HF-2P A2006WV-S-F-2x8P-9T A2005WV-N-S-F-2x15P-A A2012WR-S-6P A2502WV-2P-BL A2005WV-N-S-F-2x14P-A A2541WV-2x13P-9T-N24 A2001WR-9P A2005WV-N-S-F-2x12P-A A2541WVA-2x20P-6T A2006WR-2x3P A2005WV-N-S-2x7P A2010-GP-H A2501WV-F-4P-GWT A2005WV-N-S-2x6P-A A2008WV-2x3P-46-D300 C3030WVB-2x10P-9T A2005WV-N-S-2x6P A1002WR-S-7P-LCP B3962HA-2x22P A2005WV-N-S-2x4P-FI A1276WR-S-4P D3961HA-3P-YL A2005WV-N-S-2x3P-FI A2006WVD-F-2x5P D2541HA-6P-RD A2005WV-N-S-2x3P-B C6201HM-2x2P-GWT A1002H-6P A2005WV-N-S-2x17P-FI A2547HA-2x4P A1006H-8P A2005WV-N-S-2x17P A2008WV-5P A1002HP-10P A2005WV-N-S-2x12P-FI A2008WR-2P A2512WV-F-4P-H A2005WV-N-S-2x10P-FI A2001HA-6P A2012WR-S-7P A2005WV-N-2x8P-B-6T A2008WV-2x2P-46-D300 A2501WV-10P-GWT A2005WV-N-2x7P-B-6T C3030WR-2x12P A1002H-7P A2005WV-N-2x7P-A-D32-N10 B1251H-6P A2005HB-N-2x10P-D A2005WV-N-2x22P-6T A2004H-5P A2541WR-3P-6T A2549WR-2x11P C4201WRS-4P A1276HWV-S-F1-2x50P-LCP A2549WR-2x10P A2012WV-8P-LCP A1002WRP-S-8P A2549WR-10P A2005WV-S-4P-A-C155D300E480 C1301HM-3P A2549HM-6P A2005WV-S-F-2x28P A2008H-2x5P A2549HM-4P A5081WVA-4P A2512WV-6P-6T-RD-N2.5 A2549HM-2x8P A2547HE-25P A1002WRP-S-10P A2549HK-9P A2508HA-13P A1002WVP-S-10P A2549HK-6P A1501HE-2x12P A1501WVE-S-2x18P-NK A2549HK-5P A2501HMB-6P C2003HF-2P A2549HK-36P A2508HA-14P B3962HA-2x36P A2549HK-25P C3030WRE-F-2x6P C1801S-2P A2549HG-2x4P C4201WVA-F-2x1P A2012WV-F-2x20P-GF A2549HG-2x11P C4201WVA-2x2P-V0 C1801S-3P A2549HE-2x8P A2502WR-12P A7921HC-2P-1D A2549HE-2x4P A1251H-18P A2009WR-2x8P A2541WV-S-F-2x10P A1251H-17P A2541WR-5P-6T A2541WV-S-3P A2541HWV-20P-6T A2001WV-S-3P-LCP-BK A2541WV-S-2x4P A2004WV-4P A2547HJ-10P A2541WV-S-2x33P-H15-C500 A2541H-N-2x5P C3030WV-F-9P-LCP A2541WV-S-2x11P A2508SB-3P A1257WVD-S-4P A2541WV-S-2x10P A2508SB-4P A2012WVE-S-3P-A A2547WV-N-2x5P-9T-N9 C2521HM-3P-WH A2010WVA-F-2x7P A2547WV-N-2x3P-6T C4501HMA-3P C5081WV-4P-R-G A2541WVA-S-F-2x4P-C1200E1400 C6201HFC-2P A4001H-4P A2541WVA-S-F-2x4P A2011H-15P A2508H-2x14P A2541WVA-S-F-2x2P-C1200E11600 A1501HA-2x9P C1801HM-2x3P A2541WVA-S-2x8P-D032F936 A1501HA-2x5P A7921WVA-3P-0G-C A2508HMB-5P A1501H-11P C1581HFB-3x5P A2508HMB-3P A2008WV-2x8P-46-D300 A2541WR-S-2x15P A2508HMB-2P A2008WV-2x5P-46-D300 A2012WV-F-2x5P-PBT A2508HM-8P A1271-GP A2006WV-2x16P-9T A2508HM-7P A1201WRG-S-3P-A A1502WR-S-8P-LCP A2508HM-6P A2541H-N-2x2P-2 A1002H-2x10P A2508HM-5P A2508WR-F-7P-N5.6 A1002H-2x15P A2508HM-4P D2541HA-2P-RD A1002H-2x5P A2508HM-3P A2550H-5P-A2 A2012WVA-7P-H A2508HM-2P A3961H-KEY A2005HE-N-2x4P A2508HM-11P A2008WV-2x10P-46-D300 C2521HM-10P A2508HB-9P A2001WV-7P C4201HF-5P-GWT-BK A2508HB-8P A2001WV-8P C3030WR-10P A2508HB-7P A7921WRA-6P-30 C3030WR-12P A2508HB-6P C3030WV-2x10P A0801H-10P-66 A2005WV-N-2x20P-B A5001WRA-2P A2507H-6P A2005WV-N-2x20P-A A1252WV-8P A2005HWV-4P-6T A2005WV-N-2x20P-6T A2547HJ-2x10P A1276WVA-2x4P A2005WV-N-2x18P-6T C2363WV-2P A7501-TB-250-HH A2005WV-N-2x15P-B-6T A2012WV-F-2x10P-GF A2541WV-3P-LK-9T-CRE2 A2005WV-N-2x15P-6T A2512WV-S-2P A7501-TB-250-H A2005WV-N-2x12P-6T A2512WV-S-5P A3963WRD-6P A2005WV-N-2x10P-FI-G15 A2512WR-S-5P A2005HWV-2x9P-H40-6T A2005WV-N-2x10P-6T A2005H-2x10P A2541WRA-11P-6T A2005WVK-2x15P C2363WV-3P A2005HWV-3P-6T A2005WVK-2x14P A1201-TP-B A2005HWV-7P-6T A2005WVF-10P A1201WRG-S-3P A2005HWV-2x25P-H40-6T A2005WVD-F-2x6P-HCS-G2 A1201H-2P A2005HWV-2x4P-6T A2005WVC-N-S-2x15P-FI-BK A2502WV-4P-C33 A2008H-6P-GWT A2005WVA-S-2x2P C4201WR-F-2x1P-GWT-BK C2521HF-10P A2005WVA-5P-6T-C300D300E800 A1002D-TP C2521HF-9P A2005WVA-2x8P-6T A2001HA-6P-GWT A2541WR-6P-6T-D218E280 A2549HE-2x17P A2006HA-2x8P C2521HM-9P A2549HE-2x15P C3030WV-S-7P D0801WV-S-10P-LCP-G A2549HD-4P C3030HF-8P A2541WV-2x2P-LK-9T A2549HD-2x4P C4201HF-2P-GWT-BK A2541WV-2x4P-LK-9T A2549HC-8P A2549H-2x8P A2541WV-2x10P-LK-9T A2549HC-6P A2549WV-2x8P A2541WV-2x10P-LK-9T A2549HC-2x7P C3030HF-2x2P-GWT-BK A2541WV-2x13P-LK-9T A2549HC-2x34P C2504HMC-4P A2541WV-FL-2x6P-LK-9T A2549HC-2x18P C4201HF-2x1P-GWT-BK A2541WV-FL-2x6P-LK-9T A2549HC-2x17P C4201HF-2x9P-V0 A2005HWR-2x8P-6T A2549HC-2x15P A2005HB-N-2x6P-B A2006WV-S-F-2x7P-9T A2541WVA-S-2x5P-C850 A3963WR-8P A2006WV-S-F-2x7P-9T A2541WVA-5P-6T A1002HP-3P A3501WVE-F-2x8P A2541WVA-4P-6T-C30D30E292 A2008WV-2x11P-46-D300 C3030WR-S-3P A2541WVA-4P-6T-C300E508 A1501WRE-S-2x12P-NK C3030WR-S-4P A2541WVA-3P-6T-C50D50 A1501WRE-S-2x15P-NK D2541WV-F-8P A2541WVA-3P-6T-C30D30E292 A1502HB-5P CDMSC6201HFB6PNK02-200-01 A2541WVA-3P-6T A3963WRD-5P A2012WV-S-3P-LCP A2541WVA-2x8P-6T B2011H-13P C3030WR-F-4P-LCP A2541WVA-2x7P-6T-C850 A1501H-11P A2005HWV-2x14P-6T A2541WVA-2x7P-6T A2009HM-2x5P A1276WV-S-2x10P A2541WVA-2x5P-H-6T C3030WR-2x1P A1276HWV-S-2x20P-H20-E45 A2541WVA-2x5P-6T A1002HP-5P A2005H-N-2x4P-B-66 A2541WVA-2x3P-6T-E2250 C6201M-TP C1581M-TB A2541WVA-2x12P-H-6T C6201HM-2x4P A2509HA-14P A2541WVA-2x10P-H-6T A2006WVU-2x20P A2001H-4P A2541WVA-2P-6T C2003HFB-3P A2004WV-6P A2541WVA-20P-6T-C300E508 C4201HF-2x3P-V0 A1276WR-2x10P-E320 A2541WVA-12P-6T A3965WR-3P-GWT A2541HWV-2x16P-6T A2508HB-2P A3501WRE-F-2x2P A2005WV-40P-6T A2508HB-10P A3501WRE-F-3P A2541WR-7P-6T A2508HA-7P-GWT 38x50x0.8-端子卡钉 A1002HN-4P A2508HA-5P-GWT 600x10-端子盘 A2006HB-2x11P A2508HA-2P C3030WR-2P A1002HN-3P A2508H-8P-GWT C3030WR-4P A2005H-N-2x11P-B-66 A2508H-7P-H A3963WVD-F-12P A2512WV-5P A2508H-7P-GWT A2008WR-7P A1008H-3P A2508H-5P-GWT A2508HA-11P A1008H-6P A2508H-2P-GWT A1502WV-12P A2010WR-7P A2508H-20P C4201HF-2x2P-GWT-CJT C6351HM-4P-GWT A2508H-18P A2012WVA-F-6P C1801MA-TB-L A2508H-14P-GWT C4140WV-2x10P-KK C1801FA-TP-LL A2508H-13P-GWT A2501HWR-5P C1801MA-TB-LL A2508H-12P-GWT A2012WR-F-2x6P-D25 A2011WVA-2x14P A2507WV-6P A2508HA-2x5P A1502HA-20P A2507H-14P A2008WR-2x20P C3030WR-S-F-4P A2005WVA-2x7P-6T A2011HM-2P A2549WVI-2x7P-BK-G A2005WVA-2x5P-6T A2512WR-8P A2541HWV-2P-6T A2005WVA-2x3P-6T A1251WR-17P-46 A2508-TP-C-H A2005WVA-2x13P-6T-T-D300 A1251WV-18P-46 A1276WRK-2x10P A2005WV-2x6P-XD A2508H-2x9P A1256HD-31P A2005WV-2x11P-6T A2011WRA-2x8P A1253H-15P A2005WV-2x10P-6T A2508WVA-2x7P-TR A2012WR-F-2x8P-D25 A2005WV-16P-6T A2508WVA-2x3P-TR A2547HU-N1-2x5P A2005WR-S-5P A2505WR-8P A2547HU-N1-2x10P A2005WR-S-2P A5081H-3P-2-GWT A2547WVC-2x17P-6T A2005WR-N-2x8P-6T C3030WR-S-10P C3030M-GP A2549HC-2x14P C3030WV-S-8P C4140F-TB-H A2549HC-2x10P C3030WV-S-10P A1251WR-S-3P A2549HC-12P A2509WVA-2x5P A2550M-TP A2549HC-11P A2541WVU-3P-A-CRE A2005HB-N-2x5P-G A2549HA-9P A1008WV-S-6P D2541H-12P-RD A2549HA-8P A2509WVA-2x3P A2547HU-N1-2x11P A2549HA-12P A3963WV-2P A2547HU-N1-2x30P A2549HA-10P A2361WRA-2P C2003HM-2P A2549H-6P A1501WR-S-4P-LCP A2541WV-2x40P-6T A2549H-2x18P C3030HF-2x3P-GWT C3030WV-4P-LCP-G15 A2549H-2x15P A1502WV-S-3P-LCP A2001WR-S-4P A2549H-14P A5001H-2P A2541HWRA-4P A2549H-13P A1251WR-S-14P-LCP D2541WVA-F-8P A2549H-12P A1502HB-3P D2541WVA-F-5P A2549H-11P A1502WVB-S-3P A2005H-8P A2549H-10P A2508WVA-2x2P-TR A2504WV-3P-BK A2005WR-5P-6T A2012-TP-D D0801WV-S-8P-LCP A2005WR-2x20P-H15-6T-C300D127E320 A3965WR-3P-A-GWT A2509HA-13P A2005HWVE-2x10P-6T A2543WV-3P A2008WV-S-2x12P-LCP A2005HWR-S-2x8P C6201HM-2x6P A1501WRA-S-2x11P A2005HWRA-2x7P-6T A2007WR-S-2P A2508WVC-F-12P A2005HE-N-2x3P A0801H-14P-2 A1501WRA-S-2x13P A2005HB-N-2x20P-D A2508WRA-2x3P-TR A0801H-14P-46 A2005H-2x3P A3963-TP-H-NK A0501H-41P A2001WV-S-12P-LCP A1501WRA-S-2x5P F0501WRE-S-40P A2001H-14P A1501-TP-H-DZ A2549WR-2x4P A1501WV-S-9P-LCP A2004-TP A2501WV-5P-GWT A1501WVA-S-2x5P C4201HF-2x6P-V0 A2002H-3P A1276WV-S-2x17P C6351HF-3x4P-V0 A2005H-9P A1276WV-2x12P-H20 A2010HD-5P A3961H-14P A1275WV-2x34P A2005H-8P A2547WRA-S-F-16P-G A1257WV-S-7P-LCP A0801H-6P-2 A2550H-9P-M1 A1257WR-S-2P-LCP-G A1276HWV-S-F-2x20P A7921WVA-4P-37-A C2521HF-11P A2361M-TCA A2005WV-N-S-2x5P C2504WR-12P A2361F-TCA A2541WR-2x17P-6T C2504HMA-8P A2549HK-12P A2005WV-2x15P-6T C2504HMA-7P A1801-TP C4201HFB-2x12P C2504HMA-4P C3030HFE-2x6P A2361WRA-4P C2504HM-9P C4201WV-2x4P-BK A2547H-2x3P C2504HM-7P C6201HF-2P A2005WVK-2x10P C2504HM-5P A1256WR-S-8P A2008WV-8P C2504HM-11P A2009H-2x11P A3963WV-6P-D34-N3 C2504HFA-9P A1501HM-6P A3963WV-4P-D34-N2 C2504HFA-7P C4501HM-3P-GWT A2501H-16P C2504HFA-12P C6201F-TCA-E A1002WRP-S-4P C2501HM-2P A2543WV-2P A2512H-10P C2501HF-2P A2508HMA-16P A2512H-13P C2363HM-3x5P D1272WV-F-16P A2512H-14P A3963WRB-5P-A A2005WR-S-14P A2508WV-10P A3963WRB-5P A1252WV-4P A2541HWV-2x14P-6T A3963WRB-4P A1251WV-9P-46 B2513H-2P A3963WRB-3P A1254WR-S-9P-G A2008WV-2x9P-46 A3963WRB-2P A1501H-3P-GWT A2005HWV-26P-6T A3963WRB-12P A2543HA-12P-WH A2005WV-N-S-2x10P-A-2 A3963WRB-10P A2512WV-S-7P C6201WVB-F1-2x4P A3963WR-8P-L A2012WVA-7P C6201WVB-F1-2x6P A3963WR-7P-A A1501H-6P-GWT A2005HWV-12P-6T A3963WR-6P-G C6201F-TCA-E-H A2005WV-2x25P-6T A3963WR-11P A1002WR-S-2x20P-G A2541HWR-2x10P-6T A3963S-3P-GWT A2361WVA-2P A2005HWV-15P-6T A3963HM-9P-GWT A2012H-6P-BL B3951H-2P A3963HM-9P A2012H-4P-RD A2541WV-4P-LK-9T A3963HM-8P A2543H-10P-WH C4201WVB-2x4P A3963HM-10P-GWT A2549HK-6P A2005HWRA-2x20P-6T A3963HM-10P A2547WVB-4P-KK A2005HWRE-2x15P-6T A1255HA-11P C4140HF-3P-GWT C6351HM-3x2P-GWT A1252WV-S-2x20P-G A2005WVC-N-2x10P-N20-BK C6351HFA-8P-V0 A1251WV-S-14P-LCP A2010DS-4P C6351HFA-6P A1251WR-S-15P-LCP A2010HD-4P C6351HM-7P A1201WR-S-6P A2012WR-F-2x12P-GF C6351HM-3x3P-GWT A1002WV-S-2P-LCP C4201M-TP A2547HE-10P A7921WR-F-2P-BK C4140F-TB F1001WVA-13P A3963HB-6P C4140HF-2x2P-V0 A1276HWV-S-2x4P A3501HE-2x6P A1252WV-5P A2541WV-36P-6T A2547WVA-17P-G C4201WR-F-2x3P-V0 B1000HM-S-F-17P-LCP-MRE A2543WVA-6P-GWT C4201WR-F-2x2P-V0 A1276HWV-S-2x4P-H34 A2541WRA-40P-6T A2006HB-2x8P A2007WR-S-3P A2541H-N-3P A2012SA-8P-4T A2005WR-2x2P-6T A2010HA-2x15P A2012SA-7P-4T D0801WV-S-2P-LCP A2008HM-2x2P A2012HA-8P A2005HWV-8P-6T A1501WV-S-2P-LCP A2012SA-5P A2547WRA-N-2x7P C2363HM-3x4P A1255H-20P A1257WR-S-2x20P C2363HF-3x5P A1008H-2x20P A2005HWV-11P-6T C2363HF-3x3P A1006H-6P D0801WV-S-6P-LCP C2020HM-4P 390x10-端子盘 A2005HWV-4P-6T C2020HF-3P C4140HF-3x3P-V0 A2541WV-S-2P-B C2020HF-3P A2505H-12P A2006H-2x7P C2003SB-15P A1254H-8P A2006WV-S-2x7P-LCP C2003SB-13P A1501HG-2x3P A1276WV-2x6P-9T C2003HMB-6P A2005HB-N-2x4P-F A2005H-N-2x20P-B-66 C1801HMA-1P A3961WVB-4P A2005H-N-2x15P-B-66 C1801HM-2P-BL C6201WV-2x4P A2005H-N-2x14P-B-66 C1801HFC-2P A1002WVP-S-5P A2005H-N-2x9P-B-66 C1581HMC-3x5P C6201WVC-2x3P A2005H-N-2x5P-B-66 C1581HMC-2P-GWT A2005WV-2x7P-6T-N5 A2005H-N-2x10P-B-66 C1581HMB-2x3P A2512SA-8P A2008WR-2x14P-P-LCP-D22-105 A3963HB-5P A2541WV-2P-6T-C808D317 C3030WV-2x6P-2-LCP A3963HB-3P A2541WV-2x6P-9T-N10 C4201HMB-2x3P-C A3963HB-2P A2541WV-2x8P-9T-N16 A1501WV-S-4P-LCP A3963HA-3P-GWT B1271WV-S-F-2x10P A1501WV-S-6P-LCP A3963HA-12P A2509WRB-S-2x4P A2012WV-3P-LCP A3963H-15P A2508WR-2P A2547WVB-2x12P A3961WVB-F-8P A2005WVA-S-F-2x20P A1502HA-11P A3961WVB-F-7P A2005WVA-S-F-2x18P B1271HWV-S-F-2x8P A3961WVB-F-5P A2010DS-13P C4201WVA-F1-2x5P-V0 A3961WVB-F-4P A2508WV-F-4P-GWT A1502WV-S-12P-LCP A3961WVB-F-10P A2508WV-F-6P-GWT C4201HFB-2x3P-C A3961WVB-8P A2508WV-F-3P-9T A2010HC-14P A3961WVB-4P-V0 A2508WR-5P-A A2501WRB-8P A3961WVB-10P-GWT A2508WV-F-3P-GWT A2501WVR-3P A3961WVA-6P A3963WR-2P-GWT-BK A1257H-2x20P A3961WV-6P-V0 A3963WV-2P-GWT-BK A3961WR-6P-GWT A3961WV-19P A3963WV-2P-GWT A7921WVA-4P-0C-C1 A1276WV-2x9P A2008WV-2x4P-46-D300 A2547HU-N1-2x15P A1276HE-2x15P A2005HWV-S-F-2x20P D2541HA-4P-RD A1006H-12P A1276HWVA-S-F-2x6P-H57 A2008WV-17P B2011H-10P 手用拉伸膜0.02x450 A2006WV-2x8P A2550H-22P-A PE卷膜0.025x60 A2508WR-14P A2549H-9P A2550H-10P-H A2508WV-F-2x4P A2547WRB-12P A2550H-12P-H A2547HU-2x7P A2547H-10P-3 A2005WV-N-2x6P-A A2547HU-2x4P A2512SB-2P C6201HF-3P A2501WV-6P-GF A2508WR-F-15P A1257-TP A2547WV-N-2x6P-LK-9T-N8 A2508HM-2x9P C3030HF-2x10P C2504WV-4P A2503WVA-11P A3963WVD-FT-5P A2010HC-11P A2361WV-1P A2001WR-S-6P-LCP A1002HA-10P-66 A2005WV-N-2x5P-6T A2008-TP-A A1002HA-7P-66 A4001WR-3P A2008WV-2x5P-46-D300 A1002HA-6P-66 C1301HM-2P-RD D2541H-8P-RD A1002HA-2P-66 C1301HM-2P-BK 195x95x40-小样品盒 A1002HA-4P-66 C1301HF-2P-RD A2009WVA-F-3P A1002HA-4P-66 C1301HF-2P-GWT C3030HFWR-2x2P A2005H-2x5P-66 C1301F-TP-L C4201WVD-2x3P A2011HA-2x10P C1301F-TP A2502WR-9P A2541HWV-2x6P-6T C1301AM-GP A2502WR-8P A2006WV-2x2P-9T B5081AW-5P A1002HB-7P A1502H-13P B3961AW-7P A1002WRB-S-7P A2010WVC-S-11P B3961AW-6P A1002WRB-S-10P A2550H-3P-CR B3961AW-5P A1002WRB-S-2P C4140WR-2x7P-G30 B3952H-F-11P A1002HB-6P C4140WR-2x6P-G30 B3952H-11P A2006HU-2x13P-BK C4140WV-3x5P-G30 B3951H-9P B2512H-8P C4201HFS-6P B2541EW-6P C6351HM-2P-V0 A3963WVD-F-3P-H-A-BL B2541BW-2P C6351HF-2P-V0 C4140WV-3x3P-KK A3961WV-18P A2508WV-14P C4201WRG-F-2x4P A3961WV-17P A3961WV-5P-N2.3.4 C4201WVG-F-2x10P A3961WV-15P B3952H-5P C4201WRG-F-2x12P A3961WRB-F-L-8P-N7 A2550-GP-J C4201WRG-F-2x10P A3961WRB-F-9P C6351M-TB-H C4201WVD-F-2x4P-V0-TCA A3961WRB-F-7P C6351F-TB-H C4201WVG-F-2x3P A3961WRB-F-6P C2003HFB-7P C4201WRG-F-2x7P A3961WRB-F-5P A2006WRU-F-2x9P C4201WR-F-2x4P-LCP A3961WRB-F-4P A2008WV-6P C4201WVG-F-2x7P A3961WRB-F-2P A2550-TP-3 C4201WVS-2x14P A3961WRB-F-10P A2001HM-5P C4201WVS-S-12P-XT A3961WRB-6P A2550H-10P-M A7921WVA-12P-27-B A3961WRB-5P A1501H-11P A7501HFA-5P-GWT A3961WRA-4P D0801WV-S-2P-LCP-G A2541WV-40P-6T A3961WR-12P A1001-GP A1276HE-2x4P A3961H-9P-2 B3961AW-10P-V0 A1253H-2P A2549WR-2x17P C2521HF-7P-WH A2006WVB-2x11P A2512HA-10P A2509WVA-F-2x2P A2012WR-F-2x8P-PBT A2005WRB-2x15P-6T A2008WR-5P A1004H-14P A2005HWV-2x25P-6T A2501WVR-6P A0801H-5P-46 A2005HWR-2x16P-6T A2512WR-S-6P B0502HF-S-F-2x60P A7921WRA-6P-30 C4201HF-2x5P-V0 B0502HM-S-F-2x60P A3963WVD-F-8P-H A2508HMA-11P C4201WR-E-4P A3963HB-12P A2508HMB-16P C4201WVD-2x8P-V0 A3501HE-2x2P A2508HMB-7P C4201WR-E-2x5P A2543WRA-7P-WH-2 A2012HE-6P C4201WVB-2x9P A2541WR-2x22P-6T A2512H-7P C4201WVD-F-2x4P-V0 A2541HWV-24P-U-6T A2006WVB-2x7P C4201WVD-F-2x1P-C-V0-TCA B2541AW-3P A2008WV-2x20P-46-D300 C4201WVF-2x6P B2541AW-2P C6201WVB-F-2P C4201WVA-FL-2x7P-V0 B2515H-2P A2009WVA-F-2x4P C4201HV-2x8P-V0 B2513H-11P A2009WVA-F-2x3P D3961WV-11P B2012H-7P A2508WR-F-6P-NK C3030WR-S-F-5P B2012H-12P A2550-TP-A C4201WVD-F-2x3P-V0 B2012H-11P A2550H-21P-H C4140HF-2x7P B2011H-5P-YL C4201WVA-2x8P C4201WVD-2x7P-C-V0 B2011H-2x6P A2007WV-4P C4201WV-2x2P-GWT-G B2011H-2x5P A3501-TCA-E D3961WV-14P B2011H-2x14P A2547HS-2x13P C3030HF-11P B2011H-15P-YL B3952H-2P C4201WV-2x4P-GWT B2011H-15P C6201HFG-2x6P C4201WVSB-5P B1501H-12P C6201HFG-2x4P C4201HM-2x6P-A-V0 A3961H-5P-2-V0 C6201HFG-2x2P C4201WVA-2x3P-GWT A3961H-4P-GWT A2005WV-N-2x9P-A-G-D35 A7501WV-2P-V0-RD A3961H-4P A2011WVA-2x10P C4201HF-4P-V0 A3961H-3P-GWT A2008H-2x13P A2005WV-40P-6T A3961H-2P-GWT A2547WRA-S-F-21P-G A2550HK-2x9P A3961H-19P-2 C6201HFE-2x4P A2508WV-F-8P-WH A6961H-18P-2 A2008H-12P C3962WV-3P-A-GWT A3961H-16P A2008H-11P A0801H-5P-66 A3961H-15P-2-V0 A2509HFA-2x4P C3030WV-2x2P-LCP A3961H-15P A2504WV-3P C2504AH-2P-WH A3961H-11P-V0 A2012WVA-2P C4201WR-F-2x4P-V0 A3961H-11P A1251WR-3P-46 A2549WRI-2x6P-BK-G A3502WR-12P A2005WV-N-2x10P-9T A2549WRI-2x11P-BK-G A3502WR-10P C6351HF-5P A2549WRI-2x15P-BK-G A3501WRA-2P C3030WR-S-2x8P A2549WVI-2x11P-BK-G A3501WR-2P A1502H-3P C4201HMB-2x5P A2550WVI-2x6P A1008WV-S-2x25P C6201WVB-F1-2x2P A2541H-N-2x6P-2 A1502WV-S-5P-LCP C6201HFB-6P-NK A2008S-14P A1502WV-S-2P-LCP A2549WRI-2x15P-BK-G A1276WV-2x13P-H15 A5001WRA-7P A2005HB-N-2x7P-FI A1275WVA-4P-G A2006-GP-L-G3 A2543WRA-4P-WH A1002WR-S-4P-LCP B1251-TP A3963HD-4P B2011H-2x4P C3030F-TP-B A2509WRA-S-2x8P A2550H-20P-G A2549HK-2P A2008WV-S-9P-LCP A2547WV-N-S-2x5P A2549HK-4P A3963SD-4P A2512WR-13P A2008WR-2x8P A7921WVA-3P-0A-C A2508HC-15P A2012WV-S-5P-LCP A2512WV-6P-6T-RD-N2.5 A2503WVA-15P A7921WRA-R-6P-29 C6351WV-2P-F-GWT A2361WV-2P A1257WR-S-2P-LCP C6351WV-3P-F-GWT A2012WR-S-3P-LCP A2012WV-12P-LCP C2521HM-5P-WH B1271WV-S-F-2x34P A1257H-6P-RD C2521HM-4P-WH B1271WV-S-F-2x25P A2005HB-N-2x20P-FI C2521HM-6P-WH B1271WV-S-F-2x20P-H99 A1502WVB-S-4P C2521HM-7P-WH B1271WV-S-F-2x16P A2502H-12P A1006WV-S-2x7P-LCP B1271WR-S-F-2x16P A1252H-2x5P A2508WVA-2x10P-TR B1271HWV-S-F-2x34P A1252WR-2P A1252WV-11P B1271HWV-S-F-2x25P A1502HB-4P A3501WRE-F-2x4P-G30 B1271HWV-S-F-2x16P-H91 C4201WR-2x12P A1501HA-2x6P B1271HWV-S-F-2x16P A2508HA-9P A1501HA-2x10P B1271HWR-S-F-2x13P A2001WV-16P A3965WV-14P-GWT B1251H-11P A2012HA-10P C4201WV-2x11P B1000H-S-F-41P A2501H-7P C3030HMB-2x9P B1000H-S-19P A2541WV-14P-6T C2521HFA-2P B1000HM-S-19P A2541HWV-14P-6T A3963WVD-S-3P A7921WVA-8P-0A-C B5081CW-5P C5081HF-4P A2550WRF-3P A2501WVR-4P C5081HF-3P A2550-TP-J A2001WVR-2P B2541BW-8P A2550-TP-CJT A2001WVR-6P A2541WV-8P-6T A2550MA-GP-G A2509WVA-2x4P B2011H-2x2P A2550H-N-2x20P A2008WV-2x9P-46-D300-TR C2521HM-2P-WH A2550H-N-2x15P A1257-TP-A A2006WRB-2x12P A2550HM-21P A1257H-2x6P A1252WR-12P A2550HM-19P A1501WRD-S-11P-9T A1252WR-11P A2550HM-18P A1501WRD-S-10P-9T A1252WR-8P A2550HM-16P C6201HFA-2x3P A1252WR-5P A2550HM-14P C6201HM-4P C6201WVB-F-2x2P A2550HM-13P C2003HFB-7P A2505WV-14P A2550HM-11P A2501WV-4P-2 C4140WV-2x9P A2550HK-5P A1002WV-S-12P-LCP A2006WVD-S-2x6P A2550HK-30P A2501WR-2P A2005WV-2x40P-6T A2550HK-2x6P A2508HMA-2P C2521HM-8P A2550HK-2x5P A2508HMA-4P A2007WVD-14P A2550HK-2x4P A2006WV-2x3P-IV C3030WVD-2x7P A2550HK-2x3P C6351HM-3x4P A1252WR-9P A2005WV-N-2x15P-6T C6351HF-3x4P C3030HM-10P A1251WV-5P-46 C4201HF-2x1P C3030HFWV-2x4P A4001WR-S-2P A5081H-4P-2 C2521HM-7P A3963S-5P-GWT A3961H-16P-2 C2521HM-6P A2549WR-7P A3961H-20P-2 C2521HF-6P A2541WVA-IT-S-2P A3961H-13P-3-V0 C2521HF-7P A2512HB-3P A3961H-11P-3-V0 F1001WV-S-8P-2-TU A2008WR-S-4P-LCP A3965WR-3P-GWT A1002HA-5P-66 A2005WRA-7P-6T C3030WV-2x6P C2521HF-4P A2005HWV-12P-Y-6T A2010WVC-S-5P C4201HMB-2x5P-V0 A2005H-N-2x22P-B A2004H-11P A2006WR-2x6P A1251WV-6P-46 A2547WV-20P C2521HF-8P A3961WVB-F-2P C4201HM-5P C2521HF-5P A3502H-15P A2008HA-4P C2521HF-3P A7921WVA-7P-49-C C2003WVB-F-15P-9T C2521HF-2P A7921WVA-7P-0E-C C2003WVB-F-8P-9T C2521HM-4P A7921WVA-7P-0C-B-A C2003WVB-F-7P-9T C2521HM-2P A7921WVA-6P-ZH2-C C2003WVB-F-6P-9T A1002WRP-S-3P A7921WVA-6P-K07-C C2003WVB-F-8P-9T A2005WR-2x4P-6T A7921WVA-6P-0A-C-N2 C2003WVB-F-7P-9T A3961H-8P-V0 A7921WVA-6P-0A-A-NK C2003WVB-F-6P-9T A2541HWR-2x10P-6T A7921WVA-4P-GA-C1 A2008WRA-3P A2006-TP-D A7921WVA-4P-80-B A2011WVA-2x4P A2005WV-40P-6T A7921WVA-4P-0C-C1-N2 C6351HM-4P-V0 A1257-TP-E A7921WVA-4P-02-C C3030WR-F-2x5P-LCP A1257WRE-S-5P A7921WVA-3P-0B-C1 A5001WVA-7P A1257WRE-S-8P A7921WVA-3P-0B-C C6351WV-7P-M-V0 A1257HE-8P A7921WVA-3P-0A-C1 A2011WVA-2x9P A1257HE-5P A7921WVA-3P-05-B-A C3030WRA-S-2x8P C2501HF-2P A7921WVA-2P-88-C A2547WV-N-2x6P-6T A2012WVA-F-2P-BK A2550HK-2x2P C3030WR-2P-LCP-G30 A2006-TP-D A2550HK-2x18P A2011WVA-2x11P A2006-TP-D A2550HK-2x17P A2011WVA-2x12P A2547WVC-2x25P-6T A2550HK-2x13P A2502WR-3P-A-LK A2508WRC-7P A2550HK-2x12P A2006WVU-2x12P A1008H-7P A2550HK-2x10P C3030WVC-2x5P HSDUL2651AWG26-90-01 A2550HK-12P C3030WRB-2x2P-9T A2508WV-S-7P-F A2550HH-6P C3030WVC-2x3P A2006WV-2x11P-9T A2550HH-4P A1252WVA-S-F-2x5P A2006WR-2x8P-9T A2550HH-25P A2541H-N-2x6P A2508WV-S-5P-F A2550HH-19P A2547WVI-F1-2x6P-HCS-G C3030WV-5P-LCP-HCS-TU A2550HH-13P A2005HA-2x4P-66 A2006WV-2x6P A2550HH-11P C4201WR-2x8P C6201WV-4P-N2.3 A2550HH-10P A2006WR-2x10P-IV A2547WV-9P A2550HDM-7P C4201HMB-2x7P-V0 A1251HM-3P A2550HDM-4P A2006WRU-F-2x10P D2541H-8P-RD A2550HDM-10P C4140M-TB A2541WV-3P-6T-C300 A2550HD-2P-G A4001WVG-F-3P-C1 A2005HWR-2x5P-Y-6T-D36 A7921WVA-2P-80-C A2006WVD-F-2x5P C4140WV-2x10P-G15 A7921WVA-2P-10-C1 A2006WVD-F-2x8P A2012WR-F-2x3P-PBT A7921WVA-2P-0L-C A2004H-14P A2012HD-2x2P A7921WVA-2P-0F-B C3030WV-F1-2x5P-2-F30-LCP-HCS-CRE A2541WR-S-4P-9T-E200 A7921WVA-2P-0C-B A1251WR-8P-46 A1255WR-S-10P-6T A7921WVA-2P-0B-C-NK A1201HA-3P A2012HD-2x3P A7921WVA-12P-27-B A2508WVT-2P A1004WR-S-30P-LCP A7921WRA-RH-7P-0C A2508WVT-3P-BL A2505WV-4P-LCP-D30-MRE A7921WRA-RH-4P-0A A2006WVU-2x10P A2512SA-3P A7921WRA-RH-2P-0B A1008WR-S-2x25P A2508WR-S-5P-F A7921WRA-R-12P-81-NK A2508HMA-7P A1501HA-2x11P A7921WRA-R-12P-81 C3030F-TP-A-H B1000H-S-F-21P-LCP-MRE A7921WRA-9P-0A C4140WR-2x6P A2503H-2P A7921WRA-4P-80 A2505WR-4P A2508WR-F-4P A7921HDA-5P-0F A2549HL-2x20P A2547WRB-2x6P A7921HD-9P-0A C4201HM-6P A2005-GP A7921HD-8P-0A A2012H-16P A2006WVU-2x12P A7921HD-6P-0D A2501HWR-4P C2003MB-TP A7921HD-4P-GA A1257-TP-A A1002HB-2P-66 A7921HD-4P-62 A2508H-2x5P A2547WV-N-2x10P-6T-CRE A7921HD-2P-0B-NK C4201HF-2x4P A2508HC-7P A7921HD-10P-0A A2012WV-F-2x8P-GF A2012WR-F-2x7P-D25 A7921HCA-7P-0C A2008WR-11P A2012HD-2x5P A7921HCA-6P-0A A2508H-2x4P C3030WV-2x2P-LCP A7921HCA-5P-0F C5081HM-4P A2541HWV-3P-6T A7921HCA-5P-0B A2508H-4P A1255WR-S-7P-LCP A7921HCA-2P-0B A1254WR-S-5P-G A2541WV-2x6P-6T A7921HC-9P-0A A2508WV-3P A2508HC-12P A7921HC-8P-0D A2012WV-3P-LCP A2547WV-N-S-2x7P A7921HC-7P-81 A2549WVI-2x8P-BK-G A2547WV-N-2x7P-6T C2521HF-2x8P A1501HD-5P A2508WV-S-3P-F C1801S-1P A2541H-1P A2508WV-S-2P-F A7921HC-3P-0G C4501S-2P A2549WVI-2x2P-2-BK-G A7921HC-12P-21 C6201HFC-3P C3030WR-2x9P A7501HMA-5P-GWT A2006WRB-2x8P A2541WV-12P-6T A7501HMA-5P A2543WVA-5P-WH A2006WV-2x6P A7501HMA-4P-GWT A4001HG-3P-C1 A2006WV-2x10P A7501HFA-6P A3963H-2P-BK SYC4140HF2P02-150-02 A7501HFA-5P A2012HE-8P A2006HD-2x18P A7501HFA-4P A2005HWV-2x10P-6T A2541WV-2x3P-LK-9T A7501HFA-3P-GWT A2541HWV-14P-6T A7921HC-2P-1C A7501H-6P C3030HMC-2x8P A2006H-2x13P A7501H-5P A2008HB-3P A1501HA-2x7P A7501H-3P C2003F-TP A1252WR-6P A5082H-5P C2003HF-5P A2541WR-6P-6T-C300D450 B3952H-F-2P-GWT A2008WR-S-2P-LCP A2547HJ-2x3P-GWT A7921HD-4P-GA-NA A1006WR-S-2P A2547FCA-N-2x8P A7501H-4P A1006H-2P A1002WRP-S-6P A5001WRA-9P 190x100-2联式收款收据 A2543HA-11P-WH A3964H-2P-V0 A2508HB-2P A1002WVP-S-6P A3961WV-14P C3030F-TP-C A2541HWV-N-2x5P-6T A2550HK-2x7P C6201M-TP A2541HWV-N-2x7P-6T A2550HA-10P C6201S-3P-IV A2541HWR-2x8P-6T A2550H-20P-A3H C6201HM-2x3P A1002WVB-S-6P-6T A2549WVI-S-2x3P-G C4201HFS-2x4P A1002WVB-S-9P-6T A2549WRB-S-4P-NAT 625x230x165-纸箱K=K C6201SG-2P A2549HC-9P A2541M-TP A1276HWV-2x30P A2549-GP-I-L A2508WR-2P-YL C4201WVA-F1-2x7P-V0 A2547WV-N-S-2x4P D2541HC-4P-RD A2005HB-N-2x7P-J A2547WVB-3P A2009HMA-2x3P A2005WVA-2x9P-6T-E1850 A5081WVA-8P A2361WVA-2P A2012H-6P-GWT A5081WVA-15P A1501WRA-S-2x9P C4201WR-F1-2x2P A5081WV-4P-R A1008H-10P A1252WR-3P A5081WV-2P-R B3951H-8P A2550-GP A5081WV-2P-BK D1272WV-S-F-16P A2541WVA-20P-R-6T-C300D300E1502 A5081WV-11P A2006WRD-2x15P A2008HA-3P A5081WV-10P A2543WVA-8P-WH-G15 A2008WR-2x5P-46-D300 A5081WRA-6P A2508WR-S-11P A2541WV-5P-6T-C300 A5081WR-8P C6351WV-F-8P-M-V0 A2508HMA-10P A5081WR-7P A2361WRA-5P A2541WVA-2x20P-6T-C300D350E2850 A5081WR-2P A1002H-2x25P A1501-TP-A A5081WR-11P A2008WRA-4P A2501H-14P A5081WR-10P B2515H-5P A2012HD-2x7P A5081H-9P C4140WR-2P A2543H-6P-2-WH A5081H-6P-2 A2008WR-2x6P A2541WVA-5P-6T-E1650 A5081H-2P-V0 A2006-TP-U-L A2012HD-2x10P A5081H-2P-2 A2006HU-2x15P A1501HA-5P-66-HF A5081H-13P C3030F-TP-D-H B1501H-10P A2547WRE-5P-G C6201WV-2x3P A7921WRA-2P-0A A2547WRA-F-9P-G A2008H-9P A1002WRP-S-2P A2547WRA-19P-G A2012WVA-F-2P-46 B2011HA-15P A2547HF-2x9P A2006WRB-2x7P A1002H-11P-2 A2547WV-N-2x7P-6T A2501HMB-4P C4201WV-2x1P-RD A2541WV-3x4P-6T A1257H-2x15P C4201WV-2x1P-GN A2541WR-2x2P-6T-T A4001HG-2P-B1 C4201WV-2x1P-YL A2541HWV-2x24P-6T A4001HG-2P D2541WVA-F-10P A2541H-N-2x17P A4001HG-3P D2541WVA-F-6P A2512WV-3P-GWT A1501WRA-S-2x9P D2541WVA-F-4P A2508SA-12P A1502WR-S-5P-LCP C4201WV-2x1P-BL A2508H-11P-GWT A1502WR-S-4P-LCP C2003HMC-2P-A A2501WR-8P WSHA2550H10PA1CRA2550H10PBCR-510-01 A2005WV-N-2x7P-A-9T-D32-N10 A2012WV-2P-LCP A2501WR-S-2P-LCP C4140WV-2x3P A2012WR-S-2P-LCP A2512WV-8P A2012WRA-F-6P-G A5081H-12P-2 A2508HA-7P A2543WR-7P-2 A5081H-11P A2508HA-8P A2541WV-6P-6T-T-C813-CRE A5081H-10P A1251WV-14P-46 A1276WV-S-2x50P A5001WVA-5P A3961-TP C2363WV-2x3P A5001WRA-8P A2006WV-S-2x13P D2541H-2P-WH A5001WRA-6P C2363WV-2P C4201WVD-F-2x8P A5001WRA-5P A2502WR-3P-YL C4201WVD-F-2x7P A5001WRA-3P-A A1251HM-6P A2547WVC-2x32P-6T A5001WRA-10P A2006WVB-2x3P A2547FCA-2x15P A5001HB-6P C3030WR-F-2x2P-H30-LCP-HCS-D21 A3963WV-2P-D34 A5001HB-5P A1008H-2x15P A1501WR-S-4P-LCP A4001WVG-F-3P-BL C6351HM-3x4P-V0 A1002HB-2P-66 A4001WVG-F-3P-A C4140HF-2x5P-GWT C4201WVD-F-2x2P-GWT A4001WVG-F-2x4P A2549HI-2x9P C4201WVD-F-2x6P-V0 A4001WR-S-5P C6201WV-3P F1001WV-S-30P A4001WRE-8P A2501WV-F-4P F1001WV-S-28P A2011H-11P A3963WV-6P C3030HFWR-2x9P A2008WV-S-12P-LCP A2547HJ-2x10P A1002HA-6P-66 A2006WV-2x10P-9T A2541WV-6P-LK-9T-C670D320 A2549H-2x15P A2005WV-S-2x4P-H15 A2541WV-2x4P-LK-9T-N7 C3030WR-S-2x8P A2005WV-N-2x14P-A C6201WV-4P C3030F-TP-D-L A2005WR-S-8P A2512HM-2P A1276WV-2x4P A2005H-N-2x18P-B A2001HM-3P A2012HM-4P A2001WV-S-4P-LCP A2549-GP-K A1255WR-S-8P-6T A1501WVE-S-2x11P C3030HM-2x5P A1501WVA-S-2x10P A1501WR-7P A2512WR-S-4P A2005HWV-S-2x6P-H20-R A1276WR-16P-H25 A2547WV-N-2x5P-6T A2008WRA-12P A1275WV-20P-G A2008WR-7P A2508WV-S-6P-F A1257WR-S-7P-LCP A1501H-2P A3961HA-8P-2 A1252WV-S-F-2x15P-G A2508WV-F-2x10P A3963H-14P A1251WV-12P-46 A2508WV-F-2x8P A3961WRB-3P A1201HG-6P A2512WR-S-13P A1276HEA-2x50P A1002HB-9P A4001WVG-F-2P A2547WVC-2x17P-6T A4001WRA-2P-2 A4001WVG-F-3P A1276WV-2x30P A4001SMD-S-1P A1002WVB-S-15P A1252WV-S-F-2P-G A4001HE-8P A2512H-14P A2509WRB-S-2x3P A4001HB-3P A1006WR-S-14P A2547WV-2x6P-6T A3965WV-3P-GWT A2541H-4P A2005WV-N-S-2x11P A3965WV-3P-A-GWT A2550H-4P-H A2006HB-2x20P A3965WR-5P-A-GWT C3030HF-2x2P A1002WRP-S-3P A3965WR-3P-A-GWT A2012WV-8P-LCP A1006WV-S-2x15P-LCP C1581HMA-3x5P C4201HMA-2P-V0 A1006WV-S-2x10P-LCP B1000HM-S-F-51P A5001HA-3P-GWT A3502H-2P-PBT A7921WVA-3P-04-D C2003SB-15P A1501WV-3P A7921HCA-10P-01 A2001H-3P C4201WV-2x1P-BK A7501HFA-2P A2001WV-S-3P-LCP B2011H-3P-GWT A5081WV-12P A2006-TP-D-L A1008H-10P A5001WRA-7P A2006HD-2x8P A1501WR-13P A3964H-5P-V0 A2512WV-S-10P A1501WR-5P A3963WVD-F1-5P A2512WR-S-11P A1008H-4P A3963WRD-3P-GWT A2008WV-4P A1008H-12P A3963HM-7P-GWT A2008WV-2x7P-46-D300 A1008H-15P A3961WVB-F-9P 0.075x200x150-PE袋/大样品袋 A1008H-8P A3961WRB-F-8P 0.075x150x100-PE袋/小样品袋 C3030WV-6P-46 A3502H-13P A2512H-2P-RD A2512WV-14P A2550HK-2x8P A2508H-2x7P A2512WV-12P A3965WR-2P-GWT A2512H-11P A2512WV-15P A3965S-8P A2512H-12P A2512WV-7P A3965S-5P A2508H-2x6P A2512WV-13P A3965S-4P C4201HFA-2x3P-V0 A2512WV-8P A3965S-3P A2543-TB A2512WV-11P A3965S-2P A3961-TB A1008H-6P A3965HA-8P A1002WV-S-2x12P-G A2543WR-10P-2 A3965HA-5P A1252WV-S-F-2x5P-G PCIE-0801WRB-S-F-52P-H99 A3965H-9P-RD A1252WV-S-F-2x10P-G PCIE-0801WRB-S-F-52P-H90 A3965H-4P-B A2543-TP A2507H-4P A3965H-3P-BK C5030M-TB A2512WV-F-8P-H-2 A3965H-11P A2006-TP C5081WR-F-4P A3964WV-5P B2541AW-4P A2508WV-S-2P-F A3964H-7P-V0 A2005H-2x4P 600x10-端子盘 A3964H-6P-V0 A1257-TP A2001WV-5P-3 A3964H-4P-A A2012WR-S-12P A2005HWR-10P-6T A3964H-3P-V0 C5030F-TB-B-2 F1001WV-S-30P-2 A2550HDM-11P A2549HK-10P F1001WV-S-28P-2 A2550H-8P-M1 C6201HFA-4P A2001WV-6P-46 A2550H-2P-M2 C6201HF-2x6P A2008WRA-5P A2550H-16P-C A2008H-8P A1276HWV-2x20P A2549WVI-S-2x9P-G A2543HA-2P-WH A2541WV-S-3P-B-T A2549WV-5P A2008WV-3P C4201HMB-2x4P-C A2549WRB-2x8P A2508WV-4P A2541WV-10P-6T A2549HK-15P A2008-TP C4201HFB-2x7P A2549HC-2x6P A2009WV-2x8P A2005WR-2P-6T A2549H-15P A2547WVI-F-2x4P-CRE A7921WRA-RH-F-3P-0A A2547WVE-3P-G A3963WVD-F-4P-H C3030HMA-8P A2547WVA-F1-7P-G C6351HF-3x4P-V0 B0501WVFB-S-F-2x16P A2547WRB-8P A2512WV-8P B0501WVMB-S-F-2x16P A2547WRA-S-F-14P-G 端子盘600x10 A2008-TP A2547WRA-F2-6P-G C4201WRS-2x8P A1257WV-S-2x7P A2547HMA-2P A2541HWV-S-3P-B-U-H71-G10 A1502HA-20P A3964H-2P-GWT A2508HA-12P A2001H-20P A3964H-2P-B C3030HMA-2P C3030HMA-8P A3964H-10P A3501WRE-F-2x4P A2547WRB-2x13P-A A3964-GB A2008WV-2x4P A1257WV-S-2x13P A3963WV-F-9P A2009F-TP-A A1257WV-S-2x16P A3963WV-F1-8P C3030WV-5P A2550-GP-C A3963WVD-S-8P A1257H-2x10P A1501HA-8P-66-HF A3963WVD-FT-6P A1002H-8P-2 A1501HA-7P-66-HF A3963WVD-FT-4P-46 A1008H-2x12P A7921HC-3P-39 A3963WVD-FT-3P C6201HFB-2x3P A2547WVC-2x5P-6T A3963WVD-FT-15P A1502H-5P A1275WV-10P-G A3963WVD-F-6P-N1.2 B2512-TP A2541H-11P A3963WVD-F-6P-G-N5 C4201HF-2x2P A2541WR-16P-6T-C400 A3963WVD-F1-6P A2005-GP-B A1257WV-S-2x11P-9T A3963WVD-F1-5P-A A2541-GB A2541HWV-2x7P-U-6T A3963WVD-F1-4P C4201F-TB A2541WVA-2P-6T-E600 A3963WVD-F-13P-A-GWT C6201HF-2x2P A1002WRA-S-6P A2547HJ-2x19P C6201WV-2x2P A1008H-3P A2547HE-7P C6201HF-2x3P A1002WRA-S-5P A2543WVA-18P-WH C6201WV-2x3P A2005WV-10P-6T A2543WR-15P A3963WVD-F-5P-A-GWT A1257WV-S-2x13P-9T A2541WVA-5P-6T-C30D30E292 A2006WVU-F-2x13P C6201WVB-F-2x3P A2541WR-S-5P C3030HM-2x12P C4201WR-2x10P A2541WR-2x14P-6T-T D0801WR-S-2P-LCP-G A2541HWR-2x8P-6T A2541HWV-N-S-2x5P D0801WR-S-6P-LCP-G A2512WV-F-4P-H-2 A2541HWV-2x15P-U-6T D0801WR-S-8P-LCP-G A2512WV-F-3P-H-2 A2541HWR-2x11P-6T A0801-TP A2512WV-F-2P-H-2 A2541H-N-2x17P C3030HF-2x10P A2512WV-F-4P-H-2 A2541H-19P C4201HFB-2x2P A2512WV-F-3P-H-2 A2512WR-S-15P A2508H-2P-RD A2512WV-F-2P-H-2 A2512WR-11P A2508H-2P-GN A2008-TP A2512HF-4P-GWT A2502WR-5P A2008H-12P A2511H-5P A2501WV-F-8P A1501WVE-S-2x7P A2508WV-S-5P-F A2549HB-2x2P FXQCC3030HF9P02-100-01 A3963WVD-F1-3P-A A2543WV-2P-G5 KYGA1251H12P-100-01 A3963WVD-F-13P-A A2508WVT-7P-RD-N5.6 A2508WVA-2x13P-TR A3963WVD-F-13P A2543-TBD A1501WR-3P A3963WVD-F-12P A2547H-3P A2012H-8P A3963WVD-F-11P-A-GWT A2508HB-5P A2509HFA-2x4P-NAT A3963WVD-5P-H A2501H-13P A2505WVA-4P-LCP-CRE A3963WVB-4P C6351WV-3x4P-R A2547WV-N-2x30P-6T A3963WV-7P-A-D33 C6201F-TP C4140WR-2x2P-KK A3963WV-5P-A-GWT A1501H-8P A1501WV-2P A3963WV-5P-46 A4001-TCA-AG C4140HM-3x4P A3963WV-3P-46 C3961HM-2P-YL C4140HF-3x4P A3963WRD-S-3P A2012WV-F-2x6P-PBT A2547HA-2x25P A3963WRD-S-2P C4201HF-2x1P C3030HF-2x4P-NK A3963WRD-9P-A A2004-TP A1501WR-10P A3963WRB-8P C3030M-TP A2541HWV-2x2P-6T A3963WRB-6P A3963WVD-F-5P-GWT A1501WR-3P A2508WV-2x15P-D30 A3963WVD-F-3P-GWT A1501WR-4P A2508SA-12P-GWT A1002-TP A1501WR-2P A2507WR-10P A2006WRB-2x5P A1501WR-11P A2503WVA-2P C6201HMA-2x2P A1501WR-8P A2502-GP A1255HA-8P A1501WR-10P A2501HMB-16P C6201HFA-2x6P A1501WR-9P A2012WVE-S-10P A2547HM-13P-66 A1251WR-6P-46 A2012WR-5P-LCP-RD A3963H-2P-BK A2008HM-9P A2011WRA-2x13P C4201HMB-2x3P C4201WRS-9P A2010-GP A2008WV-S-2x3P-LCP A2547WRB-2x16P A2008WVA-20P C4201HF-2x1P-GWT-CJT A2005WVA-2x6P-H15-6T-C546D546E818 A2008WR-S-2P-LCP A2505WV-12P A1501WR-4P A2005WV-N-S-2x7P-FI C2003HFB-5P F1001WV-28P A2005WV-N-2x17P-6T A3963WV-5P-GWT-N2 F1001WV-30P A2005WVA-S-F-2x20P A1257H-2x9P C1301HMA-2P A2549WVB-6P A1501H-6P A2505H-14P A2547WR-S-F-8P-LCP A1501H-13P A2006H-2x18P A2543WRA-8P-WH-2 A2501WV-3P C4201WVG-2x2P A2541WR-2x13P-6T C3030HF-2P-GWT A2547WV-2x15P-6T A2541H-N-2x8P-2 C3030HF-2x7P A1501HA-10P-66-HF A1501WR-S-6P-LCP A3963WVD-F-6P-H C4201HF-2x1P-GN-CJT A1276HEA-2x15P A2011WVA-2x5P C4201HF-2x1P-BL-CJT A1002WR-S-3P-LCP A2011WVA-2x13P C4201HF-2x1P-BK-CJT A2012WR-S-16P-LCP A3963WR-9P C4201HF-2x1P-RD-CJT D0801WV-S-6P-LCP-G A1002HP-11P A2547HS-2x5P C2521HF-8P-WH C2003SB-3P A2508WV-S-3P-F C2521HF-3P-GWT A2010HD-3P A1008H-5P A2001WR-S-5P-LCP A3963WV-7P A2512HMA-5P A1257WV-S-2P-LCP A3963H-12P A2547WVA-F2-2P-G A1257WV-S-15P-LCP A2502WV-10P A2547WVA-F2-5P-G A1257WV-S-12P-LCP A2543WR-4P-2 A2541WV-3P-LK-9T A1257WV-S-10P-LCP A2508HMC-8P A1002H-4P-2 A1257WV-F-5P A2541WV-4P-LK-9T-CRE A2541WR-2x3P-6T A1257WR-S-9P-LCP A2009WV-2x14P A2005WV-N-2x16P-B-9T A1257WR-S-8P-LCP C4201WVA-F1-2x3P C3030HF-2x8P A1257WR-S-6P-LCP A2508HMA-9P A2012HG-2x6P A1257WR-S-5P-LCP A2011HM-14P C6351M-TB-L-NK A1257WR-S-4P-LCP C6201HFE-2x6P D1272WV-F-8P-LCP A1257WR-S-3P-LCP A1252WR-S-F-6P-G A2547WV-5P-G15 A1257WR-S-14P-LCP A2008WV-14P C6201SG-3P A1257WR-S-13P-LCP A1002H-3P-2 A1276WV-N-2x20P-9T A1257WR-S-13P-LCP D3961HB-2P-WH A2007WRD-4P A1257WR-S-12P-LCP A2006WVD-F-2x8P A3502WR-8P A1257WV-S-14P-LCP A2501WV-S-4P XC-KZ33A-300MM A1257WR-S-11P-LCP A1501WV-S-10P-LCP C4201HMA-2x8P A1257WV-S-13P-LCP A1002HB-10P A2005HWV-2x2P-6T A1257WR-S-10P-LCP A2009WR-2x15P A1252WV-S-8P-G A1257-GP-A A2008WVE-S-5P A1252WV-S-5P-G A1256WVD-S-F-21P A2504WV-6P A2547WRA-F1-8P-G A1256WR-S-30P A2508WV-F-2x9P A2005H-N-2x13P-B-66 A1256HD-17P A4001WVG-F-2P-B1 D1272WV-S-F-26P A1256H-7P A1501M-TP B1271HWV-S-F-2x10P-H91 A1256H-25P A2504WV-9P A2547HS-2x17P A1256H-12P A1201HA-4P A7921WVA-12P-ZH3-C A1255WVA-S-8P A1257H-2x9P A7921HD-7P-59 A1255WR-S-F-8P-LCP PCIE-0801WRB-S-F-52P A7921HC-12P-29 A1255WR-S-F-7P-LCP A2006WVB-2x5P A4001WRB-10P A1255WR-S-F-5P-LCP A1006H-3P A2547WVC-2x30P A1255WR-S-F-25P-LCP A1501HD-7P A2547FCA-N-2x25P A1255WR-S-F-15P-LCP A1256HD-41P C4201HMA-2x8P A1255WR-S-F-10P-LCP A1256WRDA-S-41P A2547WVRB-2x4P-KK A1255WR-S-4P-LCP A2001WV-S-10P-LCP A2547WV-7P-KK A1255WR-S-3P-LCP A2010WVC-S-4P A7921WVA-12P-ZH4-C A1255WRA-S-8P A3501HE-2x7P A2547HMA-14P A1255WRA-S-7P A2011WR-12P-G A7501HFA-2P-GWT A1255WRA-S-14P A2011WR-14P-G C8381HF-3P A1255HA-12P B2513H-9P A3964H-8P-A A1255H-5P B2513H-7P A7921HC-2P-80 A1255H-30P C4201WV-2x1P C6201HFE-2x7P A1254WR-S-8P-G A3961WVB-6P A7501HMA-2P-GWT A1254WR-S-6P-G A2006WVU-2x4P C6201SG-4P A1254WR-S-4P-G C6201HFG-2x1P A2550H-N-2x7P A1254WR-S-12P-G C6201HFE-2x1P C4801HF-2P A1254H-30P A4001HG-2x4P C4801HM-2P A1253WV-7P A1276HWR-2x5P A3965H-13P A1253WV-14P A2509WVA-F-2x5P-CRE A3961H-6P-V0 A2001WR-S-4P-LCP A2008WR-S-4P-LCP C3962HFC-2x10P A1252WV-S-F-2x20P-G A2006WR-2x2P A2005HD-N-2x6P A1252WR-S-F-5P-G A2547WV-N-S-2x12P-CRE C3030HMC-2x12P A1252WR-S-F-15P-G A2009WV-2x13P A3963WV-6P-G2 A1252WR-S-F-10P-G A1252WV-10P C4201HMD-2x2P-V0 A1252WR-S-8P-G A1501HM-9P A2547HJ-2x19P A1252WR-S-5P-G C4140WV-2P-G15 A2550H-16P-G A1252WR-S-2P-G A2006WVU-S-2x12P C3030HM-2x3P-A A1252WR-S-14P-G A1257WV-S-2x15P C3030HMC-2x11P A1252WR-S-12P-G A2509HFA-2x3P C3030HMC-2x7P A1252WR-S-11P-G A2509HFA-3P C4201HMD-2x8P A1251WV-S-7P-LCP C2003HMC-10P C3030HMA-6P-GWT A1251WV-S-6P-LCP C2003HF-9P A2005WVD-F-2x10P A1251WV-S-5P-LCP A1002HP-15P C3030HM-5P-GWT A1251WV-S-4P-LCP A3963WV-5P-A-D33 A2547HE-8P A1251WV-S-3P-LCP A2010HD-8P A2547HB-7P A1501WVE-S-2x12P A1276WVK-S-2x5P-CRE C3030HMC-2x10P A1501WVA-S-2x13P C3030WV-5P-LCP-HCS A2550H-14P-A2H A1251WV-S-2P-LCP C3030WR-F-2x2P-2-H30-LCP-HCS-D21 A2005HC-N1-2x8P A1251WV-S-15P-LCP A2012WV-S-2P-LCP C3030HM-2x12P-A A1251WV-2P-46 A3964-TP D1275HS-16P A1251WV-2P-46 A2543WR-5P C3030HMC-2x6P A1251WV-16P-46 A3964H-4P-B A2550H-20P-A2H A1251WV-15P-46 C4201HFS-5P A2547HJ-11P A1251WV-10P-46 C1581HFC-2P C4140HF-2x11P A1251WR-S-9P-LCP A1008WR-S-2x12P C3030HM-4P-GWT A1251WR-S-8P-LCP A1501HE-2x5P A2550H-22P-A2H A1251WR-S-7P-LCP A1501HE-2x20P C3030HMA-7P A1251WR-S-6P-LCP A2001WV-4P C3030HM-2x10P-GWT A1251WR-S-5P-LCP C5030HFD-2x1P C4201HF-2P-GWT A1251WR-S-3P-LCP A3963WRH-6P A2005HB-N-2x7P-J A1251WR-S-2P-LCP A3961WV-6P A2550H-12P-A2 A1251WR-S-16P-LCP C6351WR-2P-F-V0 A2005WV-6P-6T A1251WR-S-12P-LCP D3961HA-3P-OR A2508WV-F-4P-HS A1251WR-S-10P-LCP A2543WVA-2P-WH B1271HWV-S-F-2x10P-H137 A1251WR-16P-46 A2543WVA-2P-WH B1271WR-S-F-2x34P A1501-TP-D A2508WV-F-2P B1271HWV-S-F-2x34P-H137 A1501HD-14P A2508WV-F-12P-H B1271HWV-S-F-2x34P-H91 A1501H-7P-GWT A2508WV-F-11P A1275WV-8P-G30 A1501H-2P-GWT A2508WV-F-10P-H A2006WR-2x7P A1501-GP-H A2508WV-F-10P A2005HC-N1-2x20P A1276WV-S-F-2x45P-H25 A2508WVC-F-6P A2549WV-2x22P A1276WV-S-2x2P A2508WVC-F-5P A2549HC-2x20P A1276WV-S-2x14P A2547H-2x4P C4201HF-5P-GWT A1276WV-S-2x10P A2547H-2x20P A2509WRB-S-2x8P A1276WV-S-2x10P A2547H-2x16P D3961HA-4P-OR A1276WV-S-10P-B A2547H-2x15P A2549HL-2x27P A1276WVK-S-2x10P A2547H-2x13P A2549HL-2x15P A1276WVA-S-2x40P A2541HTA-2P C4201HF-4P-GWT A1276WVA-S-2x15P A2541HT-2P A2547HA-2x32P A1276WVA-N-S-2x7P A4001WVG-F-2x7P A2547HA-13P A1276WVA-N-S-2x25P A4001WVE-35P A2550H-8P-A2H A1276WVA-N-2x8P A4001WVE-23P A2550H-17P-A2 A1251WR-12P-46 A2541-TP A2547HMA-8P A1251WR-11P-46 A2541-TB A2549HL-2x17P A1251HM-3P A2541M-TB A2549HL-2x6P A1251H-8P A2541HWV-S-F-2x5P A2008WRE-S-13P A1251H-7P A2508WV-11P A2549HI-2x17P A1251H-6P A2550M-GP A2550H-14P-A1 A1251H-5P A2550HM-7P A2550H-15P-A2H A1251H-4P A2550HM-6P A2550H-17P-A2H A1251H-4P-GWT A2550HM-4P A2547HE-12P A1251H-3P A2550HM-2P C3030WR-S-F-2x1P A1251H-2P A2550HM-12P A2541HWV-2x6P-6T A1251H-15P A2550HM-10P C3030WV-F-2x7P-2-LCP-G15 A1251H-14P A2550HK-9P A2005WV-N-S-2x11P A1251H-11P A2550HK-8P C4201WVA-2x12P A1251H-10P A2550HK-6P A2543H-12P A1201WR-S-6P A2550HK-4P A2512WV-2P A1201WR-S-4P A2550HK-13P A5001WVA-5P-A A2001WR-S-3P-LCP A2550HH-12P A1002WRB-S-8P-6T A2001WR-S-2P-LCP A2508WVC-F-4P A1002WRB-S-6P-6T A2001HA-9P A2508WVC-F-3P A1501WV-4P A2001H-9P A2508WVA-2x9P-TR A1002WRB-S-9P-6T A2001H-8P C6201HF-2P-GWT A3963WVA-3P-P-LCP A2001H-7P C4140HMA-2x3P-V0 A3963WVA-5P-P-LCP A2001H-6P C4140HMA-2x2P-V0 A1276WV-8P A2001H-5P C4140HMA-2P-V0 A2012WRA-2P A2001H-3P C4140HM-3x3P A3961-TP-A A2001H-3P-GWT C4140HM-3P-V0 A2547WRB-2x13P A2001H-2P C4140HM-2x3P-V0 A1276WV-S-2x5P-H25 A2001H-12P C4140HM-2x2P A2547WVRB-2x13P-KK A2001H-10P C4140HM-2P A1008WR-S-6P A1502WV-S-7P-LCP C4140HM-1P-V0 A1253H-2P A1502WV-S-4P-LCP C4140HF-3x5P A2008WR-2x16P A1502WV-S-3P-LCP C4140HF-3x3P A2541WVA-S-2x4P-C830D120E616 A1502WR-S-7P-LCP C4140HF-3P A1502HA-11P A1201HG-4P C4140HF-2x5P A1276WV-N-S-2x20P A1201H-5P C4140HF-2P-V0 A2541HWV-4P-U-6T A1201H-3P-LCP C1301AHF-2P A1002WR-S-18P A1201H-2P-LCP B3961AW-5P A2543WRD-6P A1201-GP-A B3952-TP A2543WRD-5P A1008H-2P A2547H-14P A1002WVP-S-2P A1008-GP-A A2547H-13P A2006WR-2x9P-IV A1006H-16P A2547H-12P-3 A1251H-13P A1006-GP A2547H-12P A2005HWV-N-S-F-2x8P-W40 A1002WV-S-8P-LCP A2547H-11P A1008WV-S-7P-G15 A1002WV-S-7P-LCP A2547H-10P-2 C4201HVA-2x4P-B-V0-BK A1002WV-S-6P-LCP A2547H-10P A3965WV-5P-GWT A1002WV-S-5P-LCP A2508WV-S-7P-F A1276WV-S-2x5P A1002WV-S-4P-LCP A2508WV-S-6P-F A2002WV-4P A1002WV-S-3P-LCP A2508WV-F-9P-A A2002WV-2P A1002WV-S-14P-LCP A2508WV-F-8P-H A1256WRDA-S-17P A1002H-6P-2 A2508WV-F-8P C4201WVB-2x2P A1501WR-S-9P-LCP A2508WV-F-7P A1501WVD-S-15P A1501WR-S-7P-LCP A2508WV-F-6P-H A1008WV-S-14P A1501WR-S-5P-LCP A2508WV-F-6P A2010WV-13P A1501WR-S-3P-LCP A2508WV-F-5P-H A2008HB-2P A1501WR-S-2P-LCP A7921HC-4P-0C A2508WV-5P-N2 A1501WR-S-11P-LCP A7921HC-12P-76 D2541H-3P-WH A1501WR-S-10P-LCP A7921H-2P A2008H-2x4P A1501WRE-S-2x9P A7501HMA-3P A2006HD-2x14P A1501WRE-S-2x8P A7501HMA-2P A4001SMD-S-3P A1501WRE-S-2x16P A7501HFA-8P A4001SMD-S-2P A1501WRB-S-4P A7501HFA-3P C5081WR-F-4P A1501WRA-S-9P A7501H-2P A2549WRI-2x7P-BK-G A1501WRA-S-10P A7501AF-TB-L A2549WRI-2x5P-BK-G A1501WR-9P A2508WVA-2x8P A2549WRI-2x8P-BK-G A1501WR-8P A2508WV-9P A1501WV-4P A1501WR-6P A2508WV-8P-H A2547WR-2x17P-6T A1501WR-11P A3501HA-2P-GY A7501AF-TB-H A1501-TP-DZ A3501HA-2P A1008WR-S-3P A1002WV-S-11P-LCP A3501H-2P A1276HWV-2x16P A1002WR-S-9P-LCP A2550WVI-2x15P A1253-TP A1002WR-S-6P-LCP A2550WRF-11P A2002H-2P A1002WR-S-5P-LCP A2550-TP-K A2008WV-2x10P-46 A1002WR-S-2x15P-G A2550-TP-H A2547WRB-2x17P A1002WR-S-2P-LCP-G A2550-TP-F C5030HFB-3x4P A1002WR-S-2P-LCP A2550-TP-E A2505WR-14P A1002WR-S-20P-9T A2550-TP-B A2547WV-S-6P-2 A1002WR-S-12P-LCP A2550M-TP-E C3030HMC-2x5P A1002WR-S-10P-LCP A2550M-TP-D A2006WV-2x13P-9T A1002WRB-S-11P B3952H-F-3P C4201WV-2x2P-LCP-D24-CRE A1002HP-8P B3952H-4P A2009H-2x14P A1002HF-6P B3952H-3P A5001WVE-S-F-2x4P A1276WVA-2x7P B3951H-8P A2005H-2x5P-66 A1276WVA-2P B3951H-5P A2547WV-2x15P-6T A1276WV-2x50P-H20 A2508WR-F-7P C4201WVD-2x2P-G A1276WV-2x40P-C400 A2508WR-F-5P A2008WV-S-2x10P-LCP A1276WV-2x3P-H25 A2508WR-F-4P A2005HWRA-S-14P A1276WV-2x3P-H15 A2508WR-F-3P A2005HB-N-2x3P-J A1276WV-2x20P A2508WR-F-2P-YL A2006WRD-2x12P A1276WV-13P A2508WR-F-2P A1253H-7P A1276WR-S-F-11P-H25 A2508WR-F-14P A2012WR-S-11P A1276WR-S-2x25P-H25 A2508WR-F-12P C3030WVC-2x1P A1276WR-S-25P A2508WR-F-11P A2502WR-12P A1276WR-N-2x5P-A A2508WR-F-10P A2508H-2P-BR A1276WRE-F-2x7P A2508WRA-2x8P-TR A2005WV-2x12P-XD A1276WRA-N-2x10P A2508WV-F-5P-A A2001WVR-5P-2 A1276WR-6P A2508WV-F-5P A2547H-2x20P A1276WR-2x6P-H20 A2508WV-F-4P-H A2501WV-14P A1002HB-14P A2508WV-F-4P A2008WV-S-2x5P-LCP A1502WR-S-6P-LCP A2508WV-F-3P-H D3961H-5P-OR A1502WR-S-2P-LCP A2508WV-F-2P-H A2547WV-2x20P-6T A1502H-2P A3502WR-7P A2547WV-2x25P-6T A1502H-11P A3502WR-6P 22.05.0382 A1501WV-S-8P-LCP A3502WR-4P A2005WV-N-S-F-2x3P-A A1501WV-S-7P-LCP A3502WR-2P C4201WVD-F-2x1P A1501WV-S-6P-LCP A3502H-9P C3030WV-2P-LCP A1501WV-S-5P-LCP A3502H-7P A2005WV-N-S-F-2x7P-A-G15 A1501WV-S-3P-LCP A3502H-6P C3030WR-F-2x3P-2-H30-LCP-HCS-D21 A1501WV-S-2P-LCP-G A3502H-5P A2549WVK-N-4P-NK A1501WVE-S-2x9P A3502H-10P A2541HWR-7P-6T A1501WVE-S-2x7P A3501WR-S-2P A1501WV-5P A1501WVE-S-2x6P A2509HA-6P A1255HA-7P A1501WVE-S-2x5P A5082H-2P A2006H-2x2P A1501WVE-S-2x16P A5081WV-8P C6201WVB-F-2x4P A1501WVE-S-2x14P A5081WV-5P-A A2550HM-5P A1501WVE-S-2x13P A5081WV-4P A2001WR-3P A0801H-7P-2 A2550H-2P-G A2501HMB-13P A1276WR-2x20P A2550H-2P-CR C4201HFB-2x2P-A-V0 A1276WR-10P A2550H-2P C3030WV-2x3P-2-LCP-HCS-D21-CRE A1276HWV-S-F-2x5P A2550H-24P-M A2502WV-15P A1276HWV-S-F1-2x8P-LCP A2550H-21P-M1 A1002WRB-S-4P-6T A1276HWV-S-F1-2x7P-LCP A2550H-20P-CR C4201HF-2x1P-GN-CJT A1276HWV-S-F1-2x20P-LCP A2550H-20P-A XC-KZ34A-320MM A1276HWV-S-2x6P A2550H-16P-M B2512H-2x12P A1276HWV-S-2x25P A2550H-16P-CR B2512H-2x11P A1276HWV-S-2x17P A2550H-16P-A3H C6201WVB-F-2x6P A1276HWV-S-16P-B A2550H-16P-A1 C4201WVD-2x4P-V0 A1276HWV-5P-H20 A3964H-6P C3030WV-F-5P-LCP A1276HWV-2x6P A3964H-5P C4201WVD-2x7P A1276HWV-2x5P-H20 A2550M-TP-C C4201WR-2x5P-2 A1276HWV-2x32P A2504H-4P A2006WV-2x16P-IV A1276HWV-2x22P A2504H-3P A2512HF-7P A1002HA-2x15P A2504H-2P A3963HC-7P A0801H-3P A2503WV-6P A2547FC-N-2x20P A1276HWV-2x20P A2503-TP A2550HD-9P A1276HWV-2x12P-H20 A2503-TP C1301AM-TP A1276HWV-2x12P A2503H-10P A2547WR-2x7P-6T A1276HWV-2x10P A2502WVA-5P A3502WV-2P A1276HWV-16P A2502WV-8P A0801H-14P-66 A1276HWR-6P A2502WV-8P A0801H-8P-66 A1276HWR-2x17P A2502WV-7P A0801H-7P-66 A1276HWR-10P A2502WV-6P-RD A0801H-6P-66 A1276HEA-2x10P A2508WRA-2x6P-TR A0801H-4P-66 A1276HE-2x20P A2508WRA-2x2P-TR A0801H-3P-66 A1276FCA-N-2x13P C1581HFB-2P A0801H-2P-66 A1275WV-9P-G C1581HF-1P A0801H-8P-66 A1275WV-40P-G C1581F-TB-B-L A0801H-3P-66 A1275WV-2x17P C1581F-TB-B A0801H-2P-66 A1275WV-10P-G C1581F-TB A2006WV-S-2x4P-LCP A1275WR-7P-G C1301M-TP-L A2550H-2P-A1 A1275WR-6P-G C1301HM-3P-GWT A1002HG-8P A0801H-11P C1301HM-3P A2505-GP A1275WR-20P-G C1301HM-2x2P A4001WVI-8P A1275WR-12P-G C1301HF-3P-GWT A4001WVI-4P A1275WR-10P-G C1301HF-2x3P A2501WV-3P-A-2 A1271H-15P C1301HF-2x2P B1000HM-S-F-13P-LCP-MRE A1258-GP C1301HF-2P B1000H-S-F-13P-LCP-MRE A1257WV-S-9P-LCP A2008H-2x18P A2501WV-7P-2 A1257WV-S-8P-LCP A2509HA-5P A2006WVD-F-2x18P A1257WV-S-6P-6T-RD A2509HA-4P A1276WVA-S-2x5P A1257WV-S-6P-LCP A2509HA-2P A1501H-8P-GWT A1257WV-S-5P-LCP A2509HA-15P A1251H-6P-GWT A1257WV-S-4P-LCP A2508WVT-6P C3030F-TP A1257WV-S-3P-LCP A2508WVT-3P C3030WR-S-F-2x5P A2509HFA-3P A2508WVT-2P A2547WR-N-2x10P-6T C4201WVB-2x12P A3961H-3P-3-V0 A2550HD-TP C4201HFS-5P A3964H-3P A2005-TP-C D3961WV-2P A3963WVD-F-9P A3501HE-6P A2508SA-4P A3963WVD-F-8P D3961H-4P-OR A3502H-2P-PBT A3963WVD-F-6P-N2-GWT C5030HM-3P A2547WVE-4P-G A3963WVD-F-6P-H-N5 A2549WRI-2x12P-BK-G A2508WVC-F-3P A3963WVD-F-6P C4201HM-6P 310x245x190-纸箱K=K A3963WVD-F-5P-H A2550H-7P-A2 340x340x400-纸箱K=K A2550H-5P A2547WVRB-2x13P-KK A1251WV-2P-46 A2550H-4P-M B0502HM-S-F-2x90P-G10 A2005HWR-3x6P-Y A2550H-4P-D B0502HF-S-F-2x90P-G10 C2504WR-5P A2550H-4P-CR A1008WR-S-5P A1501WR-5P-2 A2550H-4P-B A2501WVT-8P C1581HMA-4P A2550H-4P-A A2502WV-2P-YL C4201WRS-2P A2550H-4P A2547WV-5P-LCP A2508WV-F-12P A2550H-3P-CR A3501WRE-F-2x6P A2509HA-2P A2550H-3P-A3H A2001WR-6P C4201WVD-2x2P A2550H-3P-A A2512WV-5P A2002H-10P A2550H-3P A2512WV-3P A2001WV-6P A2550H-2x9P A2512WV-2P D2541L-5P A2006HD-2x9P A2512WV-4P A2005HB-N-2x16P-D A2005WV-N-2x7P-A A2002H-4P A2508HM-2x6P A2005HB-N-5P-FI C6351WV-F-2P-M-V0 C3030WRB-F-2x8P-9T-F23-D35-L1.8.9.16-CRE A2005HB-N-2x2P-B C6351WV-F-3x4P-M-V0 A2501WVR-4P-2 A2005-GP-D A3965H-12P A2006WVU-F-2x11P A2001WV-9P C5081M-TB A2009H-2x10P A2001WR-7P C5081HM-3P A2009H-2x8P A2001WR-10P C5081HM-2P A2549WR-5P A1502HA-8P A1002H-12P CCA3963H4P-124.5-01 A2547HM-3P A2006HA-2x12P A2008WR-2x7P A2547HM-2P A2512HM-7P A2005HB-N-2x5P-E A2547HM-20P A2512HM-8P A1501WR-S-8P-LCP A2550H-2x6P A2501WV-6P-2 C2003FB-TP A2550H-2x5P A2005HB-N-2x3P-G A3963-TP-H A2550H-2x16P A2541WV-20P-6T-C750 C6201HM-4P A2550H-2x10P A1501WV-8P-46 C6201HFC-3P A2550H-2P-M C6201WRB-F-2x5P A2008H-10P A2547WVB-2x20P A2541WV-11P-6T A2550H-2P-A A2547WVB-2x18P-T A2541WV-2P-6T-T C2003HFB-6P A2547WVB-2x16P A1276WV-S-F-2x4P A1501WV-S-10P-LCP A2547WVB-2x12P A2007-TP A2512WV-3P-6T A2547WVB-2x10P A2541WV-3P-6T-T A2006HD-2x9P A2547WVB-2x10P A2541WV-2x7P-6T-T C3030WV-2x8P A2547WVB-2P A2541WV-20P-6T-C1150 A4001-TP A2547WVB-15P A2541WV-2x3P-6T-C680D330 C3030HMA-2x4P A2547WVA-F-6P A2541WVA-5P-R-6T-C500D200E1250 A2547WR-F-12P A2547WVA-F-5P-G A2541WV-2x5P-6T-C700 A2501WV-S-2P A2547WVA-F-5P A2541WVA-2x9P-6T-C1090D320E1080 238x158x56.5-飞机盒 A2547WVA-F-4P-G A2541WV-2x6P-6T-C700 A1002HB-3P A2547WVA-F-4P A2541WVA-2x8P-6T-E3000 A2006WV-2x3P-IV A2547WVA-F-2P-G B2541CW-6P C4201WVA-2x3P-V0 A2502WV-6P A2541HTA-2P A3963WR-5P A2502WV-5P A2541WV-2x3P-6T-T A2008WR-3P A2502WV-4P A2543WRA-2P-WH-2-G C5030F-TP-H A2502WV-3P A1251WVB-S-3P A2005HB-N-2x5P-B A2502WV-3P C3030WV-F-3P-LCP A2508WV-7P-RD-KK A2547HM-10P A2541HWV-2P-6T C6201WV-2x2P-KK A2512HF-4P D1275HWV-S-12P-46 A2006HU-2x17P A2512HF-3P A1501WV-S-12P-LCP A2512WV-6P-6T-N2.5 A2512HB-4P A2541H-9P C2504WR-3P A2512HB-2P A2501WVR-4P-2 C6201HM-2x6P A2512HA-8P A2547HN-2x6P C4201HMB-2x7P A2512HA-4P A3501HE-8P A2010DS-10P A2512HA-3P A3501HE-2x5P-NAT A2505-GP A2512H-6P A2541WR-2x8P-6T-C808 A3965WV-F-5P-A-GWT A2512H-5P A1002H-9P A2006WR-2x20P-9T A2512H-4P-GWT A1002H-10P A2501WR-3P A2512H-4P A2508WV-F-4P-HS A2007H-4P A2512H-3P 22.05.1272 A2011H-3P A2512H-3P A2541WV-S-F-2x6P-C1200 A2541H-N-2x2P-2 A2512H-2P-GWT A2541HWV-S-F-2x8P-U C5030HFC-2x2P A2512H-2P A2541HWV-S-F-2x12P-U C6351HF-3x4P A3963HM-3P A2005HA-2x16P-66 A1002WVP-S-15P A3961H-2P-V0 A2005HWV-S-F-2x8P-H46 A2541WR-S-2x5P-W61-CRE A3961H-2P A3965WVHM-5P-GWT C4201HF-3P-GWT-MD A3961H-17P A3965WR-5P-GWT C6201WRB-F-2P A3961H-13P A3965WV-8P-GWT A2509WVA-2x4P A3961H-12P-3-V0 A3965WR-4P-GWT C3030HMA-2P-GWT A3961H-10P A3965WV-8P-GWT-N3.5.7 A2543WVA-6P-WH-G A3961-GP A3965WR-4P-2-GWT-D08 A2005WV-N-2x5P-A A3502WV-8P A3965WV-9P-GWT HXA2541HWV2x3PA2547H4P3-1200-01 A3502WV-7P A3965WR-6P-GWT A2011WV-4P-6T-G A2547WVA-F-13P-G A3965WV-9P-A-GWT A2011WV-3P-G A2550H-5P-I A3965WV-9P-A-GWT C4201HM-2x2P-V0 A2550H-5P-D C6201F-TCA-H A1002WR-S-7P-9T A2550H-5P-A1 C6201M-TCA-H A1257WR-S-7P-LCP A2547WVE-2P-G A1276WV-S-F-2x30P A2010DS-9P A2547WVE-12P-G A2508H-2x18P A2010DS-12P A2547WVE-10P-G C6351WV-4P-F A2010DS-8P A2547WVB-7P C6351WV-5P-F A2543WR-7P-2 A2547WVB-6P C3030WV-2x9P-LCP A1501-TP-G A2547WVB-5P 22.05.0044 C3030F-GP-C A2547WVB-4P 22.05.0054 CJ25002H004 A2502WV-2P A1255WRA-S-3P C3030WVC-2x5P A2543WVA-12P-WH A1009WV-S-2x15P A2005HB-N-2x2P-FI A2543WVA-10P-WH-G A1251WRA-S-3P-46 A4001HG-4P A2543WV-9P A2005WV-2x14P-6T A1501H-13P A3501WRE-F-4P A1254WR-S-15P-G A1257WV-S-2P-LCP-G A3501-TP A2541HT-2P-H B2011-TP A2505H-8P A2512WR-S-9P C6201WV-4P A2505H-6P A2512WV-S-15P A2012HE-8P A2505H-4P A1502WR-S-8P-LCP A3963WR-10P A2505H-3P A1276HWV-2P A2008WRA-4P A2505H-2P A2543WVA-4P-WH-G20 C1581M-TB A2505H-16P C3030WR-S-F-6P A1251WV-S-7P-LCP A2504WV-7P A2005WV-N-S-F-2x8P-A A2008WR-S-12P-LCP A2504WV-5P C4201HMA-2x11P A2010WVC-S-6P A2504WV-4P A2508WVD-4P A2501WV-3P-RD A2504WV-4P A2508WVD-8P A2508-TP A2504WV-2P A2541WV-S-12P-B A2508-TP-H A2504WV-10P A2547FC-N-2x20P A2547WV-N-2x10P-6T-CRE A3963HM-2P A2541WVA-2x4P-6T-C360E508 A2007H-3P A3963HC-3P C4201HMB-2x12P-V0 A2512WV-4P-6T A3963HC-2P C3030WV-6P A2012HA-7P A3963HA-9P A2549HC-2x4P C4201WVA-2x1P-GWT-BK A3963HA-4P A2547WV-7P-G30 A2508HMB-6P A3963HA-2P A2508HD-4P A2509-GCA-B-G15 A3963H-8P A2550HA-15P B3961AW-10P A3963H-6P-GWT A2508H-2x20P B2011H-4P A3963H-6P A2508HD-8P B2011H-2P A3963H-5P A2508H-2x17P 500x10-端子盘 A3963H-4P A2543H-4P-2-WH A2543WVRA-4P-WH-KK A3963H-3P-GWT A2541WR-6P-6T C1301HF-2x2P-BK A3963H-2P-RD A1255HA-2P 小心下刀标签(无底纹格铜) A3963H-2P-GWT A2008WV-2P 240x140-带孔送货单 A2508WV-10P-H A2547WV-2x8P-6T C4201WR-2x4P A2508WR-S-2P A2547WV-2x17P-6T A2508HMB-10P A3502WV-5P A2541WV-S-3P-B A2012WVA-2P A3502WV-4P A2508-TP A2547WR-10P A3502WV-3P C3030HF-9P C2504HMB-2P A3502WV-2P A2012WVA-9P A2008HB-8P A2508H-11P A2501-TP A2549WRB-2x2P A2508H-10P A1275WR-S-F-15P B3961AW-5P-V0 A2507WV-5P A2006WVB-2x12P A2009H-2x4P A2507WR-2P A1251WR-14P-46 A1257WV-S-2x10P-9T-BL A2507-TP A1251WR-4P-46 A2541HWV-S-F-2x14P A2507H-11P A1251WR-5P-46 B2513H-3P A2506-TP A1251WR-15P-46 A2007WVD-4P A2505WV-8P A1251WR-3P-46 A2008WV-2x12P-46-D300-TR A2505WV-7P A1251WR-4P-46 A2543WVC-F-4P-46 A2505WV-6P A1251WR-5P-46 A2001WR-S-8P-LCP A2505WV-4P-46 A2010WRC-S-7P A2508SB-8P A2547WVB-2x7P A2008WV-2x20P-46-D300 A2508SB-10P A2547WVB-2x6P A2541WV-2x8P-6T A2508WVC-F-10P A2547WVB-2x5P A1276HWV-7P A1276WVE-S-F-2x20P-G15 A2547WVB-2x4P A2008WR-2x8P-46-D300 A2005HB-N-2x3P-B A2541WR-S-4P A2005WV-S-4P-A A2508-TP-L C4801HF-3P A2008WV-2x17P-46-D300 A2508-TP-H C4501M-TP-L A2541H-2x14P A2508-TP C4501HMA-1P A1002WRA-S-2P A1251WR-S-7P-LCP C4501HM-2x4P-GWT A2006WV-2x4P-9T A2008WV-2x5P-46-D300 C4501HM-2x2P A2541WV-2x3P-6T A1002WV-S-F-2x20P-G C4501HM-2P A2001WV-F-5P-H C4201F-TP-A-H C4501HF-3x4P C5030HF-3x3P A2005WV-N-S-2x5P-A C4501HF-3P C3030WRB-2x9P-9T A2549WV-2x4P-9T C4501HF-2x4P A1501WV-12P A2508HMA-3P C3030WR-S-4P A1255H-3P A2009HMA-4P C3030WR-S-2x3P D2541HA-3P-RD C4201HMA-2x2P-BK C3030WR-S-2x2P C4201HM-2x11P-V0 A2541H-8P C3030WR-F-2x3P-H30-LCP-HCS-D21 A2005WVCB-N-F-6P A2008S-5P C5030HMC-4P A2011WV-8P-6T-G A2007H-6P C5030HMC-3x3P A1008H-2x18P A3963WR-7P A2508WR-F-8P C6201F-GCA-E C1301HF-2x3P A2512HF-5P A2508H-2x13P A2547WV-5P-LCP A3963WR-8P C3030WVC-2x2P C6201WV-2x2P A3963WR-7P-N2.6 A2547WVA-5P-G-NK A2550H-10P-M A3963WR-6P-GWT D1272WV-S-F-26P-G3 A4001WVE-14P A3963WR-6P A1008WR-S-14P A4001WVE-23P A3963WR-5P C4201HFB-2x4P A2008WV-2x8P-46-D300 A3963WR-4P A7921WVA-3P-80-C A3961-TP A3963WR-3P-A C4201HFB-2x3P A1501H-9P A3963WR-3P C3030WV-F2-2x4P-2-LCP-HCS-D26-CRE 400x400x200-纸箱K=Kd A3963-TP-H C4140HM-3P 610x610x220-纸箱 A3963-TP A2541HWRA-2x10P-6T A1257H-2x9P A3963S-2P A2012WVE-S-7P A3963WV-5P A3963HM-7P A2006H-2x5P A2550WRF-10P-G2 A3963HM-6P C4201HF-2x3P-BK-CJT A2512WR-4P-LCP-GWT A2549HC-5P A2541H-15P A2508WV-10P A2549HC-4P A2005WVA-5P-R-6T HJA2005HBN2x2PC-45-01 A2547WRA-4P-G C3030WV-2x2P-2-LCP-HCS-D26-CRE BYC5081HF2P-76-01 A2547WRA-2P-G A3963WV-F1-5P-A-GWT A1002WR-S-7P-LCP A2547WRA-20P-G C4201HFS-9P A2543-GB A2547WRA-18P-G C4201HVA-2x4P-B-V0-BK A1276WVK-S-2x5P-CRE A2547WRA-14P-G A1251WR-2P-46 A1002H-4P A2549WVB-2x7P A3965WV-5P-A-GWT B3961AW-10P A2549WVB-2x6P A1276WR-9P-H15-C230D240E140 C3962H-2P A2549WVB-2x3P A7921HC-3P-83 A2543WVA-5P-WH-G20 A2549WVB-2x10P A2006WV-S-2x6P C6201HM-3P A2549WVB-10P A1276WV-5P C2003HF-5P A2549WV-2x3P A1276HE-2x10P A2012WV-7P-LCP A2549WRI-2x2P-BK-G C3030HF-2x7P A2012HA-6P A2547WRF-3P-G A2550HA-16P A2008WV-2x13P-46-D300 A2547WR-F-12P A2550H-8P-A3H A1501H-11P A2547WRE-4P A2550H-6P-A3H A2508WV-9P A2547WRB-2x8P A2509HA-14P C5030HFC-3P A2547WRB-2x7P A1276WV-4P A2541HWV-2x9P-C-U A3965H-5P A1276WV-10P A2001WV-S-4P-LCP A3965H-4P-GWT A7921HC-3P-04 C3030HF-2x12P A3965H-4P A3963WR-2P A3963S-7P A3965H-3P-GWT A2010WRC-S-12P A2512HF-5P A3965H-3P A2001-TP-H C4201F-TP-H A3965H-2P B2011H-2P A2012HA-8P A3964H-8P C6201HMA-4P A1501WR-8P-D34 A3964H-7P A3961H-14P A1008H-2x12P A2541WV-S-2x3P-9T-D032 A2541HWV-S-2x5P-H110-E80 C3030HF-2x4P A2541WV-S-2x17P A1008H-14P 320x240x65-纸盒K3K A2541WV-2x7P-9T-N12 A1501WV-11P A2501WVT-7P C3030WV-4P A2006WV-S-2x11P A2010DS-6P C3030WV-3P A2006WV-S-2x9P C4201HFI-2x7P-NAT C3030WV-2x8P C4201WV-4P-V0 A2008WRA-6P C3030WV-2x7P A2508HC-8P A3963WV-3P-A-BL C3030WV-2x6P-LCP A2006H-2x14P 510x510x220-纸箱 C3030WV-2x5P 500x10-端子盘 A2508WRA-2x3P C3030WV-2x2P C3030WV-2x10P-LCP C6351F-TB-H C3030WV-2x1P A2541HWV-S-4P-A-U-H35 BYC6351HM2P-330-01 C3030WV-2x12P-LCP C3030WV-2x7P-LCP A2008HA-4P B2012-TP A1276HWV-4P A1257WR-S-14P-LCP B2012-TB A1276HWV-10P A1501WR-5P-2 B2012H-9P A2501WV-14P A1502WR-S-2P-LCP B2012H-8P A1276HWV-5P A2508HMA-5P-RD B2012H-6P A1276HWV-S-2x3P A2541WV-S-2x4P B2012H-5P A1276HWV-6P A2512H-5P B2012H-4P A2547WV-2x5P-6T C2504WR-7P B2012H-14P A2547WV-2x16P-6T A2008WR-2x4P-G3-D300 A2549HC-2x9P A2547WV-2x18P-6T C3030HF-2x5P A2549HC-2P A2547WV-2x12P-6T 0.1x400x450-真空包装袋 A2549HB-5P A2547WV-2x8P-6T A1002-GP-G3 A2549HB-4P A2547WV-2x17P-6T A2549HK-2P A2549HA-6P A2547WV-2x13P-6T-L C6201WVC-4P A2549HA-4P A2547WV-2x16P-6T-L C3030WR-S-4P A2549HA-2P A2547WV-2x10P-6T-N20 A2512H-7P A2547HN-2x5P A2547WV-2x32P-6T A2512H-10P A2547HN-2x4P A2547WV-2x18P-6T A2001WV-16P A2547WRB-2x5P A2547WV-2x4P-6T C4201WR-2x7P A2547WRB-2x4P A2547WV-2x7P-6T-L A1257WR-S-12P A2547WRB-2x20P A2547WV-2x10P-6T-N20 C1301HF-3x4P A2547WRA-S-F-18P-G A2547WR-2x20P-6T A2006WV-2x16P-9T A2547WRA-S-F-16P-G A2547WR-2x25P-6T A2547WVB-7P A2547WRA-FJ-5P-46-G A2547WR-2x8P-6T A2006WRD-2x12P A2547WRA-F-6P-G A2547WR-2x13P-6T A2008WV-2x7P-46-D300 A2547WRA-F2-5P-G A2547WR-2x12P-6T A3963WV-11P-A A2547WRA-F2-11P-G A2006H-2x5P A2508WV-F-10P A2541H-12P A2550MA-TP-G C1581HMC-4P A2541-GP C3030HF-2x7P-HJ C3030HM-2x2P-A A2512WV-S-5P C3030F-GP-C A3964H-4P A2512WV-S-3P A2005H-2x11P-66 F85-1-E-7P A2512WV-S-2P A2001WVA-3P-P-LCP F75-5-E-7P A2512WV-F-8P-H A2012H-8P-GWT A2550M-TP-C A2512WV-F-5P-H C2003HMB-11P A2508WR-F-8P A2512WV-F-3P-H B3961AW-2P-V0 C3030WR-2x4P A5081WV-3P A2547WR-2x13P-6T-N20.21.22.23.24 A2010HD-11P A5081WV-2P A2547WR-2x17P-6T A2547WRB-2x9P A5081H-6P A2547WR-2x13P-6T A2547WVB-2x9P A5081H-4P A2547WR-2x6P-6T A2547HJ-6P A5081H-3P A2547WV-2x12P-6T A2547HJ-2x6P A5081H-12P A2547WV-2x8P-6T A2006WV-S-F-2x4P A5001WVA-3P-GWT A2547WV-2x15P-6T 340x340x400-纸箱K=K A5001WVA-3P A2547WV-2x16P-6T 220x160x70-纸箱S9S A5001WRD-F-6P A2547WV-2x4P-6T A2501H-5P-V2 A5001WRA-4P A2547WV-2x10P-6T-N20 C5081HF-4P A5001WRA-3P A2547WVRB-2x20P-KK C3030HF-2x2P A5001WRA-11P A2005WR-2x4P-6T A2006WV-2x4P A5001HB-4P B2541AW-6P A2541WV-S-2x7P B2513H-8P C4140WR-2x2P-KK 57mmx90Yx60U-透明底灰色字印CJT胶带 B2513H-5P A2549HB-2x6P A1002HB-5P B2513H-3P A2001H-15P A2010HD-8P B2513H-2P A2547WVRB-2x17P-KK A1256H-10P B2512-TB C3030WR-F-2x3P-H30-LCP-HCS-D21-RE A2010HD-9P B2512H-9P A2361WVA-2P-G A2502WV-3P-YL B2512H-8P A0801H-15P-46 C3030WR-2x5P B2512H-7P A7501AF-TCA C4201WVA-F-2x3P B2512H-5P A1501H-5P-GWT A2550H-4P-H B2512H-4P A1252H-2x6P A1501H-11P B2512H-3P A2006HD-2x13P A2543WVA-7P-WH-G B2515-TP A2002WV-6P C4201HMD-2x1P A3963H-9P A2501WV-F-11P A2508SA-8P A2549WRB-2x2P A1201WR-S-8P A2010HD-6P A2547M-TP A1501WVA-S-10P A2010HD-3P A2547HG-2x5P C6201WRB-F-2x3P A1002HB-14P A2547HN-2x3P C3030WR-S-F-2x4P 310x245x190-纸箱K=K A2547HN-2x15P A2541WR-2P-6T A1008WR-S-13P A2547HN-2x12P A2508WRC-3P C3030WR-2x4P-LCP-G15 A2547HN-2x10P A2549HL-2x8P A2508WV-7P-N5.6 A2547HM-9P A2010WRA-2P C6201WV-2x3P A2547HM-8P C5030F-TP-H A2508WV-6P-N5 A2547HM-7P A1276WVE-S-F-2x20P 485x315x10-白色海绵垫 A2549HK-2x5P A2541HWV-S-2x20P-H71-T 610x75x610-纸箱K=K A2549HK-2x3P A7501AM-TCA 610x75x610-纸箱K=K A2549HK-2x2P A2543WVC-F-4P-46 400x400x200-纸箱K=Kd A2549HIA-2x2P-A A2550H-9P C1581HFC-4P A2549HIA-2x2P A2541HWV-8P-6T A2508SA-7P A2549HI-2x5P A2543WV-8P-WH-G C4201WR-2x3P A2549HI-2x3P A5081WVA-6P A2005HB-N-2x2P-C A2549HI-2x16P A7921HC-3P-02 小心易碎标签(无底纹格铜) A2549HE-2x5P A7921HC-3P-84 A1008WV-S-4P A2549HD-10P C3030HF-2x1P B2512H-7P A2547WR-5P A2508HMA-4P-BL A2012SA-7P-4T A2547WR-4P C4201WVA-F-2x5P-V0 A2012SA-8P-4T A2512WV-F-2P-H C4201HF-2x8P-V0 A2005HWV-S-2x30P A2512WVA-6P A3963WVD-F-2P-H-GWT A2010DS-4P A2512WV-7P D1272WV-S-F-16P-G3 A2541H-N-2x5P A2512WV-6P A1501WVE-S-2x20P A1501H-7P A2512WV-4P-GWT A2012WVB-S-F-12P C4501HM-3x3P A2512WV-4P-6T A2012WRE-10P C3030WRB-2x7P-9T-L3.4.10.11 A3963WVD-F-5P-A-GWT D0801H-10P-G A2508SA-9P A3963WVD-F-5P-A A1502WVB-S-6P C3030HF-2x7P A3963WVD-F-5P C3030WRA-F-2x2P A2512H-2P-BK A2547WR-F-6P A7921WVA-8P-0B-C A2508WR-F-12P A2547WR-F-4P A2549WV-7P A2512HM-4P A2541H-N-2x5P-2 C3030HF-2x3P-GWT C4501S-3P A2541H-N-2x4P C4201WVA-2x2P-LCP-CRE C4501HM-3P A2541H-N-2x15P-2 C4201WVA-2x4P-LCP-CRE A2541WV-S-4P-B A2541H-N-2x10P-2 A1501WRE-S-2x5P-NK C5081HF-2P A5001HB-3P A2010HC-7P HX-1.2-Y A5001HA-4P A3501HE-2x8P A1276WVE-S-F-2x8P A5001HA-3P A2009WVA-S-F-2x3P B1502H-13P A5001HA-2P A2001WVR-7P A2006WR-2x10P A2550H-8P-CR A1256WR-S-15P A2005HB-N-2x13P-D A2550H-8P-B C6351WV-3P-F-V0 A2508HA-2x4P A2550H-8P A1276HE-2x7P C4201WVA-2x8P A2550H-7P-A3H A2006H-2x3P A2543H-10P-2-WH A2550H-7P A2006H-2x12P A2501WV-2P-BK A2550H-6P-M A2006H-2x6P A1002WV-S-5P-LCP A2550H-6P-I A2006H-2x9P A1257WV-S-11P-LCP A2550H-6P-CR A2006H-2x11P A1251WV-S-5P-LCP A2550H-6P-A A2006H-2x4P A2508HA-2x8P A2550H-6P A2006H-2x10P C4201WV-2x4P-G2 A7921HC-8P-64 A2006H-2x8P A2547WV-2x7P A7921HC-8P-0B A2508WV-F-6P A2549WRI-2x2P-BK-G A7921HC-7P-59 A2508WV-F-5P C3030WV-S-2x5P A7921HC-7P-48 A1501WVD-S-10P-9T A2509WVA-5P C5030HMC-3P A4001WRJ-F-2P-Y A2509WVA-6P C5030HMC-2x2P A2005WV-N-2x8P-6T A2541H-2x5P C5030HMC-2P A1257WV-S-5P-LCP A2508WRA-2x6P-TR C5030HMB-2P A2547WV-2x5P-6T A2547WR-6P C5030HFD-2x6P A2006H-2x6P C4201WVA-2x7P-LCP C5030HFD-2x2P C2003HM-3P A2502WV-5P-GF C5030HFC-3x2P C2521HM-5P A2547M-GP C5030HFC-3P A3963WV-7P-A-GWT A2547WVA-4P-G C5030HFC-2P-BK-GWT A2547HM-21P A2008WV-2x3P-46-D300 C5030HFC-2P A2005WV-N-2x10P-A-LK-9T-D42 A2006HB-2x8P C5030HFB-3P A2009H-2x8P C4140HM-2x3P-V0 C5030HFB-2x2P A3963WVD-FT-2P C3030WV-F1-2x5P-2-F30-LCP-HCS-CRE C3030WV-F-2P A2547H-5P-66 A2008WV-2x16P-46-D300 C3030WVD-2x8P C2003M-TP A2008WR-2x11P C3030WVB-2x6P-9T A3961H-8P-2 A2508WVT-4P C3030WV-8P C3030WR-9P C3961HF-2P-YL C3030WV-4P-LCP C6201HFE-2x2P-GWT 500x330x250-纸箱 A2547WR-3P A2541HWR-9P-6T A2009H-2x7P A2547WR-2P A3961WVA-8P A2009H-2x8P A2547WR-2P A2541WV-10P-6T A2549HM-2P A2547WR-18P B1804-TB A2508WRA-2x4P-TR A2547WR-17P A2006HD-2x17P A2508WRA-2x3P-TR A2547WR-13P A2011WV-3P-6T-G A2508WV-2x8P-D30 A2547WR-11P A3963WV-9P A2508WVT-3P A2547WR-10P A2001H-4P A2504WR-2P A2547-TP-S C4201F-TP-B-H A2504WV-16P A2547-TP-L A3961H-2P-3-V0 A2504WV-12P A2547-TP-E A2008WV-S-2x8P A1502H-4P A2547-TP-C-L A2008WV-S-2x9P A2006WRU-F-2x10P A2547-TP-C A2550H-6P-I A1002WRB-S-9P A2547-TP-B SZA1501H6PA1501H4P02-20-01 A2006WVU-F-2x18P A2547M-TP-L C3030WR-S-3P-G15 A2508WV-F-14P A2547M-GP A1002H-4P C6351S-3P A2547HN-2x9P A1002H-3P C6351HFI-3P A2512WR-3P A1002H-2P C6351S-3x3P A2512WR-2P-LCP A2001WR-S-14P-LCP C4201WR-2x4P A2541H-N-2x10P A2547WV-9P C3030HF-2x9P A2541H-8P A2547H-1P-2-RD A2008H-2x14P A2541H-6P A2001WV-S-2P-9T-GN A2012WV-F-2x7P-GF A2541H-4P A2001WV-S-2P-9T-RD A2012WV-F-2x6P-PBT A2541H-3P A2001WV-S-2P-9T-BL C1301HM-4P A2541H-2x5P A2001WV-S-2P-9T-GN A2006HU-2x18P A2541H-2x3P A2541WV-12P-6T A1501H-12P A2541H-2x2P A7501WVD-F-2x1P-PK A1501H-6P A2541H-2x13P A1002H-5P A2009H-2x2P A7921WVA-4P-GA-C-NA C3030WR-10P-LCP A2547WVC-2x10P-6T A7921WVA-4P-88-C C4201WR-2x5P-V0 A2547WRC-2x8P A7921WVA-4P-0A-C A2005WV-S-2x6P A2547WVC-2x13P-6T A7921WVA-2P-0A-C A2547FC-N-2X10P-Y-G A2508WVA-2x6P-TR A7921WVA-12P-ZH2-C A2541WR-2x8P-6T-C400 A2508WRA-2x8P-TR A7921HC-6P-0A A2544-TP A2008WR-3P A7921HC-5P-21 A2547WR-S-F-4P-LCP A1276WVE-S-F-2x20P A2550HD-4P A3502H-10P A2001WV-6P-LK-3-46 A2550HA-5P A2509WRA-F-2x8P C3030WR-S-2x4P-HCS A2550HA-3P A2012HE-7P A2509HFA-2x7P A2550HA-2x8P A2550H-17P-H A2509HFA-2x6P A2550HA-2x7P A2010WVC-S-10P C4201F-TB-HH A2550HA-2x6P C2003HMB-9P A2550-TP-K A2550HA-2x10P A1251WR-2P-LCP A2012WR-S-7P A2550H-9P-CR A2549HI-2x2P A2008WV-S-4P-LCP A2550H-9P-B A2541WV-2x12P-6T C4201HF-2x1P A2550H-9P-A3H A2543H-10P A1502HA-5P A2550H-8P-D A1501HD-10P D3961H-2P-RD B2012H-10P A3501-TP-I C3030HM-2x2P B2011-TP-B A2508H-2x10P A2508H-5P B2011-TP-B A3501HI-2P A2006HD-2x7P B2011-TB-AW A1501HD-15P C4201WVA-2x1P-V0 C3963HM-2x3P A2005WV-2x4P-D500-CRE A2505WVA-4P-2-LCP-BK C3962HM-2x2P A2008WR-S1-F-2x11P-G A2502WV-8P C3961M-TP A2541WVA-2x5P-6T-C900D400E3500 A1502WR-S-4P-LCP C3961F-TP A2541WVA-2x4P-6T-C900D400E3500 C3030M-TP-L C3030WV-S-F-4P A2541WVA-2x3P-6T-C900D400E3500 C5030HMD-2x2P C3030WV-S-F-2x4P A3963WV-5P-A A2547WR-2x10P C3030WV-S-4P A3961WV-10P-G C3030HF-3P C3030WV-S-2x6P A3961WV-5P-A A2543WVC-F-4P-46 C3030WV-S-2P A2541HWR-2x3P-6T A1257H-12P C3030WV-S-2P A2541HWV-5P-H71-6T A1257H-15P B2514H-3P A2541HWR-5P-6T C3030WV-2x2P B2513-TP A2541HWV-2x18P-6T C4140WV-2x2P B2513-TB A2541HWV-13P-6T B1271WV-S-F-2x20P B2513-TB A2541HWV-2x19P-6T C4140F-TB-L A2512WR-2P A2541HWV-2x16P-U-6T C2003SB-7P A2512SB-9P A2541HWV-2x8P-6T A3961-TP-1 A2512SB-8P A2541HWV-2x8P-U-6T A1257WV-S-2x11P-G3 A2512SB-7P A2541HWR-8P-6T C4501HM-2x2P A2512SB-6P A2541HWV-16P-6T A4001WVE-35P A2512SB-4P A2541HWV-10P-6T A4001HE-35P A2512SB-3P A2541HWV-16P-6T A2006WVU-F-2x6P A2512SA-4P A2541HWV-4P-6T B2513H-7P A2512SA-2P A2541HWV-5P-6T A2541WV-3P-LK-9T-C670D320 A2512SA-10P A2541HWV-2x10P-U-6T A2549WVI-2x4P-K-G3-CRE A2512M-TP A2541HWR-2x4P-6T A1257WR-S-13P-LCP A2512HF-6P A2541HWV-5P-6T A2508HMA-6P-BK A2547WRA-12P-G A2541HWV-2x3P-6T A2508HMA-6P-GN A2547WRA-11P-G A2541HWR-3P-6T A1002WR-S-15P-LCP A2547WRA-10P-G A2541HWV-3P-A-U-6T C6201WRB-F-2x1P A2547WR-6P A2541HWV-13P-6T A2544WV-12P-A A2512WV-4P-46 A2541HWV-3P-A-U-H50-6T A2543WRA-5P-WH-2 A7921WVA-12P-ZH1-C A7501AM-TB-LL A2547WRA-S-F-9P-G A7921WVA-10P-ZH2-C A1501HD-11P A2549WV-2x9P-9T A7921WVA-10P-ZH1-C A3963WR-2P-E310 A1002HB-6P A7921WRA-R-6P-29 A1002H-6P-2 A2008WV-6P A7921WRA-R-4P-0A A1501HD-16P A2001WR-2P A7921WRA-R-3P-0A A2005HWRA-2x12P-6T A2508HM-5P A7921WRA-4P-0A A1501WRD-S-14P-9T C2504WV-3P A7921WRA-2P-80 A1501WRD-S-12P-9T C1301HM-2P A2550H-10P-C A1501WRD-S-9P-9T A2550H-9P A2550H-10P-A A2544H-8P A2508H-2P-YL A2550H-10P A2547H-21P A4001WVG-F-4P-C1 A2550-GP-K A1501HA-7P-66-HF A5001WVA-2P A2550-GP-J-TG C1301HMA-2x2P-BK C3030WR-2x6P A2550-GP-B-GT A1502H-12P A2508WV-F-2P-K A2549WVB-9P A3501WRE-F-2x5P-NAT A2006WVU-F-2x12P A2549WVB-7P A2547WR-S-F-4P-LCP A1257-TP-A A4001WR-S-2P-2 C2363HM-2P A2006-TP-U A2549H-8P A2008WR-2x13P A1008H-2x18P A2549H-5P A2012HMA-3P A1255HA-4P A2549H-4P A1251HM-8P A2008H-2x15P A2549H-3P C4201HFA-2x5P A1501WV-2P-D34 A2549H-2x5P A1008WV-S-2x12P A1501WV-3P-WH-D34 A2549H-2x4P A1501HB-3P C4201WR-F-2x6P A2549H-2x2P A2541HWR-2x5P-6T C4201WR-F-2x4P A2549H-2x12P A2541WR-2x7P-6T A2508HB-6P A2549H-2x10P A5082H-3P A2508HB-9P A2549H-2P A4001SMD-S-2P C6201F-TP A2549-GP-I A2541HWV-3x27P-6T C6201HF-3P A2549-GP-C-L A2541HWV-2x3P-H57-6T A2508HMA-6P-BL A2549-GP-C-H A2541HWR-2x6P-6T C4201WR-F-2x2P A2549-GP-C A2541HWV-2x14P-6T A2005HA-2x10P-66 A2547WV-S-4P-2 A2541HWV-2x9P-6T A7921HD-2P-0A A2543H-14P A2541HWR-4P-6T B1271HWV-S-F-2x20P-H137 A2550HH-20P A2541HWV-6P-H-L12-6T A1002WV-S-2x15P-G3 A2550HA-2x12P A2541HWV-6P-U-H50-6T A2549H-2P A2541H-1P A2541HWV-14P-U-H71-6T A2547HJ-2x8P A2509WV-2P A2541HWR-6P-6T A2547H-1P-2-RD A2508WV-8P A2541HWV-10P-H-L12-6T C3030WR-F-2x2P-2-H30-LCP-HCS-D21 A2504WV-8P D0801WV-S-8P-LCP-G A2512H-3P A2008WR-2x4P C4201HM-2x5P-A A1002WV-S-2x10P-G3 A2007-TP A1256HD-9P C3030WR-5P A2006WVU-2x13P A2549WVI-2x4P-BK-G A2501WR-5P-GN A2002-TP B1271WV-S-F-2x6P-H99 A3502WR-7P C5030HFB-2P B1271HWV-S-F-2x6P-H137 C1301M-TB C5030HF-1P B1271WV-S-F-2x13P-H99 A1501H-4P C5030F-TB-H A2549WR-2x4P A2009WR-2x3P C5030F-TB C3030WR-2x4P-LCP-G15 A3501WRA-S-2P-9T A2512WV-4P A2541WR-2x40P-6T A1008WV-S-2x25P A2512WV-3P A1257H-2x10P B2512H-12P A2512WV-2P-LK A2543WV-2P-KK A1257WV-S-8P-LCP A2512WV-2P-6T A1006H-7P A2541H-12P A2512WV-2P A1006H-10P A2541H-14P A2512WV-10P A2005HWVB-2x10P-6T A2541H-N-2x13P A2512WR-S-8P A2005HWVB-2x3P-6T A2541H-N-2x14P A2512WR-S-5P-RD A2005HWV-3P-6T A2541H-N-2x15P-2 A2512WR-S-5P A2005HWV-34P-Y-6T A2541H-N-2x8P A2512WR-S-4P-RD A2005HWV-20P-6T A2541H-16P A2512WR-S-4P A2005HWRA-2x4P-6T A2004WV-3P A2512WR-S-4P A2005HWV-2x35P-6T C3030HF-2x10P A2512WR-S-2P A2005HWV-4P-L-6T C3030F-TP-A A2512WRA-4P-B A2005HWR-2x5P-6T C2521HM-12P A2512WRA-4P A2005HWV-2x11P-6T A2550H-14P-M A2512WR-5P-GWT A2005HWV-2x15P-6T A2006WVU-F-2x4P A2512WR-4P-LCP-GWT A2005HWV-2x22P-6T C4140HF-2P-V0 A3963WV-4P A2005HWV-2x4P-6T D3961WV-7P-G A3963WV-4P A2005HWV-2x3P-6T A2508WV-3P A4001-TP A2005HWR-2x6P-6T A2008WV-S-2x4P A4001HE-14P A2005HWV-2x10P-6T A2005HB-N-2x5P-F A3965WV-F-5P-A-GWT A2005HWV-2x12P-6T A1251HM-9P A3965WV-6P-GWT A2005HWV-2P A2012-TP-D A3965-TB A2005HWV-8P-6T CJ250T002 A3965S-5P-GWT A2005HWV-2x4P-6T A2005WV-N-2x8P-A-LK-9T-D32 A3965HA-5P-GWT A2005HWV-2x3P-6T A1257WR-S-8P-LCP A3965H-9P A2005HWRE-2x20P-6T C6201WV-2x4P A3965H-8P A2005HWV-2x8P-6T A1502WR-S-5P-LCP A3965H-7P A2005HWV-2x4P-6T A2547WRB-2x17P A3965H-6P A2005HWV-2x3P-6T A2541H-2x3P A2550H-14P-CR A2005HWV-2x2P-6T A2547WV-8P-KK A2550H-14P-B A2005HWV-2x7P-6T A2008WV-2P A2550H-14P-A A2005HWR-2x6P-6T C4501HMA-1P A2550H-14P A2005HWR-2x9P-6T A1002H-9P A2550H-13P-M A2005HWR-2x11P-6T A1257H-4P-RD A2550H-13P-I A2005HWV-2x20P-H46-6T A3963WV-5P-A A2550H-13P-CR A2005HWV-16P-H46-6T A2006WR-2x5P-IV A2541WV-S-2x7P A2005HWV-2x40P-6T A2547WVB-3P-KK A2502WV-12P A2005HWV-2x7P-H46-6T A2005WV-S-2x5P-C025D450-CRE A2502WV-10P A2005HWV-2x6P-H46-6T A2001HA-6P A2502WR-8P A2005HWV-2x3P-H46-6T A2512WV-S-4P A2502WR-7P A2005HWV-2x4P-H46-6T A1002WR-S-5P-LCP A2502WR-6P A2005HWV-8P-6T A1502-GP A2502WR-5P A2005HWV-2x4P-6T B2011H-2P A2502WR-5P A2005HWV-2x3P-6T A2543WV-7P A2502WR-4P A1502H-15P A5081WV-2P A2502WR-3P A3963WV-7P-N2.3.5.6 A3963WV-9P A2502WR-2P A7501HMA-6P C5030HMC-3P A2502WR-2P A2005WVA-34P-H15-6T-E365 A2012WV-S-6P-N2.3 A2502H-8P A2005WR-12P-6T-E300 B3952H-4P A2502H-7P A2005WV-N-2x7P-6T A2508WV-7P-BK A2512SA-5P A2005WR-16P-6T A1257H-2x10P A2012WVA-F-6P-H A2005WV-2x8P-6T C5030HMD-2x4P A2012WR-S-10P A2005WV-2x10P-6T C2521S-2P A2009H-2x4P A2005WV-2x15P-6T C4201HF-2x5P-V0 A2006HB-2x7P A2005WR-N-2x7P-6T A2009WR-2x6P A1501H-5P A2005WV-2x9P-6T A2547WRB-2x20P A1255WVA-S-5P A2005WR-2x8P-6T A2502WV-3P A0801H-9P A2005WR-3x12P-6T C4201HF-4P C6351WR-2P-M-V0 A2005WV-2x9P-6T A3963HA-4P B1502H-13P A2005WR-3P-6T A2010HD-5P B3951H-3P A2005WV-6P-6T A2508WV-8P-H B2541BW-6P A2005WV-2x7P-6T A1251WR-S-4P-LCP B2541BW-16P A2005WV-34P-6T A2508HMA-5P B2515H-4P A2005WVA-4P-H3-6T-N2.3 A1251WR-S-2P-LCP B2515H-3P A2005WR-6P-6T A2550H-6P A3963WV-3P-BK A2005WV-N-2x9P-6T A1276HE-2x4P A3963WV-3P-A-RD A2005WVA-2x5P-6T C4201WRA-2x4P-L4 A3963WV-3P-A A2005WV-N-2x10P-6T A1252WR-S-14P-G A3963WV-3P-A A2005WR-N-2x5P-6T A2547WRA-5P-G A3963WV-3P A2005WV-2x7P-6T A2547WR-S-F-9P-9T A3963WV-2P A2005WR-2x7P-6T A3963H-6P A3963WRH-3P A2005WR-12P-6T C4201WV-3P A3963WRH-2P-GWT A2005WV-N-2x3P-6T C3030WR-2x4P A3963WRH-2P A2005WV-3P-6T A2009HMA-2x3P A3963WRD-S-2P A2005WV-2P-6T A1002H-3P-2 A3963WRD-6P-N2 A2005WR-2x12P-6T A2541H-1P A3963WRD-5P A2005WR-2x8P-6T A2543WVA-9P-WH A3963WRD-3P A2005WV-2x3P-6T A2543HA-16P-WH A3963WRD-2P A2005WR-2P-6T A2541H-1P A2549HK-8P A2005WVA-4P-H3-6T A1002H-5P-2 A2549HK-3P A2005WV-2x3P-6T D0801WR-S-6P-LCP-G A2549HK-2x7P A2005WV-2x7P-6T A2502H-2P-BL A2550H-13P-A A2005WV-34P-6T A1501WR-5P-D34 A2550H-12P-C A2005WVA-4P-H3-6T-N2.3 A2547WR-3P-KK A2550H-12P-BL A2005WV-N-2x10P-6T A2012WVA-2P-46-KK A2550H-12P-A A2005WV-2x6P-6T A2543H-3P A2550H-12P A2005WR-6P-6T A1002H-6P A2550H-11P-CR A2005WV-N-2x9P-6T A2501WVT-2P A2550H-11P A2005WVA-2x5P-6T A2004H-2P A2550H-10P-CR A2005WV-N-2x8P-6T A2009WR-2x7P A2547WV-2P A2005WR-4P-6T A3965H-2P A2547WV-18P A2005WR-6P-6T A3963H-6P-GWT A2547WV-15P A2005WV-2x11P-6T A2008S-10P A2547WV-12P A2005WR-N-2x5P-6T A2501WR-4P A2547WV-10P A2005WV-2x7P-6T A5081WVB-5P A2502H-6P A2005WR-12P-6T A2010HD-2P A2502H-5P A2005WV-N-2x3P-6T C4201HF-2x4P A2543HB-8P-WH A2005WR-7P-6T A2543WRD-8P A2543HB-2P-WH A2005WR-2x12P-6T-C400 C6201HFA-3P A2543HA-7P-WH A2005WV-2x3P-6T A2541WV-4P-LK-9T-CRE A2543HA-6P-WH A2005WR-2x3P-6T A2501WV-F-2P A2543HA-5P-WH A2005WR-2P-6T A1502WV-S-5P-LCP A2543HA-4P-WH A2005WVA-4P-H3-6T C6351HFA-4P-V0 A2543HA-3P-WH A2005WV-2x3P-6T B2011-TP A2543HA-10P-WH A2005HWRA-2x15P-6T A1002WV-S-4P-LCP A2543H-9P A2008H-8P A1251WR-S-5P-LCP A2543H-8P A3963WV-8P-GWT C4201HMB-2x2P-B-V0 A2543H-6P A2012WR-4P-LCP B1251H-4P A2543H-5P C4201WR-F-2x6P A2501WRB-2P A2543H-3P D3961WR-3P-2-H A2001HM-3P A2543H-2P A2549WR-2x5P C4501HM-2x3P A7921-TP-A-L C2363MA-TB A2006WRD-2x12P B2514H-6P A2008WR-14P A2008H-2P A1501-TPC A2541WV-S-2P-A-BE A1257WR-S-4P-LCP A1501HA-3P A2541WV-S-10P-A-BE A2547-TP-C A1257-GP A2541WV-S-12P-A-BE C4201HF-2x5P A1201WRA-S-3P XC-KZ32A-350MM ARB2011H4PA2012H2P02-150-01 A1008H-9P A2541WVB-2P-6T A2504H-9P A1002WVB-S-3P A2541HWV-14P-U-H71-6T A2504H-8P A1002HB-3P A2541HWV-2x13P-H57-6T-T A2504H-10P C4201WV-2x1P-RD A2541HWV-11P-6T A2501WR-2P-GN C4140WR-2P A2541HWV-3x29P-6T A3963WVD-7P-H C4140HM-1P A2541HWV-16P-6T A1002HB-8P C2521HM-10P A2541HWV-3x27P-6T C3030HM-2x1P C6201HF-1P A2541HWR-4P-6T A2547H-10P A2549HK-2x6P A2541HWV-2x10P-U-6T A1276HE-2x5P A3963WVD-F-4P A2541HWV-2x19P-6T A2508HMB-5P A3963WVD-F-3P-H-A-GWT-YL A2541HWV-2x25-6T C3030WV-F1-2x2P-2-F30-LCP-HCS-CRE A3963WVD-7P-H A2541HWV-8P-6T C3030WRB-F-2x4P-9T-F23-D25-L2.6-CRE A3963WV-9P A2541HWV-N-2x5P-6T A2009H-2x12P A3963WV-8P A2541HWR-8P-6T C2504WR-4P A3963WV-7P-N2.6 A2541HWV-2P-6T A2504H-4P A3963WV-7P A2541HWR-2x10P-6T A1501H-2P A3963WV-6P A2541HWRA-2x7P-6T A1501H-10P A3963WV-5P-A A2541HWV-2x10P-6T A1501H-8P A3963WV-4P-GWT A2541HWV-2x13P-6T A2512H-2P-GWT A2549WRB-4P A2541HWR-2x6P-6T C4201HF-2x6P A2549WRB-3P A2541HWV-2x4P-U-6T C6351HF-2P-GWT A2549WRB-2x8P-BK A2541HWV-2x8P-U-6T A2508H-4P A2549WRB-2x6P A2541HWV-2x9P-6T A1257WV-S-3P-LCP A2549WRB-2x5P A2541HWV-2x5P-6T A1008WV-S-6P A2547WR-F-9P-NK A2541HWR-7P-6T A2505WVA-4P-2-LCP-BK A2550H-16P A2541WVF-40P-6T A2008WV-7P A2550H-15P-A A2541WVF-10P-H70-6T A2001WV-S-3P-LCP A2550H-15P A2541WVF-5P-6T C2003HFB-4P-GWT A2547WVA-7P-G A2541WVM-6P-6T A2006HD-2x6P A2547WVA-6P-G-NK A2541WV-2x3P-6T-T A2006HD-2x8P A2547WVA-3P-G A2541WV-2x5P-6T-N8 C1301M-TP A2547WVA-2P-G A2541WV-6P-6T C2003HMC-2P A2547WVA-2P A2541WVA-2x8P-6T C4501M-TP-L A2547WVA-14P-G A2541WR-2x3P-6T-T A2012H-10P A7921HE-2P A2541WR-2x8P-6T C6201HM-3P A7921HE-1P A2541WRA-6P-6T C3030WR-2x3P-LCP A7921HD-6P-0A A2541WR-2x10P-6T-C430 A1002WR-S-8P-LCP A7921HD-5P-0F A2541WV-2P-6T-C680D330 A1257WR-S-15P-LCP A7921HD-4P-0C A2541WV-2x5P-6T-T A1257WR-S-3P-LCP A7921HD-4P-0A A2541WR-2x3P-6T-C430 A1257WV-S-2P-LCP A7921HD-2P-0G A2541WVA-2x7P-6T A1275WV-8P-G30 A2543WV-6P A2541WRB-2x6P-6T-C800D437F162 A2009WV-2x8P A2543WV-5P A2541WV-16P-6T A2001H-12P A2543WV-2P-G5 A2541WV-16P-6T A2508WV-F-9P-A A2543WV-12P A2541HWV-2x10P-6T A2508WV-F-5P-BR A2543WV-10P A2001H-4P-GWT A1502WR-S-11P-LCP A2543WRA-5P-WH A2549H-15P B2512H-16P A2543WR-8P A2549H-4P A1257H-3P C6201F-TP A2541WRA-8P-6T-C700D248-131 A2009HMA-2P C6201F-TCA-E A2541WR-8P-6T A2509SA-3P C5081WV-4P A2541WV-2x19P-6T A2008H-5P C5081M-TB-H A2541WV-2x7P-6T A2011WV-3P-6T-G C5081M-TB A2541WV-6P-6T-C670D320 A2501HWV-6P C5081HF-4P A2541WRA-2x40P-6T A2509HFA-2P C5081F-TB-H A2541WV-2x2P-6T-C420 C4201HF-N-2x2P-V0 C5081F-TB A2541WVA-2x3P-6T A2001WV-2P C5081F-TB A2541WR-2x10P-6T A2547WV-2x13P C5030WV-3x2P A2541WV-4P-6T-G15 A1251WV-S-2P-LCP C5030M-TP-D A2541WRA-8P-D-6T A2008WR-2x4P C5030ML-TB-H A2541WR-5P-6T B3961AW-8P-V0 C5030HMD-2x4P A2541WR-2x7P-6T C2521HMB-2P C5030HMD-2x1P A2541WR-12P-6T C3030HM-2x9P-A C4140HF-2P A2541WV-2x7P-6T C3030HM-2x11P C4140F-TP A2541WVA-2x7P-6T C4201HMB-2x4P-V0 C4140F-TB-LL A2541WR-2x20P-6T-C400 A2549WRB-2x6P C4140F-TB-L A2541WR-2x6P-H74-6T A2550H-5P-A2H C4140F-TB-H A2541WR-2x2P-6T C4201WRS-2x11P-IV-XT A2549WRB-2x4P A2541WV-6P-6T A7921HC-5P-84 A2549WRB-2x3P A2541WV-40P-6T B3961AW-5P A2549WR-8P A2541WV-2x6P-6T-D450 C6351WR-6P-M-V0 A2549WR-3P A2541WR-15P-6T A1002HA-5P A2549WR-2x2P A2541WV-2x3P-6T A2004H-13P A2549WR-2P A2541WV-2P-6T-C670D320 A2007WV-8P A2549WR-11P A2541WR-6P-6T A2502WR-12P A2549-TP-I A2541WR-4P-6T-C360-N3 A2547WRA-F-6P-G A2549-TP-C-H A2541WR-2x4P-6T A7921WVA-2P-0E-C A2549-TP-C A2541WV-2x4P-6T-N7 C4140HF-3P A2549-TP-A A2541WV-5P-6T C4201HFA-2x4P-V0 A2549M-TP A2541WV-2x20P-6T C4201WV-2x4P-V0 A2549HM-2P A2541WR-2x2P-6T D2541HB-3P-RD A2547WRA-F-10P-G A2541WV-10P-6T C4140HMA-2x3P-V0 A2547WRA-9P-G A2541WR-2x5P-6T C4140HM-2x2P A2547WRA-8P-G A2541WV-2x6P-6T-C1400-172 A2008WR-S-4P-LCP-BL A2547WRA-7P-G A2541WV-2x2P-6T-T A2547WRA-F-10P-G A2547WRA-6P-GA A2541WV-40P-6T-C125 A3963WVD-F-6P-N2-YL-GWT A2547WRA-5P-G A2541WR-2P-6T B2541AW-4P A2547WVA-13P-G A2541WR-F1-2P-6T C4140WV-3x4P A2547WVA-12P-G A2541WR-2x7P-6T A2511WV-3P A2547WVA-10P-G A2541WV-3P-6T-T-C112D25 A2543WVA-7P-RD A2547WV-7P A2541WRB-2x5P-6T A2547WRA-S-F-6P-G A2547WV-6P A2541WV-40P-6T A2550H-10P-CR A2547WV-5P A2541WV-11P-6T C4201M-TB-HH A2547WV-4P A2541WR-40P-6T C5030HMB-2P A2547WV-3P-9T-CRE A2541WR-16P-6T A2550H-2x5P A2547WV-3P A2541WR-2x12P-6T-C500 A2547WV-18P A2541HWV-2x10P-D38-6T C4201WRG-2x2P-NK A2547H-2x32P A2543WR-2P-2 A2547WR-2x10P-6T A2547WRA-20P-G A2543WR-2P A2547WR-2x10P-6T A2547WV-15P A2543WR-10P A2508WV-F-12P-GWT A2547HA-2x30P A2543HC-4P A2008WV-15P A2543WVA-13P-WH A2543HB-9P-WH A2508WVD-2P A2549WRB-2x8P-BK A2508WV-6P A2508WVD-5P A2547WRA-F-14P-G A2508WV-4P-H A2512WR-7P A2547WRA-S-F-12P-G A2508WV-3P-H A2508WV-2x12P-D30 C6201WV-3P-A A2508WV-3P-GWT A2006WV-S-F-2x9P A3961WR-5P A2508WV-3P A2008WR-2x18P C2521HM-4P-WH A2508WV-2P A2008WR-2x17P A2550H-7P-CR A2508WV-14P SFGDA1255HA14P02-100-01 A1251HM-8P A2508WV-13P-N2.3.5.6.8.9 A3963WV-5P-GWT-N3 A1252WV-S-F-21P A2508WV-13P-N2.3.5.6.8.9 A1501HA-12P-66-HF A2506WRA-2P-2 A2508WV-13P A2508WV-F-8P-GWT A2512WV-7P A1501WVA-S-6P A2012HMA-4P A2543WRA-10P-WH-2 A1501WRE-S-F-2x10P A2512WR-S-11P A2550H-14P C6201SG-5P A2512WR-S-10P A2550H-2P-C C6201S-6P-IV A2512WR-S-12P A3963WRD-6P-N2 C6201S-4P-IV-A A2512WV-S-10P A3963WVD-F-7P-A-GWT C6201S-4P-IV A2008WR-S-8P-LCP A2549HE-2x5P C6201S-2P-IV C3030WR-F-2x4P-LCP A3963WVD-F-4P-GWT C6201M-TP-L C3030WR-F-2x3P-LCP C4201HMA-2x4P-V0 C6201M-TP-H C3030WR-F-2x3P-LCP C2801HM-2P-GWT C6201HMA-2P D1272WV-S-F-6P A2512WR-S-5P-RD C6201HM-3P D1272WV-S-F-16P-G3 A3961H-7P-3-V0 C6201HM-1P-GWT A2541WVA-17P-6T-N3.6.9.12.15 A2547H-2x4P C6201HM-1P A2005WV-2x4P-6T A2547HN-2x15P C6201HFE-2x5P A2541WVA-2x5P-6T-N3.4.7.8 C4140HMA-2P-V0 C6201HFB-3P-NK A2541WVA-2x3P-6T-N3.4 A2550HA-3P C6201HFB-2x4P A1201H-8P A3961H-5P-V0 C6201HFB-2x1P A2005WV-2x6P-6T A1002WR-S-12P-LCP C6201HF-2x2P-GWT A1002H-8P A2008WV-3P-G A2504WR-8P A2541WVA-2x5P-6T-D600E1740 A2543WRA-6P-WH-2 A2504WR-6P A2547WV-2x13P-6T C4201HMB-2x12P A2504H-6P A3963WV-8P-GWT-N3.6 C6351HM-8P A2504H-5P A3963WV-8P-N3.6 C3030WR-2x4P A2547-GP-B A2508WV-F-14P A7921HC-3P-80 A2547-GP A1002H-2P A2549HK-N-2x5P-BK-NK A2547-GP A3502WV-4P A2550HA-9P A2547FCWV-2x8P D2541C-2P A2550HH-12P A2544WV-4P A3963WV-5P-N3 C6351HFA-3P-V0 A2544H-3P A2508WV-F-4P-YL A2550H-6P-A1 A2543WVC-F-4P-46 C4201WVD-F-2x3P-G A2550H-14P-C A2543WVA-8P-WH-G C4201WVD-F-2x5P-G A2550H-20P-A A2543WVA-5P-WH C4201WVD-F-2x1P-G A2550H-14P-CR A2543WVA-4P-WH A7921WVA-4P-84-C A2502H-3P-YL A2543WVA-3P-WH A2547HJ-10P A2550H-12P-H A2543WVA-2P-WH-G A2012WVE-S-15P A2541WV-2x5P-LK-9T-N8 A1257H-15P A2008WR-2x10P-46-D300 A2005-GP-A A1257H-14P B1251H-9P A1201H-7P A1257H-13P A7921HC-3P-82 A2012H-4P-GWT A1257H-10P A7921HC-2P-1D C4201WVA-F-2x4P-V0-KK A1257-GP-G3 A2005WV-N-2x12P-A A2549HK-2x6P A1256HD-15P C4201WVD-F-2x2P-G A3963WV-4P-GWT A1256H-6P C4201WVD-F-2x4P-G C4201HFB-2x2P A1256H-4P A2541WR-2x2P-6T A2508WV-3P-RD A1256-GP A2541WR-2x3P-6T A2501WV-12P-2 A1255WVA-S-6P A2541WV-4P-6T D2541HC-2P-RD A1255WRA-S-6P B2512H-4P A3502WV-6P A1255WRA-S-5P A2006HB-2x9P C4201HF-2x4P-B-NAT-V A1255WRA-S-4P A1502WV-S-15P-LCP A2012WVA-9P A1255WRA-S-15P A1275-TP A2549WVB-2x6P A1255WRA-S-10P A2541WV-2x3P-6T C6201WV-2x6P A1255-TP A2005HWV-2x10P-6T C2504HM-12P A1255HA-9P A2005HWV-2x12P-6T A2549WRB-2x7P A1255HA-5P A2005WR-2x12P-6T A2549WVB-9P A2006HU-2x18P A2005WR-2x8P-6T C6351WR-2P-M-V0 A2006HU-2x17P A2005WV-2x10P-6T A2549WRB-8P A2006HU-2x12P A2005WV-2x12P-6T A2549WVB-2x10P A2006HU-2x11P A2541HWR-2P-6T A2549WRI-2x10P-K-G A2006HU-2x10P A2541HWR-2x7P-6T A2502WV-10P A2006HD-2x9P A2541HWV-10P-6T A2543H-9P A2006HD-2x8P A2541HWV-2x11P-6T A2549WVB-15P A2006HD-2x7P A2541HWV-2x4P-6T A2549WVB-10P A2006HB-2x6P A2541HWV-2x5P-6T A2549WRB-5P A2005HB-N-2x8P-D A2541HWV-2x8P-6T A2549WRB-3P A2005HB-N-2x7P-D A2006HA-2x5P A2549WRB-2P A2005HB-N-2x6P-G A2541WV-2P-6T A2549WRB-10P A2005HB-N-2x5P-FI A2541HWV-S-7P-A-U-H35 A2549WVB-2x7P A2005HB-N-2x5P-E A2541HWV-S-6P-A-U-H35 A2549WRI-2x8P-K-G A2005HB-N-2x5P-B A2541HWV-S-5P-A-U-H35 A2549WRB-2x9P A2005HB-N-2x4P-E A2541WV-6P-6T A2549WVB-7P A2005HB-N-2x4P-C C3030WV-2x12P A2550H-9P-D A2005HB-N-2x3P-E C3030WR-F1-2x6P-2-H30-LCP-HCS-RE B3961CW-9P-V0 A2501WRB-6P A2547WR-5P-66 A1251WR-S-14P A2501WR-8P A2008WV-2x12P-46-D300 A2501WVC-4P A2501WR-5P-GWT A2541H-2x6P C4201HMB-2x7P-V0 A2501WR-3P-A C4201WR-2x3P-V0 A2549WRB-2x9P-BK A2008WV-5P A2541HWV-2x15P-H71-6T A3961WRB-2P A2008WV-3P C4201WV-4P-V0 C6351WR-5P-M-V0 A2008WV-2x9P-BK 625x230x165-纸箱K=K A2543WRA-8P-WH-2 A2008WV-2x6P-46-D300 A2543HMA-2x6P A2549WRB-2x5P A2008WR-S-7P A1276WV-6P-H17-C600D250 A1254H-10P A2008WR-S-2x8P B2512H-15P A2549WVB-2x8P A2008WRA-6P B2512H-10P A2547WR-12P A2008WRA-4P A2550H-4P C4140WR-2x4P-KK A1502WVA-IT-S-3P A2547HJ-8P A2508HMA-12P A1502WVA-IT-S-2P A2547WR-S-F-2P-9T A2512WVT-5P A1502-TP A1008WV-S-3P A2512WVT-4P A1502HA-7P B2512H-14P C2504HFA-3P A1502HA-4P A2005H-2x4P A2550H-11P-A A1502HA-3P A2012M-TP-L C3030HM-2x3P-GWT A1502HA-2P A1501-TP A2547HF-2x5P A1502H-9P C4201WVA-5P A1255HA-10P A1502H-8P C4201WVA-4P A2008WV-4P-G A1002-GP A2008WR-2x10P-46-D300 A2510HM-R-R A1001H-30PL B2513H-4P A2543WR-2P-L A1001H-30P B2513H-6P A2550H-12P-D A0801H-8P-2 A2005H-5P A2550M-TP-B A1255HA-4P C4201HFA-2x4P A2550HH-8P A1255HA-3P A2011WRA-2x11P A3961WVA-5P A1255HA-20P C4201WV-2x1P-V0 A3963WV-4P-G A1255H-7P A2543HFA-2x6P A3963WVD-F-3P-A-GWT-RD A1255H-6P A2541HWR-N-2x12P-6T A7921HD-4P-0C A1255H-2P C3030HFWV-2x3P C4201HF-4P-BK A1255-GP A2509HFA-2x3P C4501HF-2P-BL A1254WR-S-2P-G A2509HFA-2x4P D3961H-5P-YL A1254-TP A1257WR-S-2x10P D2541HC-3P-RD A1254HA-6P A1257WR-S-2x6P D3961WV-10P A1254H-9P A2547FCA-N-2x10P-G A2547HF-2x7P A1254H-5P A2547FCA-N-2x14P-G A1255HA-20P A1254H-4P B3961AW-6P-V0 C1581HM-2P C1301M-TP A2501WV-5P-2 A5081H-3P-2 B3952H-8P A2012WVE-S-3P A2547HG-2x10P B2512H-2P-GWT A2005WV-2x15P-6T A2008WV-10P-G B2011H-2x7P A2541HWR-3P-6T A3961WV-5P-N3 A7921WR-F-2P A2007WR-6P B2515H-3P A5081H-7P-2 C4201WR-E-2x3P A2543WRA-7P-2 A2008WR-8P C6351HF-3P-GWT A2547H-2x11P A2008WR-2x7P C6351WV-F-8P-M-V0 C4201HMC-2x4P-V0-BK A2008WR-2x5P A2541WV-5P-6T A2547HN-2x7P A2008WR-2x3P A1501WVD-S-14P-9T A2547HA-2x17P A2007H-5P A1501WVD-S-7P-9T A2547WRA-15P-G A2006WVU-F-2x8P A1501WVD-S-3P-9T A2547WRA-S-F-18P-G A2006WVU-F-2x6P A1501WVD-S-5P-9T A2550H-11P A2006WVU-F-2x4P A1501WVD-S-16P-9T A2550H-9P-A3H A2006WVU-F-2x10P A1501WVD-S-8P-9T A2550HM-12P A2006WVU-2x9P A1501WVD-S-3P-9T A2512WV-S-6P A2006WVU-2x7P A1501WVD-S-7P-9T A2547WVRB-2x3P-KK A2006WVU-2x6P A2541WV-2x8P-6T A2547HG-2x12P A2006WVU-2x15P A2541WRA-9P-6T C4140WR-2x12P-KK A2006WVU-2x11P A1002-TP A2501HMB-6P A2006WVB-2x6P A2541HWV-40P-6T A2550H-2x16P A1502-GP-A A2509HFA-2x7P A1255WR-S-F-20P-G A0801H-3P-2 A2547WV-N-S-2x11P A2549HK-2x4P A0801H-20P A2005-GP-B-G3 A2005WV-S-2x3P A0801H-16P A2541HWV-6P-6T A2547HM-10P A0801H-12P A2541WV-2x2P-6T A2549HC-2P A1502H-7P A2541WV-2x6P-6T A3961WVB-F-6P A1502H-6P D0601H-2P-LCP-BK A2547H-2x14P A1502H-10P A2012WVG-F-2x5P A2508WV-S-9P A1501-GP-B A2012WVG-F-2x7P A2550H-5P-A3H A3965-TP A2547WV-N-2x17P-6T A2550HM-10P A3963WVD-F-10P A2547WR-N-2x15P-6T D3961WR-3P-2 A3963WV-4P-N2.3 A2547WV-N-2x6P-6T A1251HM-12P A1501HE-2x11P A2547WV-N-2x12P-6T A2547HD-2x25P A1501HE-2x10P A2547WV-N-2x32P-6T C4201HMB-2x7P A1501HD-4P A2547WV-N-2x16P-6T C3030WR-F-2P-LCP A1501HD-3P A2547WV-N-2x15P-6T A2547HA-2x6P A1501HB-5P A2547WR-N-2x7P-6T A2550H-7P-A A1501HA-4P A2547WV-N-2x4P-6T C4201HFS-2x11P-BK-XT A1501HA-2P A2547WV-N-2x16P-6T A2550HD-7P A1501H-7P A2547WR-N-2x8P-6T C4201HFS-2x4P-BK-XT A1501H-4P A2547WR-N-2x20P-6T A1254H-20P A1501H-10P A2547WR-N-2x13P-6T A2543WVA-3P A2009H-2x3P A2547WV-N-2x19P-6T A2547HE-3P A2008WV-S-2x8P A2547WV-N-2x11P-6T A2549WR-6P-G-5.0 A2008H-2x2P A2547WV-N-2x8P-6T C3030WV-S-2P A2008H-2x20P A2547WR-N-2x25P-6T I25006PS-2 A2008H-2x17P A2547WR-N-2x11P-6T A2547WVRB-2x13P-KK A2008H-2x16P A2547WV-N-2x14P-6T A2549HI-2x5P A2008H-2x15P A2547WRA-N-2x13P-6T-G C4140HF-2x5P A2008H-2x13P A2547WV-N-2x14P-6T C3030WR-5P-G3 A2008H-2x12P A2547WR-N-2x6P-6T A2550HA-2x7P A2008H-2x10P A2547WR-N-2x4P-6T A2550H-2x10P A2008H-2P A2547WR-N-2x25P-6T C5030WV-3x2P-V0-BK-KK A2008-GP-A A2547WR-N-2x5P-6T C3030HM-2x8P A1276WV-N-2x5P-9T A2547WR-N-2x9P-6T A2550H-15P-CR A1276WVA-2x32P-E1020 A2547WV-N-2x4P-6T A2547WRA-4P-G A1276WV-2x10P A2547WR-N-2x17P-6T A3965WV-7P-GWT A1276HWV-5P-H46-Y A2547WV-N-2x15P-6T A2549WRB-2x5P A1276HWV-2x6P-H20 A2547WR-N-2x11P-6T A2547WVB-2P-KK A1276HE-2x5P A2547WV-N-2x13P-6T A2009WVA-S-F-2x2P A1276HE-2x4P A2547WV-N-2x5P-6T-T A2501WVR-7P-2 A1276-GP-G10 A2547WV-N-2x20P-6T-T A3965WV-5P-GWT A1276-GP A2547WV-N-2x5P-6T C3030WRA-2x2P A1275-TP A2547WV-N-2x20P-6T A2550H-2x14P A1275-GP-GT A2547WV-N-2x18P-6T A2547WVA-7P-NK A1259H-8P A2547WR-N-2x3P-6T A3963WVD-F-6P-N2-GWT A2005HB-N-2x3P-C C1581HFC-3x4P C6351HF-3x3P-V0 A2005HB-N-2x3P-B A2541HWV-4P-6T C4140HMA-2x2P-V0 A2005HB-N-2x2P-C A1275-GP C4201WR-F-2x7P-V0 A2005HB-N-2x17P-FI C3030WVA-2x4P-3-9T A2547H-2x3P A2005HB-N-2x15P-D A2541WV-2x6P-6T-C1311 A2549WV-2x3P A2012SA-4P C4201HF-2x3P C6351HM-5P A2012SA-3P A2509HMA-2P A2547H-2x12P A2012SA-2P A2508WV-2P-YL A2008WR-4P-IV A2012HE-15P A2508-TPS-A A2501WV-S-2P A2012HE-12P A3963WVD-FT-7P A2511WR-3P A2012HD-2x8P A1257WR-S-8P A2543WR-8P A2012HA-4P C2504HFA-8P A2549WV-10P A2012HA-3P A3963WR-4P A2550HA-8P A2012HA-2P A2010DS-15P A3961WR-4P-B A2012H-8P A2010HA-3P A3965WV-5P-A-GWT A1257WV-S-2x10P A2010HC-3P C1581M-TBS C1581HMB-3x3P A1257H-5P-RD C4140HM-1P-V0 C5030HFD-2x1P A2541HWV-2x6P-6T A2547HF-2x5P C4140HF-2x3P A1257WR-S-2x13P A2547H-2x30P C1301HM-2x3P A1501WRB-S-10P A2550H-2x9P A2549HD-6P A1501HB-10P C4201HFA-2x4P A2547WRA-F2-16P-G A2001WV-S-2P-9T-BK C4140HMA-2P A2541H-N-2x13P A2001WV-S-2P-9T-RD C4201HMB-2x8P A2502-TP A2001WV-S-2P-9T-BL A2547WVA-14P-G A2508WV-5P-YL A7501HFA-5P A2549HL-2x5P A3501HE-2x4P A2547WR-N-2x5P-6T A1201H-8P A2009H-2x8P A2547WR-N-2x25P-6T A1255H-5P A2010WRC-S-8P A2547WV-N-2x8P-6T A2008HB-4P-BK A2012H-6P A2547WV-N-2x3P-6T A2547WVA-13P-G A2006WR-2x15P-IV A2547WV-N-2x7P-6T A2550H-17P-CR A2006-TP-U A2547WV-N-2x20P-6T A3502WV-8P A2006-TP-L A2547WR-N-2x6P-6T A3963WV-8P-N3.5.7 A2006-TP-D A2547WV-N-2x5P-6T-T A3963WVD-F-4P-H-N3 A2006-TP-D A2549WRB-12P C3030WR-2x12P-LCP-NK A2006HU-2x9P A2008WR-2x2P-46-D300 C4201HFA-2x8P A2006HU-2x7P A2006WV-2x20P-9T D2541H-6P-BL A2006HU-2x5P A2006WV-2x15P-9T D2541WV-F-10P A2007WVD-3P C4201WV-2x3P-GWT D2541C-2P A2007WRD-5P A2002WR-3P A2008WR-S-14P A2007WR-3P C1581M-TP-A A3963WVD-F-9P A2007H-6P A3963WV-4P-GWT-N2 C4140HF-2x4P-V2 A2006HA-2x9P A2012H-12P A2549HD-3P A2006HA-2x7P A2508WV-PIN-G5 A2550H-24P-CR A2006H-2x5P A2541WVA-2x5P-6T-E4000 C4201WR-2x2P-V0 A2006H-2x3P A2541WVA-2x3P-6T-E4000 C6351HF-1P-V0 A1502-GP A2005WV-S-F-2x10P-C025D200 A2550H-2x8P A1501WVA-S-4P A2541WVA-2x3P-6T-C900D400E4000 A2012WVA-F-9P A1501WVA-S-2P A2541WVA-2x4P-6T-C900D400E4000 A2550H-7P-C A1501WVA-S-2P A2541WVA-2x4P-6T-E4000 A2550HD-9P-KK A1501WV-5P-WH A2541WVA-2x5P-6T-C900D400E4000 A2547HN-2x17P A1002WRB-S-9P A2005WV-2x12P-6T-C660 A2547HG-2x4P A1002WRB-S-8P A2541WVA-2x3P-6T-C900D400E4000 A2547H-2x16P A1002WRB-S-5P A2541WVA-2x4P-6T-C900D400E4000 A1502HA-8P A1501WRA-S-4P A2541WVA-2x5P-6T-C900D400E4000 A2550H-4P-M A1201H-6P C6201WV-PIN A2509HM-4P A1254HA-4P A1276WV-S-2x6P C3030HF-12P A1501HA-6P A2547WR-N-2x10P-6T A2509HM-2P A1254H-20P A2541WV-5P-6T A2509HA-6P D2541WV-F-5P A2504WR-6P C3030HFB-2x3P-A C6351WV-4P-M-V0 A2508HD-14P C3030HF-2x7P-HJ C6351HFA-3P A2501HWV-7P A2547HN-2x12P C6201HF-3P A2541WV-9P-6T C3030WR-7P-LCP C5030HMB-3P A2501WV-S-7P A2012WVA-F-7P C4201WVG-F-2x2P A1502WV-S-3P A1002WV-S-20P A2005HWR-S-2x8P A2001HA-10P A2509HA-12P A2005H-N-2x5P-B A1276HWV-S-2x6P A2549HK-7P A2005H-N-2x4P-B A1257HD-2P-PBT A2549HC-7P A2005H-N-2x12P-B A1257HD-4P-PBT A2549HC-10P A2005HC-2x5P A1257HP-4P-PBT A2550H-18P-A A2012WR-S-6P-LCP-G A1257HP-5P-PBT A2550H-6P-G A2012WR-S-6P A1257HD-2P-PBT A2550H-6P-C A2012WR-S-6P A1257HD-4P-PBT A2550HM-15P A2012WR-S-4P A1257HD-5P-PBT C2504HM-2P A2012WR-S-3P A1257HP-4P-PBT A2547HN-2x13P A2012WR-S-2P A1257HP-5P-PBT A2547HF-2x10P A2006-GP XC-KZ33A-180MM C6351WRA-F-2P-F-V0 A2005WV-S-F1-2x4P-H15 A2001HA-8P A2550H-4P-A1 A2501WV-5P A2001WV-9P A2550H-6P-A2 A2501WV-4P A4001HG-2P-C1 A2550H-8P-C A2501WV-3P-RD A2512WV-S-14P C4201HF-2x1P-GWT-CJT A2501WV-3P-GWT A3501SA-8P-NAT A2501WR-3P-RD A2501HMB-11P A4001WVI-4P C3030WR-2x3P-G3-LCP A2010DS-7P A2009HMA-4P-BK A2005WV-S-2x2P A2010DS-6P A3965S-7P C3030WR-2x10P A2010DS-2P A3965S-6P A1002HA-3P A2010DS-14P A1252WV-S-F-9P-G A2005HWV-S-F-2x2P A2009WV-2x6P A1252WV-S-F-14P-G A2008S-9P A2009WV-2x5P A2502H-15P C4201HFA-2x9P A2009WV-2x2P A2508WR-S-4P-F A2508WV-F-6P-H A2009WV-2x12P A2006WVU-S-2x6P A2511WR-2P-2 A1002WRB-S-3P C4201WR-2x4P C2504HMA-3P A2005HB-N-2x11P-D A2508WR-F-3P-A A3963WV-3P-GWT A2005HB-N-2x10P-D C4140WV-3P-GWT A2550HM-9P A2005HA-PR A2508H-3P-BL A2547HA-2x17P A2005HA-2x8P-66 A1008WV-S-8P C4201HF-2x7P-V0 A2005HA-2x7P-66 B1271HWV-S-F-2x40P A2541H-N-10P A2005HA-2x6P-66 B2011H-7P A3964H-3P-B A2005HA-2x5P-66 A1201H-4P A7921HC-2P-0B A2005HA-2x3P-66 C4201HVA-2x4P C2504HMA-5P A2005HA-2x25P-A B2011H-14P A2547H-2x6P A2005HA-2x12P-A A2010HD-9P C4201WRG-F-2x4P-A-D22-RE A2005HA-2x10P-66 A1276WV-2P A4001SMD-S-1P A2005-GP A1276WV-3P A2547HG-2x12P A2004WV-5P A2541HWV-2x3P-6T A2008WR-S-14P-LCP A2004WR-3P A2541HWV-12P-6T C3030HM-2x12P A1002WRB-S-14P A2541HWR-2x5P-6T A2509HM-6P A2547HA-7P A2541HWV-2x4P-6T A2010HA-10P A2547HA-6P A2541HWV-2x12P-6T C2504HFA-10P A2547HA-5P A2541HWV-2x3P-6T C4201HF-3P-A-V0-V A2547HA-3P A2541HWV-2x5P-6T A2547HA-2x20P A2547HA-2x8P A2541HWV-4P-6T C4201HF-2x8P-V0-V A2547HA-2x7P A2541HWV-6P-6T A3963WVD-F-10P A2547HA-2x17P A2541HWV-7P-6T C4140HMA-3P-V0 A2509WRA-S-2x4P A2541HWV-12P-6T A2547HA-2x12P A2509WRA-F-6P A2541HWV-2x6P-6T A2547WVA-9P-G-NK A2509WRA-F-2x7P A2541HWR-2x4P-6T A2547WVA-F-8P-G A2509WRA-F-2x6P A2541HWV-2x8P-6T A2550HA-5P A2509WRA-F-2x4P A2541HWV-4P-6T A2550HA-4P A2509WRA-F-2x3P A2541HWV-10P-6T A3965H-10P A2509WR-8P A2541HWV-6P-6T-H-L12 A3963WVD-F-5P-A-GWT-BL A2509-TP-B-L A2541HWR-8P-6T C4140HF-2x6P A2509-TP-B A2541HWV-12P-6T A1255WVA-S-6P A2509-TP-A A2541WV-2P-6T A2012WVA-10P A2509-TCA-B A2541WV-4P-6T C4140WR-2x3P-KK A2012WR-S-12P-LCP-G A2541WR-2x3P-6T A2550H-3P-H A2012WRA-F-8P A2541WV-2x5P-6T C4201HFS-2x8P A2012WRA-F-7P A2541WV-2x5P-6T C4201HFS-2x2P A2012WRA-F-5P A2541WV-2x8P-6T A1256H-6P A2012WRA-F-3P A2541WV-5P-6T A2547H-4P-2 A2012WRA-F-2P A2541WR-2x6P-6T C2504HMC-4P-BK A2005WR-S-2x2P-RE A2541WR-4P-6T C4201F-TB A2005WR-N-2x7P-B A2541WR-8P-6T C4201WV-2x8P-V0 A2005WR-N-2x3P-A A2541WV-2x10P-6T C4201HF-2x9P-V0 A2005WR-N-2x2P-A A2541WV-2x13P-6T C4201WVA-F-2x3P-V0-KK A2005WR-N-2x15P-A A2541WV-2x15P-6T A2543HB-8P-WH A2005WR-N-2x12P-B A2541WV-2x19P-6T A2547HD-2x30P A2009WR-2x8P A2541WV-2x20P-6T C4140HF-3P-V0 A2009WR-2x7P A2541WV-2x2P-6T A2512WVT-3P A2009WR-2x2P A2541WR-2x2P-6T A2512WVT-2P A2009HMA-4P A2541WR-10P-6T A2549HK-3P A2009HMA-3P A2541WR-2P-6T A2549HA-6P A2009HMA-2x4P A2541WR-2x10P-6T A2006H-2x14P A2009HMA-2P A2541WR-2x7P-6T C4201HFC-2x1P-YL A2008H-2x3P A2541WR-40P-6T C4201HFC-2x1P-OR A2012WV-S-8P A2541WV-2x2P-6T C4201HFC-2x1P-BK A2012WV-S-7P A2541WV-2x20P-6T C4140HF-2x9P A2012WV-S-6P A2541WV-2x7P-6T A2501HMB-10P A2012WV-S-5P A2541WR-16P-6T A2547H-10P-2 A2012WV-S-4P A2541WR-5P-6T A2547H-8P-2 A2012WV-S-3P A2541WR-5P-6T A2550H-2P-G A2012WV-S-2P A2541WR-10P-6T A2550H-6P-D A2012WV-S-10P A2541WV-40P-6T B2514H-3P A2012WV-F-2x11P-GF A2541WR-15P-6T C6351HF-5P-GWT A1002WRA-S-4P A2541WR-30P-6T C3030HMB-2x11P A1002-TP A2541WR-2x9P-6T C6351HM-5P-GWT A1002HP-9P A2541WR-2x8P-6T A3963WVD-F-5P-A-GWT-YL A1002HB-8P A2541WV-10P-6T A2550HM-7P A1002HB-4P A2541WR-2x5P-6T A2010HA-12P A1002HB-14P A2541WV-3P-6T A2549HK-4P A1002HB-12P A2541WV-2x8P-6T A2549WR-11P A1002HA-3P A2541WR-12P-6T A3963WVD-F-3P-A-GWT-BL A2001HM-4P A2541WV-2x12P-6T D3961WV-7P A3961H-4P-V0 A2541WR-2x5P-6T D3961WV-12P A2509WVA-F-4P A2541WR-6P-6T C3030HF-2x1P-O A2509WVA-F-2x5P A2541WRA-4P-6T A2547HA-2x4P A2509WVA-F-2x4P A2541WV-6P-6T-GT15-C813D305-CRE A2508WR-F-2P-RD A2509WV-8P A2012WVA-F-4P-YL C4201HM-2x1P-V0 A2509WV-5P-RD A2541HWV-4P-U-6T A2547WVRB-2x9P-KK A2509WV-4P A2547WRB-2x4P A2005HC-2x5P A2509WV-3P A2508WV-6P-GN A2547H-5P-3 A3963H-2P A2005WV-4P-6T A2549HK-8P A3963H-11P C3030HF-2x3P-GWT-WH A2550H-5P-I A3963H-10P A2005WV-5P-6T C6351HF-3P-GWT A3961WVB-F-7P-N6 A2005WV-5P-6T D2541WV-5P A3961WVB-F-6P A2541HWV-3P-6T C3030HMC-2x1P A3961WVB-3P-A A2541HWV-3P-6T C4140WR-2x5P A3961WVB-2P A2541HWV-6P-6T C3030HF-9P A3961WVB-10P A2541HWV-5P-6T C4140HF-2x5P-V2 A3961WVA-4P A2541HWV-5P-6T A2550H-10P-M1 A3961WVA-2P A3501SA-2P-NAT A2550H-15P-I A3961WV-8P A3963WVD-FT-3P A2550H-6P-A2H A2005-TP A3963WVD-FT-2P C2504HMA-2P A2005HWV-S-2x3P C3030HMA-2x12P C3030HM-2P-GWT A2005HWV-S-2x2P A2001WV-S-4P-LCP-BK A2549HD-2x3P A2012WVA-F-10P A1502WV-8P C4201HF-2x10P-V0 A2012WVA-9P-H A2502H-4P C3030HM-2x5P A2012WVA-9P A2012WRE-S-3P-A C4201HMA-2x3P-V0 A2012WVA-8P A3963WR-5P A1502HA-13P A2012WVA-7P B2513H-5P C3030HMA-2x7P A2012WVA-7P A2549WRI-2x12P-BK-G A2550HA-7P A2012WVA-6P-H PCIE-1001WRB-F-64P-D31 A3961H-4P-3-V0 A2012WVA-6P A1501HA-5P A3963WR-3P-A-GWT A2012WVA-6P A2011WV-9P-6T-G C6351HM-1P-V0 A2012WVA-5P D0801WR-S-11P-LCP-G A2547WVRB-2x16P-KK A2012WVA-15P A2008WVA-7P A1502HA-16P A2012WVA-F-9P A2541H-2x5P-N10 C3030HM-6P A2012WVA-F-8P A2541WRA-2P-6T A2508WV-5P-RD A2012WVA-F-5P-H A2012WR-F-2x12P-GF A2012H-6P-BL A2012WVA-F-4P A1254WR-S-11P-G A2550H-4P-C A2012WVA-F-14P B3952H-6P A5001WVA-2P-GWT A2012WVA-F-12P C2504WV-10P A2012WVA-F-3P-BL A2009HFA-4P A2008H-2x19P A1251HM-7P A2009HFA-3P D3961HA-2P-YL A3963H-2P-BL A2009HFA-2x4P A1501HA-2x13P C2521HF-2P-YL A2009HFA-2x3P A3501HM-2P A2550H-5P-H A2009HFA-2P A2508WRA-2x4P-P-LCP-D22 A7921WVA-7P-0C-C1-A A2009H-2x9P A2008WR-S-10P-LCP A2550H-2P-M A2009H-2x5P A2550HD-9P C3030WV-2x2P-9T-G A2009H-2x5P A2008WV-S-2x14P-LCP A2550HA-2x8P A2010HD-10P A2547WV-N-2x10P-6T A3963WV-4P-GWT A2008H-2x8P-A A2005WV-6P-6T A2501WVC-5P A2008H-2x8P A2509WV-F-2P A2008S-11P A2001HM-2P A2550H-13P-H A2012WVA-F-7P-RD A2001H-5P-GWT C3030WV-2x2P-2-LCP-HCS-CRE A2508WV-F-7P-N2.3 A2001H-4P-GWT A1275WR-20P-G30 A1254WR-S-14P-G A2001-GP C4201WVA-2x12P A2547H-3P-3 A1201-GP-G C4201WVA-2x8P A2547WR-S-F-16P-T-NK A1201-GP D0801WR-S-7P-LCP-G A3501HA-2P-GY A1008WV-S-2x8P A1252WV-S-F-4P-G A2012WVA-3P A1008WV-S-2x20P A2547FCA-N-2x15P-G A3961H-3P-V0 A1008WV-S-2x15P A2547FCA-N-2x13P-G A2508WV-3P-A-RD A1008WV-S-2x10P A2005WV-2x20P-6T A2008S-6P A1008WR-S-2x10P A2547WV-N-2x12P-6T A2502H-14P A1008-TP B3202-TP A2541H-1P-RD A1008H-2x8P C4201HF-2x10P-V0 D3961WR-2P A1008H-2x10P A2008S-11P A2508H-4P-GWT A1006WR-S-8P A2541WV-S-3P-A-D100E528 A2550H-2P-A1 A1006WR-S-6P A2008H-9P C6351HFI-3x3P A1006-TP A2501WVR-8P A2008S-2P A1006H-14P A1502HA-9P A2008S-3P A2508H-9P A2012H-4P C6351F-GB A2508H-8P A2508WV-2P-YL A2010WV-3P-6T A2508H-7P A2541WV-2x10P-6T C4201WR-2x5P A2508H-6P-GWT A2541WV-2x10P-6T A2550HDM-TP A2508H-6P A2005WV-2x5P-6T A2012WVA-2P-H A2508H-4P-GWT A2005WV-2x5P-6T A2008S-7P A2508H-3P A2005WV-4P-6T A5082-GB A2508H-15P A2005WV-4P-6T A2012H-2P-BK A2508H-12P A2541WV-4P-6T A2541WV-6P-LK-9T-C670D320 A2547HA-2x12P A1276WRA-2x3P-H20 A2547HB-3P A2547HA-17P A1276WVA-S-2x25P C3962HFB-2x2P A2547HA-14P A7501AF-TCA-H A2361H-1P A2547H-9P A2010WR-6P C1581HMB-2x2P-CJT A2547H-8P-2 A3961WRB-4P C3962HFA-2x2P-RD A2547H-8P A2001HM-16P A2008HB-9P A2547H-7P-2 A1502HA-6P C4140M-TB-H A2547H-7P A2541HWV-2x7P-H-6T A2541WV-2x5P-LK-9T-N10 A2547H-6P-2 B2513H-12P A2550M-TP-G A2547H-6P A2008WRA-13P A2508WV-5P-YL A2012WVA-12P-H A2541WR-2x40P-6T C3030WV-2x4P-9T-G A2012WVA-11P XC-KZ33A-110MM A2512WV-2P-6T A2012WV-6P-LCP XC-KZ33A-250MM C3030HMB-2x3P A2012WR-S-8P A2547HJ-2x13P A2501H-3P-BL A2008H-7P C2003WVB-F-4P-9T A2550-GP-GT-2 A2008H-6P A2001H-16P A2549-GP-C-H A2008H-4P-GWT C5030HFD-2x1P-GWT A2005-GP-L A2008H-4P D1272H-24P A2549-GP-C-L A2008H-4P A2549WVI-S-2x16P A2547-TPE A2501WV-S-3P C3030WR-2x12P A2005-GP-L A2501WV-S-2P A1002WVP-S-14P C3962M-TB-H A2501WVR-9P A2541WV-2x4P-6T C3962M-TB A2501WVR-7P A2512HB-5P C6351S-3x3P A2501WVR-5P-2 A2508-GP-A C3030WV-2x4P A2008H-2x7P A3961H-10P C3962F-TP-H A2008H-2x6P A2547WR-N-2x7P-6T C6351HFI-3P A2008H-2x5P A1257WV-S-2x6P-9T A2547WRA-9P-G A2008H-2x4P-GWT A2550H-7P-A2 A2008S-12P A2008H-2x9P A2005HWV-S-2x8P-H20-R A2501H-2P-RD A2501WV-8P A2005HWV-S-2x7P-H20-R C6351S-3P A2501WV-6P A2005HWV-S-2x4P-H20-R C3962F-TP A2010HC-7P A2541WV-2x10P-6T A2550-GP-J-TG A2010HC-4P A2005HWR-3P-6T A3961WVB-3P-A A2010HC-10P A2547FD-2x6P A2508WV-3P-GWT A2010HA-4P A2005WV-22P-6T A2512WR-S-4P-RD A2010HA-2P A1276HWR-S-F-11P-H57-Y A2550H-5P-CR A2010HA-10P A2005WV-11P-6T A2501WVC-3P A2010H-9P A2541WRA-2P-6T A2501WVC-2P A2010H-7P A2541WVA-S-F-2x4P-C600D100F700 A3965WV-3P-A-GWT A2010H-6P A2005HWV-S-2x2P A2508WV-6P-GN A2010H-5P A2005WR-2x5P-C25D10E40-6T A1201HA-5P-HF-BK A1004H-30P A2005WR-5P-6T A2508WV-5P-A-RD A1004H-20P A2005WV-N-2x13P-6T C4201HMA-2x1P-V0 A2001WV-S-9P-LCP A2541HWV-2x5P-U-6T A2501HMB-8P A2001WV-S-2P-LCP A2541WV-S-F-2x3P-C1067D095 A2001WV-6P-RD A2001WVR-4P A2005WV-S-2x7P C4201WR-F-2x2P-V0 A2001WV-F-6P-H A2005WV-22P-6T A2550H-3P A2001WV-8P A2005WV-N-2x13P-6T A2550H-5P-A2 A2001WV-8P A2005HWV-S-2x2P A2505H-2P-YL A2001WV-6P A2547FC-N-2x5P A1502-GP-A A2001WV-4P A2541WV-S-2x20P A2001WR-6P-RD A2001WV-2P-3 A1276HWR-S-F-11P-H57-Y A2012H-10P-RD A2001WV-2P A2547WV-N-2x5P-LK-9T-N10 A2508WV-F-7P-H A2001WV-12P A2547WV-N-2x5P-LK-9T-N8 A2547WRA-6P-G A2001WV-11P A1251HM-6P A2547HJ-2x32P A2001WV-10P A2547HM-18P A2001WR-S-6P-LCP A2001WR-S-6P C4201WR-2x9P A2509WV-12P A1004-GP A2547WV-N-2x5P-6T A2006-TP A1002WV-S-F-2x15P A2541WV-6P-6T A1501-TP-H A2509SA-7P A2547WV-N-2x5P-6T A2012WRA-F-10P A2509SA-3P A2541WV-6P-6T A2508H-3P-YL A2509SA-2P B2011H-8P A2012WV-S-4P A2509HMA-4P C4201HF-3P-CJT A2550H-3P-A1 A2509HM-5P C6201WVB-F1-2x1P A2550H-4P-D A2509HM-4P A2547WR-2x7P-6T A2547H-5P-2 A3961WRA-2P A2001-TP-H C6351HF-3P A3961WR-3P A1276WVK-S-2x7P A2547WVA-6P-G-NK A3961WR-2P-RD A1253WV-9P A1501WV-S-9P-LCP A3961WR-2P A2008WRA-8P A2508H-6P-YL A3961H-9P-3-V0 C6351HF-3P A5001HA-3P-GWT A3961H-8P A3963WVD-6P C6201HM-2x6P A3961H-7P-3-V0 A1276WV-2P-C250D250 C6201HFA-2x3P A3961H-7P A2543WR-12P A2508WR-F-5P A3961H-6P A1276WV-S-2x7P A2547WV-7P A3961H-5P-V0 A2541WVR-2x40P-6T-OR-KK A2547WR-13P A3961H-5P-3-V0 A2005HWV-2x9P-6T C3030HFB-2x3P A2501WVR-5P C4201WVA-2x1P-GWT-BK A3963H-10P A2501WVR-12P A1008WR-S-2x8P-G30 A2547HA-6P A2501WV-F-5P A1501WR-S-8P-LCP A2505WV-2P A2501WV-F-4P-H A2550HK-10P A2543WRA-2P-WH A2501WV-F-2P-H C6351HM-3P-GWT C6351HM-4P A2501WVC-5P A2012WRA-8P A3965-TB A2008HM-2x5P A2005WR-N-2x10P-B A3963H-2P-GWT A2008HB-8P A2508HMA-5P A2501M-TB A2008HB-7P C4140HF-3P A2012WVA-7P A2008HB-6P A1276HWV-2x15P A2012WRA-F-5P-BK A2008HB-5P-BL A1276HWV-S-2x15P A2010WRC-S-9P A2008HB-4P B0802HM-S-F-2x60P A2010-TP A2008HB-2P B0802HF-S-F-2x60P A3963WV-3P-A A2008HB-10P A2541WR-2x8P-6T-C400 A2547H-2x15P A2008HA-8P A2012WVA-F-5P C6201WV-2P-RD A2008HA-7P A2005WV-2x12P-6T A2012WR-S-8P-LCP A2010H-4P A0501WR-S-51P C4140WR-2x4P A2010H-2P A2541WRA-5P-6T A2547HE-2P A2010-GP-H-G4 B1251H-9P C6201HM-2x3P A2010DS-9P D1275HMWV-S-6P-9T C6201HF-2x6P A2010DS-8P A2508WV-2x18P-D30 C4201HMA-2x2P A2006HB-2x3P A2508WV-2x20P-D30 A2005HB-N-2x12P-D A2501WR-2P-LK A2503H-3P C6351HF-1P A2501WR-11P A2549WRI-2x10P-K-G A7921HC-2P-0G A2501WR-10P A1501HA-14P A7921HC-2P-0L A2501-TP-A A1501-GP-A A2508WR-F-4P-RD A2501-TP C4201HF-6P A3964H-6P A2501M-TP A2008HB-11P A3965WV-4P-GWT A2501HWV-6P A2010DS-10P C4201HMA-3P-V0 A2501HWR-10P D2541H-4P-RD C6351HF-3x3P A2501HMB-9P C6201HF-4P A3502WR-3P A2501HMB-8P C4201WR-F-2x1P C4201WR-F-4P A2501HMB-7P C4201WR-2x1P A2008WR-S-2P-LCP A1002WV-S-2x20P-G C4201HF-5P A1251WV-5P-46 A1002WV-S-2x15P-G C3030WR-7P A2011HA-2x11P A1002WVB-S-7P C3030HMA-5P A2508H-11P A1002WVB-S-6P C2521HF-6P-WH A2547HG-3P A1002WVB-S-4P C2521HF-5P-WH A2550H-12P A1002WVB-S-2P C2020HF-2P A2550H-8P-H A1002WVA-S-2x6P C2003MB-TP-L C3030WV-2x3P-2 A1002WR-S-10P C2003FB-TP-L C4140HM-2P-V0 A2001WR-5P C1301HF-3P C4201HM-2x2P-A1-V0 A2001WR-4P B2012H-14P A1502WVB-S-4P A2001WR-3P B2012H-11P C3030WV-2x5P A2001WR-2P B2011H-10P A2012WR-S-3P-LCP A2001WR-2P B1502H-11P A2508WV-8P-BL A2001WR-12P B1501H-8P A3502H-2P-PBT A2001WR-11P B1501H-7P A2508H-10P A2001WR-10P B1501H-5P C4201WR-F-2x6P A2505WV-4P B1251H-15P C5030HMC-4P A2505WV-3P B1251H-14P C4201HM-2x4P A2505WV-2P B1251H-12P C4201HMB-2x2P-V0 A2505WR-5P B1251H-10P A2505WR-6P A2505WR-2P-LCP A3963WV-3P-A A2547HM-12P A2505WR-2P-6T A3963H-2P-RD C1581HFB-5P A2547H-2x7P A3961H-17P C4140HM-3x3P A2547H-2x5P A3961H-12P-3-V0 C6201HF-3P-GWT A3961H-4P-3-V0 A3502H-7P C4201HM-2x6P-V0 A3961H-4P A2549H-2x9P A2547HJ-2x20P A3961H-3P-V0 A2549H-2x12P C4201WR-F-2x9P A2508HA-4P A2549-GP-B C6201HF-2P-GWT A2508HA-3P A2547WV-20P A2547H-5P A2508HA-2x4P A2547WR-20P A3961WVB-4P A2508HA-2x3P A2547WR-18P C6201HM-3P-GWT A2508HA-2x2P A2547WR-11P A2010H-5P A2008HA-6P A2547HM-15P A2547HA-2x8P A2008HA-14P A2547HJ-3P A2501WR-S-4P-LCP A2008HA-12P A2547HJ-2P A2001WV-S-7P-LCP A2006WRU-F-2x6P A2547H-4P-3 A2012WVA-12P-H A2006WRU-F-2x5P A2547H-2P-3 C6201HM-2x4P A2006WRU-F-2x4P A2547H-13P C6351HM-3x5P A2006WRD-2x9P A2543WVA-7P-WH A2547H-2x10P A2006WRD-2x8P A2543HA-9P-WH A2012WVA-F-13P A2006WRD-2x7P A2543HA-8P-WH C3030HMA-4P A2006WRD-2x6P A2543HA-7P-WH A2547HA-14P A2006WRD-2x11P A2512HF-4P A2001WR-S-3P-LCP A2006WRD-2x10P A2512H-4P A2012WV-9P-LCP A2006WRB-2x6P A2508WV-9P A3963WVD-F-5P-A A2006WRB-2x4P A2508WV-13P A2547HM-8P A2006WRB-2x3P A2508WV-12P A1502WVA-IT-S-2P A2006WRB-2x15P A2508WR-F-9P A2549H-4P A2006WRB-2x10P A2508WR-F-13P A2508WV-F-11P A2501HMB-2P A2508WR-12P C6201WV-2P A2501HMB-15P A2508H-9P C4201HFB-2x3P A2501HMB-14P A2508H-15P A2547WV-2P-RD A2011WRA-2x10P A2505WR-12P A2547WVA-8P-G-NK A2011WR-2P-G A2502WV-10P A5082H-2P A2011-TP A2502H-12P A2012WVA-F-10P A2011HM-5P A2012WVA-F-5P A2508WV-F-10P-H A2011HM-3P A2012WVA-F-10P A2508WV-5P-A-BK A2011HA-2x5P A2012WVA-9P A3963WV-3P-A-BK A2011HA-2x4P A2012WVA-5P A2508SA-3P A2011HA-2x11P A2012WVA-15P C6351HM-2P A2011H-9P A2012WVA-12P A1502HA-8P A2011H-8P A2012WVA-10P C6201WV-3P A2011H-6P A2012WR-S-6P A3502H-4P A2011H-5P A2012WRA-F-10P A2550H-4P-A2 A2011H-4P A2010WV-9P A2005HB-N-2x6P-FI A2011H-3P A2010WV-2P A5001WRA-4P A2001-TP A2010WV-12P A2550HK-6P A2001M-TP A2010WV-10P A1257WV-S-6P-LCP A2001HM-8P A2010WR-8P A2547WVRB-2x6P-KK A2001HM-6P A2010WR-4P A3963WR-3P A1251HM-8P A2008WV-12P A2550H-5P-A1 A1251HM-5P A2008WR-2x10P-RD-D14 C3030HFB-2x5P A1251HM-14P A2008WR-2x10P-D14 A2508H-12P A1251HM-12P A2008HA-11P A2005HB-N-2x8P-D A1251HM-10P A2007WR-2P A2508H-3P A1201WR-S-4P A2007H-14P C5030F-TB-H A1201WR-S-2P-46 A2006HB-2x6P A2547HM-4P A1201WR-S-2P A2005HB-N-2x6P-B C3030HF-2x5P A1201WRA-S-5P A2005HB-N-2x2P-B A2010H-6P A1201HG-3P A2005H-3P A3961H-5P A1201HD-3P A2001WV-7P A1002WV-S-10P-LCP A1201HA-2P A2001WR-S-6P A3964H-3P A1201H-8P A2001WR-8P C4201WR-F-2x5P A2547H-5P-2 A2001WR-7P A3963HM-4P A2547H-5P A2001WR-5P A2012WRA-F-4P A2547H-4P-2 A2001WR-3P C4140HF-2x3P A2547H-4P A2001WR-10P A1251WV-6P-46 A2547H-2x8P A2001H-2P A2508H-5P-RD A2509HM-2P A1502WVA-IT-S-6P A2550H-7P-H A2509HFA-6P A1502WVA-IT-S-4P A2508H-2P-BK A2509HFA-2x5P A1501WV-S-2P C4201WV-2x2P A2509HFA-2x2P A1257WR-S-7P A5001WVA-4P A2509HFA-2P-NAT A1254HA-4P A3963H-3P-BK A2509HFA-2P A1006H-5P A3961WV-4P-V0-N1.3 A2547HE-16P C3030WV-2P C6351HM-3x2P-V0 A2547HD-2P C3030HF-5P A2547WVRB-2x8P-KK A2547HB-3P A3963H-6P-GWT C5030HMB-2x2P A2547HA-9P C6351S-3P A2505WR-10P A2006WRA-2x5P C6351HFI-3P C6351HFA-3x4P A2008S-12P C6351HF-5P C4140HF-2P-GWT A2008S-10P C4140HMA-3x3P A1501WR-S-5P-LCP A2008HM-6P C3030HFB-2x2P A2012WRA-F-5P A2008HM-4P A3965H-8P A2550H-2P-A4 A2008HM-2x8P A3963H-5P-GWT A2012WVA-F-4P-BL A2006WVB-2x2P A2547HA-8P C6201HF-2x2P A2006WVB-2x10P A2508SA-6P A2005HB-N-2x4P-FI A2006WV-2x4P-LCP A2508HMA-5P A2508HA-4P A2006WV-2x4P-IV A1502HA-6P A3961H-8P A2011H-2P A1502HA-2P A3963H-9P A2011H-10P C4201HFC-2x1P B1251H-10P A2011-GP C3030HM-3P C4201HF-2x1P A2010WVC-S-6P C2003HM-8P C5030HFD-2x4P A2010WVC-S-2P C2003HM-7P A2547WVA-2P-G-NK A2010WVC-S-2P C2003HF-7P A3963WV-8P A2010WVA-F-4P C2003HF-6P C5030HFD-2x2P A2010WV-9P A3965H-7P A1251WV-15P-46 A2010WV-8P A3965H-6P A2505WR-3P A2010WV-5P A1502HA-9P A2508H-2P A2010WV-4P A1502HA-7P A2508WV-6P-H A2010WV-2P A1502H-9P A2549H-2x8P A2010WRC-S-6P C2003HM-4P A2547WVE-10P-G A2010WRC-S-5P A3963HA-6P A2550H-17P A2010WRC-S-4P A3963HA-5P A2550H-8P-CR A2010WRC-S-2P C3030HMA-6P C4201HF-2x7P A2010WRC-S-13P C2003HM-3P C5030HF-3P A2010WRC-S-11P C2003HF-4P C4201HMB-2x4P A1201H-4P C2003HF-3P A2010WVC-S-4P A1201H-3P C2003HF-2P A2508WV-10P-BL A2004WR-2P B1251H-7P A3961H-9P-3-V0 A2004H-8P A3963HA-9P A3502WR-4P A2004H-7P A2010H-7P C3030F-GP-A-L A2004H-6P A2008H-2x7P A2012WVA-F-4P-YL A2004H-3P C6201HM-2x4P A2012WVA-F-2P A2004H-2P C6201HF-1P A2509WV-10P A2004H-14P C2521HM-3P-WH A3963WV-2P-GWT A2004H-10P A2508HA-6P A2008S-13P A2002WR-10P C2501HM-2P-WH A2508WV-F-5P A1254H-3P B2513-TB A2509WV-4P A3961WV-7P B2513H-6P A2550H-20P-K1.20 A3961WV-5P-A B2513H-5P A2505WV-7P A3961WV-5P B2513H-4P C6201HM-2P A3961WV-13P B2012H-10P A2547-TP-L A2508SA-14P B1251H-8P A2543WVRA-3P-BK-KK A2508M-TP-B A2001WR-S-4P A2010WR-3P A2508M-TP A3961H-5P-3-V0 A2547HM-6P A2508HMC-2P C3030HMA-2x3P A2543WVA-4P-WH A2508HMA-8P B2012H-5P A2509-TP-A A2508HMA-6P C2521M-TP A1257WV-S-7P-LCP A2508HMA-3P C1581M-TB A2012WRA-F-6P A2508HMA-12P B2012H-4P A2550-TP A2508HC-6P B2012-TB A2011-TP A2508HC-4P A2508WR-F-7P A3963-TP-2 A2508HC-2P C6201HM-2P A2508WV-F-7P A2006WV-2x14P-9T A2001H-4P A2508WV-F-8P-H A2006WV-2x10P-IV A2001H-3P A3961-TB A2005WV-N-2x3P-A C4201HMA-5P A3963WV-6P A2005WV-N-2x2P-A A3502H-3P A2512HB-2P A2005WV-N-2x16P-9T A2547HN-2x4P A2547WV-5P A2005WV-N-2x15P-A A2547HN-2x10P C6201WVC-2P A2005WV-N-2x12P-B A2012WVA-13P C3030HF-5P A2005WV-N-2x10P-A A2004H-4P A2509WV-5P-RD A2005WVD-F-2x6P A2001H-10P A2012WVA-F-8P A2005WVD-F-2x4P A3963H-2P-BK C1581F-TB-C A2010WRC-S-10P A2001HM-9P A2549-TP-C A2010WR-5P C6351WV-3x3P-M A2509WV-5P A2010WR-4P A2541WV-S-2x3P-C1600 C3962WV-3P-A-GWT A2010WR-3P A2503H-3P A1251WV-3P-46 A2010WR-2P A2503H-6P A2547M-TP A2010-TP-D A2503H-6P C4140F-TB A2010-TP A2549HM-4P A2549-GP-C A2010HD-15P A3963H-3P-BK A2508WV-F-4P-H A2010HD-14P A2010-TP A2012WRA-F-2P A1501WR-S-F-5P A2008HA-10P A3963WR-2P A1501WRE-S-F-2x9P A1501H-4P-GWT A2509WV-2P A1501WRE-S-F-2x8P A2006WRD-2x17P C6201HF-3P A1501WRE-S-F-2x15P A1276WVE-S-F-2x7P B2012-TP A1501WRE-S-F-2x11P A5081WV-5P-A A2508H-2P-PK A1254H-2P XC-KZ30A-160MM A2508HA-14P A1254H-15P A2550HD-9P-KK A2010WV-4P A1254H-10P A7921HC-2P-1D A2508WR-F-3P A1254-GP C4201HF-2P A7921-TP-A-L A1253WV-6P A2504WR-5P A2547M-GP-L A1252WV-S-F-6P-G A2012WVA-F-3P A3963WV-4P A1252WV-S-F-4P A1501WVA-S-7P D3961WV-5P-N3-G A1252WV-S-9P-G A3963H-3P-GN A1257-TP A1252WV-S-7P A3963H-3P-RD A2012WRA-F-5P-RD A1252WV-3P A2002WR-6P A3965WV-2P-GWT A1252-TP A1002HP-14P A2550M-TP A1252H-2x15P A2547HS-2x20P A7921WVA-2P-0A-C A1252H-2x10P C3030HF-2x12P A2547WV-3P-RD A2508HC-10P A2008WV-2x17P-46-D300 A2547WV-4P-KK A2508HA-8P A2006WR-2x10P-9T A2001WR-S-13P-LCP A2508HA-7P A2508WRD-4P A2547HA-12P A2508HA-6P A7921WRA-5P-81 C3030HM-4P A2547HE-5P A2005HB-N-2x10P-J C4201WR-2x8P A2547HE-3P A2008WV-S-2x12P C4201HF-3P-A A2547HE-2P A2005HWR-S-2x5P A2543WVA-8P-WH A2012H-5P A2012WR-F-2x10P A2550H-10P-A A2012H-5P A1008WR-S-4P C6351HF-6P A2508WR-7P C3030WV-10P-LCP A2008WVA-5P A2508WR-12P A2541WV-2x5P-6T-N8 C4201WR-3P A2508WR-10P A2012WR-S-10P C6351HM-3X2P-NK A2508-TP-L A2010WR-4P C3030HMA-2x2P A2508-TP-H XC-KZ31A-250MM A1255HA-5P A2508-TP-C XC-KZ31A-200MM A3961WV-9P A2508-TP-A A7501AM-TB A3963WVD-F-2P-H A2508-TP A2547WV-N-2x13P-LK-9T A5082H-3P A2502H-4P A2008WR-S1-2x8P C3030HF-2x9P A2501WVT-6P A2008WR-S1-2x12P C3030WR-2x5P A2501WVT-3P A2010WV-F-6P C4201HM-2P A2501WVT-2P C4501HM-3x5P C4201HF-2x2P-V0-CJT A2005WV-S-2x3P C4501HF-3x5P C4201HMA-3P-CJT A2005WV-S-2x12P A1501WRA-S-6P C4201WR-2x5P A2005WV-S-2x12P A1276HWV-2x2P A2547WVRB-2x10P-KK A2005WV-N-S-F-2x8P-A A3963H-3P-BK A2012WV-S-6P A2005WV-N-S-F-2x7P-A A2006WV-S-2x3P A2547WRA-F2-4P-G A2005WV-N-S-F-2x6P-A ZBA2547FCAN2x10P02-150-01 C4201WR-2P A2005WV-N-S-F-2x5P-B XC-KZ31A-140MM A2547HA-17P A2005WV-N-S-2x6P-FI A1501WRD-S-7P-9T A7921WRA-3P-0A A2005WV-N-S-2x6P-B A1501WRD-S-3P-9T C4201WR-2x7P A2005WV-N-S-2x5P-A A1501WRD-S-6P-9T A2001WV-S-2P-LCP A2005WV-N-S-2x4P-A C3030HF-2x2P-NK A2547H-2x8P A2005WV-N-S-2x3P-A C6201HF-2P-XT30 A3961H-23P A1501WRB-S-5P C6201HM-2P-XT30 A2508WV-8P A1501WRA-S-8P A2547WVA-5P-G A1251WR-S-14P-LCP A1501WRA-S-7P-GWT A2512H-13P C3030WV-2x4P A1501WRA-S-7P A2512WV-13P C4140WV-2x10P-KK A1501WRA-S-2P A0801H-6P-2 A2512WV-S-7P A1501WR-10P A2541WV-S-2x5P A2550H-3P-A A1501-TP-H A2541WR-2x9P C3030WV-2x1P A1501-TP-G A2541WR-20P-6T C4201WR-2x4P A1501-TP-D A2006WR-2x3P-9T A2547WR-14P A1501-TP-A A2008WV-2x13P-46-D300 A2010HA-2P A1501-TP C2003F-TP A2547WV-6P A1501-TP C4201HF-2x12P CJ25002H004 A1501HG-2x6P A1257WV-S-6P-6T-TR A2550H-3P-C A1252-GP XC-KZ31A-90MM A2508-TP-48 A1251WV-S-2P XC-KZ37A-120MM A2547HM-5P A1251WV-9P-46 XC-KZ30A-130MM A3963H-8P A1251WV-8P-46 A2541WV-2x3P-6T-N4 A2012WVA-F-2P-RD A1251WV-7P-46 A2541WV-2x10P-6T-N3.4 A2012WVA-F-2P-BL A1251WV-5P-46 XC-KZ32A-200MM A2549HIA-2x2P A1251WV-4P-46 A2006WVU-2x17P C4140F-TP A1251WV-11P-46 A2549WVB-12P A1251HM-2P A1251WR-S-5P D2541L-6P A2010H-2P A1251WR-S-14P C4201WVD-F-4P-V0 C4201HMA-2P-V0 A1251WR-9P A2011HM-8P D3961WR-2P A1251WR-7P A4001-TP-L A3963H-2P A1251WR-4P A2549HC-14P A2508WV-3P-H A1251-TP A2008WRA-10P C2003FB-TP A1251M-TP C4201HM-2x10P A3502WR-11P A2508-TP A2008WR-S2-2x8P A2509WR-8P A2508SB-9P A2008WR-S2-2x12P A2508WV-F-3P A2508SB-2P A2541WV-S-3P-A-D100E528 A2550HH-N-5P-BL A2508SA-7P C3030WR-2x5P A2508WV-2P-BL A2508SA-6P A2505H-3P A2550HA-2x6P A2508SA-5P A2541WR-4P-6T A2012WV-S-10P-LCP A2547HJ-2x9P A2541WV-3P-6T C6201M-TP-L A2547HJ-2x8P A2547WR-9P A7921WVA-3P-0A-C A2547HJ-2x7P A2541WV-5P-6T A2508WV-5P-H A2547HJ-2x6P A1275WR-2x10P-G A3963WR-4P A2547HJ-2x4P A2541WV-2x40P-6T A2012WVA-8P-H A2547HJ-2x20P A2541WV-4P-6T A2509HMA-5P A2547HJ-2x17P A1275N-TP A2547WR-F-9P A2547HJ-2x12P A2541HWV-2x13P-6T A2508H-8P A2547HJ-2x10P A2547HM-5P A7921WVA-4P-88-C A2547HJ-2P A2009H-2x12P A3963H-3P-GWT A2547HG-2x7P C6201HF-2P-BL A3963HA-2P A2547HG-2x25P C4201WR-E-3P A7921WVA-4P-12-C A2005WV-N-S-2x2P-A D2541HA-4P-BL A2547WVA-F-6P A2005WV-N-S-2x20P-A A2549WVI-S-2x3P D3961WV-4P A2005WV-N-2x8P-9T C4201WVA-2x4P-V0 A1256-TP A2005WV-N-2x4P-B A3963H-2P-BK C4140WR-2x2P A2501HB-2P C4201WVD-2x6P A2547WRA-7P-G A2501H-5P-GWT A2004WR-5P A3963WVD-F-5P A2501H-5P C4201WVD-2x4P A2501HMB-3P A2501H-4P C4201HMA-2x7P A2508WR-5P A2501H-3P-GWT A2005HWVA-2x9P-E60-6T A2508WV-3P A2501H-3P A2005HWVA-2x10P-E60-6T C2003MB-TP A2501H-2P-RD WLA2008H6P-55-01 A2010WV-3P A2501H-2P-GWT LLA1002H2P-200-01 C4201HF-2x1P-GWT-BK A2501H-2P A2008WV-2x2P-46-D300 A2547WRA-6P-GA A2501H-14P A2008WR-2x8P-46-D300 C4140WV-2x2P-KK A2501H-12P A7921HC-3P-99 A1002WR-S-6P-LCP A2501H-11P A2505WR-3P-D22 C4201WV-2x1P A2501H-10P A2505WV-10P A2001WV-S-6P-LCP A1501HE-2x7P A2008WRA-7P A2509WV-7P A2005HB-N-2x14P-D D2541H-6P-GN A2550HK-2x2P A2005HB-N-2x12P-D C3030WV-2x11P CJ25002H001 A2012H-3P A2505H-5P D3961WV-6P-D620 A2012H-15P A7921WVA-5P-0B-C A2007WRD-2P A2012H-12P A7921WVA-2P-0B-C A2012WR-9P-LCP A2012H-10P C4201M-GB-H A3965H-4P-GWT A2011WV-4P-6T-G C6201HFB-2x3P A3965-TP A2011WRA-2x9P C4201FS-GP-H-G3 A2547WVA-4P-G-NK A1502WVA-IT-S-4P XC-KZ31A-160MM A2547HM-2P A1251HM-9P A2008WV-2x7P-G3-D300 A3963WVD-F-3P A2001WR-S-5P A4001H-3P-A A7501HMA-3P A2001WR-9P A2008HB-14P A2547WR-3P A2001WR-8P B1271WR-S-F-2x6P A2549HK-2x2P A2001WR-6P A1251WV-S-13P-LCP C3030HF-2x4P A2001WR-5P B1271HWR-S-F-2x6P A1251HM-5P A1257WVP-S-5P A2547HN-2x10P A3963WV-3P-A-GWT A1257WVP-S-2P A2010WV-F-6P A2508WV-F-10P A1257WVD-S-5P A2550H-11P-M A2012WRA-F-7P A1257WVD-S-2P A2508WR-F-7P A2008HB-4P A1257H-7P A2010H-2P-RD A7921WRA-R-3P-0A A1257H-6P A2544WR-6P A2547WR-4P A1257H-4P A2005HC-N-2x10P A2005HB-N-2x5P-C A1257H-2P A2504WV-2P C4201HFA-2x2P A2547HF-2x7P C2020HM-3x3P C5030F-TP-D A2547HF-2x5P A2005H-2x3P-66 A2505-TP A2547HF-2x3P B2012H-3P C3030M-TP A2512H-2P C3961HF-3P A1257WV-S-9P-6T-TR A2512H-15P A1276HWV-12P A2012WVA-F-14P A2512H-10P A2005H-2x6P A2010WV-5P A2512F-TP A3963HA-3P C4201HMB-2x2P-A A2511WV-3P A2550H-14P A3963-TP-H A2511WR-2P 265x165-增值税发票专用信封 A2547-GP A2510HM-R-R A4001WVG-F-2P A0801-TP A2510HM-P-R A2012WR-S-14P B2512-TP A2510HF-3P-R A2508SB-2P-BK A2543WVA-2P-WH A2012WR-3P-LCP A2001WR-17P A2508WR-F-2P A2012-TP-A A2008WV-S-5P-LCP C4201M-TB-H A2006HU-2x4P A2008WV-S-4P-LCP A2547-TP A2006HU-2x20P A2008WV-S-6P-LCP A7921WR-F-2P A2012WV-S-9P A2008WV-S-6P-LCP A2508-TP A2008WR-2x11P A2008WV-S-5P-LCP A2008-TP-A A2008WR-2x10P A2008WV-S-4P-LCP C6201M-TP-H A2008WR-10P A2008WV-S-3P-LCP A2547M-TP-L A2008-TP-A A2008WV-S-2P-LCP C5030M-TB A2008S-9P A2008WV-S-12P-LCP A2508WR-F-4P A2008S-7P A2008WV-S-12P-LCP C6201F-TP A2008S-5P A2005WV-9P-6T C6351M-TB-L A2008S-3P A1276WR-S-2P A2508SA-14P A2501WV-3P-2 A1502WR-S-4P-LCP A7921-TP-A A2501WV-3P C3030HM-2x2P C2521M-TP A2501WV-2P-2 C6201WRB-F-2x5P-KK C3030F-TP-A A2501WV-2P C1581HMC-5P C3030F-GP-A C4501HM-2x4P C4201HF-2x4P-B A2012WRA-F-8P C5030HM-1P A2508WR-5P-2 C5030M-TB-H C4140HF-2x3P-V0 A2012WV-14P-LCP A2012WV-S-3P-LCP C1301HM-2P A2005HWV-7P-6T A2508HA-3P-GWT A2549HD-2x3P C3030WR-2x6P A1502-TP-A A2549WRB-8P A2012WRA-F-6P A2550-TP-A A2502H-6P A1276WV-S-2x7P-H20 C6351F-GB A3502H-8P A2008WR-S-6P-LCP A2006-TP-U A2508WVT-5P A2008WR-S-6P-LCP C6201HF-2P A2547H-2x6P ZTZHA1254H6P-150-01 A2012WVA-F-3P A2508H-5P ZTZHA1254H10P-150-01 C3030F-TP-B A2509WRA-S-2x3P C2504F-TP C4201HFB-2x2P A3961WR-4P A1008WV-S-5P A2508WV-F-6P A3961WV-3P C2504AH-6P-WH A2508WV-F-4P-HS A2547HF-2x20P A2549H-7P A3963-TP A2508WR-2P 530x530x220-纸箱 A2508WV-F-2P A2547HJ-2x3P C4201HMA-2x10P A2012WVA-F-4P A2511H-4P A1255WRA-S-2P A1252-TP A2006HB-2x4P C3030WR-S-8P C4201M-TB A2012HE-10P C3030WR-F-2x4P-LCP A1501-TP-G A2012WRA-F-6P A1276HWV-7P-H46-Y A2550MA-TP-G A2012WVA-3P C4201WVD-F-2x2P-V0 C2521F-TP A2501WVR-10P-2 D0801WR-S-12P-LCP-G A2508WV-F-4P A2008HA-3P C2504WV-4P A2501-TP A2006WRA-2x4P A2005WR-N-S-F-4P-FI A2001-TP A2005WVC-N-2x10P-N20 A1252H-14P A2006-TP-U-L A2008WR-2x2P A1252H-15P A2550H-4P-A2H A2007WR-2P A1252H-10P C6201F-TP A2006HB-2x10P A1252H-7P A2008HB-2P-GWT A2009WR-2x4P A1252H-8P A2547HA-2P A2012WVA-F-5P A1252H-4P A5001HA-2P A2010HD-12P A1252H-2P A1257WV-S-10P-LCP A2549WR-6P-G-5.0 A1252H-5P A2508WV-5P-A-RD A2547WRA-15P-G A1252H-6P A2010WRC-S-8P A2549WRB-6P A1252H-9P D2541WV-F-2P A2512WV-S-4P A1252H-3P A2012WV-S-5P A2541H-N-2x3P-2 A2011M-TP A2550H-5P-D A7921WVA-2P-0E-C A1252H-10P C4201WR-F-2x1P-V0 A2549WVB-2x8P A1252H-7P A2012WRA-F-12P A4001HE-23P A1252H-4P A3502WR-9P-A A2550H-12P-D A1252H-5P A3963WR-2P-GWT A7921HC-2P-0E A1252H-6P A2001WV-S-4P-LCP A2550H-18P A2541WV-16P-6T A1257WV-S-5P-LCP A3964H-2P A2544WV-4P A3502H-2P A2550H-2x7P A2006WV-2x3P-9T C3030HM-2x3P A2547WVA-F-2P A1502WV-S-9P-LCP A2012WVA-F-12P A2547WVB-6P B1000HM-S-F-31P A1501-TP-A A2541WR-2x4P-9T-N7 A2010WR-5P A2547-TP-B A5081WRA-3P B2512H-2x14P A1257WV-S-4P-BL A2550H-7P-G A2544WV-3P A2001WR-S-4P-LCP-BK A7921HD-2P-0A B2512H-2x15P A2001WV-S-10P-LCP A2550H-9P-M A7921HC-3P-82 A2508WV-F-7P-N5.6 A2547WV-N-S-2x5P A2001HM-7P C6351HF-4P A2502WR-4P B1000H-S-F-31P A2508H-2P-BL A2543H-7P PCIE-1001WRB-F-36P-G15 C6201F-TP-L A2543WR-3P C5081HF-2P C3030WR-2x2P-LCP-G3 A2550M-TP-G B3952H-F-5P-GWT A2547H-3P-2 A2502WV-4P A1002WV-S-2x5P-G A2512SA-2P A2505H-10P A2501H-17P A2508WV-F-3P-H A2543WVA-8P-WH A1501WRD-S-3P-9T A2547WV-4P A2508WV-S-2P A2505WR-2P-LCP A2508WR-3P A2508WV-7P A2508HA-4P-GWT A2005HB-N-2x3P-C C4201WR-F-2x7P C3030WV-2x9P A1501WR-S-4P-LCP C4201WRSB-8P-G C4201WV-2x2P A2012WRA-F-3P A1251HM-7P C4201WV-2x2P C4201WR-2x1P-V0 C6351S-3x3P A2541H-2x13P A2501HMB-4P B1251H-10P A3963HA-7P A2550H-5P-B A2006HB-2x5P A3961WRA-3P-A A2508WV-5P-BL C3030HMA-4P A3961WRA-3P A2501WR-S-3P-LCP C4201WVA-F-2x3P-V0 A3961WRA-5P-A A2012WVA-F-12P-H B1501H-2P A3963H-2P-GWT A2508WV-F-8P-WH B2011H-4P A2006WVU-F1-2x6P-G-NC A2010HA-4P B3952H-F-4P A2005HWV-9P-6T A2512HB-4P A2543WRD-3P A3961WVB-5P A2012WR-S-4P C4501M-TB-L C4201WV-2x4P-A A2550H-4P-A4 C5030HFC-3x5P A1275-TP A3963HA-3P B2513H-14P A2550-GP-E C5030F-TB A2005WV-N-S-F-2x4P-A A2512WVA-3P A2012WV-4P-LCP C5030M-TB-H A2541H-N-2x7P-2 A2547-GP-L C6201HM-2P-GWT A2541H-2x20P A2505H-4P C4140HF-3P-GWT C3030HM-2x7P-NK A2547WVRB-2x5P-KK A2508WRA-2x7P-TR A2008H-2x3P A3961WV-5P A2007H-16P A3961H-5P D3961WV-2P-D620 A2512H-9P A3963H-6P-GWT A2012WVA-F-4P-H A3963H-6P A1502WRB-S-4P A2549H-2x5P A3963HM-5P B3961AW-15P-V0-G3 A1257WR-S-5P-LCP A2547HN-2x8P A1276HE-2x23P A2508WV-7P-N2.3 A2549HD-3P A1276HE-2x22P A2001WV-S-11P-LCP A2512WR-4P-GWT A2006HA-2x15P A3961WV-3P-A A2512WR-S-6P A2008WR-S-7P-LCP C4201HF-2x1P-V0 A3963WVD-F-3P-H A2010WVC-S-12P A2012WR-S-12P A2001WV-7P A2008WR-S-14P-LCP C6201HM-1P A2001-TP-L A2547FCA-N-2x14P-G A2008HB-10P A2002WR-3P A2012WVA-F-12P-H A2550HA-2x10P A1252WV-12P A2541WR-11P-6T C4140M-TB A2001WR-8P A2010WRC-S-5P D3961WV-4P-D620 A1257H-3P A2012WV-S-7P C6351HFA-2P A1254H-6P A1501WR-S-12P-LCP A1257WV-S-14P-LCP A1276HE-2x8P A2005WRD-2x3P-6T A2547WVB-7P-KK C6351HF-5P A2549WRI-2x6P-K-G10 A2012WVA-F-5P C4140WR-2x6P A2549WRI-2x4P-K-G10 A3965H-4P A2501WV-4P-GWT A2549WRI-2x2P-K-G10 A2508WV-7P-BL C6351F-TB-L C4140HF-2x4P-GWT C2003HF-2P-GWT A2508HMA-5P A2504H-8P C3030WV-2x3P C6351HFI-3x2P A2508WV-F-4P A2508WV-4P-RD C4201HF-2x9P A2008WR-10P-LS A2547HA-3P C2003HFB-4P A2008WRA-8P A5001WRA-2P A3963WV-12P A1002WVB-S-10P C3030HM-2x7P D1272H-4P A2010HD-7P A2012WR-3P-LCP D2541L-2P A2005WR-N-2x7P-A-D22 A2012WVA-F-2P-46 D3961WV-9P A2005WR-N-2x5P-A-D22 A2012WR-5P-LCP-RD C2504WR-7P A2547WR-16P C6201HFA-2x4P A3961WV-2P C4201WR-F-2x12P A2549WV-2x8P A2508SA-3P A2005WV-2x4P-H27-XD A7921WRA-3P-0M A2009H-2x2P A2008H-2x16P A1002WR-S-2P-LCP A2001WR-S-8P C4140F-TB A2550H-11P-D C1581HMA-3P A2001WVR-6P-2-GWT A3963WVD-F-3P-A C4201F-TP-H A2508HMA-2P A7921HC-2P-0Q C6351WR-5P-M-V0 A2512WV-12P C4201HF-2x9P A2008WR-2x12P A2008WV-2x15P-46-D300 A2547WVB-6P-KK C4201WR-F-4P C6351WV-2P-M-V0 C6201WV-2P-GWT C4501HF-3x3P A2541WVR-2x40P-6T-OR-KK C6351HF-4P-V0 C5030HFC-4P A2005WV-6P-LK-9T-D600 A2547WRA-12P-G B5081AW-6P C1581HFA-2x2P A2508WR-2P C1301HF-3P A5081H-3P-2 A3502WR-2P A2549HC-7P A2012HG-2x17P A1251WR-S-10P-LCP A3963WVD-F-3P-H-A A1252WR-7P A2012WVA-10P A2547WRA-S-F-9P-G A2007WRD-3P C4201HF-2x4P-B-V0 A2541H-N-2x2P-2 A2005H-N-2x7P-B-66 A3963H-8P-GWT C4201WR-E-2x2P C1301AHM-2x3P A2547WV-7P-LCP-KK C2521SB-2P A2012HG-2x10P A2010WRC-S-12P C3030F-TP-B-L A2508WR-F-2x9P-NK C3030HF-2x8P A2012HE-2P A2508WR-F-2x8P-NK A2012WR-2P-LCP A2543H-4P A3963WV-3P-A-RD A3963H-2P-BR A2550HM-9P A3963WV-3P-A-GN A2508WV-2P A2550-TP-C A3963WV-3P-A-BK A2508WR-4P A2543WVA-7P-WH A3963WV-3P-A-BL C4201HFA-2x5P-V0 A3502H-3P A3963WV-6P-N2.4 A7501HFA-2P A3502WV-12P A2010H-5P A2550HM-4P A2508HA-2x8P A1256HD-21P A2550H-18P-CR A3961WR-5P-A A2012WV-S-3P-LCP A2550H-4P-CR A3961WV-5P-N2.3.4 A2006WRU-F-2x11P A2550H-4P-A A4001WVG-F-4P B2512H-9P A2543WVA-5P-WH A2550H-7P-CR A7921WRA-R-4P-0A A3963WR-7P-N2.6 A3502H-11P A2008WV-2x12P-46-D300-TR A2508WV-10P-H A2547HA-2P A1008WR-S-2x25P A3961WR-2P A2547HA-2x5P A3963H-7P A3963WRH-2P-GWT A2005HB-N-2x4P-B A2509HFA-2x5P-46 A2549HK-2x3P A2005WV-N-2x10P-FI A2509-TCA-B C5030HFC-2P A2501HMB-12P A1252WV-S-F-6P-G CJ25002H002 A2010H-8P A2541-GP-GG C5030HFD-2x1P A0801H-10P-2 C4201WRG-F-2x4P-A-D22-RE A3963WRH-4P-N2.3-GWT A2001H-2P-RD C3030HMB-2x4P A2547WVA-F-4P-G A1252WV-2P A2005HC-2x6P A2508WV-F-3P-H-BK A2508HC-3P B3961AW-7P-V0 C4201WR-2x9P C3030WV-S-3P A2006-TP A1502HA-9P A2550H-13P A2001WR-17P-2 A2012WV-S-3P A2006HU-2x13P A2012WV-F-2x20P-GF A7501HFA-3P A2012HA-6P A2541HWV-2x30P-6T C4201HF-2P A2006HU-2x8P A2005WR-N-2x17P-A C3030HFB-2x2P-H A2012WRA-F-10P A2005WR-N-2x17P-A-G15 A2509HA-15P A2012WVA-10P A2005WV-N-2x25P-B C1581HFC-3x2P A2008HA-2P A2547WR-N-2x8P-6T D3961WR-4P-2 A2006WVB-2x4P A2541HWV-N-2x5P-6T A2508WV-F-8P A2005WV-N-S-F-2x5P-A A2541HWV-2x7P-6T C3030HM-2x4P A2008-TP-A A2008WV-2x11P-46-D300 C3030WR-2x2P A2006WVU-F-2x12P A1253WV-8P A2001WV-S-5P-LCP A2007WV-2P A7501-TB-187 A2547H-8P A2010DS-5P A7501-TB-187-081 A2550HK-13P A2012WVA-F-13P A7501-TB-250 C4140HF-2x3P-V0 A2010HC-5P A3961HA-6P C4201HMA-2x2P-V0 A2010WRC-S-9P A3961HA-4P A3963H-3P A2005HB-N-2x12P-FI A2002WV-3P A2547HA-4P A7921HC-2P-0B RJ11-6P-CJ A3963HM-3P A2547WVA-9P-G-NK A7921WVA-6P-ZH1-C A2008HB-5P A2550HA-9P A2012WV-F-2x12P-GF A2012WRA-F-16P A2508WVA-2x6P-TR C4201HF-2x4P-B-V0 A5001HB-2P A2505WV-5P A7921HC-3P-99 A2012WVA-F-16P A3961WV-10P A2547HM-11P A2012WVA-4P A2508SA-8P A2006WVD-F-2x12P A2547WR-6P A2006WR-2x8P-IV A3501SA-2P A1501WV-S-6P-LCP A2008WV-S-10P-LCP A2549-GP-C-H C4201HF-5P-V0 A2001WV-3P A2547-GP A2508WV-7P-RD C3030WV-S-2x2P A2550-TP-H A5001HB-4P A7921HC-3P-0A LHA1002HB6P-90-01 A2547HM-3P A2547WVB-2x3P A2501WV-4P A2550H-7P A2550HA-8P A2541HWV-2x5P-U-6T C3030WR-3P A2508WVC-F-10P A7501AF-TB-H C4201WR-2x2P A2505WV-2P-G C4201WVA-2x2P A3961WVA-2P-V0 A2005H-2x16P A2547WV-N-2x7P-6T A2550H-3P-A3H C3030HM-2x8P-WH C6201WVB-F-3P A3963WVD-F-8P A3961-TB A1251WVB-S-14P A2508SA-10P A2547HF-2x6P A2543WRD-12P A2547WVA-3P-G C4201WVD-2x1P C3030WR-2x4P-LCP C3030HMA-2x7P B1251H-4P C3030WR-2x7P-LCP A1501WV-S-2P-LCP C3030WRB-2x6P-9T-G15 A2010WVA-F-3P A2012WVA-2P C4501HM-2x3P C3030WR-2x8P-LCP A2012WVA-10P-N2.3.5.6.8.9 B2513H-4P A2006WRU-F-2x15P A2508WV-5P-RD A1255H-6P-HF HSGDA1254H20P02-100-01 C6351HF-2P C4140F-GB XYDD1272H14P02-45-01 A2549H-2x4P C4140HF-2x6P XYDD1272H18P02-45-01 A3961WV-4P A2006WRU-F-2x12P C5030HFB-3x3P C6351HF-2P-V0 A2547HM-12P C5030HFC-5P C4201HMB-2x2P A3963H-3P-BL C5030HFC-3x3P C4201HF-2x2P C4201HF-4P C5030HFD-2x1P-BK A2547WVA-2P-G C4140WV-2P-G30 A1276WV-S-2x4P A2508WV-7P-BK C3962H-2P C5030HMC-3P A1002WR-S-3P-LCP C3030HMB-2x5P C5030HMC-3x2P A2550HH-7P C3030HF-2x8P C5030HMD-2x2P C6351HM-3P C2521HM-6P D3961HB-3P-YL C6201HM-2x2P C2504HM-2P D3961H-3P-YL A2550H-9P-B C2003HF-3P-GWT A2001WVHM-8P A1251WV-4P-46 D2541H-6P-BL A1501HA-15P A3963WVD-F-4P C3030HF-7P C6351WR-4P-M-V0 A2012WRA-F-9P C3030HM-2x8P C6351WV-F-3x4P-F-V0 A3965WV-6P-GWT C3030M-TP-L C4201FS-TP-H A2547H-7P C3030WRA-F-2x12P C6351WV-3x5P-M-V0 A3963H-4P-GWT C2003HM-3P C6351WV-3x2P-M-V0 A1501WV-S-3P-LCP A2512HF-2P C6351WV-6P-M-V0 C3030HM-2x6P A3963S-5P C6351WV-5P-F-V0 A1502WVA-IT-S-3P A3963WR-3P-A-GWT C6351WV-5P-M-V0 C6201M-TP A2547HN-2x13P C6351WV-2P-M C6351HM-4P-V0 A2512WR-3P-RD C6351WV-2P-M-V0-G30 A2010HA-5P A3963WV-3P C6351HM-3x5P-V0 A2011WRA-2x9P A3963WV-5P C6351HM-3P-BK A2011WRA-2x6P A2547WRA-F1-3P-G C6351HM-3P-V0 A2543WVA-4P-WH-G A7921WVA-7P-0A-C C6351HM-1P-V0 A2001-GP-G30 A2550H-14P-A3H C6351HFA-3x5P-V0 A2547WV-3P A2550H-3P-D C6351HFA-3x2P-V0 A2547WVA-8P-G A2550H-6P-H C6351HFA-3P-V0 A2550HH-20P A2550HA-7P C6351HF-10P-V0 A3963WV-3P A2502H-2P C6351HF-8P-GWT A2550H-21P-M1 C4140M-TB-H C6351HF-2P-GWT D2541WR-4P A2543HA-8P-WH A2508WV-S-8P-F A2547WRA-FJ-5P-46-G A2508WV-5P-A A2006WRU-F-2x14P A2547WR-9P A2006WR-2x5P-IV A2008WR-2x16P A5001HA-4P A2501WV-S-5P A2008WR-2x13P C4140WR-3P A2006WVD-F-2x15P A2012WVA-F-3P-RD A1002WV-S-6P-LCP A2010WVC-S-3P A3963WV-4P A2508WR-4P-RD A1501WR-4P A2005HWV-S-16P-B C6201WV-2P-BK A2004H-13P A4001-TP-AG C4140WR-2x3P A1501H-3P A2005WVB-2x4P-6T A2508WV-9P A2508WV-6P-H A1002WV-S-15P-LCP A2550H-8P-D A2505-TP C4201HF-2x2P A2012WR-S-5P A2008H-5P C2521HF-2x9P-V2 A2547WV-10P A2006WVU-2x8P A2012H-4P A3963WVD-FT-7P A2009H-2x6P A2541H-N-2x7P A2550H-9P-H A2011HM-4P 400x400x400-纸箱K=Kd C4201M-TB-HH A1501WR-12P D3961H-6P-YL C6351HM-3x3P A1501H-12P C3030WR-2x1P-LCP A2505WV-3P C6351F-TP C3030WV-2x3P-LCP A3963H-5P C4140WV-3x4P A2005H-2x20P A7921HC-5P-21 C6351HFI-3x4P C3030HFWV-2x7P A2550H-16P C2003HFB-6P A2006WVU-S-2x11P A2547WVA-12P-G A2549-GP-I-A A1501WRE-S-2x20P-NK C4201HF-2x3P C4201HM-2P-V0 C3030WV-2x1P-LCP C6201HF-2x3P C2504HFA-4P A2509WV-6P A2501WV-S-4P D3961WR-2P B1801-TB-A A2011HA-2x5P B2011H-12P-YL A1002WV-S-8P A2547H-2x7P C3030F-GP-A-L-G15 A1257-GP-A A2547WR-15P A2502H-10P A2509WV-6P A3965H-2P-GWT C4201WR-F-2x9P A4001WRJ-F-2x2P-X A7921WVA-5P-0A-C C4201WV-2x3P A4001WRJ-F-2x2P-Z A2012WVA-6P B2512H-6P A1276WV-7P-D230 C4201WV-2x5P C6351HFI-3P A2012M-TP-H A2012WR-5P-LCP A2550H-18P-CR A1255HA-14P C4201HMB-2x18P A3502WR-5P C4201HFA-2x5P C6351HM-3P-V0 A2508HA-2x9P A2010WVA-F-2x12P A3961WVB-6P C3030HFB-2x2P A1254H-5P C4140WV-2x3P C3030M-TP-A A1002WR-S-2x20P-G A2012WV-S-4P-LCP C6201F-TP-L A1252WV-S-F-2x7P-G A2550H-2P A2512HB-7P C4201F-GB-G30 A2550H-8P A3963M-TB A2508WR-F-10P A3502WV-2P A2547WRA-13P-G C4201WR-F-2x4P A3965H-3P A2541WV-2P-LK-9T-C675D450 A2550HD-GP A2549WR-2x5P A3502H-2P A2547WV-24P A2508WV-5P-BK A2547HA-2x10P B2011H-2x16P A2508WV-3P-BL A2547HA-4P A2005H-6P C6351HFA-4P A2005HB-N-2x6P-FI A1501WR-S-6P-LCP C3030HMA-2x5P A2005WV-N-2x4P-A A7921HD-2P-0K C3030HFB-2x4P A2010H-3P C4201WR-F-2x2P C1581HFC-2P A1502H-4P A2547WRA-F2-8P-G A2547WVRB-2x4P-KK A1801WRA-S-2P A1251WV-S-4P-LCP-G A2550HK-2x9P A1257H-9P A2012WV-10P-LCP A2547HG-2x7P A2010HA-12P A1259HA-10P A2005HB-N-2x15P-D A2011HA-2x12P A2010WRC-S-3P A1002WR-S-4P-LCP A2010WV-3P A2008WV-S-5P-LCP A1002WV-S-2P-LCP A1501WRB-S-3P A2012WR-14P-LCP A2550H-5P-A3H-CR A1501HE-2x6P A2509WVA-2x3P-NAT A2550H-3P-M3 A1801H-2P A2509WVA-2x2P-NAT A2550H-15P A0801-TP A1002WV-S-2x4P-G C3030HM-2P A1501WVA-S-5P D1272H-14P A2508WV-2P-RD A1002WRB-S-6P A2541H-2x16P A2005HA-2x2P-66 A2004WR-4P A2549HE-2x13P C3030HF-3P-GWT A1008WR-S-2x20P A3963WRD-10P A2005HB-N-2x4P-J A2001WV-5P A2547H-4P-3 A2547HA-10P A1002WR-S-8P-LCP A2505-GP-G2 A2011WVA-2x13P A1251HM-4P A2547WVA-F-4P-G15 A3961WV-2P-V0 A2004H-4P A2550HA-2P A3961WV-5P-V0-N1.4.5 A1252H-2x20P A2001WV-S-8P-LCP A2547WV-9P-LCP-KK A1257H-12P A1255HA-10P C6351HF-3P-V0 A1255H-9P A2547-TP-C A2547H-4P A1501HD-6P A1251HM-6P A1255H-20P A1276HWV-S-2x8P A3502WR-10P C3030HMA-2x3P C1581HMB-4P A4001WVV-2P A2012WR-S-4P-LCP C6351F-TB C2501HM-1P-WH A3963HM-2P C2501F-TP C2501HF-1P-WH A1501WV-S-5P-LCP C2504WR-3P C2003HMB-5P A2550H-13P C2363HF-2x3P C2003HM-10P A2550H-16P-CR A1002WV-S-2x8P-G C2003HM-8P A3963WV-4P-N2.3 C4201WVA-2x7P C2003HM-3P-GWT C6201WV-3P-RD C4201WVA-2x6P C2003HFB-4P-GWT A3965H-3P-GWT C4201WVA-2x5P C2003HF-10P A2547WR-8P C4201WVA-2x4P A2008WR-2x6P-46-D300 A2512SA-4P C4201WVA-2x3P-V0 C2003HF-5P A2547WR-7P C4201WVA-2x2P C2003HF-3P C6201HFA-2P C4201WVA-2x1P A4001WVG-F-5P A3965WR-4P-GWT C4201WVA-2x1P A4001WVG-F-4P-C1 A2547WR-16P C4201WVA-2x10P-V0 A4001WVG-F-4P-B1 A2008WV-S-3P-LCP C4201WVA-2P A4001WVG-F-3P-D1-A C4201WVG-2x4P C4201WV-5P-V0 A4001HG-4P A2012WVA-F-9P C4201WV-4P A2005WR-N-S-2x10P-C-T A3963WRH-3P C4201WV-3P-V0 A2005WR-N-S-2x2P-A A2008WV-S-10P-LCP C4201WV-2x9P A2005HWRA-S-8P-G10 A2508WR-F-6P C3030HMA-3P A1006-TP A2010WRC-S-7P C3030HMA-2x8P C4201HV-2x4P-V0 A2012WR-S-15P C3030HMA-2x4P C4201HV-2x3P-V0 C3030HF-4P-GWT C4501HF-2x3P C4201HV-2x2P-V0 A1251WR-S-3P-LCP A2512WR-4P A2005WV-N-S-2x4P C4201HF-2x12P-V0 A2512HM-6P A2005WV-S-2x10P-H15-T C4201HFA-2x3P A2512H-4P C6201WRB-F-2x6P A2547WVA-F-5P-G A2509WVA-5P A2008WR-2x12P-46-D300 A2011WRA-2x12P A2509HM-6P C4201WVA-2x3P A2547HJ-2x9P A2508WV-S-8P-F A2541HWV-2x10P-6T C6351HFA-3P A2508WVC-F-9P A2005WV-N-S-2x8P-A A2508WV-11P-H A2508WV-5P A2008H-5P A2508H-6P-GN A2508WV-10P A2008H-2P A2508H-6P-BL A2508WR-5P A2005HB-N-2x13P-D A3963WVD-F-2P-GWT A2508SA-10P A2005H-4P C6201HMA-2P A2508HA-2x10P A2005HA-2x25P-A A2508WV-4P-H A2547WRC-2x7P A2005HWV-S-2x8P A2547HM-9P A2547WR-20P A2005HWV-S-2x6P D3961WV-9P A2547-TP A2012WR-F-2x12P-D25 A7921WVA-5P-21-B-A A3963S-3P A2005WR-N-2x20P-B A2012WRA-F-14P A3961WVB-3P A2005WR-N-2x16P-B-D32 D3961WV-3P A2550-TP-CR A2005WR-N-2x16P-A A7921HD-4P-0W A2550HA-4P A2005WR-N-2x12P-A A2547WR-2P A2550H-4P-I A2005WR-N-2x11P-A A1002WV-S-7P-LCP A2550H-2x14P A2005WR-N-2x4P-A A2543WVA-6P-WH C2521HM-4P A2001WR-S-6P-LCP A2508WV-3P-YL C2521HM-3P A2008H-2x17P A2508H-6P-RD C2521HM-2P-WH A2005WR-2x9P-6T A2550H-8P-M C2521HM-2P A7921WVE-F-2P C5030HMC-2P C4201WR-F-2x1P A2008HM-2x4P C3030HF-2x10P C4201WR-2x1P A2005WVI-N-2x10P-K20 A2550H-10P-A1-CR C4201HMB-2x12P-V0 A2005WVI-N-2x10P-K20 A2550H-10P-B-CR C4201HMA-2x6P A2005WVG-2x3P-6T-C350D350H2160 A1501HG-2x6P C4201HFA-2x7P A2005WVE-F-2x3P A1501HG-2x4P C4201HF-2x3P A2005WV-N-2x5P-B A2012WVA-8P C4140WV-2x3P A2005WV-N-2x3P-B A2550H-6P-A C4140HM-2x3P A2005WV-N-2x18P-9T C6201HFA-4P C4501HF-2x2P A2006WVU-S-2x8P A2012WR-S-5P-LCP-G C4501HF-2P A2543HB-6P-WH A2547WVA-F-2P-G C4501HF-1P D2541HC-8P-RD A2547WRA-14P-G C4501F-TP-L A1002WRB-S-7P A2547HM-7P C4501F-TP-H D2541HB-4P-WH A2509WR-2P C4501F-TP D2541H-3P-RD A2509HA-8P C4201WVA-F-4P-V0 A2005HC-N1-2x5P A2011WRA-2x10P C4201WVA-F-3P-V0 A2005HC-2x8P A2550-TP-H C4201WVA-F-3P A2005HB-N-2x8P-J A2502-TP C4201WVA-F-2x4P A2005HB-N-2x4P-J A2547H-6P C3030WR-2x6P-LCP C4201WR-F-2x4P-A-G A2549-TP-B C3030WR-2x5P-LCP A3963H-2P A7501HFA-8P C3030WR-2x5P C6201WRB-F-2x10P A3961WV-10P A2547HF-2x10P A7921WVA-2P-0N-C C6351HM-3x4P A2547HA-2x13P A1501WV-4P-GWT C4201WR-F-6P A2547H-2x10P A0801H-5P-2 A1257WV-S-4P-LCP A2543WVA-6P-WH A2549HK-2x4P A2012WVA-F-6P A2541WV-S-2x4P A1276HE-2x6P A2508WR-4P-GWT A2541WV-2x5P-LK-9T-N9 A2547FCA-N-2x15P A2508WR-7P A2541H-N-6P A2547FCA-N-2x13P-G A3961H-2P C6351S-4P C4201HF-2x11P-V0 C4201HM-2x12P-V0 C6351S-3x2P A2006WVD-F-2x17P A2505WR-8P C6351S-2P A2007WVD-5P C4201HMA-2x3P C6351M-TB A2007WVD-12P A2008HB-3P C6351HM-6P A2007WVD-9P C4201WR-F-2x3P C6351HM-5P A2509WV-9P C4140WV-2x8P-KK C6351HM-4P C1581HFC-3x2P C4201WR-F-2x2P C6351HM-3x5P A2007WVD-13P C4140WV-3x3P C6351HM-3x3P A2549WRB-4P A2547WR-5P C3963HF-3P C3030HM-2x11P C4201HFA-2x7P-V0 C3030WVA-S-2x5P D1001WR-S-6P A2550H-10P C3030WR-S-3P A2506WV-5P A2005HB-N-2x4P-E C3030WR-2x3P-LCP A2507WV-4P A5081WV-6P C3030HFWV-2x3P A3501WVE-F-2P C4201HF-3P-A-CJT C3030HF-2x12P A3501WVE-F-8P A2547H-2x13P C2521HM-9P A2508WV-S-4P-F C6351HM-3x2P C2504HM-3P C3030WR-F1-2x7P-H30-LCP-HCS-RE A2501HMB-2P A2512SB-10P A1501WRD-S-8P-9T A2012WR-S-2P-LCP A2508HC-5P A2010HA-6P A2550H-12P-A A2012WVA-F-2P-H B1803-TB C3030WR-2x1P A2012WRA-F-5P C3030WV-F-2x5P A2508WV-7P-H A2010WRC-S-7P A2005WV-N-2x11P-A A3965H-5P A2008WV-S-2x4P A1252WV-S-2x7P-G C4140WV-2P A1501WV-13P A2501WVR-10P A2547HJ-2x4P C3030WR-2x4P A2005H-N-2x10P-B-66 A3502H-11P C3030WR-2x3P A0501H-51P A2547WVRB-2x32P-KK C3030WR-2x3P A2501WVR-6P-2 A1257WR-S-2P-LCP C3030WR-2x2P A1002H-10P-2 A1501WR-S-2P-LCP C3030WR-2x10P A2550H-3P-A4 A2547WVA-9P-G C3030WR-2P-LCP A2547WV-N-2x5P-6T A5001WVA-3P C3030HMB-2x4P A2005-GP-A-G20 A2547H-2x20P C3030HMB-2x3P A1276WV-6P A2547WV-14P C3030HMB-2x2P A2505WVA-4P-2-LCP-CRE A3963WV-12P C3030HMB-2x11P A2508HMA-6P C3030HF-6P C3030HMA-6P A2509HMA-10P C4201WR-2x8P-V0 C3030HMA-5P A2010WR-8P C4201WV-2x6P B1501H-5P C3030F-TP-E A2508HA-10P B1501H-3P A2010HWRF-3P A2508WV-F-2P-H B1271WR-S-F-2x10P A2509HFA-2P-NAT A3961H-4P B1271HWR-S-F-2x16P C3030F-GCA-D-H C4201WV-2x4P B1251H-8P A1501WVE-S-2x11P-NK A7921WVA-12P-76-C-F1 C6351HM-3x2P A2012WVB-S-F-2P A2550H-12P-M C6351HM-3P A2005WR-N-2x12P-C A3961WVB-3P C6351HM-2P-BK A2508HA-2x6P C4201HM-2x8P-V0 C6351HM-2P A2006WVD-2x15P A5082H-6P C6351HFI-4P A2006WVD-F-2x7P A1002WV-S-8P-LCP C6351HFI-3x3P A2012H-7P A1251WV-S-8P-LCP C6351HFI-2P C4201HM-2x3P-GWT A1501WV-S-8P-LCP C4201HF-2x5P PCIE-0801WRB-S-F-52P-H40 A1251WV-2P-46 C4201HF-2x4P-V0 A1002HB-9P A2509HMA-6P C4201HF-2x3P C5081HF-3P A2503WRA-2P-NK C4201HF-2x2P-V0-BK A2508WV-F-5P-N2 A3963WR-2P-L C4201HF-2x1P-V0 A2005WV-N-S-F-2x10P-A A1251WV-S-6P-LCP C4201HF-2x1P C4201WVS-2x15P A2501WR-S-2P-LCP C4201HF-2x12P A2506WV-5P A5081WV-4P C6351WV-2P-F A2006WV-2x14P-IV A2508WV-F-3P-A C6351WR-6P-M-V0 A2507WV-11P A1002WV-S-3P-LCP C4201HFB-2x2P A2005HB-N-2x2P-E A2550H-12P-BL C4201HFA-2x9P A2543WRD-7P C4201F-TB-H-48 A1276WVE-S-F-2x4P A2550HK-7P A2508WV-5P A1257H-11P A2508WV-S-2P-F A7921WVA-8P-0B-C A1251WR-2P A2508WV-S-4P-F A2547HJ-2x17P A2543WRD-8P A2508HA-9P A7921WVA-2P-0F-B A2505WR-4P C3030HFB-2x8P C4140HM-2x3P A2008WR-S-2x13P A2549HI-2x13P D3961WV-6P PCIE-0801WRB-S-F-52P-H70 A2549HI-2x12P A2011HA-2x4P C4201M-TB-HH C4201WVA-F-2x3P-GWT A2547H-12P C2521HM-11P C4201HM-2x1P-A A1251WV-S-4P-LCP C2003HF-8P C3030HFWV-2x6P A3963WV-10P B3952H-5P C3030WVE-F-2x6P C4140WV-2x4P-KK A7921WVA-7P-0C-C1-A A3961H-9P C4140WV-2x3P-KK A3961WV-3P-A A2543WVA-10P-WH A2550HK-18P A2549-TP-B A3961WR-3P A3961-TP A2549HB-2x5P XCC4201HF2x3PA1251H6P-300-01 A2508WR-F-3P-A A2547HS-2x8P A0801HA-4P A2008WR-S-3P-LCP A2547HG-2x10P A0801HA-6P C4201WV-2x12P B1251H-7P A2508WV-8P-N6.7 A2547WRA-10P-G B1251H-5P A2006WRD-2x14P A7921WRA-2P-80 B1251H-3P A2010HC-6P A2549H-2x12P B1251H-14P A1275HA-20P A2512WR-S-2P C3030WR-F-2P-LCP A2012HG-2x13P C6351HM-2P-V0 C3030WRB-NF-2x3P-9T A2012HG-2x11P A2547HG-2x5P C3030WR-8P A2012HG-2x12P A3963H-4P C3030WR-7P F1001WVA-8P A2011HA-2x7P C3030WR-6P F0500WR-S-20P-B0 A2508WV-F-13P C3030WR-4P-LCP LBA0801H4P202-25-01 A2010H-3P C3030WR-3P-LCP PCIE-0801WRB-S-F-52P-H40-G30 A2509HA-4P C3030WR-3P XCC4201HFA2x3PA2001H6P-300-01 A3502H-9P C3030WR-2x9P PCIE-0801WRB-S-F-52P-H90-HF-G10 A2547H-2x5P C3030WR-2x7P MTA2008H2x7P02-180-01 A2505H-10P B2011H-5P C3030WR-F-2x5P-LCP C4201HFA-2x3P-V0 B2011H-4P USB-ACF016 A2005HB-N-2x8P-J B2011H-3P A2005WR-S-3P C4201WV-4P B2011H-3P A3963H-2P C4201WR-F-2P C4201HFA-2x8P A7921WVA-3P-39-C A2001WR-S-10P-LCP C4201HFA-2x7P-V0 A2008H-2x3P A2010WV-6P C4201HFA-2x5P A1276WV-7P A5001WVA-3P-A C4201HFA-2x3P A2541WV-S-2x6P A2012WVA-F-15P C4201HFA-2x2P A2541-GP A1251WV-S-14P-LCP C4201HFA-2x18P C4140WR-2x4P C4140HF-2P-V0 C4201HF-5P-V0 A2005HWV-S-2x4P-Y C6351HF-3x2P C4201HF-3P A2005HB-N-2x15P-D A2008WR-S-5P C4201HF-2x7P-V0 A2509WV-F-5P C4201WV-2x2P-V0 C4201HF-2x7P A2509WV-F-5P-G C6201HF-2x4P C4201HF-2x6P A2509WV-F-3P-G A3963WVD-F-5P-H C2003SB-10P A3963WVB-2P A2012WV-5P-LCP C2003M-TP A2012H-10P A2505WV-4P C2003MB-TP-L A2005H-N-2x17P-B-66 C4201WV-2x10P C4201WR-F1-2x9P-V0 A2005H-N-2x8P-A A1002WRB-S-10P-6T C4201WR-F1-2x5P A3501SA-2P A2012WVA-F-5P-H C4201WR-5P A1502WV-S-3P-LCP A2508WV-11P C4201WR-4P A7921WRA-RH-3P-0A-BK A3964-TB C4201WR-2x9P C3030HMB-2x11P C4201WR-F-2x4P C4201WR-2x8P-V0 A4001HG-5P C5030HF-1P C4201WR-2x7P B0801HF-S-F-2x20P A2547H-2x25P C4201WR-2x4P D3961WR-5P-2 A2010WV-8P C4201WR-2x3P D3961WV-12P C6201HM-2P-GWT C4201WR-2x2P D3961WV-7P-G A2010H-4P C4201WR-2x2P A2550HD-7P A2508WR-3P-RD C4201WR-2x1P-V0 A2006WVU-S-2x20P A2547HA-2x5P C4201WR-2x12P A1002WVA-S-2x12P A2547WRA-F2-5P-G C3030F-GP-D C3030WR-2x8P-LCP A3961WV-10P-G B2011H-2x8P A2006WVU-S-2x17P A3963WR-6P B2011H-2x12P C3030WR-2x1P-LCP A3965WR-8P-GWT B2011H-2P-AW A2541WVA-S-2x5P A3965WV-8P-GWT B1801-TP A4001HJ-2x2P-Z C4140HM-3P B1502H-7P A4001WRJ-F-2x2P-Y C4201HMB-2x11P B1502H-6P A4001HJ-2x2P-Y C6351HM-4P-NK B1502H-4P A4001HJ-2x2P-X A1251WV-7P-46 B1502H-3P A2012WRE-S-6P A2012WR-S-15P-LCP B1502H-2P A2008WV-7P A2501WV-8P B1501H-8P C3030WV-F1-2x2P-LCP-HCS A2501WV-5P-2-6T C6351HF-2P C3030WR-3P-LCP A2508HMA-11P C4201WR-2x5P A2008-TP-E A2509-TP-B C4201HMA-2x2P-V0 A2006WVU-2x16P A2512HA-9P C3030WV-2x4P-LCP-HCS A2547WR-7P A2543HA-6P-WH A7921HC-7P-0A A3961WVA-2P-V0 A2543WVA-2P-RD C2003HMC-8P D0601WR-S-2P A2543WRA-2P-RD-2 C2003HMC-6P A2012H-14P A2547HF-2x3P C2003HMC-5P A1275WV-2x20P-G A2547HD-2P C2003HMC-4P A2010DS-3P A2550H-10P-A2H C2003HMC-3P D3961WV-4P-G A2550-TP-E C2003HMB-4P D3961WV-4P-H A2550H-3P-B C2003HMB-2P D3961WV-2P-H A2550H-6P-H C2003HM-7P A2005WV-N-2x7P-A-CRE A3963WV-3P-A-RD C2003HM-6P C2003HMC-4P-GWT A3963WVD-F-3P-H-A-GWT-RD C2003HM-5P C4501HMA-3P A3965WV-3P-A-GWT-BK C2003HM-4P A2550HK-2x30P A7921H-2P C2003HM-2P C4201HMB-2x2P-A C2003HMB-2P C2003HFB-8P C4201HM-2x7P-V0 C2504HM-3P A2547WVA-F-8P-G C4201HFS-2x14P C3030HM-7P A2547WV-8P C4201WV-2x4P C3030M-TS-L C2363HM-2x3P C4201HV-2x12P-V0 C4201HF-2x6P-BK C2020M-TP C4201WRS-2P A1252-GP C2020HMA-2P C4201WR-F-2x2P-GWT-BK A1501WR-3P C3030F-GP-A-L C4201WRS-2x8P A2512SB-9P C2521S-2P C4201WR-2x5P A2512SB-3P C2521M-TP C4201WR-F-2P A2547FC-N-2x5P C2521M-GP C4201WVA-F-2x12P C2504M-GB-G15 C2521HMB-2P C4201WRS-2x14P C2003M-GP C2521HM-8P C4201WV-2P-V0 ARA2501H3P-260-01 C2521HM-7P C4140WV-2P-KK A2010WVA-F-4P C2521HM-6P-WH C4140HMA-2x2P-V0 A2543WR-3P-2 C2521HM-5P-WH C4140WV-2x6P-GWT C4201HM-3P-GWT-MD C3030HF-2x5P C4140WV-2x3P-GWT C2504HFA-8P C3030HF-2x4P C4140WV-3x5P A5001WRA-3P C3030HF-2x4P C4140WR-2x5P A2010WVA-F-3P C3030HF-2x3P C4140HM-2x2P A2010WVA-F-5P C3030HF-2x2P-NK C4140WV-2x5P-GWT A2001WV-7P C3030HF-2x2P C4140WV-2x8P-GWT A3963WV-9P-N2.4.6.7.8 C3030HF-2x11P C4140WR-2x7P A2508HM-4P A5082H-4P C4140HM-3x3P C3030F-GCA-D-H A2550H-20P C4140HMA-3P-V0 A2549-TP-I A2508M-TP-B-H A2550H-5P-CR A2006WVB-2x10P A2501WV-F-8P A2541H-2x25P A2001WV-3P-YL A2501WR-4P C4140HM-1P-V0 A3501-TCA-E A2011HA-2x9P C4140HF-3x5P A1276HWV-5P-H20-G15 C4501HMA-2P C4140HF-2x6P A1257WV-S-2x15P C4201WV-2P C4140HF-2x5P A2512WR-2P B2011-TB A2541H-2x7P A2006WV-2x4P-IV B2011HA-2P C3030WRB-2x6P-9T-G15 C4201WVA-F-2x2P B2011H-8P A5001WRA-4P A2006WVU-2x10P B2011H-7P C2504HMC-4P-BK A2001WR-8P B2011H-6P A5081WV-10P A2005WR-N-2x2P-A-D22 A3963WVD-F-4P-GWT A5081WV-2P A2010HC-4P A3963WV-5P-A A5081WV-12P A2008H-2x4P C2020HF-2x3P A5081WR-10P A2008WV-2x5P-46-D300 C2020HF-2x2P A5081H-9P A2008WR-S1-F-2x17P C2003SB-8P A5081WR-2P A2508HC-10P C2003SB-5P C2504HM-2P A2549HIA-2x2P-A C2003SB-4P C2504HMA-2P A2012WV-S-8P-LCP A3963-TP-L A2361HMA-2P A2512WV-7P A3963H-7P C3030WV-8P A2543H-4P A3961WV-9P C3030HMA-2x9P C2521HM-2P-WH A3961H-3P A3963WR-5P A1002WRB-S-10P A3502WR-9P A3963WVD-F1-5P A2512WV-10P A2550-TP A3963WR-10P A2010WVC-S-10P A2550HK-18P A3963WV-8P-N3.5.7 C2501HF-2P A2550H-9P-A A3963WRD-8P A2512WV-6P-6T-RD-N2.5 A2550H-5P-B C2521HM-11P A2512WR-6P A2550H-12P-M C2504HFA-9P C1581HFB-2P C3030HF-12P C2504HM-12P A2501WV-6P-2-GF C3030HF-10P C2504HMA-8P A2004WR-8P C3030F-TP-D C2521HMB-2P A1002H-4P C3030F-TP-A-L C2504HMA-7P A2001WV-2P-3-BL C3030F-TP-A C2504HFA-11P A2509WV-6P-BL C3030F-GP-D-G15 C3030HM-2x8P A3963WVD-F-3P-H-A-GWT-YL A2512WV-F-11P-H C3030HMC-2x8P C2003HM-2P A2512H-7P C3030HMA-2x11P C4201HM-2x1P-V0-RD A2509WR-2P C3030HMA-2x2P A2008WR-4P A2508WV-F-3P A3963H-3P-BK A2543WRA-2P-WH-2 A2508WV-2P A3963HM-10P-GWT A2504WV-5P A2508WR-4P A3964H-3P-V0 A2005WV-N-2x10P-A A2505WR-10P A3964H-6P-V0 A2508WRA-2x5P-TR A2549WRB-2x10P A3964H-7P-V0 A2547WVB-3P A2549HE-2x3P A3965HA-5P A2010WRC-S-15P A2549HB-2P A3964H-4P A3963WR-5P-A D1272H-8P C2504HF-10P A2550H-25P D1272H-6P C1301AHF-2P A7501HB-5P D0801WV-S-3P-LCP-G C1301AHMA-2P C4201HF-3P-CJT C7110HM-2P C1581HMA-3x5P A2512WR-3P C6351WV-F-4P-M-V0 C1581HMA-3P A2010WRC-S-14P C6351WV-F-4P-F-V0 C1581HFC-3x3P A2512WR-2P-GWT C6351WV-5P-M A7921HC-3P-0A A1002HB-12P C6351WV-3x3P-R C4201HFB-2x3P A1256H-4P C6351WV-3x2P-M-V0 C4201WV-2x5P A2006WV-2x6P C6351WV-3P-M-V0 C4201HM-2x6P A2008HB-5P-BL C6351WV-3P-F A7501HFA-8P A2008WR-S-2x8P C6351WV-2P-M-V0 C4201WR-2P A2008WVA-12P C6351WV-2P-M C6201WRB-F-2x6P A2501WVHM-3P D3961HA-3P-OR C4201WVG-F-2x4P A2502WV-8P A2502WV-5P C4201WV-2x4P-V0 A2512H-5P-GWT A2501WR-3P A4001HE-8P A2512HA-3P A2012WVA-F-11P A4001HE-14P A2512WV-8P-G2 A2011HA-2x6P C4201WR-3P A2547H-2x20P A2508SA-4P C4201HF-2x1P-GWT-CJT A2547HM-8P-66 A2501WR-9P C4201HMA-2x3P-V0 A2550H-3P-D A2005H-N-2x20P-B C4140HM-2x4P-GWT A3961H-11P-3-V0 A1002WVB-S-8P C4140WR-2x8P A2550HH-18P C4501HM-3P C4201WRG-F-2x3P A3965HM-5P-GWT C4140HF-2x9P C4201WRG-2x4P A3965WR-5P-A-GWT B1251H-2P C4201WR-2x12P B2012H-11P A7921-TP-A C4201HF-2x12P-V0 C2003HF-2P A7921HC-4P-0A C4201HMB-2x8P C1581HMB-2P A5081H-2P C4201HMA-2x5P C2020HM-1P D3961H-2P-RD C4501S-4P C4201HF-3P-A-V D2541WV-F-3P C3030HMA-4P A1501WV-8P-46 D2541WV-F-2P C3030HMA-2x7P A2008-GP D2541WV-3P C4201WV-2x12P C4201WV-2x1P-G2 D2541L-3P C3030HMA-2x3P B2515H-4P D2541HC-2P-RD C4201WR-F-2x9P A2547H-6P-2 D2541HB-3P-RD C4201HFB-2x5P-V0 C6201S-4P-IV D2541H-8P-RD C4201HMB-2x4P-V0 A2543WR-2P-2 D2541H-4P-RD C4201WR-F-2x4P A2543WR-6P-2 D2541H-3P-RD C4201HFS-2x4P A2504WV-6P D1275HWV-4P C4201WV-2x6P A2501HWR-10P C4201HM-2x3P A2541WVA-5P-6T C4201WVA-2x1P C4201HM-2x2P-V0 A2508WV-F-8P C4201WR-F-2x3P C4201HM-2x1P-V0 A2005HC-N-2x15P A1008H-2x10P C4201HM-2x1P A2005HC-N1-2x15P C6201S-3P-IV A4001-TP-E A2549HI-2x16P A2001WV-12P A3965H-10P A2549HC-2x12P A2543WVA-3P-WH A3963WVD-F-2P-H C5030HF-4P C3030WVB-2x2P A2505H-3P C5030HFC-2x2P A2512HA-6P A2008WR-3P A2547WRA-7P-G USB-USA08FR A2008-GP A2547WVA-8P-G-NK A2008WV-2x9P-6T-BK A2006WVB-2x8P A2547WRF-5P-G C4201WVA-FL-2x4P-V0 A2005HB-N-2x5P-C C4201HF-3P-V0-CJT A2502WV-6P C4201WR-2x2P-V0 C4201HF-2P-V0 A3963H-6P C4201HM-3P-GWT-MD A2509HM-2P A3963WVD-F-6P B3961BW-8P A2503WVA-16P A2550HM-6P A5001WVA-4P D3961WV-4P-D620 C4140WR-2P A2550H-19P C5030HFC-3x3P A2502WVA-5P A2547WV-N-2x20P C5030HMC-2P D2541H-2P-WH C4201HM-2x12P C5030HMB-2P C4201WR-2x6P-BK-G2 C4201HFSB-8P C5030HMC-4P A1253-TP C4201HFS-2x3P C4201HMB-2x9P A1501M-TP C4201HFS-2x2P C4201HFA-2x4P-V0 A1501HA-7P-GWT C4201HFS-2P A2550H-17P-A A2001WV-7P C4201HF-N-2x2P-V0 A2550H-20P-A A2005WV-S-F1-2x4P-H15 C4201HFC-2x2P A2550H-24P A2006WVA-2x15P C2501HM-2P-WH A2508WR-F-12P A2012WRA-F-5P C2363HMA-4P A2549WV-2x10P A2501WV-3P-2-6T C2363HMA-1P A4001HE-23P A2547WRE-6P-G A2547WVA-16P-G A2508WR-11P C4140WV-2x10P-G15 C4201WR-F-6P A2508WR-F-6P A1251H-6P C4201WR-F-3P A2549WVB-5P A2002WV-3P C4201WR-F-2x6P A2549HK-4P A2006WRB-2x4P C4201WR-F-2x5P A2509WR-8P A2008H-4P C4201WR-F-2x5P A2549WVB-2x6P B2512H-2x7P C4201WR-F-2x4P A2549WR-2x15P A2509WV-3P C4201WR-F-2x3P A2549WR-2P A2541WR-2x4P-9T-N7 C4201WR-F-2x2P A2549WRB-2x8P-BK A2549WRI-2x2P-BK-G C4201WR-F-2x1P-V0 A3964H-7P A2508WVC-F-5P C4201WR-F-2x1P-G A3965H-2P A2006WVB-2x8P C4201WR-F-2x1P A3963WVD-F-11P-A-GWT C2521HM-3P-WH C4201WR-F-2x10P-V0 A3965H-4P A3964H-4P-GWT C4201WR-F-2x10P A3965S-5P-GWT C1581HFB-2x2P C3030HF-2x5P C5030HMD-2x4P A3963WVD-F-6P-H C2363HM-3x3P A2508WV-4P-H A1002WRB-S-5P C4201HM-2x8P A2508WV-F-4P-H A2501WV-2P-RD C4201HM-2x7P A2508WV-10P-H A2547FCA-N-2x5P C4201HM-2x5P A2508WV-F-8P-H A2508WV-S-6P-F C2504WR-5P A2508WV-F-7P-N2.3 A2012WVA-F-6P-H C2504WR-4P A2508WV-8P-H A2512WV-4P C2504HMC-4P-BK A2508WV-F-5P-H A3963-GP C2504HMB-2P A2508WV-5P C6201FB-TCA-H C2504HMA-5P A2508WV-10P A2005HB-N-2x9P-D C2504HMA-3P A2509HA-6P A5001HB-3P C2504HMA-2P A2509HM-4P A2006HU-2x11P C2504HM-6P A2509HM-6P A1251-TPS C2504HM-12P A2509HA-8P A1502WV-S-3P-LCP C2504HFA-6P A2005HWV-2x40P-6T A1502WV-S-6P-LCP C2504HFA-2P A2547FCA-N-2x7P A2006WVB-2x2P C2504HFA-10P A2547WVC-2x7P-6T A2008HB-6P A2509WV-5P A2547WR-N-2x5P-9T-D25 A2501WR-2P A2509HA-11P A2541HWV-2x10P-U-H71-6T-G30-GN A2543WR-3P C4201WV-2x7P A2543H-3P-2-GWT A2543WVA-4P-RD C4201WV-2x6P A2541WR-7P-6T-N2.3.4.5 A2550H-9P-CR C4201WV-2x5P-46 A2543H-4P-GWT A3963WVD-F-5P-H-N4 C4201WV-2x5P A2549HA-6P C2003HF-3P C4201WV-2x4P-V0 A2547HJ-2x7P A2541H-N-2x4P C4201WV-2x4P A2547WVRB-2x9P-KK C3030HM-2x10P C4201WV-2x2P-V0 C4501HF-3P A1255-GP C4201WV-2x2P-46 C4501HF-1P A2011WR-2P C4201WV-2x1P A2010HA-10P A2504WV-3P C4201WV-2x12P A2008HB-4P-BL A2006WRU-F-2x9P C4201WV-2x10P A2008HB-8P A2008WR-9P C4201WRG-F-2x4P-A A2008HB-5P A2501H-5P C4201WRG-F-2x3P A2547WR-7P A2008WV-2x9P-46-D300-TR A2505H-2P-YL A2547WR-F-12P A2543HB-10P-WH A2502WV-10P A2547WR-17P A2512WR-4P C6351HFA-4P-V0 A2547WRA-F2-4P-G A3963HM-8P C6351HFA-3x5P A2547WRC-2x25P C6201HF-2P-BL C6351HFA-3x3P A2547WRA-F2-6P-G A2547WVA-7P-G C6351HFA-3x2P A2547WRA-19P-G A2501WR-4P C6351HF-8P A2547WVA-F-5P-G A2547WV-9P-T-NK C6351HF-6P A2547WRA-F-14P-G C4140WV-2x2P C6351HF-5P-V0 A2547WRA-F2-16P-G A3963WV-8P C6351HF-5P-GWT A2547WRA-F-10P-G A2001WR-3P C6351HF-3x5P-V0 A2547WVC-2x10P A2006HU-2x5P C6351HF-3x5P A2547WVA-19P-G A2006WVB-2x5P C6351HF-3x3P A2005HWV-S-F-2x18P A2512H-4P-GWT C6351HF-3x2P A2005HWV-S-F-2x14P A2547H-8P-NK C6351HF-3P-V0 A2005HWV-S-F-2x20P C2003HM-2P-GWT C6351HF-3P A2005WVA-S-F-2x18P B2011-TP C2504HF-6P A2005WVA-S-F-2x20P A2549HD-12P C2504HF-2P A2547WVA-F-2P-G A2005HWV-2x6P-6T A2010HC-3P A2547WVA-F-4P A2508WRA-2x7P-TR A2010DS-15P A2547WVA-12P-G C3030WV-F1-2x2P-LCP-HCS A2008HA-4P A2547WRA-12P-G A2501WR-6P A2008H-2x4P A2547WRA-5P-G C4201WVA-FL-2x4P-V0 A2006HD-2x6P A2547WRA-6P-GA A2006H-2x4P A2005WV-N-S-2x10P-A A2547WRA-10P-GA A2001WR-7P A2005HWV-S-F-2x2P A2547WRF-3P-G D2541WV-3P A2005HB-N-2x6P-E A2547WVF-4P-G C4201WR-2x3P-RD-G2 A2004WV-3P A2547WVA-F-6P A2005HB-N-2x11P-D A2001WR-16P A2547WRA-14P-G A2008H-12P A1502WV-S-8P A2547WVA-11P-G A2547WRA-F-4P-G A1501-TP-E A2547WVA-3P-G C3030HF-2x2P C3030HM-2x2P-A A2547WRA-6P-G A2503HA-2P C3030HM-2x2P A2547WRA-3P-G A3963WVD-F-3P-H-A-GWT-GN C3030HM-2x1P A2547WVA-8P-G A1252WR-2P C3030HM-2P A2547WVA-F-13P-G A2008HA-5P C3030HFWV-2x7P A2547WVA-6P-G A2008H-5P C3030HFWV-2x10P A3963WR-2P-GWT A2008H-2x9P C3030HFB-2x5P A3963WR-3P-A-GWT A2501HMB-7P C3030HFB-2x4P A3963WV-3P-46 A2502WV-2P C3030HFB-2x3P A3963WV-2P-46 A2512WR-5P-GWT C3030HFB-2x2P-H A3963WVD-F-4P-GWT A2550H-12P-C C3030HF-6P A3963WV-5P-46 C2521HF-4P-WH C3030HF-5P A3963WV-3P-A-RD C4201WVA-F-4P C3030HF-4P-GWT A2550H-5P-C A1002H-3P C3030HF-3P A2508WR-10P A2006WVD-S-2x5P-KK C3030HF-2x9P A3501HA-2P A1257WV-S-12P C2003MB-TP A5001HB-5P A2550H-12P-CR C2003HF-6P A5001HB-4P A1254WR-S-12P-G C6351HF-1P-V0 A3963WRD-3P-GWT A2006WVB-2x4P-D24 C6351HF-1P A3963WVD-F-13P-A-GWT A2504WV-4P C4140WV-3x3P A2550H-16P-M A2008WV-2x5P-46-D300-TR C4140WV-3P A2550HM-19P A1002WRB-S-14P C4140WV-2x3P-G15 A3961WVB-10P A2005H-3P C4140WV-2x2P-G30 A2550H-2x21P A2005HB-N-2x7P-FI C4140WV-2x2P-G15 A2005HB-N-2x6P-G A2512WR-2P C4140WV-2x2P A7501HFA-3P A2501WV-4P-46-HF C4140WV-2P C3030HMB-2x3P A3963WVD-F-5P-H-A C4140WR-3P C4201HMB-2x4P A1501-TPC C4140WR-2x6P-G A2550HK-30P A2008H-2x4P C4140WR-2x5P A2550H-8P-CR B2011H-4P C4140M-TP A2550H-20P-CR C5030HMC-2P-BK-GWT C4140M-TB-L A7921WVA-7P-0C-B-A C5030HFC-2P-BK-GWT C4140HMA-3x3P A3961WVB-10P-GWT C5081M-TB C4140HMA-3P-V0 C4140WV-2x10P-KK D2541WV-F-3P C4140HMA-3P A3961WR-3P C3030WR-2x2P-LCP D3961HA-6P-OR A3501HA-2P-GY A1002HB-2P D3961HA-5P-OR A3961WRB-F-5P A1501HD-3P A2550H-12P-CR A3961H-5P-V0 A2001WR-5P A2549WRB-2P A3961WV-8P A2001WV-3P A2547WVE-4P-G C6351WR-2P-M-V0 A2512HB-5P A2547WVA-6P-G A3961WVB-F-8P A2511WR-2P A2547WR-F-5P C6351WR-5P-M-V0 A2541HWR-S-F-2P-WH A2547WRA-F2-4P-G A3961H-3P-V0 A2549-TP-C-L A2547HJ-5P A3961H-15P A2549HD-10P A2547HA-2x20P A3961WRB-F-7P C1581F-TB-LL A2543WVA-4P-WH A3961WVB-F-9P A2512SA-5P A2543WRA-3P-WH A3961WVB-F-10P C6201S-2P-IV D3961WV-8P A3961WRB-F-6P A2001WV-2P-RD D3961WV-6P A3961WRA-4P C4201WVA-FL-2x4P-9T-BK D3961WV-5P-N3-G A3961WVB-F-7P RJ45 C1581HMB-2P A3502H-9P A2508HB-8P C1301M-TP A3961WRB-F-4P A2006HU-2x16P B3952H-F-2P A7501H-3P C2504HM-10P B2515H-5P A3961WVB-F-6P A1257H-2x10P B2011-TP A3502H-2P A2501HWV-4P B2011H-2P C4140HMA-2x2P A7921WRA-R-4P-0A C3030HMA-2x3P C4140WV-2x5P C5030HFB-3P C3030HMA-2x1P D2541WV-F-10P A2547WVB-6P C3030HMA-10P A3964H-12P C4201HV-2x5P-V0 C3030HM-6P A7921WVA-7P-84-C-A A1253H-9P C3030HM-2x7P C4201HF-5P ARC2521HM2PB2011H2P-50-01 C3030HM-2x6P C4140HF-3x3P-V0 A2001WV-6P C3030HM-2x4P C4201HF-2x6P-V0 C6351HFI-3x4P C3030HM-2x3P A3502H-12P C4201HF-2x1P-GN A1257H-5P A2547HA-2x13P A1002WR-S-9P A1254WR-S-14P-G A2547HA-2x14P A1002WV-S-18P C1581HMC-2x3P C4201HFI-2x9P A1201WRA-S-5P C1581HMC-2P C4201WV-2x3P A2004WV-8P C1581HMB-3x5P A2547WRA-S-F-16P-G A2501WV-4P-6T C1581HMB-2x2P C4201HMB-2x12P A2543WV-10P C1581HM-1P C4201HMB-2x3P-V0 A2550H-22P C1581HFC-5P C4201HMB-2x12P-V0 A2012WVA-F-8P C1581HFC-3x3P C4201HM-2P-V0 A2012WVA-F-6P C1581HFC-2x2P C4201HM-2x4P-V0 A2012WVA-F-10P C1581HFB-4P C4201WR-F1-2x12P-V0 A2012WVA-7P C1581HFB-3x2P C4201HMA-4P A2501WV-3P-RD C1581HFB-3P C4140HM-2P-GWT A2501WV-14P C1581HFB-2x2P C4201HFC-2x2P-V0 A2501WV-S-3P A2501WV-7P C4201HFS-4P A2507H-11P A2501WR-12P C4201WR-F-2x7P A2504WR-4P A2501H-9P C4201HFA-2x2P A2503WR-12P D3961WV-5P C4201HF-2x5P-GWT A2507WV-8P D3961WV-3P C4201HF-2x4P-B-V A2507WV-5P D3961WV-2P C4201HF-2x5P-V0 A2507WV-12P D3961WV-13P A2541WV-2x13P-LK-9T-N26 A2508WR-F-2P-YL D3961WV-10P B1251H-10P A2511H-4P D3961WR-4P-2 A5081WV-4P A2512H-4P-RD D3961WR-2P-2 B2512H-11P A2512H-4P-BK D3961L-5P B2513H-2P A2541H-13P C4201HMA-5P A5081WV-3P D2541HA-4P-RD C4201HMA-4P C4201HFB-2x4P-C A2006H-2x15P C4201HMA-3P B2515H-3P A2006WV-2x2P C4201HMA-2x3P-V0 B2512WV-4P A2001WV-10P C4201HMA-2x3P B2012H-6P A2503WV-2P C4201HMA-2x2P B2541AW-4P C3030HF-2x10P C4201HMA-2x1P-V0 A2550HM-25P-BL A2005HB-N-2x10P-D1-SG A1252WR-S-6P-G C4201WR-F-2x1P-GWT-BK C1301HF-2P A1002WRB-S-10P-6T C4201HM-2x3P-GWT C3030WR-2P A0801H-4P A2547WRA-S-F-14P-G B2541AW-6P C6351S-3x4P C4201HF-2x3P-B A1251H-6P-GWT C6351HFA-4P A3961WVB-16P A2006HB-2x10P C6201HM-1P C4201WV-2x3P-B A2502WV-12P C6201FB-TP-L C4201HFC-2x2P C2504HMC-4P C5030HMB-2x2P A2008WR-S-2x4P C2003HMC-3P C4501S-2P C3030WR-F-2x10P-LCP C2003HMC-4P C4501HM-3x4P A2541HWV-2x7P-U-H50-6T A2005H-4P C4201WVA-FL-2x4P-V0 A2541HWV-S-11P-A-U-H35 C2363HMA-4P C4201WVA-2x1P-V0 A2541HWV-2x11P-6T A2009H-2x9P C4201WV-3P A2005HWV-2x17P-6T C4501F-TP-H A1276WVK-S-2x10P-G15 A2005HWV-S-2x6P A2541HWV-S-2x14P-U A1255WVA-S-4P A2005WV-S-F-2x28P B3952H-9P A1251HM-2P A2005WR-S-14P A2541WV-S-F-2x4P-H20 A2012WVA-F-2P A2005HWV-2x13P-6T A2001WV-4P-LK-3-46 A2012WR-S-5P-LCP-G C3030WR-2x10P-LCP A2541WR-2x5P-6T-C400 A2011HA-2x14P C4201WVD-2x5P B2011H-3P A2010WV-6P A2547WV-3P C2003HF-3P A2010WRC-S-14P A2005HWV-N-2x18P-W40-6T C4501M-TP-L A2010HC-2P C4201WVD-2x12P-V0 B1000H-21P A2010DS-3P C4201WR-2x6P A2541H-N-2x6P A2009M-TP-A A2550HK-2x15P A2005H-5P A2008S-8P A2550H-2x7P A2008WR-2x3P A2008HB-5P A2541HWV-2x24P-6T A2501H-9P C6351F-TP-A A3964H-6P A2547WV-S-4P-2 C6201WVC-3P A3961WRB-F-8P A3965WR-2P-GWT C6201WVC-2x2P A3963WV-4P-N2.3 A2012HA-5P C6201WVC-2P C3030HF-4P-GWT A2012H-12P C4201HMA-2x1P C3030HF-2x8P A2547WR-S-F-5P-LCP C4201HMA-2P A2550HM-16P A2012WV-F-2x5P-PBT C4201HM-3P-V0 A2550H-2x22P C3030WV-2x12P-LCP C4201M-TB-H A2550HA-2x10P A2008WV-2x6P-G3-D300 C4201M-TB A2550HH-13P A2012WV-6P-LCP C4201HV-2x9P-V0 A2550HH-20P A3965WV-9P-GWT C4201HV-2x5P-V0 A2550HA-2x11P A2001WR-S-16P-LCP C4201HV-2x12P-V0 A2550HH-19P B1000HM-21P C4201HMD-2x2P A2550HA-2x7P A1502H-2P C4201HMB-2x9P A2550H-2x25P A2001H-6P-BL C4201HMB-2x5P A2550HM-18P A2001WR-2P C4201HMB-2x4P A2547WV-13P A2001WV-10P C4201HMB-2x2P-V0 A2550H-2x4P A2001WV-S-5P C4201HMB-2x2P-A A2550H-21P-H A2001WV-S-4P C4201HMB-2x2P A2509WV-4P A2005H-3P A1002A-TP A2550H-12P-H A2004H-7P C4201HF-6P-V0 A2508WR-F-10P A2001WV-S-9P C3030HMC-2x1P A2509WVA-2x7P-G15 A2001WV-S-9P B1502-TP A2550HM-14P A2005WR-S-3P A3963WVD-F-3P A2549WRI-2x10P-BK-G A2005WR-2x6P-C25D10E40 A3963WV-10P A2510HM-R-R C3961HF-2x3P A2550HH-22P A2550H-12P-I A2541WV-2P-LK-9T-C675D450 A2550H-9P-D A2550H-20P-K1.20 KDXFD0801H8P02-150-01 A2550H-12P-A3H A3963WVD-F1-4P A2549HI-2x11P A2541H-16P A3963WVD-FT-15P A2549WVRI-2x11P-KK B1251H-12P A3965H-3P-BK A2549WVRI-2x15P-KK B1001-TP A3963WRH-3P-A A2005H-N-2x6P-B-66 B1000H-S-F-21P A7921WVA-4P-12-C A2506WV-3P-A B1000HM-S-F-21P A3963WRB-12P C3030WR-F-6P-H30-LCP-RE B1000H-21P A3963WR-13P A3963WR-8P A7921WVE-F-2P A3963H-10P C2521HF-12P C4140HF-2x4P-GWT A3963HM-10P A1257WVP-S-2P C6201WV-2x6P A3963H-8P-GWT A2005H-N-2x4P-B C6201WV-2P-GWT A3963WVD-F-10P A2005HA-2x12P-A C6201WV-2P A3502WR-12P A2005HA-PR C6201WV-2P A3502WR-15P A2008H-2x6P C4201HF-2P-V0 A7921WVA-7P-48-C-F1 A1276HWV-S-6P-A-H20 C4201HF-2P A7921WVA-2P-0E-C A2549HB-6P C4201F-TP-A-H A7501HMA-5P-GWT A2512WV-2P-RD C4201F-TCA-A-HH A7501HMA-4P-GWT A2505WV-10P C4201F-TB-HH A7921HC-5P-21 A1255WR-S-F-3P C4201F-TB-H A7921WVA-7P-49-C C4201WR-2x1P-YL-G2 C4201FS-GP-H A7921WVA-6P-0A-C-N2 C4201WR-2x2P C4140WV-3x5P A3963HB-12P C4201WVA-2x6P C4201HMB-2x12P A3963WV-3P-BK A2005WV-S-2x12P-XD C2521HM-12P A7921HC-2P-0B A2541HWV-S-2x18P-U C2521HFB-2P A3963WR-4P A2547WVB-2x13P C2521HF-8P A3963HA-3P-GWT C3030WR-F-2x3P-H30-LCP-HCS-D21 C2521HF-5P A3963HB-3P A7921WRA-4P-0A C2521HF-4P-WH A3961WVB-4P-V0 D3961HA-6P-OR C2521HF-4P A3963H-3P-RD D3961H-2P-OR C2521HF-3P-WH A3963S-3P A2505WV-4P-46 C2521HF-3P A3963HC-2P A1201HA-2P C2521HF-2P-WH A7501HFA-2P A1255H-3P C2521HF-2P A7501HMA-2P A1256WV-S-F-21P C2521HF-10P A7921HD-4P-0C A1501WRA-S-7P-GWT C2521F-TP C4201HFA-2x9P A2001WV-4P C2504WV-6P A3963S-5P A2004H-4P C2521HF-9P A3961WRB-F-10P A2005WR-S-2x2P-RE C2003HF-3P A3963HB-5P A2008H-8P B2541BW-5P A3963H-3P-GWT A2008WR-5P-G3-D300 A3961WVB-6P A3963H-7P-BK A2008WV-2x7P-G3-D300 A2547WRE-16P-G A3964H-2P A2008WV-2x7P-G3-D300 A2547HN-2x7P A3961WRB-F-9P A2501WV-2P-RD A2547-GP-C C6351WR-3P-M-V0-D33 A2501WV-F-7P-H A2012WRA-F-4P C6351WR-6P-M-V0 A2006HA-2x7P A2010WRC-S-6P A3963WVD-F-5P-H C2003HFB-8P A2008WV-S-2x3P A3963H-9P A2006H-2x11P A2005WV-N-2x6P-B A3963WVD-F-8P-H C5081HM-2P A1501WRE-S-F-2x12P A3963WVD-7P-H A2543WRA-3P-2-BK-G15 C4201WVA-F-2x3P C4201WV-2x8P-V0 A1255WVA-S-6P-175-HF-G C4201WVA-F-2x2P-V0 A7501HFA-4P-GWT A2004WV-6P C4201WVA-F-2x2P C4201WVG-F-2x12P C4201HM-3P-V0 C4201WVA-F-2x1P-V0 C4201HMB-2x7P-V0 C4201WR-2x1P-OR-G2 C2003HFB-2P C4201WR-F-2x3P-G C4201WR-2x3P-YL-G2 C2003HFB-10P A4001HG-2x7P C6201HF-1P-GWT C2003HF-7P A3963H-11P C4140HF-3x5P-V0 C2003HF-5P C2003HMC-6P A2501WV-3P C2003HF-4P A2001WRA-4P-P-LCP C4201WV-2x4P-BK C2003HF-2P A2005WV-S-F-2x5P C4201WR-F-2x2P-V0 C2003F-TP A2005WVD-F-2x3P C2363HM-4P C2003FB-TP-L A2012WVB-S-F-5P A2508HMA-4P-RD C2003FB-TP A2547WV-N-2x7P-6T A2001WV-F-5P-H C1801MA-TP A1001-GP-G3 C4501HF-2x2P C1581M-TB-B-L A2547WR-N-2x5P-6T-G15 A2008WVA-8P C1581M-TB-B A2005WV-N-2x11P-A A2001WV-2P-GWT C1581M-TB A2508WR-6P A1801H-2P C1581HMC-3x4P C3030HMA-2x5P A2543HC-4P C1581HMC-3x3P C6201WV-3P-A A2549WVK-N-4P-NK C1581HMC-3x2P C6201S-1P-IV A3501H-2P C1581HMC-3P C6201HFB-2x5P A1501HE-2x8P A2541H-14P C6201HM-3P-GWT C4201HFA-2x2P-V0 C1301HM-3x4P C6201HM-1P-GWT A2008WV-4P-BL A3963WR-6P C3030WVA-2x7P-LCP-3-G15 A2005WR-2x5P-C25D10E40 200x200x80-小样品盒 C6201HFA-2x4P A2512H-6P A2005WV-N-S-2x10P-A-2 A2541WR-2x2P-6T-C400 A1276WV-S-F-2x5P C1301HM-3x4P A2541WR-2x7P-6T-C400 A2547HA-2x15P A2549-GP-K A2006HD-2x14P A2547WV-4P A2547WV-N-S-2x6P A2010DS-5P C3030WR-F-2x2P-H30-LCP-HCS-D21 A2547WV-N-S-2x6P A2012WRA-8P A2006WRD-2x14P A2547WV-N-S-2x10P A2012WR-F-2x9P-GF A2012WR-F-2x5P-D25 A2541WVA-10P-6T A2012WR-F-2x20P-PBT A2008WR-S1-F-2x11P A2541WV-6P-9T-GT15-C813D305 A2012HD-2x20P A2009H-2x9P A2541WV-5P-6T-G10 A1002HP-4P A1008WV-S-2x15P-G15 A2541WV-4P-9T-G15 A4001-TP-J A2008WR-2x5P A2541WV-3x5P-6T A2547-TP-E3-L CS200-00-350-SL09-05-0608E A2541WV-3x2P-6T D3961H-4P-OR A3963WV-9P A2541WV-3x15P-6T D3961H-2P-RD A2501WV-F-3P-H-RD A2541WV-3P-6T-C400 D2541WV-F-4P A2501WV-F-2P-H A2541WV-3P-6T-C400 A2541WR-2x2P-6T-C400 A2508WV-12P A2541WV-2x7P-6T-C400 A2541WR-2x7P-6T-C400 A2543H-2P A2541WV-2x4P-N7-9T A3963M-TP A2547HN-2x9P A2541WV-2x22P-6T A2547WVB-2x32P A3961WRA-3P-A A2541WV-2P-LK-6T-C670D320 D2541WV-9P A3961WR-4P-1.8-V0-GF A2541WV-20P-H15-6T D2541C-8P A3963WV-2P-G2 A2541WV-16P-LCP D2541C-3P A3963WVD-F-3P-H-A A2541WR-S-3P D2541HA-7P-RD B1501H-8P A2541WR-S-2x5P D1275HWV-20P A7921WVA-2P-0A-B A2541WR-S-2x4P A1502WR-S-12P-LCP B3952H-F-14P A2506WV-9P A2005WV-S-2x5P-D500 B2541BW-16P A2506WV-8P A2005WV-S-2x40P-D500 C1801M-TP A2506WV-7P A2012WVA-8P-H C4140WV-2x4P A2506WV-4P A2001WV-S-14P-LCP C4201HF-2x1P-RD A2506WV-10P A3963WR-2P-GWT A2512WV-F-2P-H-GN A2506WRA-8P-2 A2509HA-12P A2512WV-F-2P-H-BR A2506WRA-2P-2 A2541HWV-2x32P-6T A2512WV-F-2P-H-BK A2506H-9P A2005H-N-2x7P-B-66 A2544H-7P A2506H-10P A2005H-N-2x10P-B-66 A2543HA-7P-WH A2505WV-9P A3501HE-2P A2543HA-7P-RD A2505WV-16P A3501HE-3P A2012SA-5P A2505WV-15P A1009WV-S-2x5P A2541WV-2X7P-LK-9T-N12 A2505WR-5P-LCP A1009WV-S-2x8P A2006WRD-2x16P A2505WR-4P-6T D1272WV-S-F-14P A2509WVA-F-2x2P A2505WR-16P A1502WV-3P A4001WVG-F-2x6P A2505WR-15P A1276HWV-S-F-2x14P A2508HA-5P-BK A2505WR-13P A2505WVA-4P-2-LCP-HF-CRE D0801H-6P-G A2505WR-12P A2005HWV-S-2x25P A2502H-2P A2505H-4P A2547WVB-2x15P A2006WRD-2x6P A2005WR-N-2x25P-A D0801WV-S-5P-LCP-G A2005HB-N-2x5P-E A2005WR-N-2x18P-A A2005WV-S-2x2P A2006WV-2x8P A2005WR-N-2x15P-B A2502WV-4P-GF-G15 A2012WV-15P-LCP A2005WR-N-2x15P-6T A2006WVU-S-2x8P A2543WVA-12P-WH A2005WRE-2x15P-6T A1501WV-7P A2549HK-2x7P A2005WRB-2x9P-6T C4201WRSB-8P-G3 C1581HMA-3x3P A2005WRB-2x7P-6T C2020HMA-3P C5030HM-4P A2005WRB-2x2P-6T A7921HC-3P-39 C6351F-TP-A A2005WRB-2x15P-6T A7921WVA-4P-0A-B A2010WVF-F-4P-LCP-CRE A2005WRB-2x11P-6T A7921WRA-RH-3P-0A-BK A2009HFA-4P A2005WRB-2x10P-6T A7921WRA-R-2P-0A A2008H-12P A2005WRA-2x3P-6T D0601H-10P A3961WR-5P-A A2005WRA-17P-6T A3965H-3P C3030WR-S-F-6P A2005WR-5P-6T A2006WVU-S-2x9P C4140HM-1P A2005WR-4P-6T A2512HA-6P C6201WV-2x6P A2005WR-40P-6T A3501WVE-F-2x2P C4140WV-3P-G15 A2005WR-2x5P-6T-E500 A2508WRA-2x5P-TR A2502WV-6P A2547WVF-7P-G A2010WR-7P D2541H-3P-BL A2547WVF-5P-G A4001HG-2x5P D3961WV-4P-H A2547WVF-4P-G A2543HB-12P D3961WV-2P A2547WVF-18P-G A2009WR-2x9P C6351S-3x4P A2547WVF-10P-G C2504HF-12P A2501WV-F-2P-H-RD A2547WVE-8P-G A2009WR-2x10P C2003HMB-4P A2547WVE-7P-G A2012H-5P ARB2011H2P02-60-01 A2547WVE-6P-G A2012WVA-F-2P-BK C6351WV-4P-M A2547WVE-5P-G C3030WR-S-2x10P A2502WV-9P A2547WVD-2P C3030WR-S-2x1P A2503H-2P A2547WVC-2x10P C3030WR-S-5P A2005H-N-2x22P-B A2547WVB-8P C3030WVA-S-2x6P A2547WV-2P A2547WVB-2x2P C3030WV-S-F-2x5P B1501H-7P A2541WRB-5P-6T C3030WV-S-F-2x3P A1257WV-S-10P A2541WRB-3P-6T A4001WR-S-2P-1 A2001WV-7P-BL A2541WRB-2x6P-6T C3030WV-S-2x8P A3963WV-7P-N2.6 A2541WRB-2P-6T C3030WV-S-2x7P A2550HA-2x12P A2541WRA-6P-6T C3030WV-S-2x10P A1501H-14P A2541WRA-5P-6T C3030WV-S-2x4P C4501F-TP-L A2541WRA-2x4P-6T C3030WV-S-2x1P C3030WR-F-2x12P-H35-LCP A2541WR-7P-6T-N2.3.4.5 A3963WRD-S-5P A2006WVA-2x9P A2541WR-6P-6T-C350 A2001WV-6P-3 C4201WVA-F-2x1P A2541WR-4P-6T A2501WVR-8P C6351WV-2P-F A2541WR-36P-6T A2547HJ-2P A2005HWV-S-2x4P A2541WR-2x6P-6T B2512H-3P A2005HWV-S-2x8P A2541WR-2x3P-6T-T A2547WR-S-F-9P-9T A1501WR-S-11P-LCP A2541WR-2x20P-6T A2543WVB-S-2P-BK A2006WVU-F-2x14P A2541WR-2P-6T-T A2541HWV-S-F-2x10P-U A2008WR-16P A2541WR-18P-6T-C360 A2509WVA-2P A3961WVB-F-7P-N6 A2541WR-11P-6T A0801H-4P-2 A2501WV-2P-GWT A2541WR-10P-6T-T A2541WV-S-2x5P-LK-9T-C400D032 A2547WVB-2x13P-N2.6 A2505H-15P A2509HA-9P A2502WV-3P A2504WV-17P A2005HWR-2x3P-6T A2549HB-2x9P A2504WV-13P A2541H-2x4P A2547WVB-2x7P A2504WR-9P C4201HFB-2x3P-V0 A2550H-11P-CR A2504WR-7P A2547H-2x17P B2011H-9P A2503WVA-8P A2005HWV-4P-Y-6T A2006H-2x5P A2503WVA-7P A2541HWRA-S-2x10P C4201HF-2x4P A2503WVA-5P A1002HP-12P A2508WRA-2x10P-TR A2503WVA-4P A1002HP-7P A2512WV-6P A2503WVA-3P A2012H-13P A2501HWV-8P A2503WVA-17P A2012H-12P A1002WVB-S-6P A2503WVA-16P A2012H-7P A1501WRA-S-4P A2503WVA-14P A2012H-5P A2008WR-5P A2503WVA-10P A2012H-3P A2005WR-N-2x7P-B A2503WR-4P A2012H-2P C6351WV-5P-M-V0 A2503HA-5P A2012H-14P C6351WR-4P-M-V0 A2005WR-2x2P-6T-E280 A2012H-11P A2008WV-S-5P A2005HWV-S-F-2x8P A2012H-9P A1008WV-S-2x20P A2005HWV-S-F-2x2P A2012H-8P A1252WV-9P A2005HWV-S-F-2x24P A2508WV-F-6P-G3 A2010WRC-S-14P A2005HWV-S-F-2x14P C6201HFA-2x2P A3961WRA-2P A2005HWV-S-F-2x12P A2006WVU-2x17P A2547WRB-2x8P A2005HWV-S-F-2x10P A2006WVU-2x18P A2012SA-3P A2005HWV-S-4P-A A2502WR-7P A2006WVA-2x4P A2005HWV-S-2x5P C4201HV-2x4P A2008WV-S-2x3P A2005HWV-S-2x4P-Y A2512WV-4P-6T-BK A2009WV-2x9P A2005HWV-S-2x24P A2006WV-S-F-2x4P A2501WV-7P A2005HWV-S-2x17P A1501HB-6P A2547WV-12P A2005HWV-S-2x14P A1501HB-7P A2549HI-2x2P A2005HWV-S-2x11P A1501WRB-S-7P C4201WR-2x3P-BL-G2 A2005HWV-S-2x10P A1251WR-S-10P A2006WRB-2x15P A2005HWV-S-20P A3501HE-2x2P A2006WVU-F-2x5P-D22 A2005HWV-S-10P-A A1502WV-S-2P-LCP B1000H-S-19P-RE A2547WVB-2x26P C6351WR-2P-M-V0 C2504HF-2P A2547WVB-2x17P C6351WR-5P-F-V0 C4201WR-2x4P-V0 A2547WVB-22P A2543WV-16P A1255WRA-S-4P A2547WVB-10P A1252H-2x20P-GF20 C3030WRB-2x4P-9T A2547WVA-N-2x7P A2505WR-3P A1002WR-S-2x8P-G A2547WVA-F-7P-G15 A1502WV-6P A2501WVR-12P A2547WVA-F-6P-G A4001WVG-F-2P-C1 A2009H-2x11P A2547WVA-F-5P-G15 A1002H-2P-2 C4201HFA-2x7P A2547WVA-F-3P-G A1002H-5P-2 C6351WV-3x2P-M A2547WVA-F2-4P-G30 A2010WV-2P-RD A2005WR-2x5P-C25D10E40 A2547WVA-F2-4P-G C4140HM-3x5P C6351WR-4P-R-V0-G2 A2547WVA-F2-3P-G A2547HN-2x20P OL512161200A2512HA10PA2512SB10P-365-01 A2547WVA-F1-8P-G A2549WV-10P A2009H-2x5P A2547WVA-F1-4P-G A1501WR-5P ARA2502H4P02-200-01 A2547WVA-F-12P A2549HK-2x10P A2012WRA-F-2P A2547WVA-F1-2P-G A1002WV-S-7P-9T C4201WR-3P-V0 A2547WVA-F-10P-G15 A2547H-2x26P A2005WV-S-2x12P A2541WR-10P-6T-C350 A1254WRA-S-6P A2008WV-2x2P-46-D300 A2541-KEY A3963S-6P B2011H-7P A2541HWV-S-F-2x8P-U-H71 A3963HC-6P A2008WR-14P A2541HWV-S-F-2x8P-U-H35 B5081CW-5P A1501WVA-S-2P A2541HWV-S-F-2x6P-U-H35 B3961CW-8P-V0 A1501H-2P-GWT A2541HWV-S-F-2x5P-U B3961CW-4P-V0 A2005WR-N-2x6P-B A2541HWV-S-F-2x4P-U-35 B2513H-15P A2005HWR-3x6P-Y A2541HWV-S-F-2x2P-U A2541HWV-S-F-2x6P-U-H71 A5081H-12P A2541HWV-S-F-2x2P-U A2010HC-8P C2521HM-10P A2541HWV-S-2x8P C4140HMA-3P-GWT C4201HF-2x10P A2541HWV-S-2x7P-U-H71 C6201SC-2P A2549HI-2x18P A2541HWV-S-2x7P-U-E66 A2005WR-N-2x10P-A C4201WV-2x5P-V0 A2541HWV-S-2x3P-U A3501WVE-F-2x4P HJA2005HBN2X4PCA2541H2P3P-200-01 A2541HWV-S-2x2P A2005WR-N-2x6P-B A2547WV-3P A2541HWV-S-2x25P-H57 B2512H-2x4P A2541H-N-2x7P A2541HWV-S-2x20P B2512H-11P A1253H-7P A2541HWV-S-2x18P-U B2512H-8P-GWT A2001WR-4P A2503HA-3P B2512H-6P C6201HF-2P-GWT A2503HA-2P A2005HWV-2x6P-6T A2549WVB-2x3P A2503H-4P A2501HMB-3P A1502WR-S-14P-LCP A2502WVB-5P A2006WVU-2x5P C2363HM-2x3P A2502WVA-N-6P C6201WV-3P-GWT A1008WV-S-2x8P A2502WVA-N-4P A2012WV-S-12P C3030WR-F-4P-H30-LCP-RE A2502WVA-12P C4201HF-2x2P-CJT A1008WR-S-2x20P A2502WRA-N-2P A2006WVU-2x16P C4140WV-2x3P-G15 A2502WRA-2P A2002WV-4P A2541WV-3P-LK-9T-CRE A2502HWV-6P-6T A2005WR-2x6P-6T A2008WR-2x8P-G A2501WV-F-9P A2005WV-2x7P-H15-6T C4201WR-2x2P-G2 A2501WV-F-2P A2541WV-S-2x2P A2006WR-2x7P A2501WV-F-12P A2541WV-2x4P-6T-C940D150 D3961HA-3P-OR A2501WV-7P A7501AF-TB A2006WRB-2x16P A2501WV-6P-2-GF D1272WV-S-F-6P A7921WVA-4P-0A-C A2501WV-6P-2-6T D1272WV-F-6P-LCP A1251WR-S-5P A2501WV-5P-2-6T A2006WRD-2x16P A2005WV-N-S-2x3P-A A2005HWV-N-2x8P-W40 A1002WRP-S-2P A3502WV-5P A2005HWVB-2x10P-L-6T A2008WR-S-2x4P B2512H-6P A2005HWV-2x8P-6T A2501HMB-5P A2543H-8P A2005HWV-2x5P-Y-H65-6T C1581F-TB-A A2006H-2x17P A2005HWV-2x5P-Y-6T C1581M-TB-A A1251WR-S-5P-LCP A2005HWV-2x4P-Y-6T A1501HB-2P C2020HF-3x3P A2005HWV-2x40P-Y-6T A2001WVR-3P-2 A2508WV-2x12P-D30 A2005HWV-2x40P-6T C4201HMD-2x1P-V0 A3963H-6P-GWT A2005HWV-2x18P-6T A2012H-2P A2541H-N-2x10P A2005HWV-2x17P-6T C4201WV-2x8P C6201WVB-F1-2x6P A2005HWV-2x14P-6T A2010HA-7P A0801H-10P-2 A2005HWV-2x14P-6T A2010HA-5P A1251H-8P A2005HWV-2x10P-H-Y-6T A2010HA-9P A1002WVB-S-7P A2005HWV-11P-6T A2010HA-15P A1257H-2P A2005HWV-10P-2-6T A2010HA-13P A1255WRA-S-6P A2547WVA-8P-G A2010HA-11P A1501H-10P A2547WVA-6P-G15 D0601H-4P A2001WR-8P A2547WVA-5P-G D0601H-6P A2001WV-9P-3 A2547WVA-2P-G15 B2541BW-7P A2001WV-2P A2547WVA-25P-G A2508WR-4P-YL A2005H-2x6P A2547WVA-23P-G A2012H-7P A2009HFA-2x3P A2547WVA-20P-G A2508WVA-2x4P-TR A2010WVF-4P-LCP A2547WVA-19P-G A2508WVA-2x8P-TR A2010HC-5P A2547WVA-18P-G B2011H-11P A2012WR-F-2x10P A2547WR-S-F-9P-LCP B2011H-10P A1501HA-8P A2541HWV-S-2x14P-H36-R B2011H-9P A2007WR-3P A2541HWV-N-S-2x5P B1501H-7P A2008H-2x2P A2541HWV-N-2x6P B0502HM-S-F-2x30P-G10 A2512HM-2P A2541HWV-8P-U-6T C3030WR-F-2x3P-2-H30-LCP-HCS-D21 A2504WV-8P A2541HWV-5P-H71-6T A2550HM-25P-BL A2005WV-N-2x6P-B A2541HWV-5P-H-6T CJT-HC-427x291 A1255WR-S-F-20P-G A2541HWV-5P-H57-6T A1002WR-S-10P-LCP A2001H-6P-GWT A2541HWV-5P-6T A1276WV-7P C3030WV-2x10P A2541HWV-4P-U-H50-6T A2005HWV-4P-6T A2550H-9P-A A2541HWV-40P-6T A2005HWV-8P-6T A3502WR-6P A2541HWV-40P-6T A2005HWV-2P-6T D0801WV-S-3P-LCP-G A2541HWV-3P-U-H50-6T A1276HWV-2x5P A2501WVR-5P A2541HWV-3P-A-U-6T A2006WRB-2x2P A2547WVB-2x4P A2541HWV-2x7P-U-H50-6T A2005WR-N-2x6P-A A1501WV-6P A2541HWV-2x6P-6T C4201WVD-2x5P-V0 A1002WRA-S-4P A2541HWV-2x5P-H-6T A2005HWVB-2x10P A2543HA-5P-RD A2541HWV-2x40P-H57-6T A2005WR-S-3P-D320 A2543WRA-7P-WH-2 A2501WV-4P-2-GF A2005WR-S-40P-D320 A2547HE-2x7P A2501WV-2P-2-6T A2005WR-S-8P-D320 A2547HA-2x12P A2501WR-S-9P-LCP A1276HE-2x2P A2547HMA-10P A2501WR-S-7P-LCP A1276HE-2x3P A2547HM-20P A2501WR-S-6P-LCP C4201HFB-2x2P-GWT A2547WR-3P A2501WR-S-5P-LCP C4201HFB-2x4P-C A2547WR-S-F-3P-9T-NK A2501WR-S-4P-LCP A2509WRA-F-2x8P-G15 A2549HC-2x9P A2501WR-S-3P-LCP A2005-TP-A A2549HC-4P A2501WR-S-14P-LCP A2547WRB-6P A2549HB-18P A2501WR-S-12P-LCP A2502WV-3P-BL A2549HB-2x12P A2501WR-6P-GWT C4201WV-2x2P-46 A2547WVB-2x16P A2501WR-6P A2012WVA-F-5P A2549WR-3P A2501WR-4P-GWT A2012WRA-F-7P A2549WVB-12P A2501HMB-20P A2001WV-4P-3 A2549WRB-9P A2501HMB-19P A2008WR-2x6P-46-D300 A2549WRB-2x10P A2501HMB-18P A2511WR-2P-2 A2550HK-2x6P A2501HMB-17P A2005WV-N-S-2x3P-B A3963H-6P-BK A2501HMB-13P A2005HWV-S-2x24P A3961WR-4P-L A2005HWR-S-7P-Y-6T A2502H-8P A2508WV-F-9P A2005HWR-S-2x6P-6T A2508H-8P-GWT A3961PT-12.4 A2005HWRE-2x7P-6T A3963WRH-4P A1502WV-S-10P-LCP A2005HWRE-2x10P-6T A2505WR-3P A2541WV-3P-6T-RD A2005HWR-7P-6T A2005-GP-A C6351WV-3x2P-M-V0 A2005HWR-5P-6T A1501WR-5P-2 A1002WVB-S-9P A2005HWR-4P-6T A2549HK-4P A1251WR-S-2P A2005HWR-2x4P-Y-6T A2508WV-8P-BL A1251WR-S-10P A2005HWR-2x4P-6T C4501HMA-2P-BK A1252WR-3P A2005HWR-2x20P-6T A2001HM-6P-GWT A1257WR-S-8P A2005HWR-2x15P-6T A2508WR-4P-RD A2008H-2x10P-RD A2005HWR-2P-6T A2509HMA-6P A2008HM-2x8P A2005HWR-20P-6T A1002WRP-S-6P A2012WRA-F-6P A2005H-N-2x16P-A C3030WV-F-2x6P A2541HWR-S-2P-H57 A2547WR-S-F-5P-LCP A1276HWV-S-F1-2x4P-LCP A2543WV-12P A2547WRF-S-4P A2010HB-5P-BK A2549HI-2x6P A2547WRF-7P-G A2006HA-2x13P B2512H-4P A2547WRF-6P-G A2012H-6P-GWT C2504AH-12P-WH A2547WRF-5P-G C4501HM-2x2P-GWT C4140WR-2x6P-G A2547WR-F-4P-9T-G30 C4501HM-1P C4140WR-2x5P-G A2547WRF-4P-6T-G C4201WR-F-2x6P C4201HF-2x3P-GN A2541HWV-2x22P-6T C4201WR-F-2x5P A1252WV-4P A2541HWV-2x15P-H50-6T C4201WR-F-2x2P-GWT-BK A2001WV-S-6P A2541HWV-2x14P-6T C4201WR-F-2x1P-44130-0018 A2001WVR-5P-2 A2541HWV-2x13P-6T A2501WV-8P A2005H-N-2x16P-B A2541HWV-2x11P-6T A2512WV-2P-6T A2005HWV-S-F-2x10P-H20-R A2541HWV-24P-6T A2512WR-9P A2008H-2x3P-GWT A2541HWV-20P-6T A2547WV-6P A2008H-2x8P-A A2541HWV-16P-6T A2543WVA-6P-WH A2008HM-4P A2541HWV-16P-6T A3501SA-4P A2501WV-6P A2541HWV-12P-6T A2006WVU-2x13P A2501WV-5P A2541HWV-10P-6T A1002WVP-S-6P A2505H-11P A2541HWR-S-3P A3502H-12P A2510HF-3P-R A2541HWR-S-2P A2550HM-25P A2512WV-6P-46 A2541HWR-N-2x7P-6T A2550HK-2x15P A2543WRA-4P-WH A2541HWR-N-2x6P-6T A3963WV-3P-A-PK A2543WVC-4P A2541HWR-N-2x10P-6T A2541H-N-2x4P-2 A2547HE-16P A2541HWRA-S-2x5P A3501WVE-F-2x4P A2547WVB-2x9P-A A2501HB-5P A1501HD-13P A1008H-4P A2501HB-4P A2012HMA-7P A1002WVB-S-12P A2501HB-3P A2543WV-11P A1255HA-3P A2361WV-5P C4201WR-F-2P-GWT A1502H-5P A2361-TP C4201WVD-F-3P A2001H-8P A2361H-2P-YL A2547WRA-S-F-21P-G A2008H-15P A2361H-2P C4501M-TP-L A2008WV-3P-BK A2012WV-S-7P-LCP WLA2008H2P-130-03 A2012WR-S-6P-LCP A2012WV-S-4P-LCP C4201WVD-2x10P-V0 A2512H-3P A2012WV-S-11P C4201WVB-2x12P A2541H-5P A2012WV-F-2x5P-PBT A2501HWR-8P A2541WV-S-3P-B A2012WV-F-2x3P-PBT A4001WR-S-4P A2547WRA-11P-G A2012WV-F-2x12P-PBT A1251WR-S-11P-LCP A2549HE-2x3P A2012WV-F-2x10P-PBT B3961AW-3P-V0 A2549WR-8P A2012WVE-S-12P C4201WVA-F-2x4P-V0 B1803-TB A2012WVA-7P-H C4201WVA-2x9P B2012H-14P A2005H-N-2x14P-B A1251WRA-S-6P-46-G C4140WRA-2P A2005HI-2x25P A1252WV-S-2x10P-G C4201HF-2x12P A2005HI-2x13P A1255WR-S-F-20P-LCP C6351WV-3x3P-R A2005HI-2x10P A1255WR-S-F-2P-LCP A2005WV-N-2x18P-9T A2005HD-N-2x20P A1255WR-S-F-3P-LCP C6201HF-3P-GWT A2005HD-N-2x13P A1255WR-S-F-4P-LCP A3961WVA-4P A2005HDA-N-2x12P A1255WR-S-F-8P-LCP-G A2006WVB-2x4P A2005HDA-2x15P C4201WV-2x4P A2008WR-3P-RD A2005HD-2x7P C4201WV-2x1P-GWT A2012H-15P A2005HC-N-2x15P C4201HMD-2x1P-GWT-BK A2544WV-4P A2005HC-N1-2x15P C3030HM-2x10P A2549WVB-8P A2005HCA-6P C5081HM-2P C1301HF-3x3P A2005HC-2x2P A2549WVB-4P-BK C3030WRA-F-2x12P A2005HB-N-9P-FI A2005WV-N-2x21P-9T C4201WR-2x3P-BK-G2 A2005HB-N-7P-FI A1501WV-2P-D34 C6201WV-2x3P A2005HB-N-6P-FI D0801WV-S-4P-LCP-G A1002WV-S-15P A2005HB-N-4P-FI-BK A2005HWV-2x8P-6T A1255WVA-S-5P A2005HB-N-4P-FI A2541HWR-12P-6T A1502WR-S-15P-LCP A2547WR-F-3P A2005HWV-S-2x12P A2005HB-N-2x3P-E A2547WRE-8P-G A2005HWV-2x16P-6T A2005H-KEY A2547WRE-6P-G A2005WV-11P-6T A2005HWR-2x4P-9T-H40 A2547WRE-4P-G A2005WV-8P-6T A2006H-2x6P A2547WRE-2P-G A2005WV-2x22P-6T A2005WV-N-S-2x6P-B A2547WRE-14P-G A2547HA-11P A2508WR-2P-BL A2547WRE-12P-G C4201HM-2P-GWT-BK A2509WVA-F-4P A2547WRE-10P-G C4201HMA-3P-CJT A2543WV-12P A2547WRC-2x8P C4201HM-5P-GWT A3963H-3P A2547WRC-2x5P C4201HFSB-2P A2005WV-N-2x16P-B-9T A2547WRC-2x25P A2508WV-F-2x5P A2009WV-2x12P A2547WRB-7P A2508WV-4P-KK C4201WVA-2x7P A2547WRB-6P A2541H-N-2x20P C2003SB-6P A2547WRB-4P C4201HFC-2x2P-V0 A2541H-N-2x10P-2 A2547WRB-2x8P A2012H-5P C1581HMC-2x3P A2547WRB-2x7P C4201HF-2x11P C4201WVA-2x3P A2547WRB-2x6P C4201HF-2x8P-V0 A2508WVA-2x5P-TR A2547WRB-2x5P C4201HF-2x4P-B-V C6351WV-3x2P-M-V0 A2541HWRA-6P-6T C4201HF-3P-GWT-MD A1501WRB-S-5P A2541HWRA-5P-6T C4201HF-3P-GWT-BK A2547WV-N-S-2x5P A2541HWRA-3P-6T A3501WVE-F-2x3P A2549WVI-2x2P-BK-G A2541HWRA-15P-6T C3030HMC-2x4P-V2-NK A2001WV-S-5P-9T-G3 A2541HWRA-10P-6T A1502WV-S-2P-LCP A3963WV-2P-BK A2541HWR-5P-U-H50-6T A1252WR-4P A3965WV-10P-GWT A2541HWR-5P-6T A2006WRU-F-2x20P B2513H-7P A2541HWR-2x5P-6T B3961BW-3P-V0 C1581HFC-5P A2541HWR-2x20P-6T A2508SA-13P C1581HMB-3x2P A2541HWR-2x13P-6T A2547-GP-C C2003HM-10P A2541HWR-2P-H57-6T A2001WV-6P-LK-46 C2521HF-4P A2541HWR-19P-6T C4201HF-2x2P-V0 C2521HF-3P A2541HT-2P-H A2508H-6P-GWT C3030WR-2x6P A2541HT-2P A2508H-8P C4201HFSA-2x11P-XT-WH A2541H-N-8P A2508HA-7P C4201HF-2x1P-OR A2541H-N-4P A2508H-13P-GWT C6351HFI-2P A2541H-N-2x9P-2 A2508H-5P-GWT C6351HM-6P A2541H-N-2x9P A2508HA-4P-GWT D2541HD-2P-4 A2012WVA-5P-H A2508HM-11P D2541H-4P-BL A2012WV-7P-LCP A2012H-6P D2541WV-F-8P A2012WV-5P-LCP C4140WR-2x7P A2547FC-N-2x6P A2012WV-4P-LCP C4140WR-2x5P-G C4201HMA-2x5P-V0 A2012WV-16P-LCP C4140WR-2x2P-GWT A2547WVRB-2x7P-KK A2012WV-15P-LCP C4140WR-2P-G15 A1501WV-2P-WH A2012WV-13P-LCP C4140WR-3P-GWT C1301HM-3P A2012WR-S-6P-LCP C4140WV-2x8P-GWT A2005WV-S-2P-B A2012WR-S-4P-LCP C4140WV-2x6P-GWT A2512WV-2P-YL A2012WR-S-15P-LCP C4140WV-2x6P A2501WVR-4P A2012WR-S-12P-LCP C4140WV-2x5P-GWT A2512HM-2P-GWT A2012WR-F-2x5P-D25 C4140WV-2x3P-GWT A2508HMA-7P A2012WR-F-2x14P-D25 C4140WV-2x2P-GWT F0501WRD-S-16P A2012WR-F-2x12P-PBT C4140WV-3P-G15 A2008WV-2x15P-46-D300 A2012WR-F-2x10P-D25 C4140WV-2P-GWT A2508WR-2P-RD A2012WRE-S-3P A1275WV-15P-G A1501WV-4P-WH A2012WRA-F-7P B1000H-S-F-51P-LCP-MRE A1002WVB-S-4P A2012WRA-F-4P B1000HM-S-F-51P-LCP-MRE C1301HF-3x4P A2012WR-8P-LCP C2504HFA-3P A2509WVA-2P A2005HB-N-2x8P-FI B3961CW-6P-V0 A2005WR-N-2x20P-B A2005HB-N-2x7P-FI A2541WRB-2x7P-6T C4201WVA-FL-2x12P-V0 A2005HB-N-2x3P-FI A1002HP-2P A2549WVI-2x15P-BK-G A2005HB-N-2x15P-FI A2009HM-2x15P A7921WVA-7P-0A-C A2005HB-N-2x14P-FI C2363HM-4P A2001H-15P A2005HB-N-2x10P-FI C4201HMB-2x4P-C A0801H-9P A2005HB-N-12P-FI C4140HF-2x2P-V0 A0801H-5P-2 A2005HB-N-10P-FI A2005WV-S-2x5P-G20-C025D500-CRE A0801H-2P-2-46 A2005HA-2x2P-66 A2005WV-S-2x5P-G20-C025D450-CRE A0801H-16P A2005H-7P C4201WVD-2x2P A0801H-12P A2005H-4P C4201WVA-2x7P-V0 A0801H-10P A2005H-2x7P A1002WRP-S-4P A1002H-8P-2 A2005H-2x5P A2547WV-2x13P-6T A1002H-8P A2005H-2x25P A2509WVA-3P-G15 A1002H-6P-2 A2005H-2x20P C4140WV-3P-GWT A1002WV-S-2x6P-G A2547WRB-2x10P A2006H-2x16P A1002WV-S-12P A2547WRB-2P A2006H-2x14P A1251HM-10P A2547WRB-10P A2008S-10P A1251H-6P A2547WRA-S-F-7P-G A2008S-9P A1251H-10P A2547WRA-S-F-5P-G A2008S-14P A2012WRA-F-12P A2547WRA-S-F-4P-G15 A2008HM-10P A2508WR-8P A2547WRA-S-F-4P-G D0801WV-S-8P-LCP-G A2512HM-6P A2547WRA-S-F-3P-G A2010WVA-F-2x9P A2543WR-14P-2 A2547WRA-S-F-2P-G A2010WVA-F-2x12P A2547WR-8P A2547WRA-S-F-20P-G C4140HMA-2x2P-GWT A2549H-2x2P A2547WRA-S-F-12P-G C4140HMA-2P A3961H-7P A2547WRA-S-F-10P-G C4140HMA-2P-GWT C3030WV-F-2P A2547WRA-FJ-5P-G C4140HM-3x4P-V0 C4201WR-F-2x3P-V0 A2547WRA-FJ-3P-G C4140HM-2x5P-GWT A2509SA-7P A2547WRA-F2-8P-G C4140HM-2x4P-GWT A2005WV-N-S-2x2P-A A2541H-N-2x9P C4140HM-2x4P A2547H-2x30P A2541H-N-2x7P C4140HM-2x2P-GWT C5030HFB-2P A2541H-N-2x32P C4140HM-3P-GWT C3030WR-2x9P A2541H-N-2x27P-2 C4140HM-2P-V0 C3030WV-S-2x3P A2541H-N-2x27P C4140HM-2P-GWT A2547HG-2x25P A2541H-N-2x25P-2 C4140HM-2x2P-V0 A2005WV-N-2x3P-A A2541H-N-2x20P-2 A2508WV-F-7P-G A1008WV-S-2x18P-G15 A2541H-N-2x19P C4140HMA-2x2P A1501WRB-S-12P A2541H-N-2x12P-2 A2509HMA-2P A2006WRB-2x7P A2541H-8P A2550HK-2x30P A2008H-2x14P A2541H-6P C4201WR-F1-2x12P-V0 A2006WVA-2x5P A2541H-2x9P C4201WR-F-2x5P-V0 A3963-GP-G2 A2541H-2x8P C3030WV-6P-LCP A2361WVA-3P A2541H-2x7P C3030WVB-2x4P-9T A2006WVB-2x15P A2541H-2x18P C4201WVD-2x5P A3963WV-12P A2012WR-6P-LCP C4201WVA-F-2x7P A1002WV-S-2x20P-G A2012WR-5P-LCP A4001SMD-S-2P A2009WV-2x4P A2012WR-4P-LCP C4140HF-2x8P-GWT A2505WR-10P A2012WR-2P-LCP C4140HF-2x8P A2512WV-9P A2012WR-13P-LCP C6201S-4P-IV-A A2011HM-3P A2012WR-10P-LCP C4140HF-2x5P-GWT A2008WV-2x10P-46-D300 A2012SA-14P-4T C4140HF-2x3P-GWT A2012WRA-F-9P A2012HE-9P C4140HF-2x2P-GWT A1256WVD-S-F-31P A2012HE-3P C4140HF-3P-V0 A2008WV-2x14P-46-D300 A2012HA-14P A2509WVA-2x4P-G15 A2006WRD-2x15P A2012HA-13P A2001WVR-8P C3030HMB-2x2P A2012H-2P-BK A2009WV-2x17P C6201HFB-2x4P A2011WVA-2x8P A2009WR-2x3P A2502H-6P A2011WVA-2x7P A2549WR-2x8P A2005HWV-S-2x2P A2011WVA-2x18P A2501WRB-4P A2501WV-2P-YL A2011WVA-2x16P D2541H-5P-WH A2547WV-5P-G15 A2005H-2x16P A3501-TCA-E-L C4201WRSB-8P-G A2005H-2x13P C2003HMB-3P A2508WV-2x15P-D30 A2005H-19P A2008WV-2x2P-G3-D300 A2501WV-F-6P-H A2005H-16P A2008WR-16P C4201WR-2x3P-V0 A2005H-15P A2008WR-2x3P-46-D300 A2512WV-4P-6T-BK A2005-GP-B C3963HM-2x2P A2006WRD-2x8P A2004H-15P C3963HM-3P A2006WVD-F-2x10P A2001WV-S-8P-LCP C3962WV-3P-A-GWT A1254H-6P A2001WV-S-7P-LCP C3030WRB-2x6P A1253H-2P A2001WV-S-6P-LCP C3030WRB-2x6P-9T-F40 A1251WV-S-15P A2001WV-S-5P-LCP C3030WR-5P-LCP A1255WRA-S-2P A2001WV-S-16P-LCP A2549WVB-2x5P A1256H-17P A2001WV-4P-G B2011H-13P A1257WR-S-4P-GWT A2001WV-3P-G C4140HF-2x2P A1256WRA-S-17P A2001WV-3P C3030HFWV-2x2P A1255WR-S-3P-LCP A2001WR-S-7P-LCP C3030WRA-F1-2x5P A1257WV-S-4P A2547WRA-F2-3P-G C3030WR-F-2x12P-H35-LCP A1501HA-14P A2547WRA-F2-14P-G C3030WR-2x11P-LCP-G3 A1501H-7P A2547WRA-F2-12P-G C3030WR-2x6P-LCP-G15 A1501HM-2P A2547WRA-F1-6P-G C3030WR-2x2P-LCP-G3 A1501HD-3P A2547WRA-F-16P-G C3030WRB-2x4P-9T A1501WR-5P A2547WRA-F1-5P-G A2005HB-N-2x4P-FI A1501WR-2P A2547WRA-F-14P C4140WR-2x4P A1276HWV-12P A2547WRA-F1-2P-G A2501WR-4P A1276HWR-S-2x10P A2547WRA-F-12P-G C6201HFB-2x2P A1501WV-5P-WH A2547WRA-F1-15P-G A0801H-2P-2-46 A2549H-5P A2547WRA-F1-14P-G C6201WVB-F1-2x6P A2547WVB-15P A2547WRA-22P-G C6351WR-3P-M-V0 B2513H-8P A2547WRA-17P-G A1002WV-S-5P C2504WR-6P A2547WRA-10P-GA C4201HM-2x4P-A C3962HF-2x2P A2547WR-8P C4201WR-2x6P D3961HC-2P-OR A2541H-2x17P A2508WR-F-3P A2512H-7P A2541H-2x15P C3030WV-F-4P A2008WR-S1-F-2x13P A2541H-2x12P C3030WV-F-4P-H34-LCP A1255WVA-S-6P-175 A2541H-2x11P C3030WV-2x12P-4N4 A2006HA-2x9P A2541H-20P C3030WV-2x1P-LCP C4501HF-2P A2541H-18P A1502HA-2P A2005WR-N-2x3P-A A2541H-17P C3030HMC-2x3P C4140HM-2x3P-V0 A2541H-15P C3030HMB-2x6P A1002WV-S-2x8P-G A2541H-14P C3030HMA-2x11P A2543WVA-7P-WH A2541H-13P C3030HMA-2x10P A2549WRB-6P A2512WV-S-9P C3030HMA-2x9P A2541HWV-2x10P-D38-6T A2512WV-S-6P C3030HMA-9P A1255WR-S-F-10P-LCP A2512WV-S-12P C4201WV-2x1P-46 A1501H-8P-GWT A2512WV-F-9P-H A2549HC-2x3P A2512WV-2P-LK A2512WV-F-5P-H-GWT A2541H-2x2P A2004H-6P A2512WV-F-5P-H A2541H-2x10P C3962-TP A2512WVB-6P A2541H-8P A2547WRB-2x5P A2011WRA-2x14P A2006WRU-F-2x20P A1002WVB-S-3P A2011M-GP A2550H-18P A2547WVA-7P-G-NK A2011HA-2x19P A2550H-2P-G C2363HF-2x3P A2010WVF-4P-LCP A2550H-10P-A A2508WV-7P A2010WVC-S-9P A2550H-9P-H A2547WVB-5P A2010WVC-S-6P A2550H-23P A1002WVA-S-2x6P A2010WRC-S-9P A2550H-11P A1201WRG-S-3P A2010WRC-S-12P C4201WR-F1-2x3P C6201WRB-F-2x6P-HF-D14-RE-NK A2010WR-9P A3963WRH-5P A2508WV-F-9P-H A2010HA-8P A7501HFA-6P A2505WR-12P A2010HA-30P A2012H-4P A1501WVD-S-6P A2010H-15P C3030WR-F-2x3P-H30-LCP-HCS-D21 A5001WVE-S-F-2x4P A2010H-13P A2509WRA-F-2x4P A2547HA-2x25P A2010H-12P C4201WV-2x7P-V0 A2005WR-N-2x10P-A A2010H-10P A2549WR-2x6P A2501WV-F-4P A2009WRB-S-2x7P-G15 C2363HF-4P A2547WR-F-4P A2009WR-2x6P A1257WV-S-6P C6351HFA-3x2P A2550H-12P-I C1301HF-3x3P D3961WR-4P A2550H-12P-A2H C1301HM-3x3P A3963WV-6P-GWT A2550H-11P-M A2550-TP-E A3963WV-5P-N3.4 A2550H-11P-I A2550HA-8P C6351HFI-3x5P A2550H-11P-G A2550H-12P-A3H A0801H-4P-2 A2550H-11P-A3H A2547HJ-22P A1256H-15P A2550H-10P-G A2549WR-2x7P A2004WV-5P A2550H-10P-D A1502HB-2P A2008H-2x11P A2550H-10P-B A3963WVD-S-5P A2502H-3P A2550-GP-E-G15 A2012WR-S-7P A2507WR-4P A2550-GP-B A2005WR-N-2x7P-A A2541H-2x5P-N1-YL A2549WVK-N-6P-G A2005WR-N-S-2x3P-C A2512WVA-6P A2549WVK-N-3P-G C3030WV-S-F-2x2P A2541WV-S-6P-B A2549WVK-N-3P-6T-BK-G B1271HWV-S-F-2x20P A2005WVI-N-2x10P-K20 A2549WVI-S-2x6P-G A1276WVE-S-F-2x5P A2007WRD-3P A2549WVI-S-2x15P-G C1301AHMA-2P A2008H-7P A2549WVI-2x9P-BK-G A2547HA-2x17P A2008WV-2x4P-46-D300 A2547WR-17P-G A2547H-2x9P A2008WR-S-2x13P A2547-TP-E-L A2547HM-13P-66 A2547HJ-2x14P A2547-TP-E-H A2547HN-2x18P A2549HI-2x3P A2547-TP-E3 A2547HMA-9P A2550H-14P-A A2547HSA-2x25P A3963WRD-2P A2549WRB-2x3P A2547HS-2x7P A2547HF-2x9P A2550H-9P-M A2547HS-2x15P A2547HN-2x19P A3963H-10P A2547HN-2x6P A2547-GP-C A3963HC-3P A2547HN-2x24P A2547H-2x4P A5001WV-2P A2547HN-2x19P A2547H-2x32P B2513H-14P A2547HN-2x18P A2547H-3P B3961CW-3P-V0 A2547HN-2x14P A2008H-2x10P C2363HMA-4P A2547HN-2x11P A2006WRD-2x16P C3030WR-2P-LCP A2547HMB-4P-H C2363HM-4P C4201HM-5P-V0 A2547HMA-9P A7921HD-3P-0A C4201WR-F1-2x2P A2547HMA-6P C6201HFB-2P-NK D2541H-3P-RD A2547HMA-5P A2547HA-2x30P A2541HWV-S-F-2x5P A2512WVB-5P A2547HE-3P A2509WRA-F-2x2P A2512WVB-4P A2547HM-3P A1501WRB-S-3P A2512WVA-5P A2547HF-2x5P A2005HWV-S-12P-A A2512WR-S-3P A2547HM-2P A2008WR-2x12P A2512WR-S-16P A2547HF-2x7P A2010WR-6P A2512WR-S-12P A2547HJ-2x10P A2501WV-F-3P A2512WR-S-10P A2547H-8P A2501WVR-5P-2 A2512WRA-9P C4201HFA-2x3P A2547HA-2x10P A2512WRA-7P-B A2512WRA-4P-B C2003HF-5P A2512WRA-6P-B A2508WV-6P-H C2504HF-6P A2512WRA-5P A2508WV-5P-H A2541WVA-2x10P-H20-6T-D380E400 A2512WRA-4P-GWT A2508WV-F-3P A5001H-2P A2512WRA-4P A2508WV-F-3P-H C2363HF-4P A2512WRA-3P A2508WV-7P C3030WR-3P-LCP A2512WRA-2P A2508WV-F-6P-H A2550H-10P-A1 A2512WRA-10P A2508WV-F-10P A1257WV-S-2x10P A2512WR-9P A2512HM-5P A2005WV-N-2x7P-A A2009WR-2x13P A2512HF-3P A2001H-14P A2009H-2x15P A1501HE-2x14P A1251WV-15P-46 A2009H-2x14P C1301F-TB A1256HD-21P A2009H-2x13P A3501HE-3P A1008H-2x25P A2008WV-S-7P-LCP-G A1002WV-S-F-2x6P-G A2549HB-2x7P A2008WV-S-7P-LCP A1002WR-S-2x6P-G A3963WV-11P-A A2008WV-S-6P-LCP A2509WVA-F-2x5P D0801WR-S-10P-LCP-G A2008WV-S-4P-LCP A3502WV-3P A2008H-2x10P A2008WV-S-2P-LCP A5081WVA-2P A2501WV-F-3P-H A2008WV-S-14P-LCP A5081H-7P B2512H-10P A2008WV-4P-GWT A5081H-5P-2 C3030WVB-2x6P A2008WV-3P-GWT A5001WVA-3P-A C1301HM-2x3P A2008WV-2x9P-46-D300 A2507WV-2P A2004WR-6P A2550HD-18P-G A1257H-2x5P A3963WRD-S-2P A2550HA-6P A3502WV-5P-A A1501WRA-S-8P A2550HA-2x9P C4201F-GB-HH A1501WV-3P A2550HA-2x4P A2550H-8P-H A2008H-2x10P-A A2550HA-2x3P A3964H-4P-GWT A2547WRA-7P-G-NK A2550HA-2x17P C1581HFA-2P A3963WV-6P-N2.4 A2550HA-2x14P D2541HA-5P-RD C1801MA-TP-LL A2550HA-2x13P D0601WR-S-6P C1301M-TP A2550HA-2x11P D0601WR-S-4P C3030WR-5P A2550H-9P-M1 A1257H-2x13P A2550H-8P-B A2550H-9P-G A3963WRH-5P A3963WVD-F-3P-H-A-GWT-BK A2550H-8P-G A3963WRH-4P-N2.3-GWT C1581M-TB-B-L A2550H-7P-M1 A3963WRH-4P C2020HMA-2P A2550H-7P-M A1002WR-S-20P-LCP D2541HB-5P-RD A2550H-6P-M1 A2541WR-2x15P-6T A2006HB-2x7P A2547HMA-3P A2005HWV-S-2x6P C1301AF-GP A2547HM-9P-66 A2005WR-N-2x20P-A D2541C-3P A2547HM-24P A2005WR-N-2x25P-B A1276WVA-17P-H25-G10-C470D305E508 A2547HM-17P A2005WR-N-2x20P-6T A2512WVA-4P A2547HJ-2x32P A2005WR-N-2x18P-6T A2006WVA-2x11P A2547HJ-2x2P A7501HFA-4P A2006H-2x7P A2547HJ-2x25P B3961AW-3P-V0 C1581HMB-4P A2547HJ-2x24P A3963WR-5P-A A2005WR-N-2x12P-A A2547HJ-2x18P A3963WR-3P A2005HWV-S-2x17P A2547HJ-2x16P A3963WR-2P-RD A2006H-2x3P A2547HJ-2x15P A3963WVHM-3P A2006H-2x2P A2547HJ-22P A3963WVD-FT-4P A2006WR-2x6P-9T A2547HJ-12P A3963WVD-F-5P-H-A A2006WV-2x13P-D28 A2547HI-2x8P A3963WVD-F-2P-H-GWT A2008HA-8P A2547HI-2x10P A1006WV-S-2x20P-LCP A2008HA-5P A2547HG-8P A1006WV-S-2x10P-LCP A2008HA-2P A2547HG-7P A1006WV-S-2x15P-LCP A2008WR-2P-RD A2547HG-6P A2005WV-S-2x3P A2008WR-4P-G A2547HG-4P A2004H-9P A2008WR-5P-G A2512WR-8P A2005-TP-B A2008WRA-6P A2512WR-7P C2504WV-8P A2008WV-2P-RD A2512WR-6P-GWT C4201HF-2x4P A2008WV-8P A2512WR-4P-LCP A2543HA-11P A2010H-5P A2512WR-3P-LCP A3963WV-F1-3P A2010H-10P A2512WR-3P A3963WV-12P A2501H-2P-RD A2512SB-5P A3963WV-9P-N2.4.6.7.8 A2501H-10P-V2 A2512SA-7P A3963WV-6P-N1.3.5 A1501WR-S-10P A2512SA-6P A3963WV-4P-N3 A1276WV-2x5P A2512HMA-6P A3963WV-2P-BL A2001H-5P A2512HM-5P A3963WV-3P-A-GWT A1502WVA-IT-S-5P A2512HM-4P-GWT A3963WV-2P-G A2001WV-F-10P-H A2512HM-4P A2508WV-F-2x9P-G3 A2004H-8P A2512HM-12P A2543WVA-3P-WH-G20 A2007WV-2P-BK A2512HF-9P A1501WRD-S-3P A2007WR-2P-BK A2512HF-16P A2550WVI-2x5P A2006WV-2x12P-9T A2512HF-13P A2006WVD-F-2x6P A2008HB-14P A2512HF-12P A1008WV-S-10P A2008HC-2P A2512HF-11P A3963HC-10P A2008WR-6P-G A2008WV-2x8P-46-D300 A3963HA-8P A2008WV-10P A2008WV-2x6P-46-D300 A2508HA-2x12P D0801WR-S-8P-LCP-G A2008WV-2x4P-46-D300 A2008WR-2x14P HX41405-21PT A2008WV-2x3P-46-D300 A3963H-8P-GWT C3963F-TP A2008WV-2x16P-46-D300 A3963H-10P C3963M-TP A2008WV-2P-GWT A3963H-10P A2009WR-2x5P A2008WR-S-9P-LCP A3963H-8P A2512WR-S-5P A2008WR-S-8P-LCP A3963H-7P A2010WRC-S-13P A2008WR-S-6P-LCP A3963H-5P A2543WV-6P A2008WR-S-5P-LCP-RD A3963H-3P C4201WR-2x3P-BL A2008WR-S-5P-LCP A3963H-2P A1008WV-S-2x18P A2008WR-S-4P-LCP-YL A3961WR-5P A2006WVU-F-2x5P A2008WR-S-4P-LCP-BL C6201M-TP A2550HH-22P A2008WR-S-4P-LCP C4201WVS-5P C4201WVA-F-2x1P-V0 A2008WR-S-3P-LCP C4201HM-2x4P-V0 A2543WRA-2P-WH-2 A2008WR-S-2P-2-LCP C4201WRS-2x14P A2547WVB-2x5P A2008WR-S-14P-LCP C4201WVS-2x14P C6201WV-3P-GWT A2008WR-S1-2x10P-G A2505H-13P A2502WR-4P A2550H-24P A2508-GP A2547H-9P A2550H-23P-A A2549-GP-C-H-G15 A2549WR-2x2P A2550H-23P C4201FS-GP-H-G3 A2508WV-F-5P A2550H-20P-I C4201HMA-2x5P-V0 C3030HF-7P A2550H-19P-G C4201M-GB-G15 A1008H-2x8P A2550H-19P-A3H C6351HM-1P A2008WV-2x10P-46-D300 A2550H-19P-A C6201HMWV-2P-XT60 A2501WR-5P-GWT A2550H-18P-M1 C6201HFWV-2P-XT60 A2008S-4P A2550H-18P-A3H C1301HF-3x3P A2008WV-S-2x9P A2550H-17P-M A3961WVC-12P ARB2011H2P02-30-01 A2550H-17P-D D2541HA-2P-RD C2003HMC-8P A2550H-17P-A A3961WV-2P-RD A1006WR-S-12P A2550H-16P-M1 A3502WV-9P C4140WR-2x2P-G15 A2550H-15P-M A2508HMA-6P-RD A3963WV-5P A2550H-14P-I C4201HMB-2x4P-C-V0 A2009WV-S-2x7P A2550H-14P-G C4201HMB-2x4P-C-V0 A2006WRU-F-2x4P A2550H-13P-D C3963F-TP A2012WV-F-2x12P-PBT A2550H-13P-A3H A2543WV-8P A3963WV-7P-A A2550H-12P-M1 A2008HM-2x3P A3963WV-6P-GWT A2547HG-2x8P A2012WRA-F-14P A4001H-3P-A A2547HG-2x3P C6351HFA-2P A5081WV-8P A2547HG-2x15P A2001WR-2P-2 A5081WV-5P A2547HG-2x13P A2001WV-F-12P-H A7501HMA-4P A2547HF-2x2P A2550H-3P-M3 B2512H-8P A2547HF-2x16P A2550H-20P-K1.20 B2512H-5P A2547HF-2x11P A2543HA-7P B2513H-5P A2547HE-6P A2543H-9P C1301HM-2x2P A2547HC-2x5P A2008WR-2x3P-46-D300 C1581HF-2P A2547HB-8P A2547H-2x32P C2003HF-5P A2547HB-6P A2543WVA-2P-WH C2003HM-2P-BK A2547HB-14P A2550H-11P-H C2003HF-8P A2550H-9P-H C2504HF-5P A2550H-7P-H C2020HMA-2P A2550H-3P-H C2020HF-1P A2550H-2P-H C2504HMA-3P A2550H-6P-G A2008WV-2x5P-46-D300 A2547WR-N-2x5P-6T A2010H-9P A1255WVA-S-5P-175 A2507H-5P C4501S-4P A2502WV-3P A2006WV-S-2x16P A2507WR-5P A2006WV-S-2x20P A2512H-15P A2006WV-S-2x5P A2541H-3P A2008WR-7P A2512WRA-2P-B A1251WR-11P-46 A2541H-N-2x15P A2001WV-2P-3-9T A2512WV-8P A2012WR-S-9P A2541WVA-S-F-2x5P-C600D100F700 A2550H-14P-C A2543WVA-8P-WH A2550H-6P-C A2547H-12P-2 A2550H-5P-C A2547HF-2x9P A2550H-4P-C B1501H-4P A2550H-3P-C C3030WVA-S-2x5P A2550H-2P-C C2003HF-4P B2514H-3P A1501HD-4P B2011H-2x6P A2005WV-N-S-F-2x5P-A A2005H-2x16P A2006WR-2x6P-IV A1004H-30P A2006WRA-2x5P A1251HM-9P A2550H-11P-H A1251HM-8P C3030WV-S-2x3P-GWT A2550H-10P-A2H C4140HF-2x8P A2550H-6P-A2H C4201WV-3P-V0 A2550H-5P-A2H B3952H-F-5P A2550H-6P-A2 A3963WVD-F-4P-H A2550H-4P-A2 C2363WV-4P A2550H-10P-A1 C4201WR-F1-2x3P A2550H-9P-A1 A2512WV-2P-BL A2550H-4P-A1 A1002WR-S-18P A2550H-3P-A1 A1201HB-2P A2549WRI-2x2P-BK-G C6351WV-F-4P-M-V0 C1301HMA-2P-BK D1272WV-F-6P-LCP A1255WRA-S-6P-G A2541WV-2x3P-9T-HF-N4 C6201HFA-2x2P A2547HF-2x6P A2001H-3P D2541WV-F-5P A1201WRA-S-6P A2501WV-4P-2 A1201HA-6P A2543HA-9P-WH A1257WR-S-9P-LCP C4201WVA-2x2P A2001H-13P A2541WVR-40P-6T-RD-KK B2512H-11P A1002WR-S-3P B2512H-12P A1252WV-8P A2549WVI-2x10P-BK-G A1257H-7P A2549WVB-4P A2001H-6P A2549WVB-3P A2012-TP-A A2549WV-2x9P-9T A2501H-7P A2549HM-2x4P A2547WVA-5P-G-NK A2549HL-2x13P A2550H-10P-C A2549HL-2x5P A3502H-6P A2549HI-2x18P A3965WR-5P-GWT A2549HI-2x14P B3952H-F-3P A2549HI-2x11P C3030HMA-10P A2549HI-2x10P C3030WV-2x3P-LCP-HCS A2508WV-10P-N8.9 C3030WR-S-2x4P A1252H-9P C4140HF-3x5P A2549HI-2x6P C4201WVA-2x1P A2549HI-2x4P C4201WR-F-4P-V0 A2549HD-12P C4201WVA-F1-2x10P A2549HC-2x3P C4201WV-2x10P-V0 A2007WVD-2P C5030HMA-4P A2505WV-13P C4801HF-3P A2549HL-2x10P C5030HF-3x2P A2549HG-2x5P C5030HMA-2x2P A2549WV-2P C5030HFB-2x2P C4140WV-2x5P C6201HFA-3P A3963HC-9P C5030HFC-3x5P A3963-TBD-A C6351HF-5P-V0 A2512HF-8P C6351HFA-3x5P A1008WV-S-2x15P-G15 C7110HM-2P A2547WRB-2x17P C6351HM-5P-V0 A2547WRB-2x9P A2547WVA-5P-G A2547WRB-2x3P A2549HB-3P A2001WV-9P-3 A2549HB-15P A2509WVA-F-2x3P A2549HB-14P A2005HB-N-2x8P-D A2549HB-12P A2005HWV-S-2x12P A2549HB-2x15P A2547-GP-L-G15 A2550HM-17P C3030WV-5P-2-LCP-HCS-CRE A3961WVC-12P C3030WV-4P-2-LCP-HCS-CRE B2011H-9P A2547WRA-F-8P-G B2513H-7P A2547WRA-F-2P-G B3961AW-6P-V0 A2547WV-N-2x10P-LCP-CRE C2003HF-6P A2547WRA-7P-G-NK C2003HF-10P A2547WR-F-9P C2003HM-4P A2547WR-N-2x5P-9T-D25 C2504HMA-4P A2547WR-14P C2363HF-2x3P A2547WR-12P C2504WVR-2P A2010HC-15P C2504WV-9P A2008WR-S-13P-LCP C3030HM-2x8P-WH A2512WV-S-3P C3030WV-7P B3961AW-2P-V0-G3 C3030WVA-S-2x1P A2550H-5P-H C3030WV-2x2P-LCP-HCS A2547WVC-2x7P-6T A1251WV-8P-46 A1501WV-5P A2004H-10P A2547WVA-F1-5P-G A2005HB-N-2x17P-FI A2001HA-3P A2010WR-7P A2547HG-2x5P A2010WV-7P A2547HJ-2P A2502H-2P A2547HG-2x15P A2510HM-P-R A2547HM-9P A2512H-6P-BL D3961WR-4P-2 A2541HWR-S-F-2P-WH A1501WVA-S-2x12P A2543WVA-3P-WH-A A2006WVU-2x18P A2547WVA-F-4P-G15 A2508WVA-2x16P-TR A3502WV-9P B3961CW-3P A3963-TB-L A3501WRE-F-2P A3963WV-14P A2361WV-2P A3963WV-6P-N5 A2012HE-15P A7501AF-TP-H A2004H-13P A4001HB-2P D3961HA-10P-OR C4501F-TP A2503WV-6P C6351WV-F-5P-M-V0 C6351HF-8P D0801WV-S-16P-LCP-G A2008WV-2x3P-GWT-D300 A2001WV-8P A2012WVA-11P A1275WV-2x20P-G A2012WVA-F-5P-H A2550H-16P-A1 A2012WVA-F-4P C6351HFA-3x3P A2012WVA-12P A1201H-6P A2012WVA-F-8P A2508HM-3P C4201WV-2x2P-46-G-CRE D2541HD-4P-2 A2012WVA-F-2P A2006WV-2x5P-IV A2012WVA-6P A2508HB-10P A2012WVA-10P D0801WV-S-10P-LCP-G A2012WVA-8P C3030WV-F2-2x4P-LCP-HCS A2012WVA-12P-H A1255WVA-S-4P-175 A2012WVA-4P C6201HM-2P A2012WV-5P-LCP A2006WRB-2x5P A2541WV-S-2x2P-9T D1272WV-F-10P-LCP-TU A2541WV-S-2x3P-9T D2541H-3P-GN A2011H-9P KWEA1502H8P-50-01 A2010HD-15P HJB2012H8PA2005HBN2X4PC-200-01 A2011H-10P HJA2008H9PA2005HBN4P6PC-300-02 A2010HA-4P CMCA1251H14P02-50-01 A2501H-2P-RD A2549WVRI-2x6P-BK-KK A2501H-3P-BL A2008H-2x13P A2501HMB-12P A2006HU-2x14P A2508HA-2P A2506H-2P A2508H-7P-GWT A2541-KEY A2503HA-3P C2020M-GB A2508H-14P-GWT ARA2501H7P-60-01 A2508HA-6P C3963S-3P A2508H-10P CT350-04-750-2P-04-CJ C4201HFS-3P A2501WV-12P A2547HJ-2x14P A1002WV-S-2x12P-G A2547HG-2x4P A2005WV-N-2x21P-9T A2547HG-3P C4201HMA-2x3P A2547HF-2x15P C4201WV-5P-V0 A2547HA-2x17P C4201WVA-2x3P A2547HA-2x15P D0801H-12P-G A2501WVC-5P D2541HA-7P-RD A2010WV-2P-RD D3961WVC-4P A2508WV-F-9P-H D3961WV-2P-H A2541WV-4P-6T-C670D320 D3961WRC-2P-2 A2005WV-2x7P-6T HJB2012H8PA2005HBN2X4PC-180-01 A2541WV-3P-6T-C750D343 HX25037-4BH-BL A2005WR-N-2x5P-A A2006WRD-2x12P-KK A2541WV-3P-6T-C670D320 B2512H-2x9P A2541WVA-6P-6T B2512H-2x4P A2501WV-F-8P-H C2020F-GB A2501WV-F-3P-H C4201WR-F-2x1P A2547FCA-N-2x5P A1008WR-S-6P A2005HWV-5P A3963WVD-F-6P-H-N5 C6351S-3P C1301F-TP A2009H-2x15P C1581HMB-3x5P A2012WV-S-6P-LCP C1581HM-2x2P A2543WRA-9P-WH-2 C2003HM-7P A2543WVA-7P-WH-G C2363WV-3P A2543WR-14P-2 C3030WV-F-2x5P A2543WVC-4P-46-HF C4201WR-E-3P A2001WVR-6P-2 C5030HMA-3P A2508WVA-2x20P-TR C6351M-TB C6201WV-4P D0801WR-S-10P A1257WR-S-11P-LCP PZDFA1251H4PA1002H5P-50-01 C3963M-TP C5030WV-3x2P-KK D3961HB-2P-RD C1301AM-GP A2541H-2x25P A2010WR-2P A1501WR-4P-D34 A2008WV-5P D1272WV-F-10P-LCP B1501H-3P D1272H-22P A2550H-14P-A3H A2001HA-4P A1002H-2x10P D2541WV-F-10P A2006WRA-2x4P C4140WR-2x2P-G A2006WRB-2x10P A2505WR-2P A2008WR-S-F-2x4P C4201HF-2x3P-CJT A7921WRA-RH-F-2P-0A A2549WV-2x17P A1008H-2x15P A2505H-7P A2547WRA-F-2P-G A5001HA-11P A2550H-13P-A C4201HF-2x3P-B C6201HM-1P C4140M-TB-LL A2503HA-3P C4201HF-5P A2541WV-2x2P-LK-9T A2010HA-3P C4201HMD-2x2P A2508WRA-2x2P-G-TR A2006WVA-2x13P RJ11-6P-CJ A0801H-14P-2 C2521HF-2x9P-V2 A1002WV-S-4P A1501WR-S-F-6P A1201WRA-S-3P A2006WV-2x5P A1502H-6P A2501WRB-7P A2002WV-11P A2001WVR-6P A2005WR-N-2x7P-A-D35 A2006WVU-2x9P A2502WV-3P-A A2541WR-S-3P A2541WV-2x5P-LK-9T-T-D490 A2508WV-2x5P C4201WV-2x3P C6201WRB-F-2x2P A1255WR-S-4P-LCP A2550HK-2x4P C3030HF-2x6P A2007H-5P B2012H-13P A2007H-9P A2005WR-N-2x2P-A A2006WR-2x12P C3030HF-7P-NK A1257H-2x9P C2003HFB-2P A1276HWV-S-6P-A C3030WR-S-3P C6201HFE-2x3P C3030WR-S-2x2P D3961HB-2P-RD A2543WV-5P D3961HA-12P-OR A2512WV-2P-BK A1255WVA-S-5P-175 A1501WV-12P C4201WR-F-2x8P A2008HM-5P A2541WV-2P-6T-G15 C2003HF-6P A7921HG-2P C4201WVA-2x5P A2543H-3P-2-WH A2544H-3P A2005WRB-2x4P-6T C1301HF-3P A2005HWV-N-2x18P-W40-6T A1502WR-S-6P-LCP A2005HC-N1-2x17P A2549WVRI-2x6P-KK A2009WR-2x8P A2543WV-9P A2549HI-2x15P A1006H-6P A2547HMD-2P A1252WV-S-2P-G A2543WVA-6P-WH-G C4201WR-F-2x4P-I-SQ-LCP-TCA A2543WVA-4P-RD C1581HFB-3x3P A2543WVA-3P-WH-G A2502WR-6P A2543HB-5P-WH A1251WR-S-8P A2543HA-16P-WH A2502WV-2P-YL A1255WVA-S-6P A2510HF-3P-P A1501HA-9P A2502WV-9P A2508SA-13P A2502WV-7P A2512WV-6P-6T B2011H-8P A2012HD-2x6P C4201WVA-F-5P A2543H-15P C4201WVA-F-3P A2543H-18P-WH C6201HFB-2x2P A2543H-4P-2-WH A1252H-2x20P A2543H-3P-2-WH C1301HM-3P-GWT A2550HD-4P C3030WV-2x6P-LCP A3963WV-3P-BK A2008WV-2x3P-46-D300 A2006HD-2x14P A2005HWV-S-F-2x7P A2006WRD-2x14P A2508WV-7P-BL 495x230+325x230-刀卡 C6201WV-4P A2012WRA-F-3P C6201WV-2x2P A2012WRA-F-5P A3501HE-2x3P A2012WR-2P-LCP A3501HE-2x4P A2012WR-3P-LCP A1252HA-2x20P A2012WRA-F-6P A2547WR-F-9P A2012WRA-F-9P A2006WVU-F1-2x6P-G-NC A2012WRA-F-4P C1801F-TP A2012WVA-F-12P A2012WR-S-3P-GWT A2012WRA-F-7P A2549HE-2x20P A2012WVA-F-10P A2005H-N-2x7P-B A2012WVA-F-11P C3961HM-1P C4501HF-2x4P A2543WVA-4P-WH A1006WR-S-8P A2008WRA-12P A1251WR-S-3P-LCP B3952H-F-2P A1251WV-S-5P-LCP A2509SA-2P A1257WR-S-14P-LCP C3030WV-S-2x2P A1502WVA-IT-S-2P A2008WV-2x4P-6T-BK A1501WR-S-10P-LCP A2543WV-4P A2508WV-S-2P C6351WV-3P-M-V0 A2008WV-S-10P-LCP C1581HM-1P A2508HMA-8P C4140M-TB-L A2508HMA-12P A1501WV-8P-46-GWT A2012WR-10P-LCP A2010H-8P A2508HM-2P A2547WRB-2x6P D3961WV-7P A2543WVA-4P-WH-G20 A2508HB-7P A2547WV-N-2x5P-9T-N9 A2509WVA-F-2x4P-NAT B2512H-9P A2509WVA-F-2x3P A2008HM-8P A1501WVA-S-2x5P A2012WV-S-10P C3030HMA-2x8P A2508WR-7P-N2.3-NK A2501H-10P-GWT A2547WVA-16P-G A1255WRA-S-6P-G A3963H-8P-GWT A2006WVU-2x5P C1301HF-2P A2006WVU-2x6P C4201WVA-2x5P-LCP-CRE A2006WVU-2x7P A2006WVU-S-2x16P A2006WVU-2x8P A2508WRA-2x2P-TR A2001HA-6P-GWT C2521HF-3P-WH D1275HWV-S-10P A2547WVB-2x17P B1271HWR-S-F-2x20P A2549WR-2x5P B1271HWR-S-F-2x25P C4201WR-2x1P-GN-G2 B1271WR-S-F-2x20P C4201WR-2x2P-BL-G2 B1271WR-S-F-2x25P A2008-TP-A-NK A2008HB-3P A2543HA-2P-WH A2541WV-S-2x8P A7501AF-TB-L D1275HWV-S-16P A1251HM-4P C4201HM-2x3P-GWT A1002WRB-S-6P A3963WVD-2P A2501H-2P-GWT A2008WRA-2P RS0001 0090-1 A2005HA-2x12P-66 A1257-GP A2008-TP-C A1008-GP-G4 C4201WR-2P A2508WV-8P A3965HM-3P-GWT A3963WV-6P C2020F-TP A2010-TP-D A1255HA-6P C6351HFA-4P-V0 A2508H-2x12P A2012HA-3P D2541WR-6P-2 A2501WV-11P A2550H-6P-A1 A2547HJ-2x10P A2547HF-2x10P C3030WV-S-3P A2550H-6P-A1 C4201WR-F-2x7P A3501HE-2x3P A2541WR-S-F-6P A1255WRA-S-5P-G A2547WVRB-8P-KK C2020HF-2P A1252WR-S-F-14P-G A2508WV-11P-H A1256HD-15P A2508WR-10P A1501WR-12P C3963HF-3P A1502H-3P A1501WVE-S-2x8P-NK A1502WV-S-2P-LCP A1501WVE-S-2x7P-NK A1502WV-S-10P-LCP-G A1501WVE-S-2x14P-NK A2001HM-4P A1501WVE-S-2x12P-NK A2002WR-10P A1501WVE-S-2x10P-NK A2004WR-4P A1501WRE-S-2x7P-NK A2006HB-2x3P A1501WRE-S-2x14P-NK A2006WRB-2x3P A1501WRE-S-2x11P-NK A2501WR-12P A2543WVA-5P-WH C4201HM-5P A2543WRA-3P-WH-2 C2020HM-2P 350x350x400-纸箱K=K A2550H-9P-A1 B3961CW-3P-V0 A2543WV-11P A2006HU-2x19P A1002WVA-S-2x8P A2012HMA-8P A2512HF-6P A2006HU-2x14P C2003HM-3P A2012HMA-5P A2012WR-S-12P-LCP A2012HMA-4P A2547WVB-2x18P-T A2012HMA-3P A2010HC-8P A2006WVU-F-2x14P C3030WV-F1-2x4P-LCP-HCS A2508WRC-12P A2505WV-F-2P A1276WV-S-F-2x10P A2541WV-3P-LK-9T-C670D490 A2001WV-S-13P-LCP A2547HJ-2x15P A1257WV-S-4P-6T-TR A3963WR-2P A1257WR-S-15P-LCP C4201WR-F-3P-V0 C6201HFE-2x3P A2006WV-2x13P A2006WV-2x11P-IV A2008HA-6P C6351HFI-3x3P A2008H-9P A1257H-3P-BK A2008WR-15P C4501S-4P-NK A2008WR-14P C4501S-3P-NK A2008H-2x5P C4501HM-2x4P-NK A2008WR-2x2P C4501S-2P-NK A2008WR-S-10P-LCP A3963HC-8P A2008WVA-12P A1008WR-S-2x15P A2009WVA-S-F-2x12P C6351WV-F-3x5P-F-V0 A2361H-3P A2501WV-S-7P A2501WV-10P-D30 A2501WV-S-6P A2501WVR-2P-2 A2009WR-2x2P A2517WR-F-3P A2501WR-6P-G3 A2512WV-S-5P A2541WV-2x5P-LK-9T-N10 A2512WV-S-3P A2541HWV-S-6P-A-U-H50 CMCA1251H14P02-50-01 A2541HWV-S-7P-A-U-H50 A2509HFA-2x2P D3961C-3P A2001WV-S-8P A2508WV-F-7P A2508SB-2P A2509WVA-2x3P-NAT A2502WV-5P D3961C-3P A2509WRA-F-2x6P A2541WV-7P-6T-C1200 C3030WR-S-2x3P A2010WVB-F-2x20P C5081WR-4P A2547FC-2x8P A2512WV-4P-6T-RD A2547HS-2x12P C2003HM-2P B1000HM-51P-LCP-RE A1002H-10P A1275WV-S-2x15P-G A2512WV-6P-N2.5 A2005WV-S-F-2x7P C4201WVA-2x4P A1276HWR-2x10P A2549WVRI-2x2P-BK-KK A2005WVA-2x20P-R-6T A1501HE-2x10P A1276HWV-S-18P-A-H20 A1276WRK-2x10P-GT3-D320 A2005WV-S-2x4P-D750 A2501WV-S-2P A2005WRA-2x4P-6T A2541WV-2x3P-XD A2005HWV-N-2x20P-W40-6T A2541WV-2x7P-LK-9T-N10 B2011H-2x10P A2541WV-2x6P-H23-XD A2541WV-10P-6T-C749D279 A2543H-5P A2547WV-13P A2547WRA-F-8P-G A2541WV-3P-6T-RD A2547WRE-16P-G A2541WV-3P-LK-9T-CRE A2549HB-5P A2541H-N-2x8P A2550H-20P A2541H-2x10P A3963M-TB A2541H-2x4P A3963WV-2P-RD A2541H-5P B2512H-12P A2509WRA-F-3P C1301HF-4P A2508WRC-6P B3961BW-3P-V0 A2508WRC-4P C1301HM-2x3P A2508WRA-2x4P-TR C1301HF-2x2P A2508WR-F-4P-RD C2003HF-3P A2508WR-9P C2363HMA-1P A2508WR-4P C2363HM-3P A2501WVT-7P C6351WV-3x4P-M-V0 A2501WVT-5P A2012WV-12P-LCP A2508WVC-F-11P A2006WR-2x3P A2508WV-F-2x12P A2550HH-9P A2508WV-F-2x7P A2007WV-2P A2508WV-F-2x5P A2541HT-2P-BL A2508WV-F-7P-N2.3 A2508WV-S-8P-F A2508WV-10P-N8.9 A2547HJ-2x12P A2508WV-8P A2543H-7P-2-WH A2508WV-7P-N5.6 C1581HMB-3x3P A2508WV-7P-N2.3 A2550H-10P-A3H A2508WV-7P-H A2007WV-6P A2508WV-2P-RD A3963HM-6P C4140WR-2x3P A7921WRA-2P-0A A2508SC-15P A2501WV-F-2P-H-BK A2508SC-14P A2008WV-2x7P-46-D300 A2508SC-6P A2503WRA-2P A2508SB-10P C2521HF-9P A2508SB-8P C2521HF-7P A2508SB-5P C3030HM-6P A2508WV-4P-N2.3 C4201HFSA-2x11P-WH A2012WV-F-2x5P-GF C4201WR-2x3P-G2 A2541WV-6P-6T-D380 C4201WV-2x8P A2547H-1P-2 C4201WR-F-2x7P A3964H-3P-B D3961WV-13P A1502HA-5P SY1007#22-100-01 A2549WV-4P A2001WR-11P A2549H-2x17P ARB2011H2P02-30-01 A2549HE-2x10P A2006HU-2x17P A2012WR-9P-LCP C1301HF-3P-GWT A2508HMC-4P A2006WV-2x12P-IV A2508HMC-3P A2006WV-2x10P-IV A2508HMB-2x9P A2547WV-2x20P-6T A2508HMB-10P A2543WV-8P A2004WV-7P C4201HF-2x7P C4201WVA-F-3P A1008WR-S-4P C4201WR-2x7P A2508HB-3P C4201WR-2x3P-GWT A2508WV-3P-A-RD A2508HMB-6P A2508WR-F-4P A2508HMB-4P A2508WRC-2P A2508HMA-5P A2502WV-8P A1004H-8P A2501WR-2P A2501WV-F-6P A3963WVD-F-3P-A-GWT-YL A2012WV-9P-LCP A2501H-12P A2012HA-5P D3961WV-5P A2508HM-9P A2550H-8P-A2 A2508HB-16P A2006HU-2x7P A2549H-2x7P-NK A5001WRD-F-6P A1002H-9P-2 A2501WVR-7P A1501-TP-H-DZ B2011H-2P-GWT NAFD1272H26PD1272H12P-186-01 A3963WV-F-5P-A-GWT A2549H-2x8P-NK A2001WV-8P A2549H-2x15P-NK A2550H-20P-D A2006WR-2x10P-9T A2008WV-2x4P-46-D300 D3961HA-6P-OR A2006H-2x18P C2003HFB-15P A7501HA-4P A2001WVR-10P C4201WR-2x1P-BL-G2 A2007WR-8P A1276WV-S-F-2x7P A2008WR-2P C4201WR-2x3P-BL-G2 A2001WVR-3P A2547WRB-2x7P A2007WV-12P A2009HMA-2x4P A2007WR-12P F1001WVA-8P A2010WVA-F-5P C4201WVA-2x10P A2508HMA-7P-RD A2005WVD-F-2x6P-HCS-G2 A2012H-5P-GWT A2005WV-N-2x6P-FI A2502WV-9P A2549WRB-4P A2502WV-7P A2508WVA-2x2P-TR A2502WV-3P-YL A2543WV-3P A2502H-5P B2541EW-4P A2501WRB-5P C2504WV-4P A2501WRB-3P C2003SB-8P A2501WRB-2P A2508WV-S-9P A2502H-5P A2005WV-N-2x14P-A-D31-N3 A2501WR-15P A2549-GP A2501WR-7P A1501WV-5P-46 A2501WVR-7P-2 A2008H-2x5P A2501WVC-3P A2006WRB-2x2P A2501WVC-4P A1002WR-S-2P A2501WV-F-6P-H A2008WV-12P A2501HWV-15P A2008H-2x7P-GWT A2501HWV-3P C2521HF-7P-WH A2501HWV-4P A2505WV-8P-46 A1257WV-S-2x7P-9T-BK A2005HWV-S-2x12P-H40 A2541WV-2x5P-6T-N10 A2001WV-5P A2541WV-2x17P-6T A2543HB-3P-WH A2005WV-N-S-2x2P-B A2001WR-6P A2012HM-10P A1002WV-S-2P A2012HM-6P A1251WV-S-2P A2012HM-2P C351888A A2501H-3P-BL A2506WV-4P A2501WV-11P C4140WV-2x4P-G15 A2361HFA-3P A2504H-3P C5030M-TB-H C6351WR-2P-M-V0 C2521S-6P C2521HM-6P A2501WV-4P-N2 A2547WVB-2x10P A2501WV-4P-6T A1275WR-8P A2501WV-2P-BL A2008HA-7P A2501WV-2P-RD A2008WVA-6P A2501WV-2P-LK-2-46 A2501WVR-10P-2 A2541HT-2P A2512WV-F-5P-H A1255WVA-S-4P A2543HB-2P-WH A2007H-6P A4001WR-2P-2 A2007H-8P C3030HF-10P A2005H-N-2x12P-A C6351WV-2P-M A2007H-12P C6351S-3x2P A2005H-N-2x10P-A A2005WV-S-16P-B-H15 C3030WV-2P A2012WV-2P-LCP A2508WRA-2x10P-TR C6201HF-2P A2508HA-2x16P C4201HF-4P-V0-CJT A2508HA-2x20P A2508HMA-6P A2508HA-2x7P A2547WV-N-S-2x12P-CRE C3963HF-2x2P C6351HM-2P-BK C2521HM-2x9P A2547-GP-C A3961WRA-3P-2 A2012WVA-4P-H C1581HFC-3x2P C6201WVB-F1-2x1P A7921WVA-7P-84-C-A A2541WV-3P-LK-6T-RD A2543WR-4P A2012WR-S-3P A1201HA-5P-HF-BK D0801WR-S-2P-LCP-G A3963WV-2P A2011HM-4P A2008HB-9P C1301F-TP A2547WVB-S-2x10P A2508M-TP-B-H A2541HWV-S-F-2x4P-U-H71 A2509WV-2P B2512H-12P A2012WR-6P-LCP A1257WV-S-2x12P-9T A2008HB-12P A1257WV-S-2x7P-9T CJ250T001 A1002H-7P-2 B2011-TB-AW A1006H-5P C1581F-TB-B A2012WVA-F-2P-YL A2509WVA-F-2P-CRE A2012WRA-F-16P A2501WR-9P A2012WRA-F-9P A2541WV-3P-LK-9T-C675D450 A2012WRA-F-5P-BK A2006WRD-2x9P A2012WRA-F-5P-RD A2541WV-2x5P-LK-9T-N9 A2543WVA-8P-WH CS200-00-350-SL10-05-0709E-GWT750 A7921WVA-7P-84-C-A A1253WV-6P A2011WVA-2x14P A2508WVC-F-4P A3964H-12P A2501H-4P-GWT A2541WV-5P A2512HF-2P A2004WV-8P A2001WR-6P A1252WV-2P-G A2001WR-16P A2005HB-N-2x9P-D A2512WR-3P-LCP-GWT A2012WRA-F-3P A2006WVD-F-2x12P A2012WR-F-2x6P-PBT A2008HM-6P A2001WV-13P C2363HF-3P A2012WVG-F-2x13P B2011-TP-B A2012WVG-F-2x12P A2503H-10P A2012WVG-F-2x11P A2006WVB-2x7P A2012WVA-F-15P-H A2008WR-2P-BK A2012WVA-F-7P-H A2549HB-2x5P A2012WVA-F-8P-H C3030WR-S-F-2x5P A2012WVA-F-4P-H A2001H-14P A2012WVA-F-3P-H A2008H-2x7P A2012WVA-4P-H A2006HB-2x5P A2012WVA-3P B3961CW-3P-V0 A2012WVA-2P-H C4201WV-2x3P-G2 A2501HMB-10P A2547WRE-4P A2012WV-F-2x8P-PBT A5081H-6P A2012SA-15P-4T A2002WR-5P A2541H-2x2P C1301HM-3P A2503WR-4P A0801H-8P-2 200x200x80-小样品盒 A1251WR-3P A2001WV-F-2P-H A1254H-9P A1252WV-S-7P-G A2001WV-5P-GWT WLA2008H6P-170-02 A2008H-2x12P WLA2008H2P-130-02 A2011HM-5P A2012SA-6P-4T A2012H-8P A2012HMA-6P A2502WR-7P A3961H-KEY A2512H-5P A2541HWV-S-5P-A-U-H50 A2543WRA-5P-WH-2 A2012WV-2x5P-PBT B2512H-11P B2011H-2x3P C2020HMA-2P C2003HM-4P C2020HM-2P C2003HMB-7P C4201HF-6P-V0 C2003HFB-11P C4201WR-F-2x10P-V0 A2008H-2x16P C4501HF-2x3P A2541HWV-15P-6T GRA2547H4P-50-01 A2012H-10P A5001H-3P A2012H-2P-YL A2008H-14P C4201WVS-2P A2506WV-12P C4201F-TCA-H A2008WV-2x9P-46-D300 A2008WRE-S-8P A2501H-3P-GWT A2008WVE-S-3P A2543WRA-5P-WH A2006WV-S-2x10P A1501H-9P C1581HFC-3x4P A2008H-6P A2549HB-2P A2501WV-2P A2008HMB-2P A2509HA-3P A1501WRB-S-6P A1501WRD-S-3P A2543WVA-22P-WH C3030WV-F1-2x4P-2-F34-LCP-IV-HCS-CRE C4201HF-2x5P-GWT C5030HFB-3x2P A2501WV-S-5P A1275HA-10P A2011HA-2x8P A3963H-8P A2011HA-2x7P C6201S-1P A1501WR-S-14P-LCP A2541HWV-S-F-2x7P-U-H35 A1501WV-S-14P-LCP B3952H-3P C4201HM-2x3P-V0 ARA2512H2P-125-02 A1501HE-2x9P A2509WVA-F-2x4P A2547WVA-10P-G A2509WRA-F-2x5P D3961HA-3P-YL A1002HP-9P A2005HWR-S-2x13P A1004H-20P A2005HWR-S-2x3P A2547HMD-2P A2010WR-11P C6201HFB-2x1P A2009WR-2x6P C4201WR-F-2x5P A2009WV-2x9P A2550WVI-2x10P A2009HM-2x5P C6201HFB-3P-NK A2009HM-2x7P C6201WVC-3P-GWT A2009H-2x9P A2008H-2x13P A2009H-2x4P A2547WR-12P A2009H-2x4P C3030WR-S-2x6P A2009H-2x2P C1301HM-3x4P A2008WR-2x3P-46 A2512WV-4P-46 A2008WR-14P C4201WR-2x4P-G2 A2008WR-15P D3961WV-3P-H A2008WR-7P-G A2001H-10P A2008WR-6P A2006WRB-2x6P A2008WR-3P A2508WV-2P-BL A2008WV-2x14P-46-D300 A2505WV-8P-46 A2008WV-2x13P-46-D300 A2005WV-2x8P-XD A2008WV-2x11P-46-D300 A2505WV-5P-46 A1501HG-2x4P A2508WV-2P-YL A2012WVA-10P C2521HF-2P A2008WV-14P A2501H-11P A2008WV-9P A3963WVD-F-5P-A-GWT A2008WV-8P A7921WVA-4P-GA-C-NA A2008WV-2P-G A1252WR-S-F-10P-G A2008WV-2P-GWT A2008WV-S-2x11P A2008S-2P A2547WVB-2x3P A2008HE-3P A2508WVA-2x8P-TR A2008HE-4P C2003HF-2P-BK A2008HE-5P C4201F-TBS-HH A2008HB-9P A2509WVA-2x3P C2003HFB-9P C4201WR-2x1P A2012WRE-S-15P A2006WVD-F-2x15P A2012WRE-S-3P-A C4201WR-2x2P-V0 A2508SB-3P A2361WRA-3P A2543WRA-5P-WH-2-G A2541H-10P A2543WVA-5P-WH-G A5081H-3P A2007WRD-2P C4201WVA-F-3P-V0 A2007H-14P A3963WR-7P-N2.6 A2550HM-3P A2550WVI-2x15P A2508WR-S-6P-F C2504WV-6P A7921WRA-4P-37 C6351WV-2P-R A7501AF-SCA-H A1008WR-S-2x12P A2006WRD-2x18P A2501WR-3P A2543WRA-4P-WH-2 A5081WV-5P-A A2005WV-S-5P-B A2508WV-7P-RD-N5.6 A2006WRB-2x16P C3030WRB-2x6P-9T-F40 A2006WRB-2x9P A1002WVA-S-2x7P A7921WRA-3P-0A A1502WV-S-6P A2006WRA-2x9P A1502WV-S-2P A2006WVU-F-2x17P A2005H-N-2x8P-A A2006WVU-F-2x20P A2550H-13P-M A2006WVU-F-2x16P A2006WV-S-2x2P A2006WVU-F-2x13P A3963WR-4P A2006WVU-F-2x11P A2547WRB-2x4P A2543-GB C3030WV-5P-LCP-HCS B1000H-S-F-51P A2501WV-F-5P A2008HM-2x12P A2006HU-2x20P A2006WVD-F-2x11P A3963WV-2P-BK A2508WVA-2x2P-G-TR A2006HU-2x9P A2006WVB-2x9P A2001WR-S-5P A2006WVA-2x9P A2006WVU-F-2x20P A2361WRA-2P C5030WV-3x2P C4201FS-TP A2544WV-2P C6351M-TB-H A2005WV-N-2x10P-A-LK-9T-D42 A1252WV-7P A1002WR-S-20P-LCP A1252WV-6P A2004WR-14P A2008HM-2x11P A2007WR-5P A2508HA-2x15P A2008H-2x16P A2008WR-6P A2501H-5P-GWT A2512HB-8P A2501WR-3P-A D2541H-6P-RD A2501WR-S-2P A2008WV-3P-A A2501WV-F-8P-H A2509WVA-F-2P A2502WV-12P A2508WVA-2x3P-G-TR A2512H-4P A2005WR-N-2x17P-C A2512WV-2P-GWT A2501WVT-2P-BK A2543H-14P A2501WVT-4P A2541WV-2x5P-9T-N9 A2501WVT-3P-A-BK A2547WRB-2x6P C3963HM-3P A2549H-3P C4201WV-2x3P-B A2549HK-2x5P A2541WV-7P-6T A2550H-10P-H C3030WV-F1-2x2P-2-F30-LCP-HCS-CRE C4201WR-2x5P C4201WV-2x3P-B A2005WV-N-S-F-2x6P-A A7921HC-4P-88 A1501WV-S-2P A2505WR-6P A2501WV-6P A3963WR-2P A2543WR-9P C4140WV-2x6P-GWT 195x95x40-小样品盒 A1008WV-S-2x20P-BK-G15 A2004H-3P A2006WV-2x17P-9T B2012H-8P C1581F-TB-A-L A1257H-5P C4201WR-F-2x10P C5030F-TB-H C4201WV-2x5P-V0 B2012H-9P A2541WV-2x3P-H10-6T CCA1002HB8P-200-02 A7921HC-2P-0A C6351WR-4P-R-V0 C4201M-TP-H C3030WR-2x12P-4N4 A2547M-GP-L A7921HC-4P-0A B2513H-8P A2001WV-S-2P A1255WRA-S-6P C3030HMB-2x6P A1255HA-6P A1254WR-S-3P-G C3030HF-6P A2550M-GP-G A2006HD-2x12P A2005WV-S-2x12P A2006HD-2x10P A3502WR-5P A2547FC-N-2x17P A5001H-2P-WH A2001-TP B1502H-4P B1251-TP C2504HF-4P A2547-GP-E-H C2521HM-9P A2549-GP-C-G15 C2521HM-7P C6201F-TP-E C3962HM-2x2P A2501-GP-G2 C6201S-3P A2005-GP-B-G15 A2005WV-N-2x16P-9T A1002H-7P-2 C2521HM-8P A2006WVU-F-2x9P A2009H-2x8P A2508WV-F-2P-K A2009H-2x7P A2512H-12P A3501SA-4P A2541HWV-N-2x12P-6T A2549HI-2x15P A2547WR-N-2x5P-6T C4201WR-2x9P A2541WR-2x1P-6T-C800 C4201WR-2x1P-BK-G2 A2541WV-7P-6T A3963WRD-5P A2541WRA-2x3P-6T A2549WVI-S-2x10P-K-G A2508WV-S-8P-F C3030WV-2x4P-LCP-HCS A2005WR-2x14P-6T C6201HM-1P-GWT A2508WR-6P C4201WRG-F-2x4P-A A2006WV-S-2x10P A2541HWV-S-2x20P-H71-T A3963HM-6P A2547WVA-2P C6201M-TP A2512H-9P D3961H-3P-OR A1002WVA-S-2x15P D3961HB-3P-OR C6201HFB-2x5P D3961WV-3P-H A2547WVI-F-2x4P-L3.4 A2512WV-6P-6T-RD-N2.5 A1501WV-13P A3501WR-S-2P C4201WVA-2x4P 模具费 A2005WVI-N-2x10P-K20 A2547FD-2x20P A2005H-2x16P C4201WRS-2x12P A1501HA-2P C4201WRS-2x8P A2001WR-S-8P D1272H-22P A2008WR-4P A2005HWV-S-F-2x15P A2503H-8P A2005WR-N-S-2x3P-A A3963WR-5P-A A2550-GP-B-GT C3030WV-S-2x3P-GWT-WH A2005WR-N-S-2x2P-C-T A2001HM-8P A2005HWV-S-F-2x15P A2008WV-2x8P-46-D300 C6351F-TB-H A1275-GP C4201WV-2x4P-BK B2011H-11P A1276WR-S-2P A2008WR-2x4P A2512WV-S-8P C6351HF-10P-V0 C4201HV-2x12P-V0-G30 HJA2005HBN4PC-45-01 A1501H-14P A1254H-15P A1257H-2x7P A2547WVB-2x13P A1257H-2x12P C6351WV-5P-M A2001WV-S-5P A2543WVA-14P-WH A2008WR-S-12P-LCP C4201HF-2x4P-V0 A2008WR-2x14P C2521HF-2P-WH A2547WV-S-9P A2502WV-2P-GF C6201HFA-3P A2012HD-2x8P-GF-NK A5001HA-7P C4201HFSB-8P A2012WRA-F-2P A2508WVC-F-2P A2509WRA-F-2x2P C6351HM-3P A2009H-2x7P A2501WV-S-3P A1002HB-5P C3030WV-S-4P A2006WV-2x20P-9T A2541H-3P A1201HA-5P C2363HMA-2P C4140WV-3P-KK A2004H-5P A3961WVB-16P C6351WV-2P-M-V0 A3963WV-7P-A A2512WR-S-8P C4140WVD-2x3P A2501WV-4P C3030HFB-2x9P A1502HA-4P A2012WV-F-2x6P-GF C3030HMA-2x8P A2007H-10P A5081H-7P A2007H-7P A2547FCA-N-2x6P A2550-GP C6201WVC-3P A2508WV-6P A2008H-2x8P A2012WVA-F-3P-RD A1502WV-4P A2011WVA-2x5P A2006WRB-2x7P-G3 A2512WVA-4P D3961WV-7P-H A2006WVU-F-2x7P D2541L-2P A2006WR-2x2P-IV A2005WV-N-S-2x4P-A A2006WV-2x7P-IV A1501H-3P C5030F-TP-D 70x50空白标签 A2541WV-2x20P-6T C2501HM-2P A2541WV-2x16P-6T A2006WRD-2x10P A2541WV-2x15P-6T A2501WV-2P-BL A3963WVD-S-2P A2001WR-10P C2521HM-4P-WH A2001WV-10P 61291-1五金模具 A2008WV-2x9P-BK 350221-1五金模具 A2008WV-S-2x14P A2005WR-S-4P A2012H-12P C2504AH-14P-WH A2501WV-8P A2512WR-9P A2512H-2P A2008WR-2x9P A2509HFA-2x5P D1272WV-F-22P-LCP A2541HWV-S-2x8P-U A2547WVB-2x9P A2547WV-N-S-2x15P-9T C4201WVD-2x12P-V0 C226830A C4201WVD-F-4P A2006WVB-2x6P C4201WVD-F-5P-V0 C4140HF-2x4P C4201WVA-2x2P-HCS-GWT-BK A2543HA-10P-WH A1251WRA-S-5P-46 C4201WV-2x7P A1251WRA-S-4P-46 A2001H-4P A1251WRA-S-6P-46 A3963WR-6P-N2.4.5 C4201WR-2x2P A2501WRB-6P C3030WV-12P-LCP A2006WRU-F-2x5P A2008HA-5P A2008WV-2x2P-G3-D300 A2006WV-S-F-2x3P A2006WVU-F-2x10P A2006WV-S-2x7P A1002WV-S-6P A2006WV-S-2x3P A1008WV-S-2x15P A2006WV-S-2x2P A2512WR-S-4P A2001WV-S-11P-LCP A2501H-10P A2001WR-S-9P A2547HA-7P A2001WR-S-8P-LCP A2005HB-N-2x8P-FI A2001WR-S-2P USB-ACF016 A2001WR-S-15P-LCP A2006WV-2x4P-LCP A2001WR-S-13P-LCP C3030WR-2x2P A2001WR-S-11P-LCP C4201WRA-2x4P A1502WV-S-6P-LCP C1301AF-TP A1502WV-S-6P B2514H-6P A1502WV-S-3P C2003HF-2P-BK A1502WV-S-10P-LCP-G C3030HMA-2P-GWT A1502WV-S-10P-LCP A2547WVB-5P-KK A1502WR-S-6P-LCP A2010DS-11P A1502WR-S-3P-LCP A1201H-3P A1501WVA-S-9P C226828A A1501WVA-S-8P C6201WV-2P A1501WRA-S-15P A2004WV-4P A1501WRA-S-15P A2550H-5P-A A1276WV-S-F-2x5P A3963WVD-F-3P-H A1276WV-S-F-2x10P A1501WV-4P-GWT A1276WVE-S-F-2x8P A3961H-8P-V0 C4501HM-2x4P A2008HB-13P A2012WR-S-5P A2501HMB-9P A2508H-5P-BK A1501WV-7P-KK C4201HF-2x2P-GWT-BK-CJT A2005WV-2x12P-XD C6201WV-4P A2008WR-S-4P-LCP A2512WR-6P A3963HM-5P A1006H-2x15P-66 A2005WV-2x3P-E-6T A2547HJ-2x3P A2007WV-3P-BK A2508WV-S-3P-F A2512WV-4P-RD A3963WR-3P-A-GWT A2541WV-2x10P-9T-HF-N3 C4201HFI-2x9P A2547H-11P A2549HB-2x4P A2509HMA-8P A1257WV-S-3P A2006HB-2x6P A1257WV-S-2P A2005WR-N-2x12P-B A2006WVU-S-2x16P A2006H-2x10P A2547WV-N-2x7P-6T-N6 A2543HB-5P-WH A2005HWV-S-2x7P A2005HB-N-2x14P-D A2501WV-6P-GF A2509HA-5P A2012-TP-A-H A2547WVB-8P A2008-GP-G3 A1002WVB-S-2P A2001-TPS A2012WV-S-7P-LCP A1257-GP-A-G3 C226826A C3030WV-2x10P A2010HD-4P-BK A2543WRA-4P-WH-2 A2006-TP-U-L A2508WV-13P A3963HM-2P-GWT C6201HFB-2x3P A2005HWV-S-2x12P A2508WRC-2P A2512SB-6P A2006WRU-F-2x11P A2001H-2P-RD A2006WRU-F-2x13P A2543HB-9P-WH A2508WRC-5P A3963WR-2P-RD A2547WV-S-7P A1502H-7P A2008WV-S-2x2P A2008HM-2x6P A2006WVU-S-2x10P A2010HA-6P A1501WVA-S-3P A2550H-14P-B A1501WRB-S-2P A2550HK-2x4P A1501WRA-S-5P A1002WV-S-2x25P-G3 A2006WRU-F-2x7P A2012WVA-9P-H A2547HL-2x4P A2008WV-3P C4201HFI-2x3P-GWT D0801WV-S-6P-LCP-G A2547HL-2x5P A1501H-2P A2549WV-6P A1501WVA-S-5P A3963WV-5P A2005HB-N-2x4P-F A1501WRD-S-4P-9T A3963WV-6P-N2.3.5 A1501WVD-S-13P-9T A2508HM-3P-BL A1501WRD-S-6P-9T A2508HC-2P A1501WRD-S-13P-9T A2012WV-F-2x8P-GF A1501HB-4P A1252WV-2P C4201WV-2x4P-A A3963WV-4P-N3 A1501WVD-S-6P-9T A1501WVA-S-6P A0801-GP A2001H-2P-GWT A1501WVD-S-5P-9T A2005HB-N-2x3P-J A1501WVD-S-4P-9T A2501WR-5P A1501WVD-S-2P-9T A2547WV-6P-D53 A1502WV-S-8P-LCP A2549HC-5P A3965HM-5P-GWT B1251H-8P A1259-TP A2509HM-8P A1257H-2x8P A2008WR-2x15P A2503WV-4P A2501WV-3P-GWT A2008WV-2x2P-46-D300 A2508HC-3P A1257WV-S-11P-LCP A3961WVB-2P A1251WV-S-8P A1002WRB-S-8P A1008WV-S-2x18P-G15 A2005HA-2x6P-66 A1008WR-S-13P A3963WV-7P-A A1006WR-S-4P A2508WR-4P A1006WR-S-3P A2541WV-2x5P-6T-OR-N8 A1004WR-S-8P-9T A2010WRC-S-4P A1002WV-S-F-2x20P-G A2005HB-N-2x6P-E A1002WV-S-9P-LCP A3963HM-7P A1002WR-S-2x10P-G C5081WV-4P A1002WR-S-17P-9T A2006WRB-2x8P A1002WR-S-14P-LCP D3961WV-8P A1002WR-S-11P-LCP A1252WV-2P-G A1002WRB-S-12P A2512WR-4P-GWT A1255WR-S-5P-LCP A2547HN-2x3P C4201HF-2x10P B2513H-5P A2541WV-S-2x5P C2521HM-4P A4001WVG-F-2x3P C4201WVA-F-2x3P-V0 A2508HM-2x6P A2547WVRB-7P-KK A2501-TP-L A2512WVA-3P A2008H-2x5P-GWT A3961H-2P-V0 A1501WV-10P A2005HB-N-3P-FI-BK A1501WV-13P C6351S-3x5P A2001WV-2P-BL C6351WV-4P-M-V0 A1002HP-6P A2005WV-S-5P-A C6201WRB-F-2x12P A2006HU-2x13P A2005HB-N-2x4P-G A2547WVB-2P C4201HMB-2x2P-B-V0 C4140WV-2x8P-G15 C2003HMB-10P C4140HF-2x2P A1257WV-F-8P C6351HFI-4P A2541HWV-4P-U-H50-6T A1501HB-3P C3030WR-F1-2x4P-2-H30-LCP-HCS-RE A2543HA-8P-WH A2547HA-10P A2004-TP D2541H-4P-RD A2005H-2x3P-66 A2008WR-3P-9T-BK A2008H-3P-BK A2502H-13P A2501WV-3P-D30 A1501-GP-H A2506WV-2P-WH 57mmx90Yx60U-透明底无印字胶带 A2543WVA-3P-WH-A C6351MA-TB A2543WR-4P-2 C6201FB-TCA-H A2547WRI-2P-C600D102E280F508 C5030F-TB-B A2550-TP-CR-3 C4201FS-TP-H A2550-TP-C C3030F-TCA-D-H A2550M-TP-K C2521M-TP-B A3963H-3P-BL C1301M-TP-L C2003HF-2P-GWT C1301M-TP C2003HM-2P-GWT C1301F-TP C2504HFA-2P A7921-TP-B A2550-GP-CR A7501AF-TP-H A2512SB-4P A7501AF-TB-LL A2550-GP-H-CR A4001-TCA-AG-L A2550-GP-GG-2 A3963-TB-L A3963WV-5P-G2 A2550M-TP-K A2550HD-TP A2550M-TP-J C3030F-TP-B-L A2549-TP-K A7921-TP-E A2009M-TP A2508WV-6P-BK A1259-TP A1002WRB-S-3P A2550H-5P-G A2008HB-7P A2007WV-6P A2012WVA-F-7P-H A1501WVA-S-2x6P A2006WVU-F-2x7P D3961L-3P A2501WV-2P A2001WV-S-2P-LCP-BK A1002WVB-S-8P C4201HMA-2x1P-GWT-BK A2008H-4P D0801H-8P-G A2509HMA-4P A3963S-9P A2543H-7P A1002H-4P-2 A2543HA-4P-WH A5001WRA-11P A2508WVC-F-7P A2001WR-S-12P-LCP A2005WV-S-2x2P A3963WVD-S-4P A2010WVC-S-2P A1006-GP-G3 A2543WVC-4P-46-BR A2501WR-S-8P-LCP C4201WVA-2x5P A1255H-8P A2506WV-2P A2544H-4P A2549-TP-C-H A1256H-20P C6201HF-1P A1255WR-S-20P-LCP A2508WV-F-6P-RD C3030WR-F1-2x5P-H30-LCP-HCS-D21-RE C2504HFA-4P A2006WVB-2x15P C4140WV-2P-G15 A2512WR-5P A1501H-6P A2012WR-F-2x3P-D25 A2001H-5P A2008WR-4P C4201WR-F1-2x5P-SQ A2008WV-9P A2547WV-5P-KK A2008WV-2x7P-46-D300 A3963WV-3P A2501HWV-2P C4201HMD-2x1P-GWT-BK A1251WV-3P-46 A2001WV-11P A2006HD-2x15P CP700J-04-508-3P-04B-CJ A2512HA-5P A2508HM-6P C3030HFB-2x11P A2549WVB-4P-BK C3030HF-2x7P-GWT A2512WV-4P-GWT C3030HF-2x6P-GWT A2501WVR-6P A2547H-2P-2 A7921HE-2P A2005WVA-S-2x5P-H15-R A2005WR-N-2x7P-A A2543WRD-2P A3963WR-3P-A A2543WRD-4P A1251WR-S-3P A2547HJ-3P A1257WV-S-7P C3030HF-2x8P-GWT A2008WR-8P D3961HB-3P-OR C1301M-TP D3961H-3P-OR A2547WVA-4P-G-NK RJ45 A2012WR-8P-LCP B1271WV-S-F-2x40P 475x485-真空包装袋 A2504WR-2P C6351WR-3P-R-V0-G2 A2006WV-2x7P-9T A2512HA-10P A2006WV-2x6P-9T A2505WV-6P-46 A1501WV-5P B1801-TP C6201HFG-2x3P D0801WV-S-2P-LCP-G A2005WV-S-8P-A A2012WRA-F-3P A1501WV-3P A3963WV-6P-N2.4.5-GWT 0.1x580x585-228-真空包装袋 A2541WV-2x5P-LK-9T-T C5081HF-2P A2504WV-7P A3963H-8P A2001WV-6P-6T A2543WRA-4P-WH-2 A2007WV-4P-BK A2543WRA-3P-WH-2 A2501WR-8P A2502WV-3P-A A2512H-4P A2547WR-8P A3961WV-2P-BL C4201WVA-F-5P-V0 A3963WV-2P-BK A2001HM-5P A3963WVD-F-3P-H-A-GWT C6351M-TB-L B2012H-4P A2007WVD-4P A2006WRU-F-2x6P A2005WVA-2x6P-H15-6T-C546D546E818 C6351S-4P A5081WVB-5P A2508WV-13P-N2.3.5.6.8.9 A2008WV-2x12P-46-D300 A2541WV-2x4P-LK-9T-N7 A2508SB-2P ARA2501H3P-160-03 C4201WVS-2P A2512HA-8P A2010HD-2P A1251HM-14P C3030WV-2x12P A2001H-5P-GWT C3030HMA-2x2P A2006WV-2x6P-9T C5081WR-4P A2501WV-F-4P-H A2547HA-2x14P A2512WV-S-4P A2008S-8P A3963WVB-3P A2007WV-9P B2512-TB A2008WV-S-2x15P-LCP NFCLA0801H3P2-28-01 C3030WR-2x8P A2541-GB A2501WV-F-3P A11881WV-F-2P A1006H-2x8P-66 A2512SB-8P C4201WVB-2x7P C3030F-GP-A-L-G15 A1006H-2x10P-66 A2508WV-6P-RD A1006-TP A2508WV-F-3P-BL-G3 A2012WRA-F-10P A2508WV-F-3P-G3 A2547FD-2x5P A2005-GP-B-G15 C6351HM-3x2P-V0 C2003HMC-2P-GWT C6201HFB-2P-NK A1501H-5P A2512WR-8P A3963WV-3P-A-BL C4140WV-3x5P-GWT A3963WRH-2P-GWT A2547WVB-2x8P A2547WVB-6P A3963WVD-F-4P C3030WRB-2x6P A2541-GB A2006WV-2x7P-9T A3961-TP-1 A2512WV-2P A2008H-2x4P-GWT A2001WR-3P A3963WVD-FT-8P A3964H-3P-GWT A7921WVA-4P-0A-C A2549HA-2P A2547WR-S-F-9P-LCP A2008HA-12P A2006WRU-F-2x7P B2512H-10P A1002WVP-S-4P A2543HA-3P-WH A2508WR-8P A2009WV-S-2x3P 320x240x65-纸盒K3K A2001WV-9P D0801WV-S-7P-LCP-G A2006HU-2x10P D0801WR-S-5P-LCP-G C1301HMA-2x2P-BK A2502H-14P A2508HC-6P A1252WR-S-10P-G A2549-GP-I-A A2009WV-2x3P A2508HM-7P A1252WV-15P A2012WVA-F-2P-H A2005WVC-N-2x5P-FI A2501WV-3P A2005WVC-N-2x10P-FI A2543HA-5P-WH A2006HU-2x16P A2547HE-5P A1255WVA-S-4P-175 CJ25002H003 A1257WV-S-2x20P A2001WV-2P-BL A2005WVC-N-2x6P-FI C6201S-2P-IV A2508HM-14P C6201WV-3P-RD A2507H-3P A2508WR-2P A2005H-3P A2010H-9P A2541H-3P A2547WR-2P A2508HM-13P A2547HJ-4P C6201F-GCA-E-H-G15 A2512HA-4P A2547WRB-6P-KK A2008H-3P B2512H-13P B1251H-7P A2512WV-4P B2515-TP A1502WVA-IT-S-4P A2509-TCA-B A2543HB-3P-WH A2006WVU-F-2x8P A2001WV-6P-46-KK A3961WR-2P-RD C2504HM-12P A1251H-11P C2521HM-2x9P A2008WV-4P-46 A2512H-12P A2505WV-9P-46 A2001H-7P-BL A2508HMB-3P C6351HF-3x2P-GWT A1502WV-S-9P-LCP A2501H-8P-GWT A2006WVB-2x3P A3961WR-4P A2005H-2x4P A2012WVA-F-7P A2012WVA-F-3P-GWT A2549HB-2x4P A2006WRU-F-2x8P A1256WR-S-20P A2543WVC-4P-46-HF A2550H-12P-A C3961HM-3P B5081AW-5P A1502WR-S-3P-LCP C3030WR-2x3P-LCP-G15 A2006HU-2x4P A2004WR-6P C4140WV-2x2P-G15 A2549WV-2x4P-9T A2505WV-3P-46 C4201HF-2x5P-GWT C6201WVB-F1-2x4P-BS A3963WRH-5P-A B2011H-2P-AW A2011WRA-2x4P C2521HM-3P A2547HJ-8P SS0002 0070-0 A2011WRA-2x5P A2502WV-4P A3963WVD-FT-2P A2012WVA-6P-H A1254H-12P C2020M-TP C6351HF-4P-V0 A2008WR-2x10P A3961WV-4P A2008-TP C6351HF-4P A2012HE-2P C4201WVA-F-2x12P A2541WV-4P-LK-9T-G15 A3502H-4P A2512WV-5P A3502WR-11P C1301M-TP-L A1255H-10P A2009H-2x3P A2001WV-S-3P-LCP-BK A2512WV-3P A2508WV-F-12P A3963WV-9P-A A2508WV-F-9P A1257WVP-S-5P A2008WV-11P A2006WV-2x5P-9T A2508H-2x8P A1008-TP A2541H-2x6P A2008WV-S-2x8P D0801H-6P-G C2501HF-2P-WH A2012HMA-2P A2501WV-2P-2 A7921-TP-E A3963WV-4P C4501HM-3x3P A2549HB-4P A2004WR-9P A2508WV-5P-A A7501-TP-D A2001WR-4P A2547HM-6P A1002WV-S-3P C4201WVA-2x9P A2501H-2P-V2 A2012WVA-F-4P-BK A2008WR-10P B2011H-10P A1257WV-S-2P A2543HB-9P A1502H-9P A7921HG-2P A2010HD-10P B2541BW-5P A2550M-TP-E C1301HF-2x3P A2550-GP-K A4001HG-2x3P A2547-GP-B C1301HM-2x3P A2541M-TP A1002-TP-H A2012H-2P-BK A2541H-N-2x3P A2541WV-6P-LK-9T-C670D320 A1501HD-8P A2008WV-2x10P-G3-D300 A2547HN-2x10P A1257WR-S-5P A2547WV-2P C3961HF-3P C3030WV-8P-2-LCP A2501WV-2P C6201F-GP-E A2512WV-4P C6201HM-2P A2006WRU-F-2x12P B2512H-13P A2512H-2P A2543WR-6P C1301HM-2P A2008HM-2x4P B3951-TB D2541HA-5P-RD C1301M-TP D2541HA-4P-RD A1257WR-S-2P D2541HA-11P-RD A2001H-3P D2541H-2P-RD B2513-TB D2541HA-10P-RD 100x70-空白标签打印纸 D3961H-6P-OR C1581HMB-2x2P-CJT D2541HA-8P-RD A2006-TP-D C6201HFA-2P A2501H-2P 0.1x480x485-真空包装袋 A1257WV-S-2P-OR A2550H-7P-A3H A3963H-5P-BK C4201HFC-2x1P-V0 A1257WV-S-5P C3030HF-2P-B-WH A2001WV-2P-BL A2005WVC-N-2x13P-FI A1257WV-S-8P A1251H-20P A2547WVB-4P A2541WV-1P-6T A1501H-5P C4201HF-2x5P A2512WV-2P C3030HFWR-2x12P A2001H-4P A2512WR-10P A2505WV-7P-46 A2512WR-12P A3963H-9P A2512WR-11P A2008WV-2x9P-G3-D300 A2512WV-11P C1581HFA-2P A2011HM-15P A1257WR-S-4P-OR A2008WR-2x15P A2502H-4P A1501WR-15P A2008WV-4P A2547WRA-S-F-11P-G C6201WV-3P A5081WVB-3P A2012HE-12P C2003HMB-8P A1257WR-S-4P A2007H-2P A3963WV-3P-A-BK A2508WV-5P A2549-GP-I A1254WR-S-20P-G A2012WV-F-2x5P-PBT A2512WR-2P-GWT A1257WR-S-4P-BL C2020F-TP A3963H-7P A2543WRA-3P-2-BK-G15 A2012H-6P C4201WRS-2P A2502WV-5P A2501WV-16P A2001WV-5P A2006WR-2x20P-9T A2001H-2P A3963H-4P A2508M-TP A1501WV-2P A2512SA-10P A2001H-5P A2508WV-2x4P-D30 C6201FB-TCA A2001WV-3P C3030HF-2x3P-GWT A2507H-2P A1501HD-8P A2501H-4P A2011WV-5P-6T-G A2508HC-4P A2012H-10P-RD A2008WV-4P A2001H-6P-BL A2010HD-12P A2001H-11P A2508HC-14P D0801H-2P-G A2508HC-7P A2012WVA-16P A2508WVA-2x3P-TR D0801H-4P-G A2008WV-2x4P-GWT C2521HFB-4P A2502WV-3P A1251WV-3P-46 70x20空白标签 A2550H-8P-C A2006WVU-F-2x10P-RD A3963H-4P-GWT C1301M-TP C6351HF-8P-V0 A2001H-7P-BL C4201HM-2x3P-V0 A3963H-2P-BK A2008WR-S1-2x11P A2012H-10P-BK A2508HM-10P-GWT A2001H-3P-YL A2508HM-6P-GWT A2006HU-2x8P A2001WV-S-4P-LCP-BK A2501H-2P-BK A2005HWV-S-12P-A A2508HA-2x3P C3030WR-F-2x10P-LCP A2008H-2x6P C6351HF-3x2P-V0 A2508HA-2x2P C4140WR-2x12P C3030WV-2x3P A2508HB-2x9P A2501WV-4P A1501-GP-H A1257WVD-S-2P C4201WV-2x2P A2005WVC-N-2x4P-FI-D31 C4201HFS-4P A2508HMA-3P A1254WR-S-10P-G A2006HU-2x12P A1252WV-10P A2501H-8P C4201HF-3P-V0-CJT QHD0801H2P-42-01 A2007H-3P C4201HF-2P-V0 A1501-TP-D A2009HMA-3P C6351HM-2P-BL A2008WV-S-2x3P-LCP A1251WV-S-10P-LCP A2009HFA-3P A2010-TP-E C2521HF-3P D0801WR-S-9P-LCP-G A2547WR-F-9P-NK D0801WR-S-14P-LCP-G A3963M-TB C4140HF-3x5P-GWT A2012HE-10P C4140HF-2x3P-GWT A2541WV-2x5P-9T-HF-N10 C4140HF-2x2P-GWT A2005H-2x5P C4140HM-2x3P-GWT C2003HM-5P C4140HM-2x5P-GWT A1501H-4P C4140HM-2x4P-GWT A2508WV-F-5P-A A2502WV-9P-G3 A1276-GP-G10 A1251WR-8P-46 A3963WV-3P-A-GN A2012WV-F-2x10P-GF A2008HB-11P C2003SB-7P A2550-TP-CJT C3030WR-F-2x2P-LCP B2011-TB D1272WV-F-12P-LCP A2550M-GP A2012WV-F-2x12P-GF A2001H-9P C4201WVA-F-2x5P C3961F-TP A2005WV-N-2x5P-A A1501-TP-DZ A2508WV-4P A3963WV-2P-RD C3030WV-2x6P A2512F-TP A2010WRC-S-4P A1501-TP A1501WV-10P A3963WV-2P A5001HB-2P A2002-TP C3030HF-2x3P-GWT A3963WV-3P-A A2010WRC-S-2P A1257-GP-G3 A1501H-15P A2541HTA-2P A1002WV-S-2x7P-G A1501-TP-D C6351HM-3x3P-V0 A1501-TP A2549HM-2x5P A1257H-9P B2512H-2P A2006-TP C4201M-TP-H A1257-TP A2008HM-2P A3963H-5P A2001WV-2P C3961M-TP A0801-TP-A A2508WV-2P C6201WVC-2x3P A1257WV-S-3P C4201HMA-2x4P-V0 A2008H-2x12P B1271HWV-S-F-2x10P A3963WV-5P-A B2512H-2x6P A2501H-3P C2504WV-2P A2508WV-8P-N6.7 A2008H-2x3P-GWT A2508WV-6P A2549WVK-N-5P-G A2550M-TP-C1 A2549WVK-N-14P-G A1257WVP-S-4P A2012WVB-S-F-8P A1257WV-S-4P A2005H-4P A2008WR-S-11P-LCP A2005H-12P A2001WR-4P A2508WR-S-8P-F C2521HM-2P C6201WVB-F-2x1P A2502WV-4P A2507WR-7P A1257H-14P A1801WR-S-2P A3965WV-F-5P-A-GWT A1201H-3P A2508WV-4P A4001HG-2x7P A2005WV-2x4P-H27-XD A2502H-3P A3963WR-6P-GWT A2012M-TP-L A1275-TP C4201HMA-2x4P-V0 A2007-TP C4201HF-2x4P-GWT A2005-GP-D A2012WVA-16P A3963H-3P-BK A2012WVA-F-5P A2001H-10P A1501H-9P HX4.8S-21T A2009WV-2x10P A1257H-8P C6201HF-2P A2547-GP-C-L D2541WR-3P-2 A2508WV-2P-GN C4201F-TP-HH A2550M-TP-D A2010HD-13P C6351S-2P A2010DS-13P A1002H-2P A2012WRA-F-12P A1251H-4P A2008WRE-S-4P A2543WV-2P C2003SB-6P C3030F-TP A2504H-12P A1257H-6P A2504H-13P A2001WV-4P A2008H-2P-GWT A1002H-8P D1272H-16P A2502H-2P-YL C3962HF-2x2P A2008WR-5P C3962F-TP-H A2547-TP C3962F-TP B3952-TP A2007WR-10P A1257WV-S-6P C3030WR-2x7P-LCP A2508WV-2P-RD C3030WR-2x9P-LCP A1002A-TP C3030WR-2x10P-LCP A1501-TP-H C3030WV-2x9P C2501F-TP C4201HF-2x6P-V0 A1257H-10P C4201HF-2x4P-V0 A2541-TB A2006HD-2x5P 110x300-碳带 A2508WV-F-2x10P A3963WV-2P-BK C3030WR-2x3P A2508WV-5P-BK A1502WV-S-14P-LCP A2505WV-2P-46 A2011WRA-2x7P A1257WR-S-6P A2543WVA-3P-WH A3963WV-8P-GWT A2006WV-2x20P A3963WR-2P CJ250T001 A2543-TBD C3030HF-2x2P-GWT A2008-GP-A A1004WR-S-20P-9T A1002-TP A3502WR-9P C3961HF-1P CJ25002H001 C6351F-TB A1276WV-2x5P A2501H-6P A3502WR-15P A2006-TP-D-L A1002WV-S-16P-LCP C2363HMA-1P A1002WV-S-10P-LCP A2008WR-S-5P-LCP A2501WV-8P A1502-TP A1255H-4P A2502WV-2P A2512WR-2P A3963H-4P A3963WRD-S-4P A2001WR-5P A2512WR-S-14P A1257WVD-S-5P C1301HF-4P C4201FS-GP-H B3961AW-4P-V0 A3963H-2P A1251H-16P A2508WV-3P-BL A3965WV-4P-GWT B2012-TB A2010WV-10P C2003M-TP C4201HF-2x2P-V0 A2502WV-5P A1252WR-10P A2550M-TP-J ZLD1275HS12PD1275HSV12P-152-01 A2005-GP-B A2002-TP A2006-TP-D A2543H-10P-WH B2011-TB-B A2543WR-10P A2508WVT-6P A2012H-11P C3030F-TP-C A2009WVA-F-2P A2008-TP C6201WRB-F-2x2P A1251-TP A2543HB-4P-WH D2541H-2P-RD 






本店推荐产品更多>
| 型号 | 厂商 | 批号 | 数量 | 封装 | 交易说明 | 询价 | |
|---|---|---|---|---|---|---|---|
| MOS1CT52A271J | KOA SPEER/可尔 | 24+ | 10000 | 主营KOA,假一赔十,深圳现货 | |||
| RK73G1ETTP1001F | KOA SPEER/可尔 | 24+ | 50000 | SMD | 假一赔十,有挂就有货 | ||
| SG73P2ATTD2701F | KOA SPEER/可尔 | 24+ | 20000 | SMD | 假一赔十,有挂就有货 | ||
| IPD60R360P7S | INFINEON/英飞凌 | 22+23+ | 5000 | TO-252-3 | SIKOR萨科微一级代理商,原厂供货 | ||
| RK73B1JTTD102J | KOA SPEER/可尔 | 24+ | 370000 | SMD | KOA电阻,支持现货期货 | ||
| RK73H1JTTD1003F | KOA SPEER/可尔 | 24+ | 100000 | SMD | 假一赔十,有挂就有货 | ||
| BPR58C15LJ | KOA SPEER/可尔 | 24+ | 20000 | SMD | 假一赔十,有挂就有货 | ||
| A89306GETSR-T | ALLEGRO/美国埃戈罗 | 22+23+ | 5000 | 自有库存,现货直发,价格优惠 | |||
| RK73Z2ATTD | KOA SPEER/可尔 | 24+ | 155000 | SMD | 假一赔十,有挂就有货 | ||
| DS2431X-S+ | MAXIM/美信 | 21+ | 1000 | UCSRP-6 | 自有库存,现货直发,价格优惠! | ||
| HPC2C333K | KOA SPEER/可尔 | 24+ | 40000 | DIP | KOA电阻,支持现货期货 | ||
| PCF2C270K | KOA SPEER/可尔 | 24+ | 10000 | DIP | KOA电阻,支持现货期货 | ||
| TF16SN1.60TTD | KOA SPEER/可尔 | 23+24+ | 40000 | SMD | KOA电阻,支持现货期货 | ||
| BGRV30TQ390J | KOA SPEER/可尔 | 22+23+ | 10000 | KOA电阻,支持现货期货 | |||
| RN73H1JTTD1002B25 | KOA SPEER/可尔 | 22+23+ | 20000 | SMD | KOA一级代理,支持现货期货 |
